Скачать Серия 1.400-6 Выпуск 1. Закладные детали конструкций одноэтажных зданий. Рабочие чертежиДата актуализации: 01.01.2021
|
| Обозначение: | Серия 1.400-6 |
| Обозначение англ: | Series 1.400-6 |
| Статус: | заменен |
| Название рус.: | Выпуск 1. Закладные детали конструкций одноэтажных зданий. Рабочие чертежи |
| Дата добавления в базу: | 01.09.2013 |
| Дата актуализации: | 01.01.2021 |
| Дата введения: | 01.07.1969 |
| Дата окончания срока действия: | 01.02.1979 |
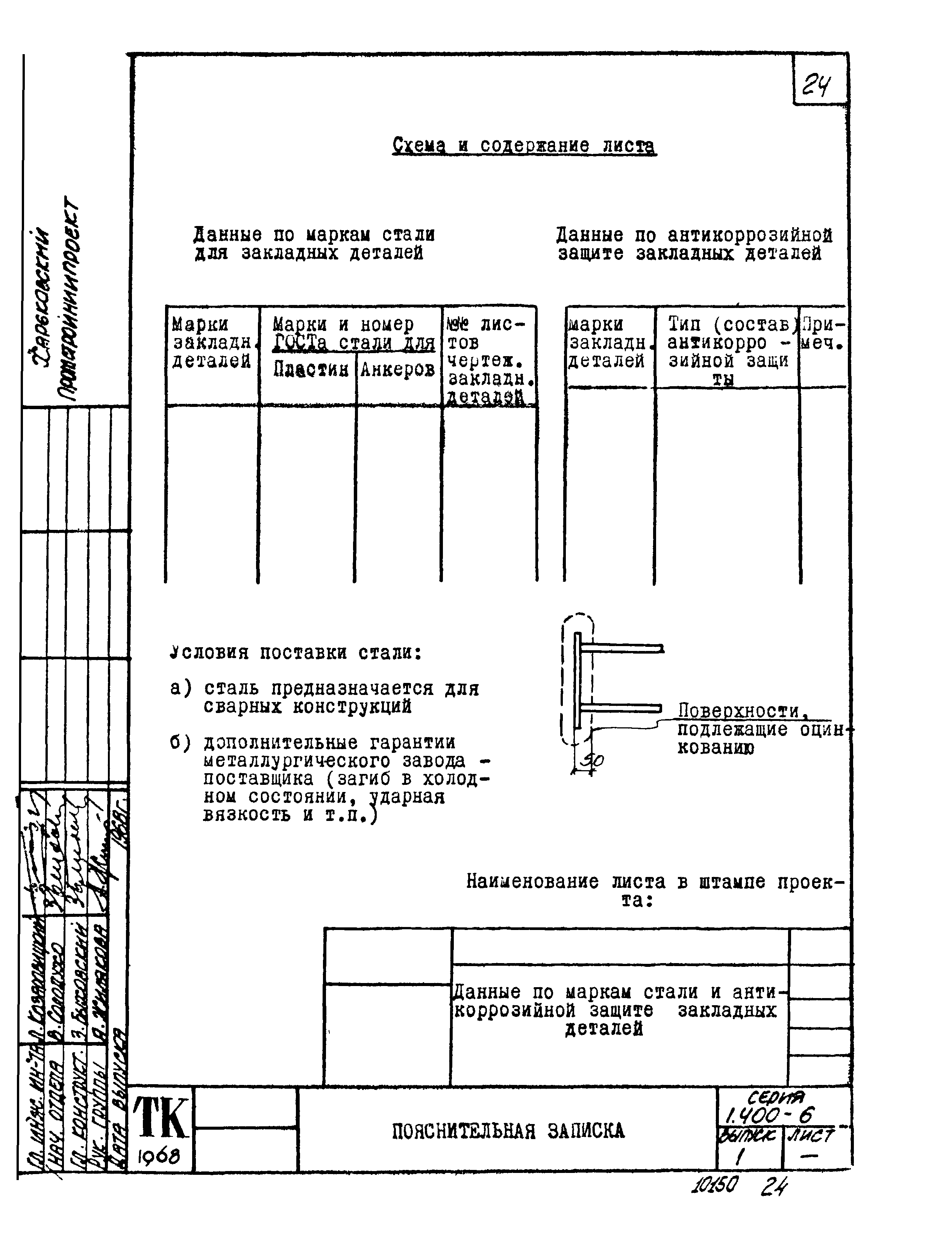
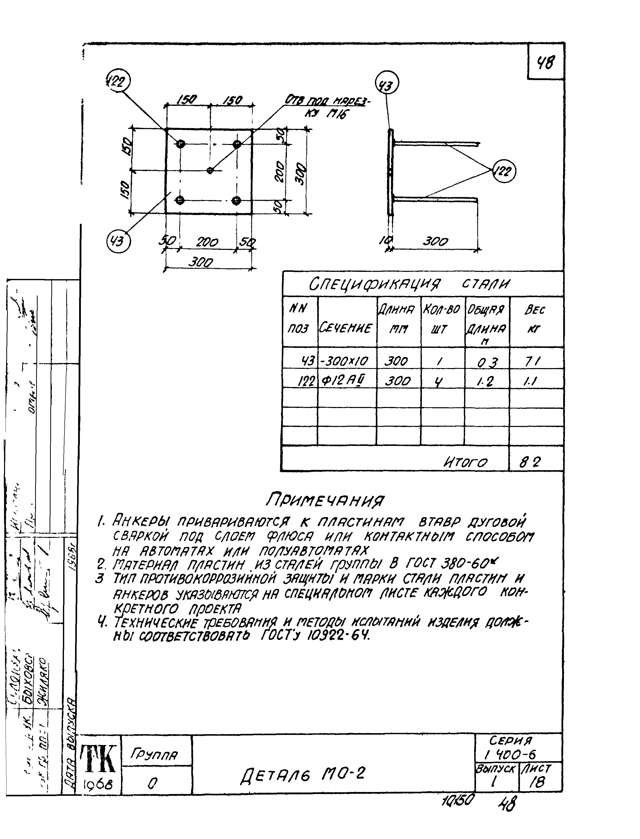
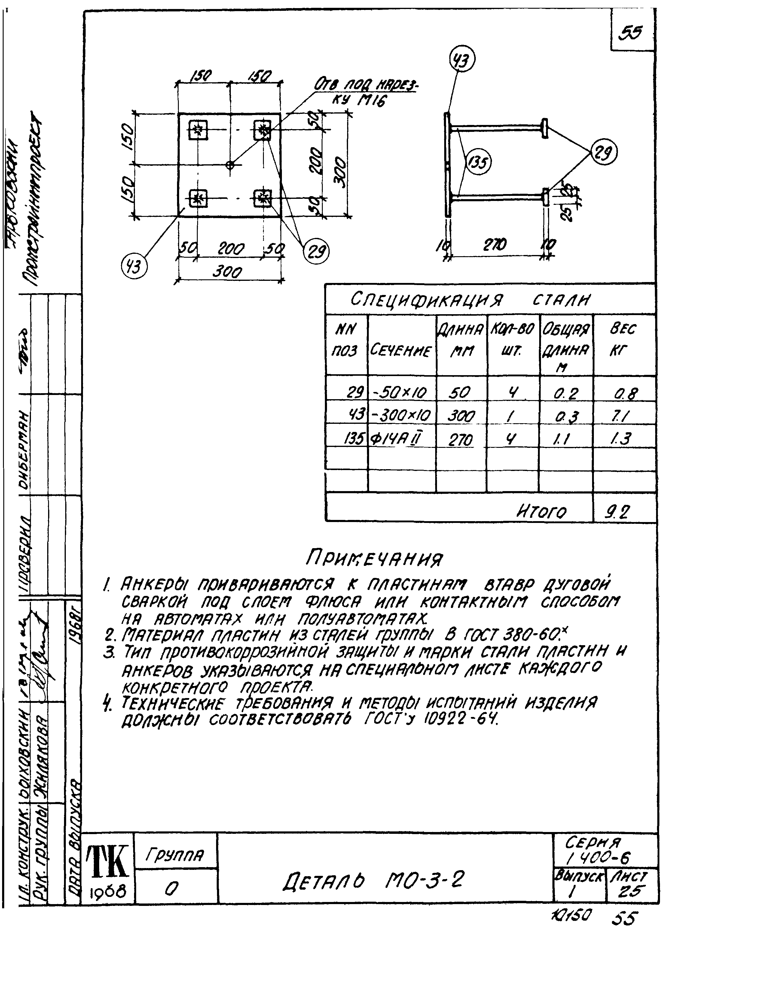
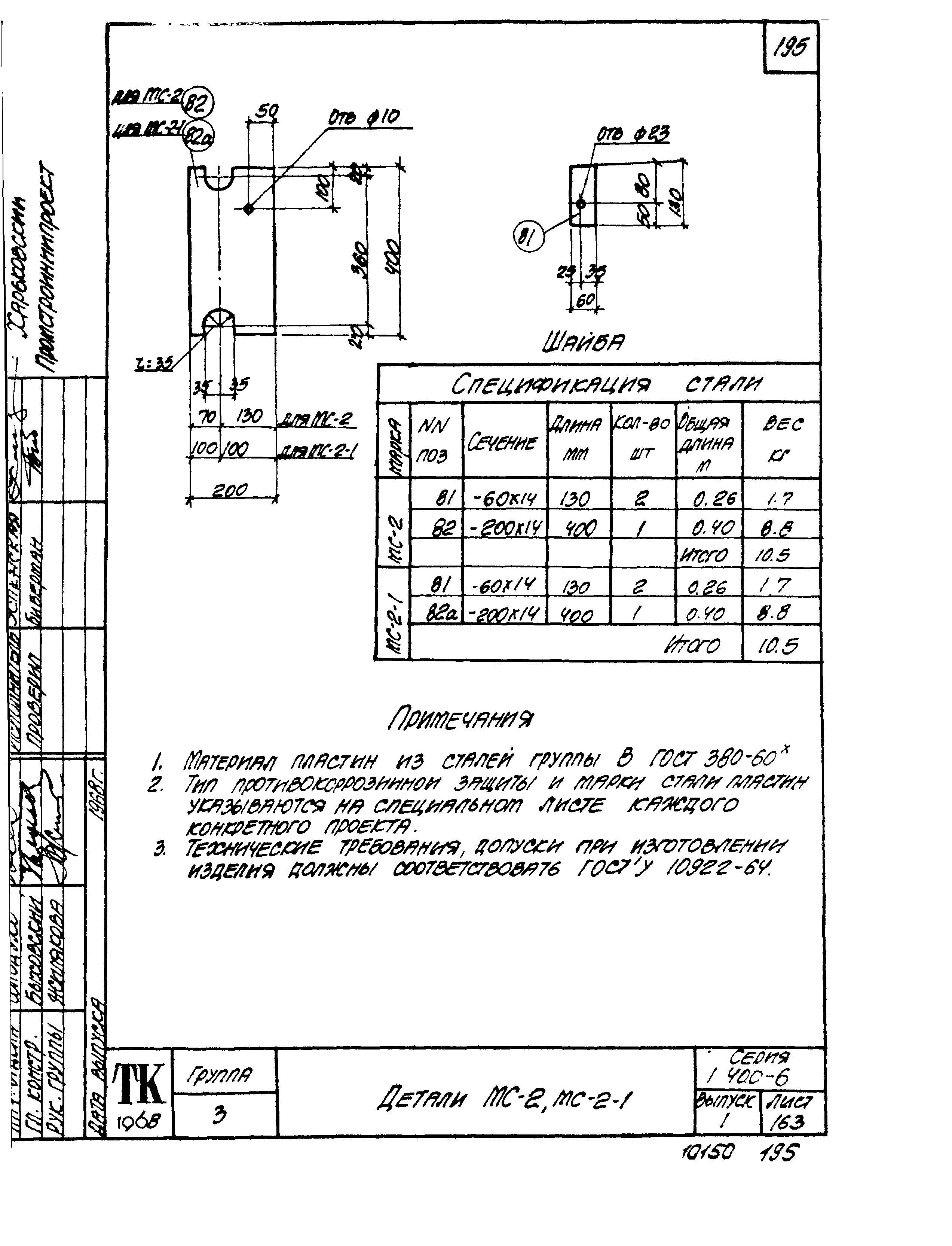
| Оглавление: | Содержание Пояснительная записка Состав альбома рабочих чертежей Таблица 4. Унифицированные пластины закладных деталей Таблица 5. Унифицированные анкеры закладных деталей Примечания к таблицам и чертежам закладных деталей группы 0 Таблица 6. Несущая способность закладных деталей в зависимости от эксцентриситета марки бетона и класса стали Таблица 7. Ключ для подбора закладных деталей по несущей способности Таблица 8. Ключ для подбора закладных деталей в колоннах в зависимости от размеров колонн и несущей способности Таблица 9. Применение закладных деталей в сборных железобетонных колонных, армированных сварными каркасами Детали МО-1 - MО-14-3 Примечания к таблицам и чертежам закладных деталей группы 1 Данные для подбора опорных консолей для опирания стеновых панелей Узлы крепления опорных консолей к с закладным деталям колонн для опирания стеновых панелей Таблица 10. Ключ для подбора закладных деталей по несущей способности Таблица 11. Ключ для подбора закладных деталей по несущей способности Таблица 12. Применение закладных деталей в сборных железобетонных колоннах, армированных сварными каркасами Детали M1-1 - M1-12 Таблица 13 - для подбора унифицированных закладных деталей в колоннах для опирания стропильных и подстропильных конструкций Таблица 14. Ключ для замены закладных деталей серий типовых колонн на унифицированные закладные детали Таблица 15 - для подбора и ключ для замены закладных деталей в подстропильных конструкциях Схемы расположения закладных деталей в конструкциях при опирании стропильных конструкций на подстропильные Схемы расположения закладных деталей в колоннах для опирания стропильных конструкций Детали M2-1 - M2-10 Таблица 16. Унифицированные закладные детали нижнего пояса стропильных и подстропильных конструкций Детали M3-1 - M3-16 Детали MС-1 - MС-3 Таблица 17. Унифицированные закладные детали верхнего пояса стропильных и подстропильных конструкций Детали М4-1 - М4-12 Деталь МС-4 Таблица 18. Ключ для замены закладных деталей для крепления связей к колоннам на унифицированные закладные детали Схема расположения закладных деталей в колоннам для крепления связей Детали М5-1 - М5-11-1 Материалы для подбора закладных деталей в подкрановых балках Таблица 19. Ключ для подбора и замены закладных деталей подкрановых балок Детали М6-1 - М6-14 Детали МС-5 - МС-6 Таблица 20 - для подбора и ключ для замены закладных деталей типовых колонн на унифицированные закладные детали Опирание подкрановых балок на колонны при шаге 6 и 12 м Детали М7-1 - М7-3 |
| Разработан: | Харьковский Промстройниипроект НИИЖБ |
| Утверждён: | 30.04.1969 Госстрой СССР (Государственный комитет Совета Министров СССР по делам строительства) (USSR Gosstroy 56) |
























































































































































































































































