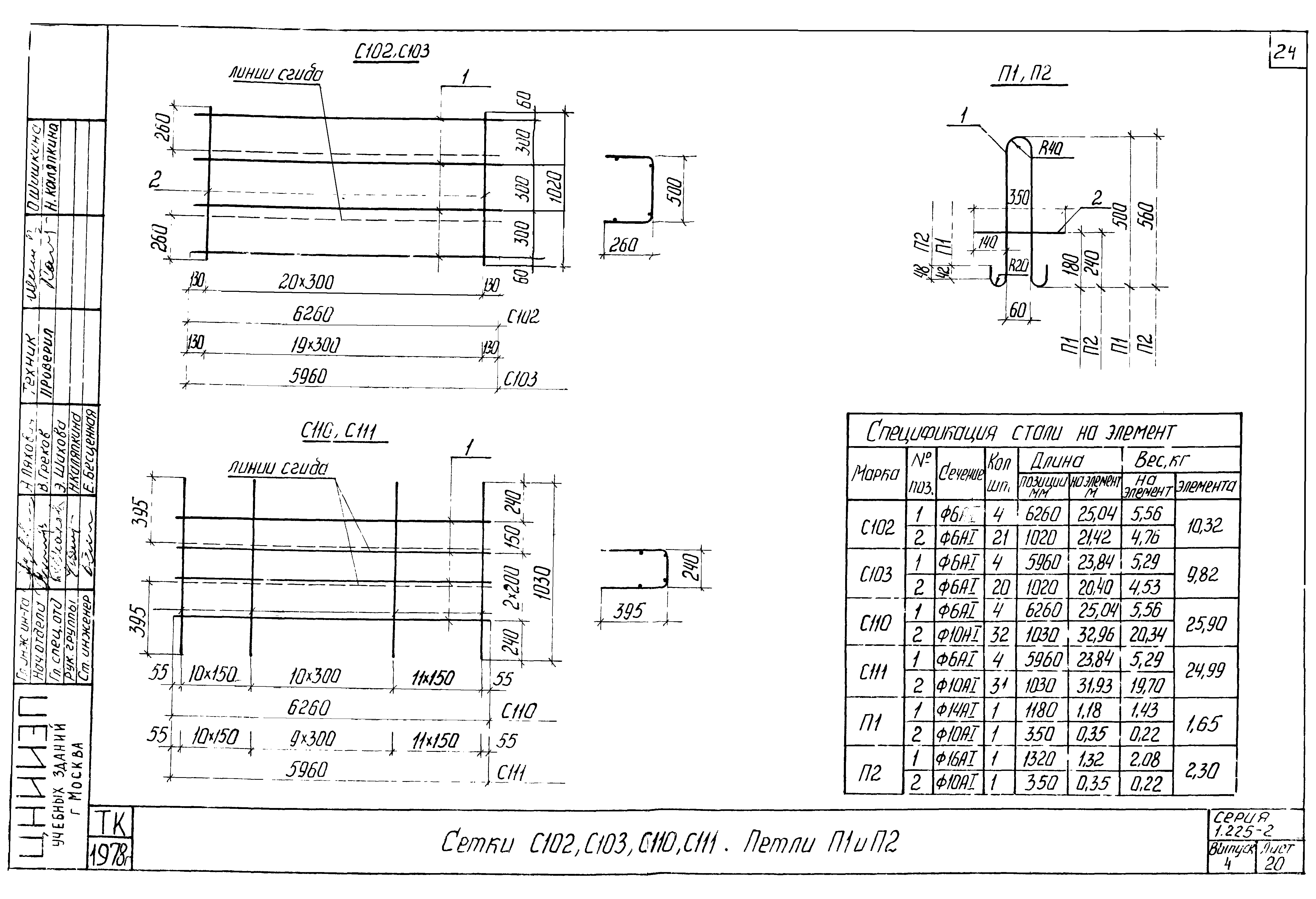
Скачать Серия 1.225-2 Выпуск 4. Предварительно напряженные прогоны таврового сечения длиной 628 и 598 см, армированные высокопрочной проволокой сечением 5 класса Вр-II с линейно-групповым расположением арматуры. Метод натяжения - механическийДата актуализации: 01.01.2021 Серия 1.225-2
Выпуск 4. Предварительно напряженные прогоны таврового сечения длиной 628 и 598 см, армированные высокопрочной проволокой сечением 5 класса Вр-II с линейно-групповым расположением арматуры. Метод натяжения - механический| Обозначение: | Серия 1.225-2 | | Обозначение англ: | Series 1.225-2 | | Статус: | не действует | | Название рус.: | Выпуск 4. Предварительно напряженные прогоны таврового сечения длиной 628 и 598 см, армированные высокопрочной проволокой сечением 5 класса Вр-II с линейно-групповым расположением арматуры. Метод натяжения - механический | | Дата добавления в базу: | 01.09.2013 | | Дата актуализации: | 01.01.2021 | | Дата введения: | 01.12.1978 | | Дата окончания срока действия: | 01.06.1987 | | Разработан: | ЦНИИЭП учебных зданий Госгражданстроя
| | Утверждён: | 18.10.1978 Государственный комитет по гражданскому строительству и архитектуре при Госстрое СССР (218)
|
                           
|