Скачать Серия 1.231.9-7 Выпуск 2. Часть 2. Панели перегородок гипсобетонные для общественных зданий с высотами этажей 3,3; 3,6 и 4,2 м в конструкциях каркаса серии 1.020-1/88Дата актуализации: 01.01.2021
|
| Обозначение: | Серия 1.231.9-7 |
| Обозначение англ: | Series 1.231.9-7 |
| Статус: | не определен законодательством |
| Название рус.: | Выпуск 2. Часть 2. Панели перегородок гипсобетонные для общественных зданий с высотами этажей 3,3; 3,6 и 4,2 м в конструкциях каркаса серии 1.020-1/88 |
| Дата добавления в базу: | 01.09.2013 |
| Дата актуализации: | 01.01.2021 |
| Дата введения: | 01.05.1984 |
| Дата окончания срока действия: | 30.06.2003 |
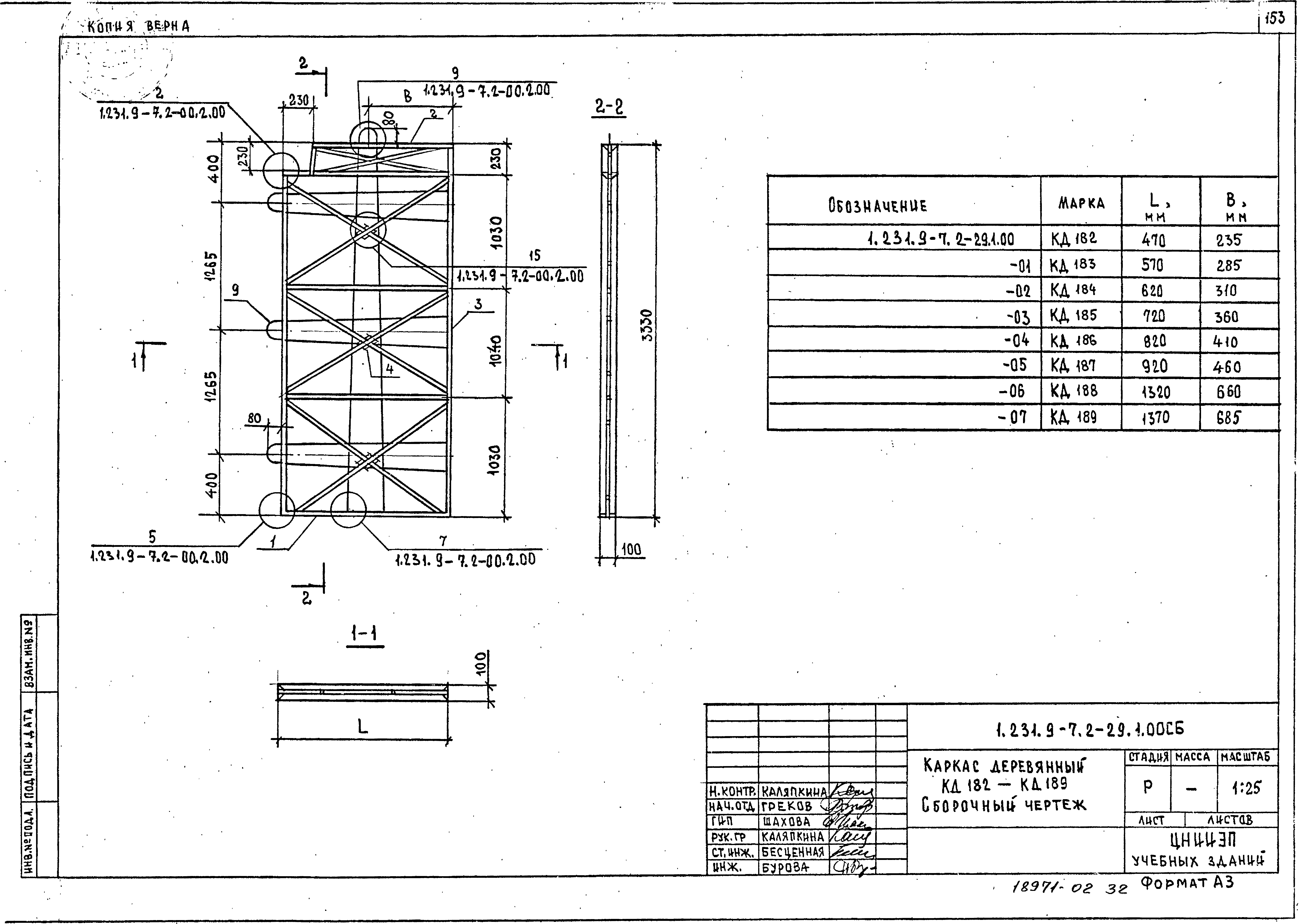
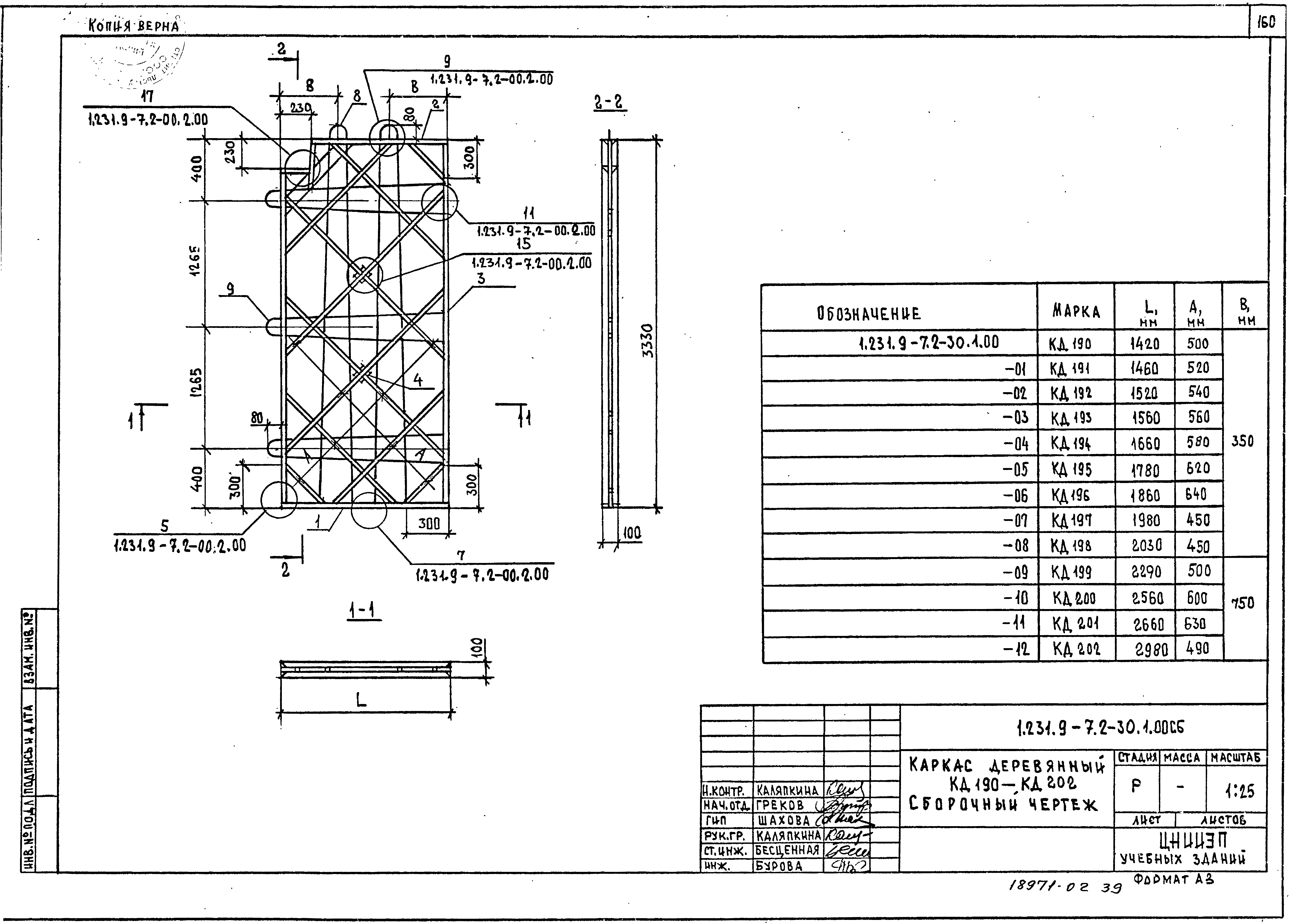
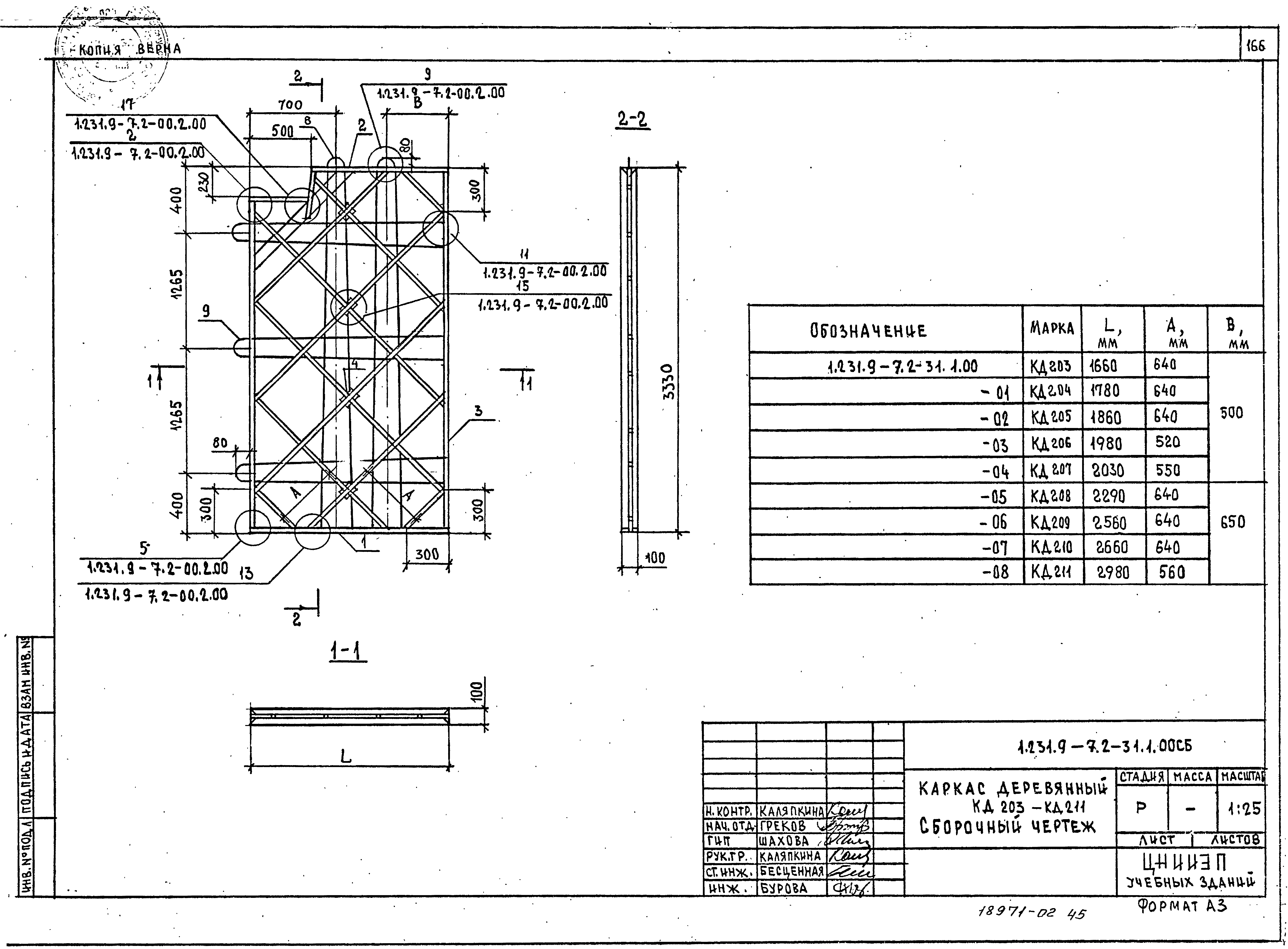
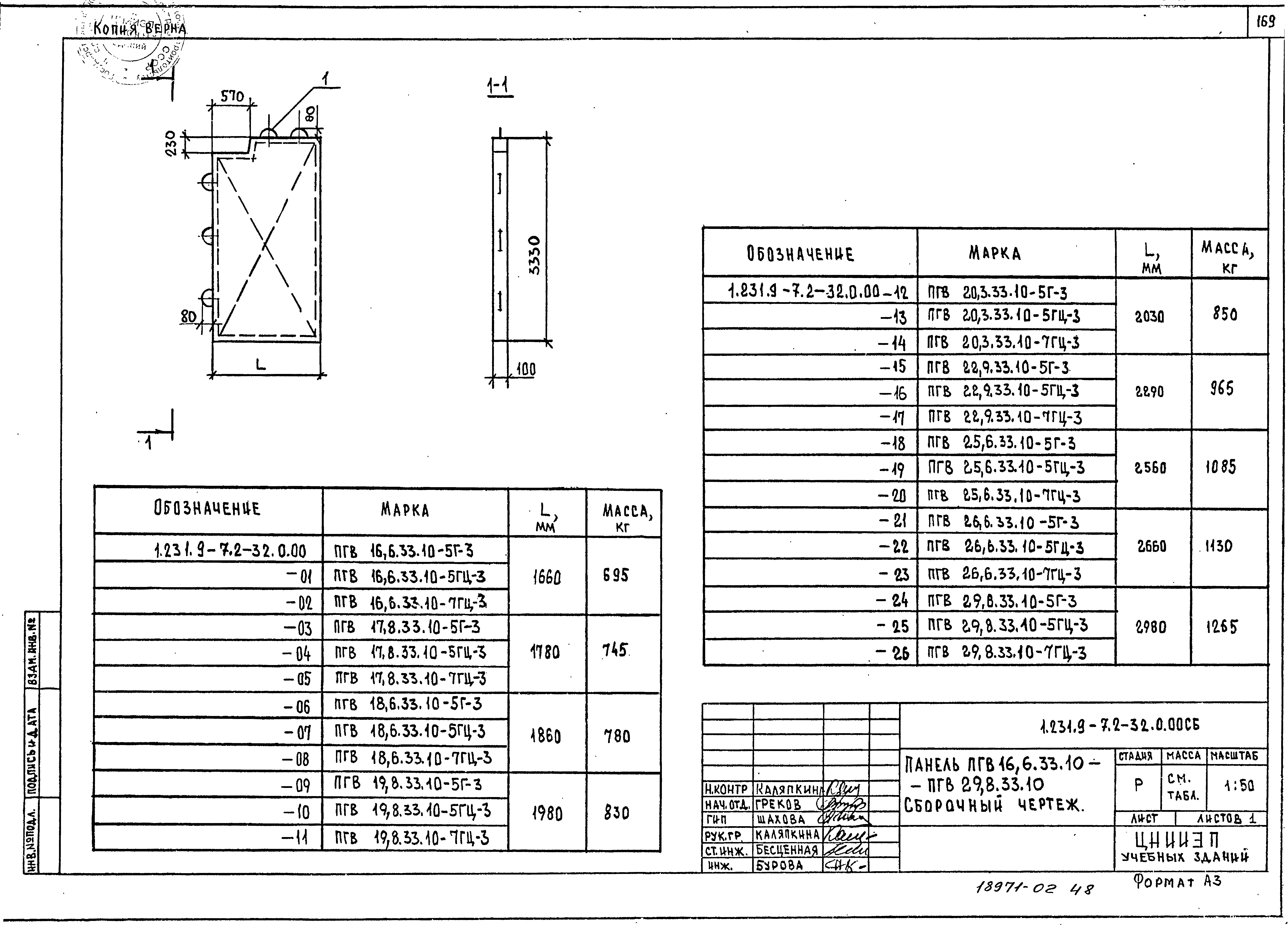
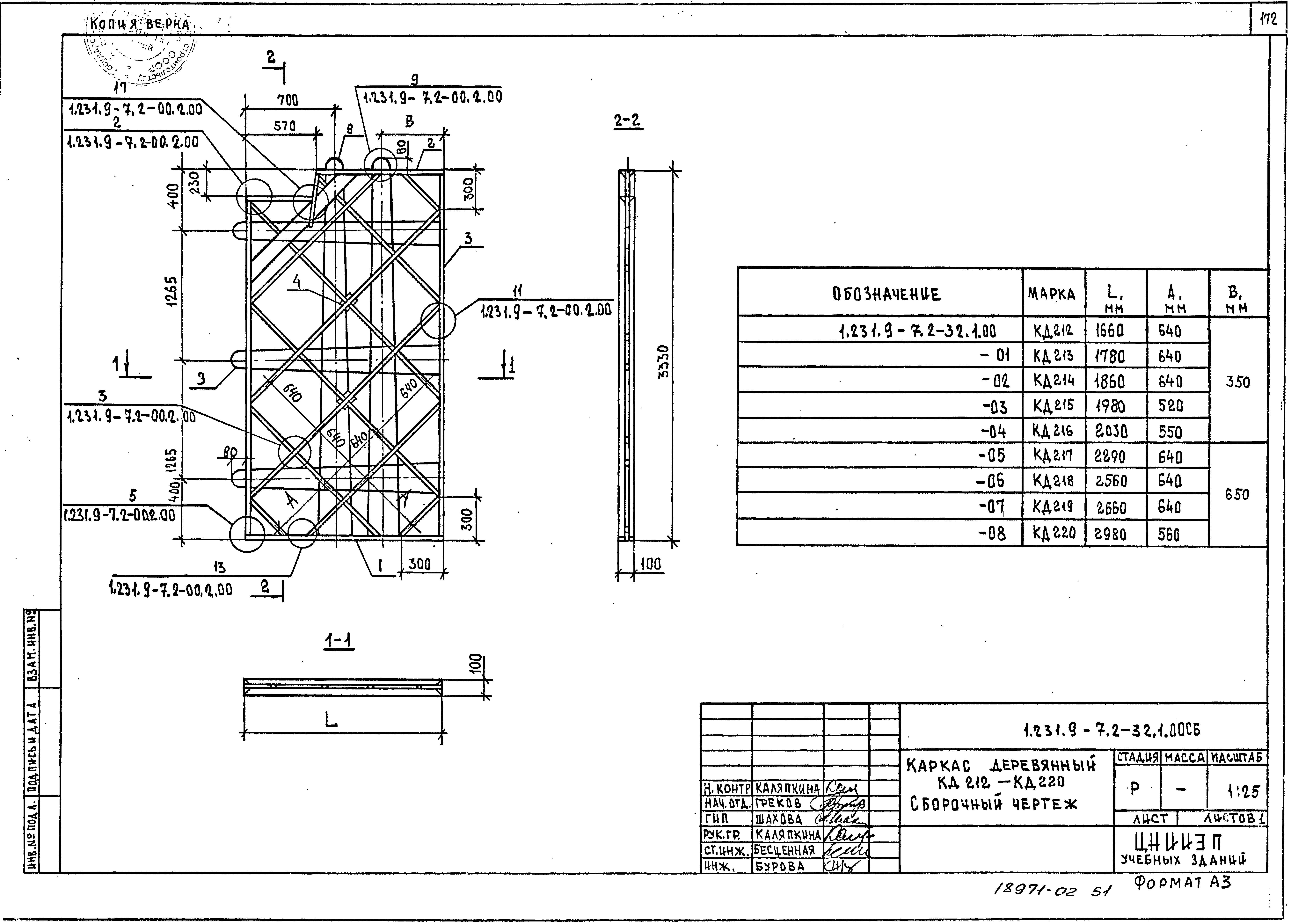
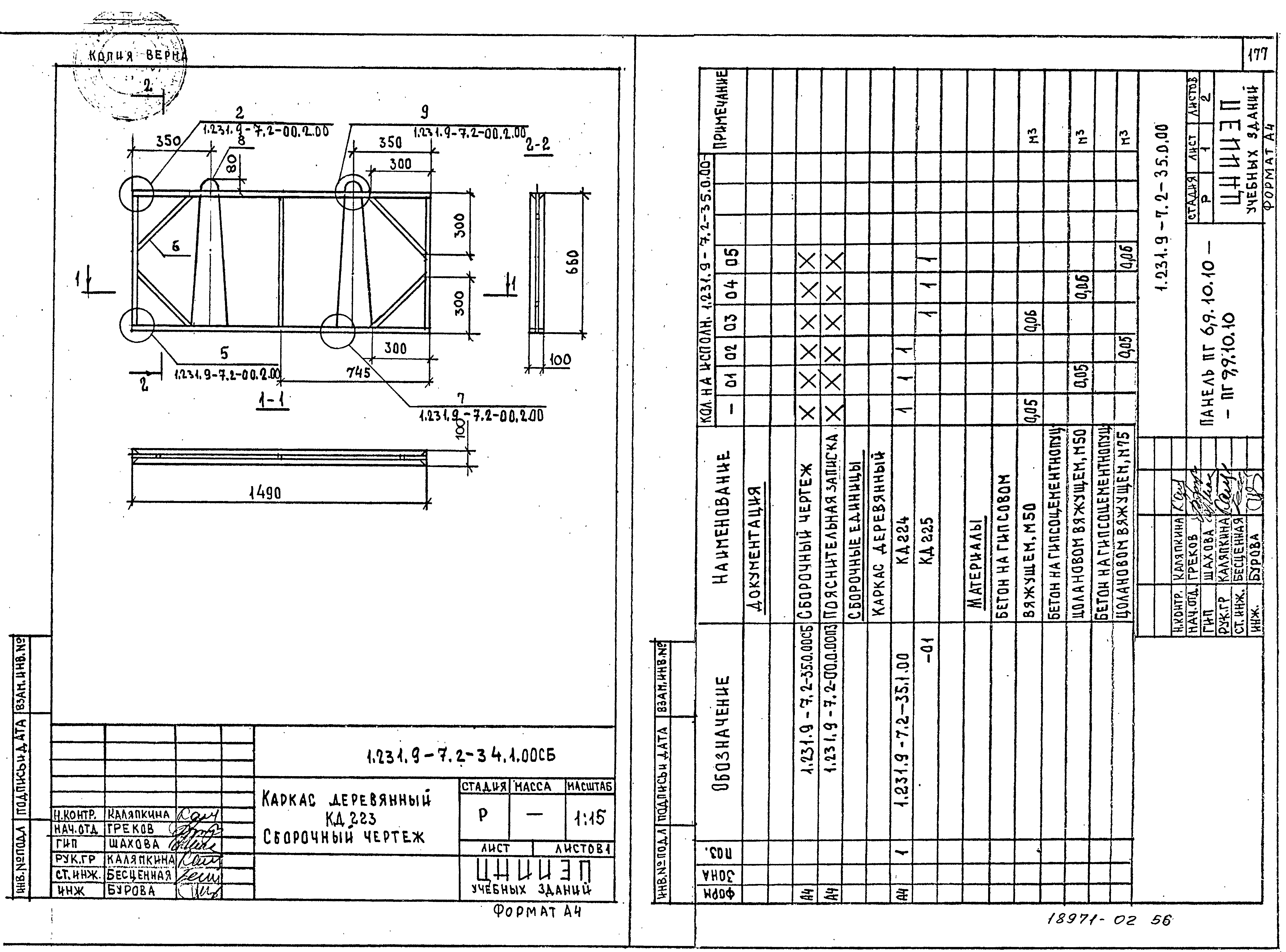
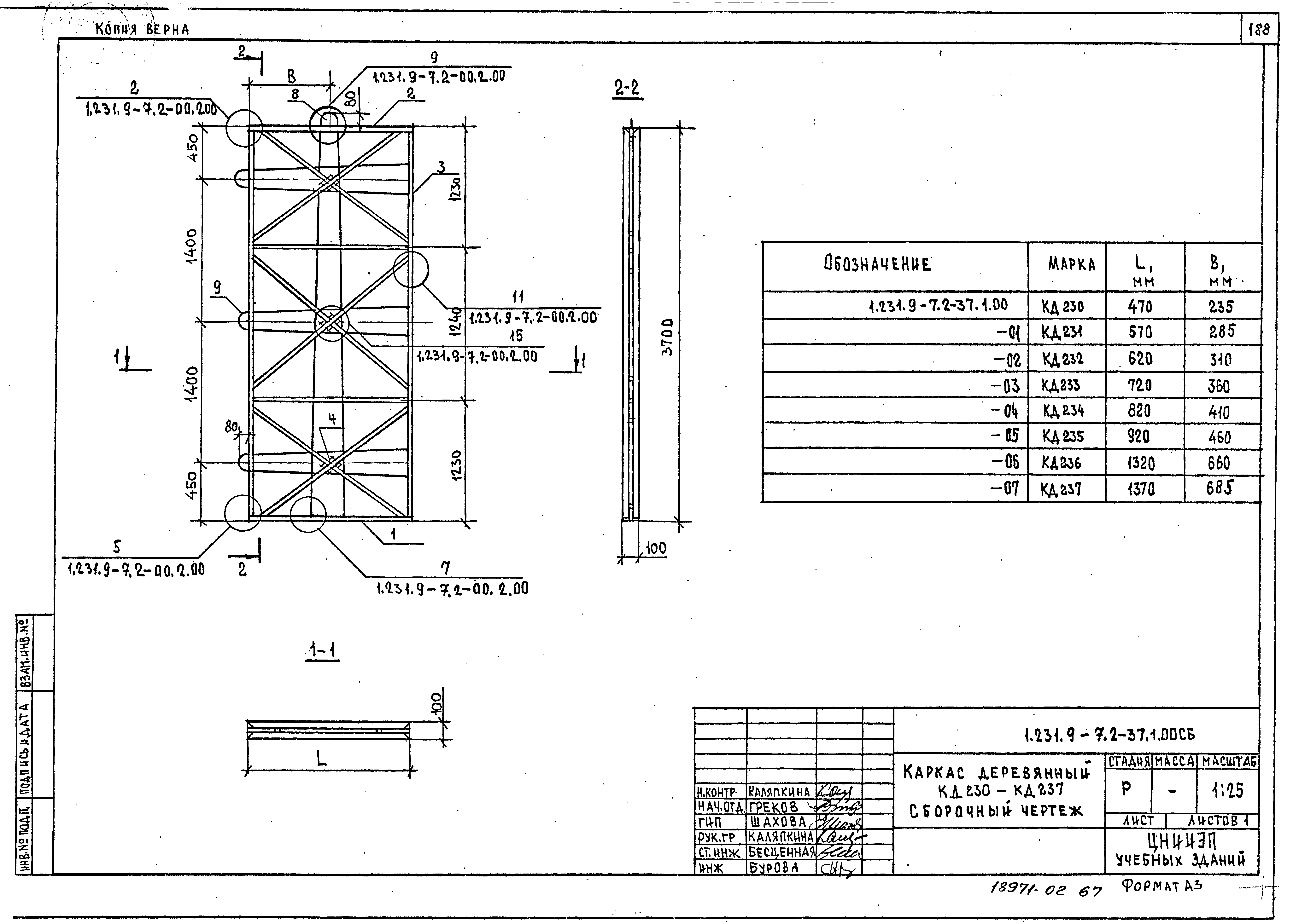
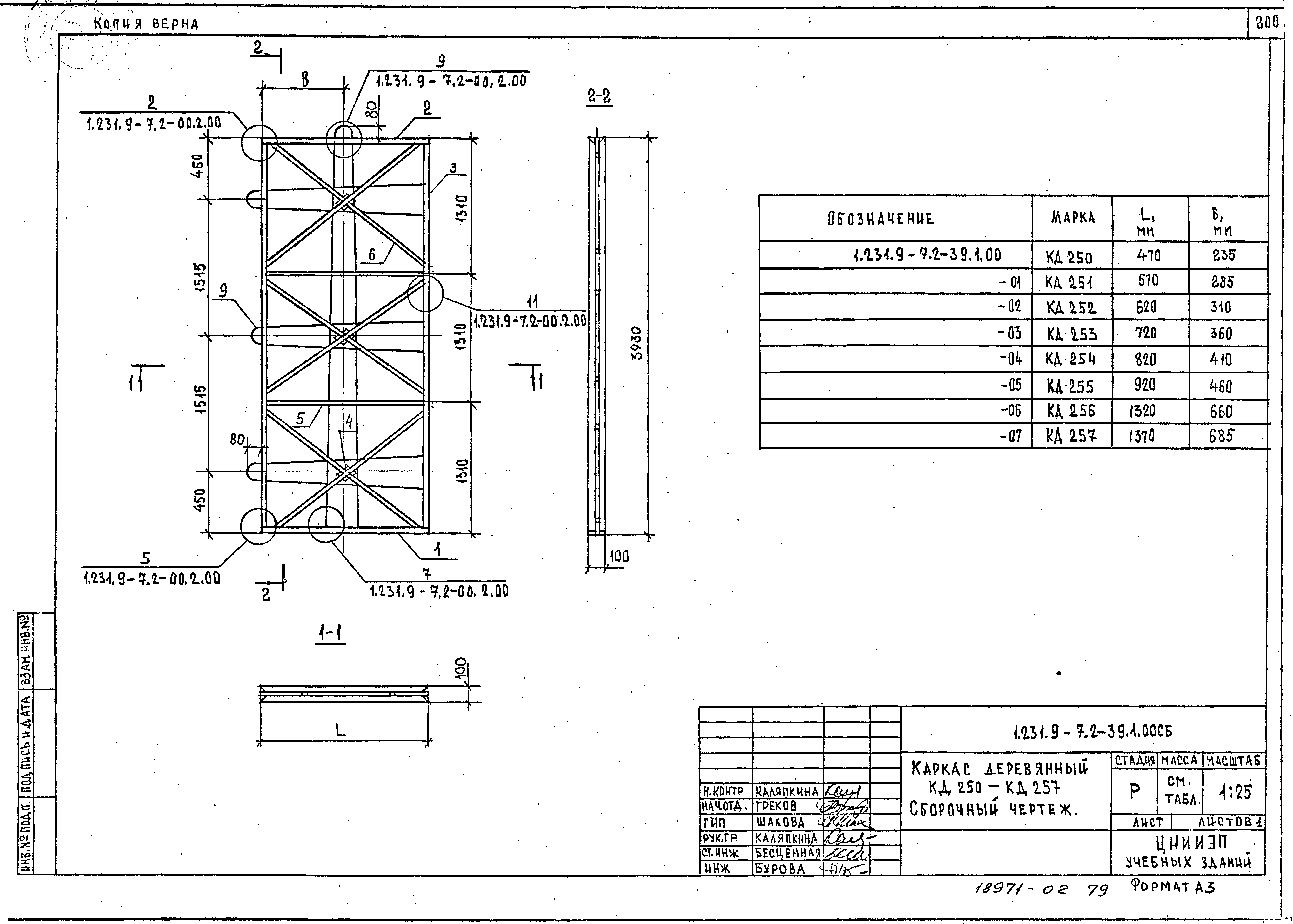
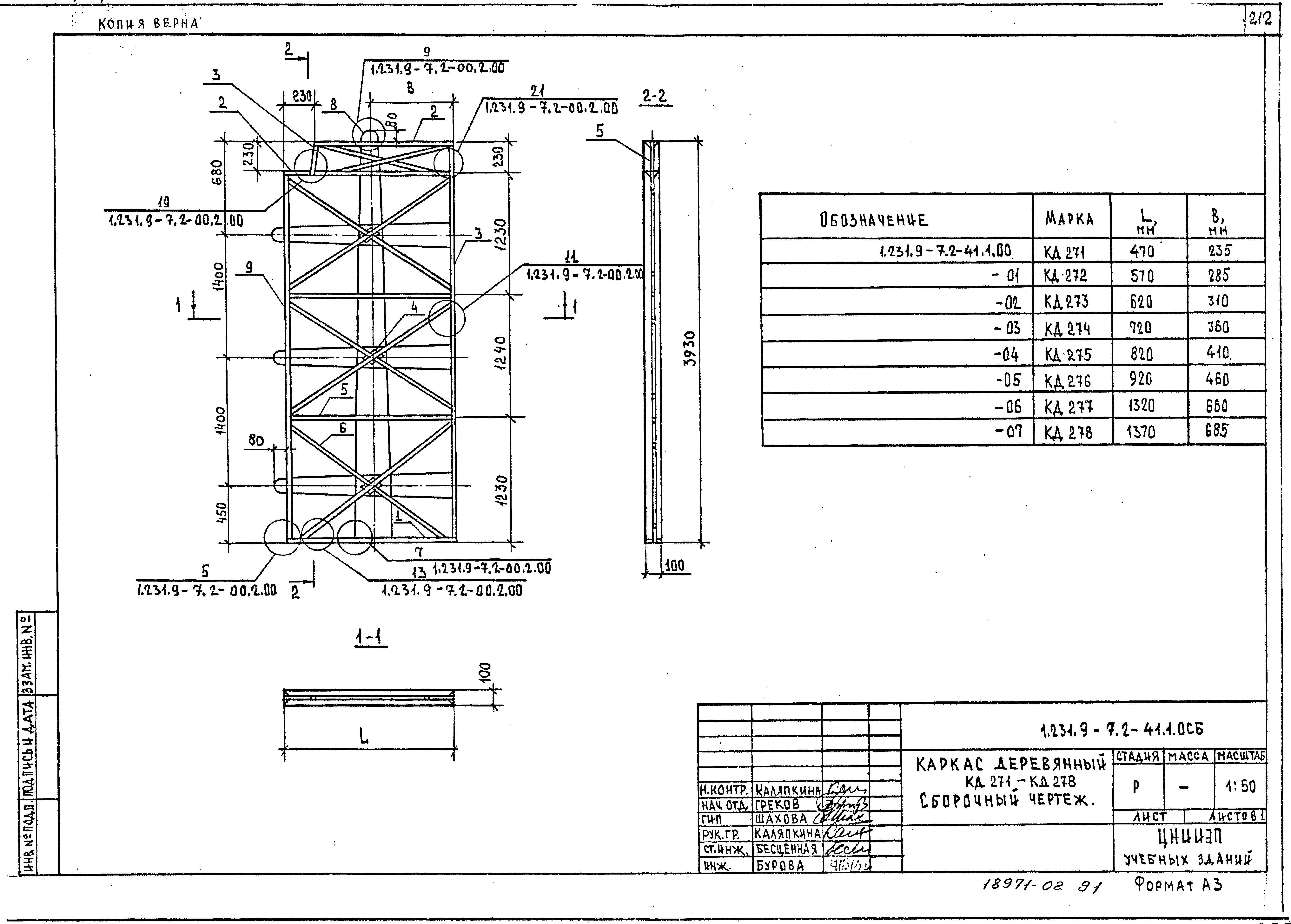
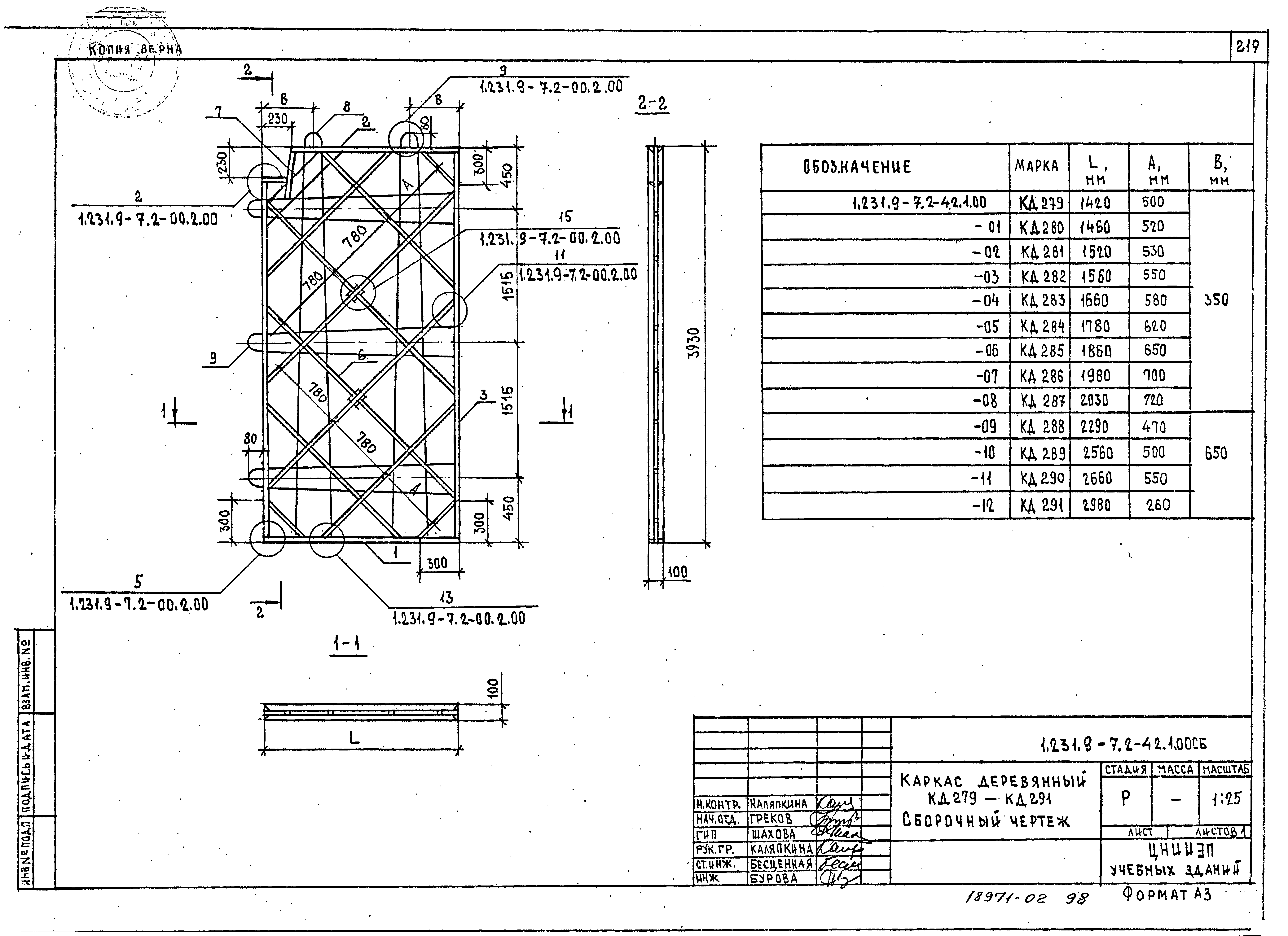
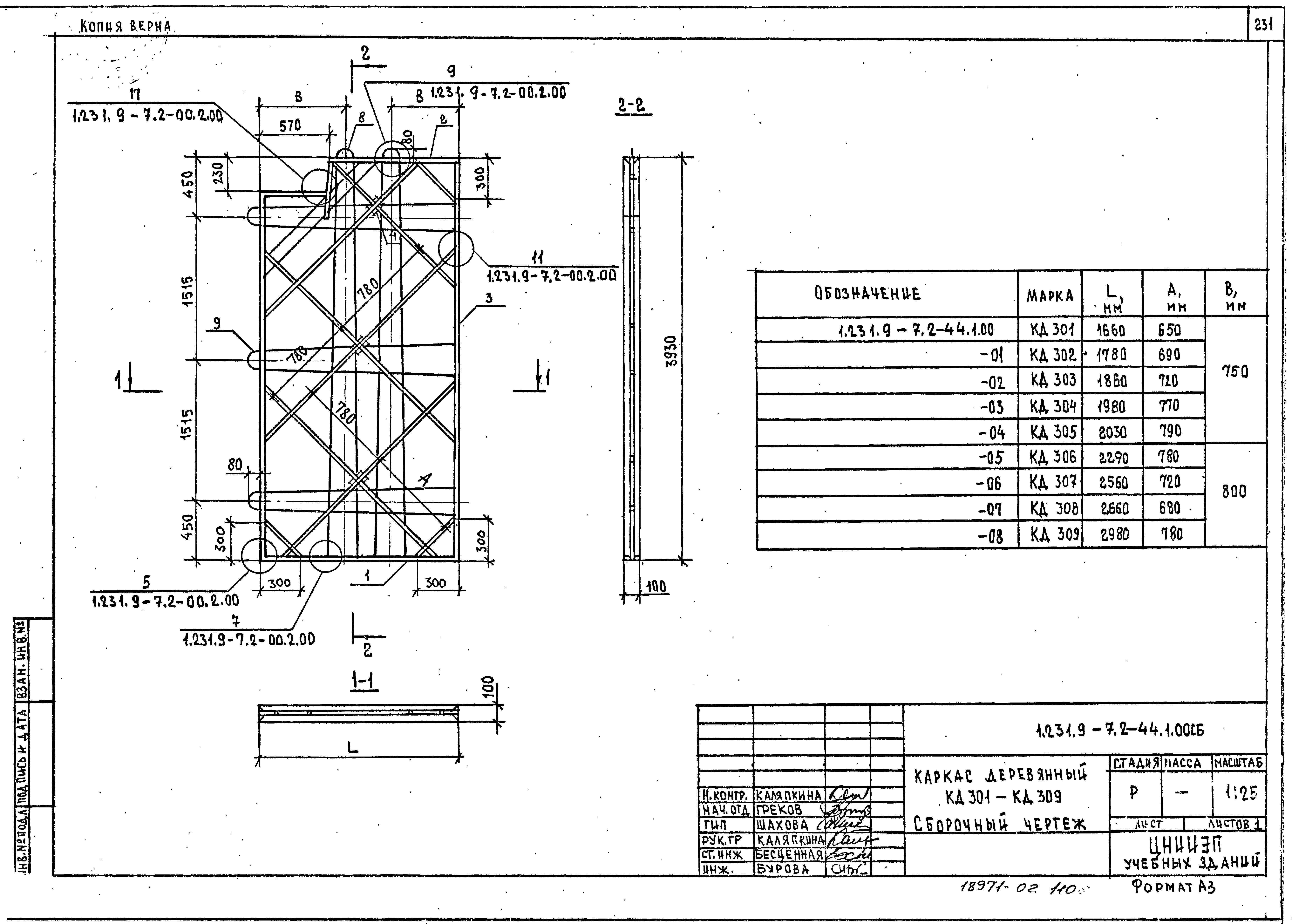
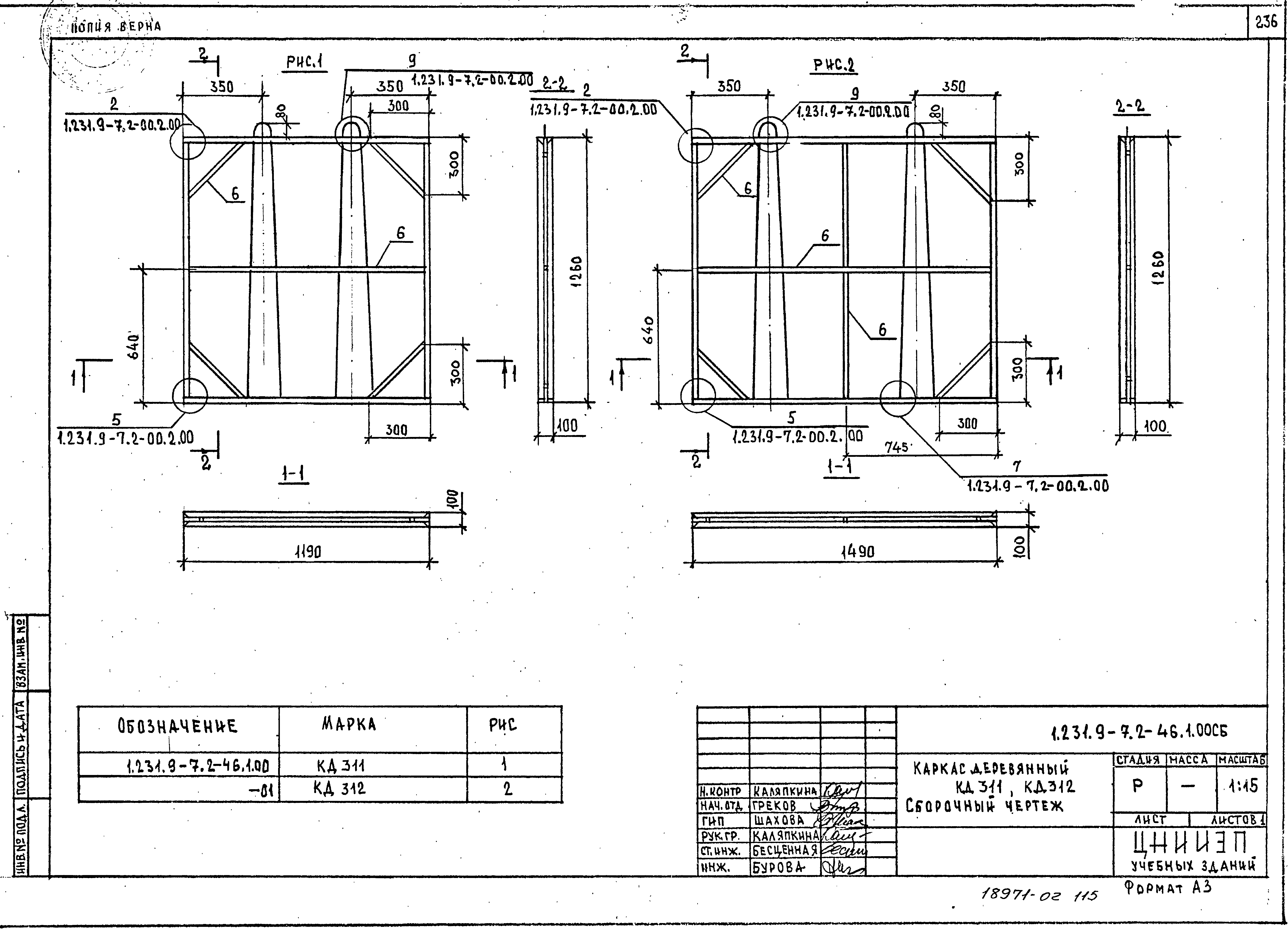
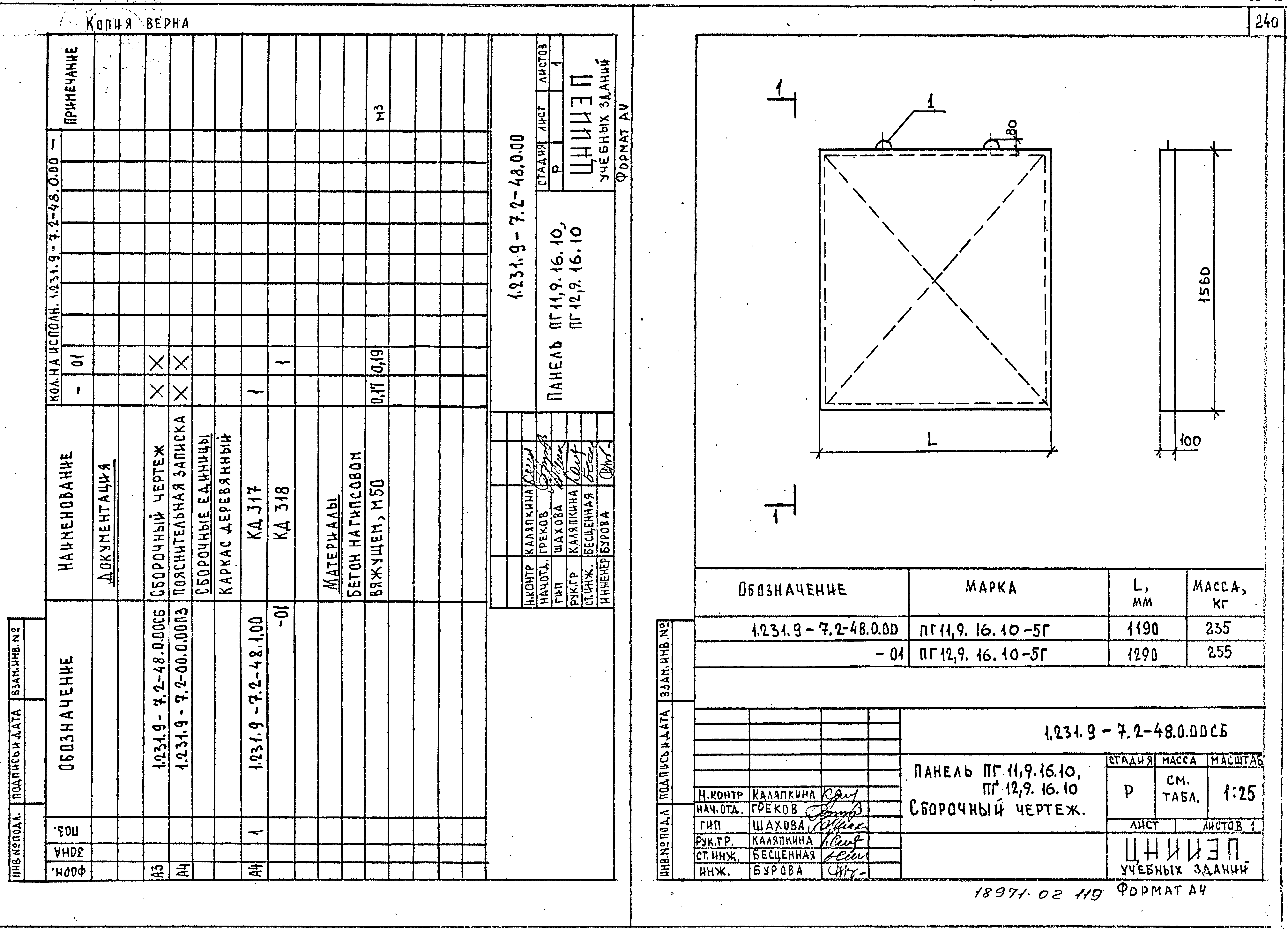
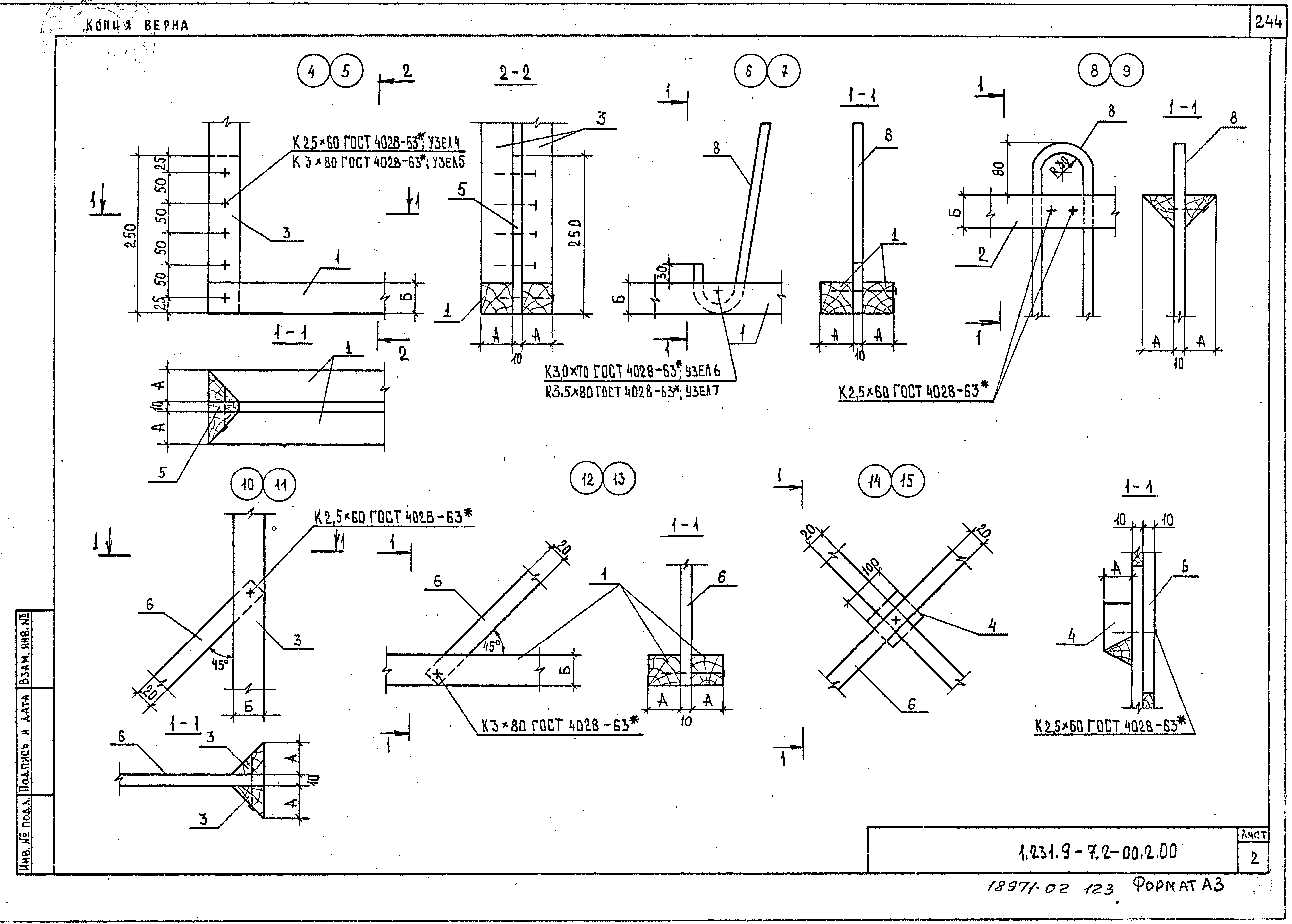
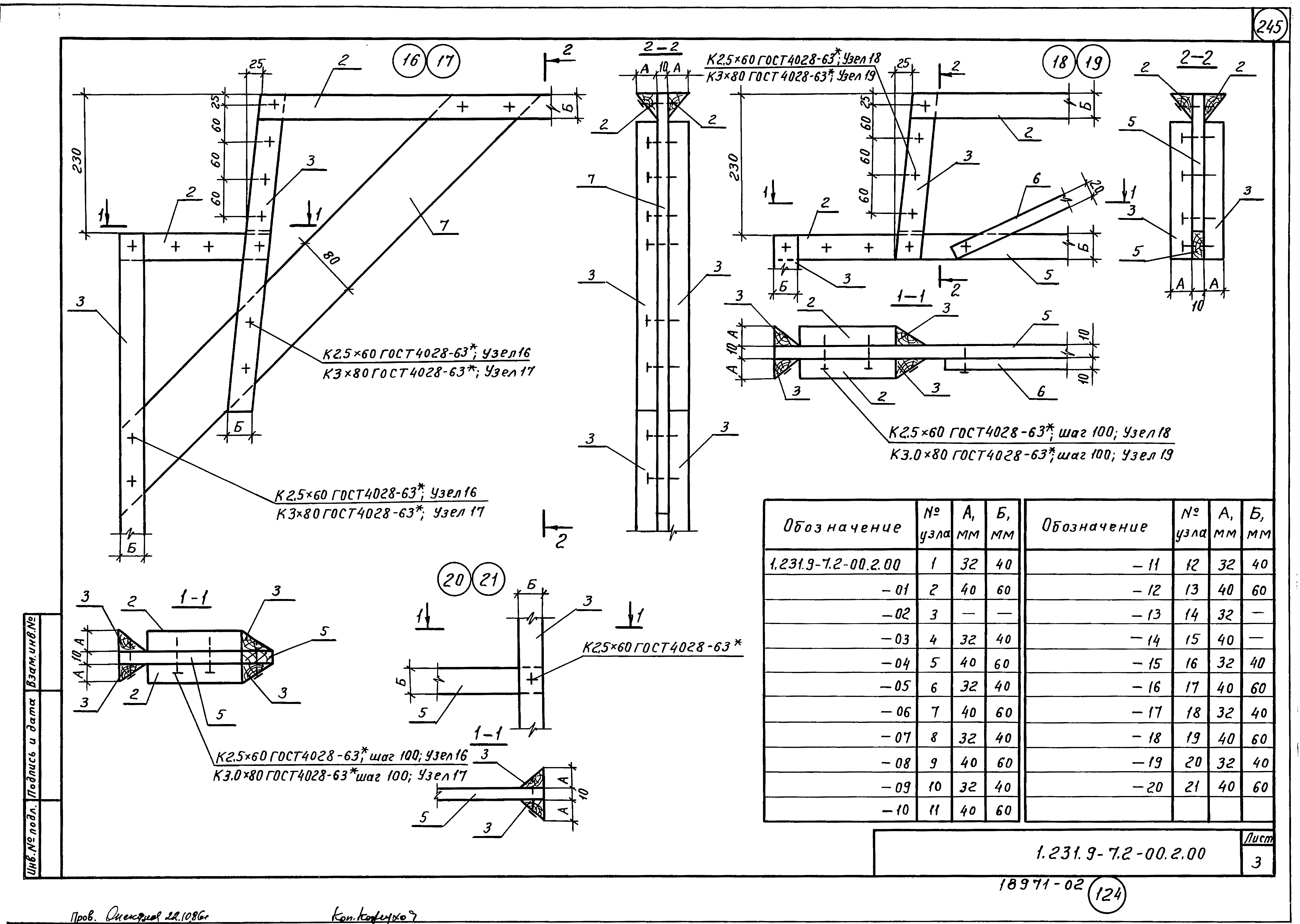
| Оглавление: | 1.231.9-7.2-25.0.00 Панель ПГ 4,7.31.10 - ПГ 13,7.31.10 1.231.9-7.2-25.0.00 СБ Панель ПГ 4,7.31.10 - ПГ 13,7.31.10. Сборочный чертеж 1.231.9-7.2-25.1.00 Каркас деревянный КД141 - КД148 1.231.9-7.2-25.1.00 СБ Каркас деревянный КД141 - КД148. Сборочный чертеж 1.231.9-7.2-26.0.00 Панель ПГ 14,2.31.10 - ПГ 29,8.31.10 1.231.9-7.2-26.0.00 СБ Панель ПГ 14,2.31.10 - ПГ 29,8.31.10. Сборочный чертеж 1.231.9-7.2-26.1.00 Каркас деревянный КД149 - КД160 1.231.9-7.2-26.1.00 СБ Каркас деревянный КД149 - КД160. Сборочный чертеж 1.231.9-7.2-27.0.00 Панель ПГ 4,7.33.10 - ПГ 13,7.33.10 1.231.9-7.2-27.0.00 СБ Панель ПГ 4,7.33.10 - ПГ 13,7.33.10. Сборочный чертеж 1.231.9-7.2-27.1.00 Каркас деревянный КД161 - КД168 1.231.9-7.2-27.1.00 СБ Каркас деревянный КД161 - КД168. Сборочный чертеж 1.231.9-7.2-28.0.00 Панель ПГ 14,2.33.10 - ПГ 29,8.33.10 1.231.9-7.2-28.0.00 СБ Панель ПГ 14,2.33.10 - ПГ 29,8.33.10. Сборочный чертеж 1.231.9-7.2-28.1.00 Каркас деревянный КД169 - КД181 1.231.9-7.2-28.1.00 СБ Каркас деревянный КД169 - КД181. Сборочный чертеж 1.231.9-7.2-29.0.00 Панель ПГВ 4,7.33.10 - ПГВ 13,7.33.10 1.231.9-7.2-29.0.00 СБ Панель ПГВ 4,7.33.10 - ПГВ 13,7.33.10. Сборочный чертеж 1.231.9-7.2-29.1.00 Каркас деревянный КД182 - КД189 1.231.9-7.2-29.1.00 СБ Каркас деревянный КД182 - КД189. Сборочный чертеж 1.231.9-7.2-30.0.00 Панель ПГВ 14,2.33.10 - ПГВ 29,8.33.10 1.231.9-7.2-30.0.00 СБ Панель ПГВ 14,2.33.10 - ПГВ 29,8.33.10. Сборочный чертеж 1.231.9-7.2-30.1.00 Каркас деревянный КД190 - КД202 1.231.9-7.2-30.1.00 СБ Каркас деревянный КД190 - КД202. Сборочный чертеж 1.231.9-7.2-31.0.00 Панель ПГВ 16,6.33.10 - ПГВ 29,8.33.10 1.231.9-7.2-31.0.00 СБ Панель ПГВ 16,6.33.10 - ПГВ 29,8.33.10. Сборочный чертеж 1.231.9-7.2-31.1.00 Каркас деревянный КД203 - КД211 1.231.9-7.2-31.1.00 СБ Каркас деревянный КД203 - КД211. Сборочный чертеж 1.231.9-7.2-32.0.00 Панель ПГВ 16,6.33.10 - ПГВ 29,8.33.10 1.231.9-7.2-32.0.00 СБ Панель ПГВ 16,6.33.10 - ПГВ 29,8.33.10. Сборочный чертеж 1.231.9-7.2-32.1.00 Каркас деревянный КД212 - КД220 1.231.9-7.2-32.1.00 СБ Каркас деревянный КД212 - КД220. Сборочный чертеж 1.231.9-7.2-33.0.00 Панель ПГ 9,9.7.10 - ПГ 11,9.7.10 1.231.9-7.2-33.0.00 СБ Панель ПГ 9,9.7.10 - ПГ 11,9.7.10 . Сборочный чертеж 1.231.9-7.2-33.1.00 Каркас деревянный КД221 - КД222 1.231.9-7.2-33.1.00 СБ Каркас деревянный КД221 - КД222. Сборочный чертеж 1.231.9-7.2-34.0.00 Панель ПГ 14,9.7.10 1.231.9-7.2-34.0.00 СБ Панель ПГ 14,9.7.10 . Сборочный чертеж 1.231.9-7.2-34.1.00 Каркас деревянный КД223 1.231.9-7.2-34.1.00 СБ Каркас деревянный КД223. Сборочный чертеж 1.231.9-7.2-35.0.00 Панель ПГ 6,9.10.10 - ПГ 9,9.10.10 1.231.9-7.2-35.0.00 СБ Панель ПГ 6,9.10.10 - ПГ 9,9.10.10. Сборочный чертеж 1.231.9-7.2-35.1.00 Каркас деревянный КД224 - КД227 1.231.9-7.2-35.1.00 СБ Каркас деревянный КД224 - КД227. Сборочный чертеж 1.231.9-7.2-36.0.00 Панель ПГ 11,9.10.10 - ПГ 12,9.10.10 1.231.9-7.2-36.0.00 СБ Панель ПГ 11,9.10.10 - ПГ 12,9.10.10. Сборочный чертеж 1.231.9-7.2-36.1.00 Каркас деревянный КД228, КД229 1.231.9-7.2-36.1.00 СБ Каркас деревянный КД228, КД229. Сборочный чертеж 1.231.9-7.2-37.0.00 Панель ПГ 4,7.37.10 - ПГ 13,7.37.10 1.231.9-7.2-37.0.00 СБ Панель ПГ 4,7.37.10 - ПГ 13,7.37.10. Сборочный чертеж 1.231.9-7.2-37.1.00 Каркас деревянный КД230 - КД237 1.231.9-7.2-37.1.00 СБ Каркас деревянный КД230 - КД237. Сборочный чертеж 1.231.9-7.2-38.0.00 Панель ПГ 14,2.37.10 - ПГ 29,8.37.10 1.231.9-7.2-38.0.00 СБ Панель ПГ 14,2.37.10 - ПГ 29,8.37.10. Сборочный чертеж 1.231.9-7.2-38.1.00 Каркас деревянный КД238 - КД249 1.231.9-7.2-38.1.00 СБ Каркас деревянный КД238 - КД249. Сборочный чертеж 1.231.9-7.2-39.0.00 Панель ПГ 4,7.39.10 - ПГ 13,7.39.10 1.231.9-7.2-39.0.00 СБ Панель ПГ 4,7.39.10 - ПГ 13,7.39.10. Сборочный чертеж 1.231.9-7.2-39.1.00 Каркас деревянный КД250 - КД257 1.231.9-7.2-39.1.00 СБ Каркас деревянный КД250 - КД257. Сборочный чертеж 1.231.9-7.2-40.0.00 Панель ПГ 14,2.39.10 - ПГ 29,8.39.10 1.231.9-7.2-40.0.00 СБ Панель ПГ 14,2.39.10 - ПГ 29,8.39.10. Сборочный чертеж 1.231.9-7.2-40.1.00 Каркас деревянный КД258 - КД270 1.231.9-7.2-40.1.00 СБ Каркас деревянный КД258 - КД270. Сборочный чертеж 1.231.9-7.2-41.0.00 Панель ПГВ 4,7.39.10 - ПГВ 13,7.39.10 1.231.9-7.2-41.0.00 СБ Панель ПГВ 4,7.39.10 - ПГВ 13,7.39.10. Сборочный чертеж 1.231.9-7.2-41.1.00 Каркас деревянный КД271 - КД278 1.231.9-7.2-41.1.00 СБ Каркас деревянный КД271 - КД278. Сборочный чертеж 1.231.9-7.2-42.0.00 Панель ПГВ 14,2.39.10 - ПГВ 29,8.39.10 1.231.9-7.2-42.0.00 СБ Панель ПГВ 14,2.39.10 - ПГВ 29,8.39.10. Сборочный чертеж 1.231.9-7.2-42.1.00 Каркас деревянный КД279 - КД291 1.231.9-7.2-42.1.00 СБ Каркас деревянный КД279 - КД291. Сборочный чертеж 1.231.9-7.2-43.0.00 Панель ПГВ 16,6.39.10 - ПГВ 29,8.39.10 1.231.9-7.2-43.0.00 СБ Панель ПГВ 16,6.39.10 - ПГВ 29,8.39.10. Сборочный чертеж 1.231.9-7.2-43.1.00 Каркас деревянный КД292 - КД300 1.231.9-7.2-43.1.00 СБ Каркас деревянный КД292 - КД300. Сборочный чертеж 1.231.9-7.2-44.0.00 Панель ПГВ 16,6.39.10 - ПГВ 29,8.39.10 1.231.9-7.2-44.0.00 СБ Панель ПГВ 16,6.39.10 - ПГВ 29,8.39.10. Сборочный чертеж 1.231.9-7.2-44.1.00 Каркас деревянный КД301 - КД309 1.231.9-7.2-44.1.00 СБ Каркас деревянный КД301 - КД309. Сборочный чертеж 1.231.9-7.2-45.0.00 Панель ПГ 9,9.13.10 1.231.9-7.2-45.0.00 СБ Панель ПГВ 9,9.13.10. Сборочный чертеж 1.231.9-7.2-45.1.00 Каркас деревянный КД310 1.231.9-7.2-45.1.00 СБ Каркас деревянный КД310. Сборочный чертеж 1.231.9-7.2-46.0.00 Панель ПГ 11,9.13.10 - ПГ 14,9.13.10 1.231.9-7.2-46.0.00 СБ Панель ПГ 11,9.13.10 - ПГ 14,9.13.10. Сборочный чертеж 1.231.9-7.2-46.1.00 Каркас деревянный КД311, КД312 1.231.9-7.2-46.1.00 СБ Каркас деревянный КД311, КД312. Сборочный чертеж 1.231.9-7.2-47.0.00 Панель ПГ 6,9.16.10 - ПГ 9,9.16.10 1.231.9-7.2-47.0.00 СБ Панель ПГ 6.9.16.10 - ПГ 9,9.16.10. Сборочный чертеж 1.231.9-7.2-47.1.00 Каркас деревянный КД313 - КД316 1.231.9-7.2-47.1.00 СБ Каркас деревянный КД313 - КД316. Сборочный чертеж 1.231.9-7.2-42.0.00 Панель ПГ 11,9.16.10 - ПГ 12,9.16.10 1.231.9-7.2-42.0.00 СБ Панель ПГ 11,9.16.10 - ПГ 12,9.16.10. Сборочный чертеж 1.231.9-7.2-42.1.00 Каркас деревянный КД317, КД318 1.231.9-7.2-42.1.00 СБ Каркас деревянный КД317, КД318. Сборочный чертеж 1.231.9-7.2-00.1.00 Монтажная петля П1 - П41 1.231.9-7.2-00.2.00 СБ Узел 1- 15 |
| Разработан: | ЦНИИЭП учебных зданий Госгражданстроя |
| Утверждён: | 29.03.1984 Госгражданстрой (Gosgrazhdanstroy 99) |
| Нормативные ссылки: |



























































































































