Скачать ГОСТ Р ИСО 22868-2007 Шум машин. Испытания на шум переносных бензиномоторных ручных лесных машин техническим методомДата актуализации: 01.01.2021
|
| Обозначение: | ГОСТ Р ИСО 22868-2007 |
| Обозначение англ: | GOST R ISO 22868-2007 |
| Статус: | отменен |
| Название рус.: | Шум машин. Испытания на шум переносных бензиномоторных ручных лесных машин техническим методом |
| Название англ.: | Noise of machines. Noise test eingineering method for portable hand-held forestry machines with internal combustion engine |
| Дата добавления в базу: | 01.09.2013 |
| Дата актуализации: | 01.01.2021 |
| Дата введения: | 01.07.2008 |
| Дата окончания срока действия: | 01.09.2014 |
| Область применения: | Стандарт устанавливает шумовые характеристики (корректированный по частотной характеристике Л уровень звуковой мощности и уровень звука излучения на рабочем месте) и метод испытаний на шум переносных бензиномоторных ручных лесных машин, например цепных пил, кусторезов и мотокос. |
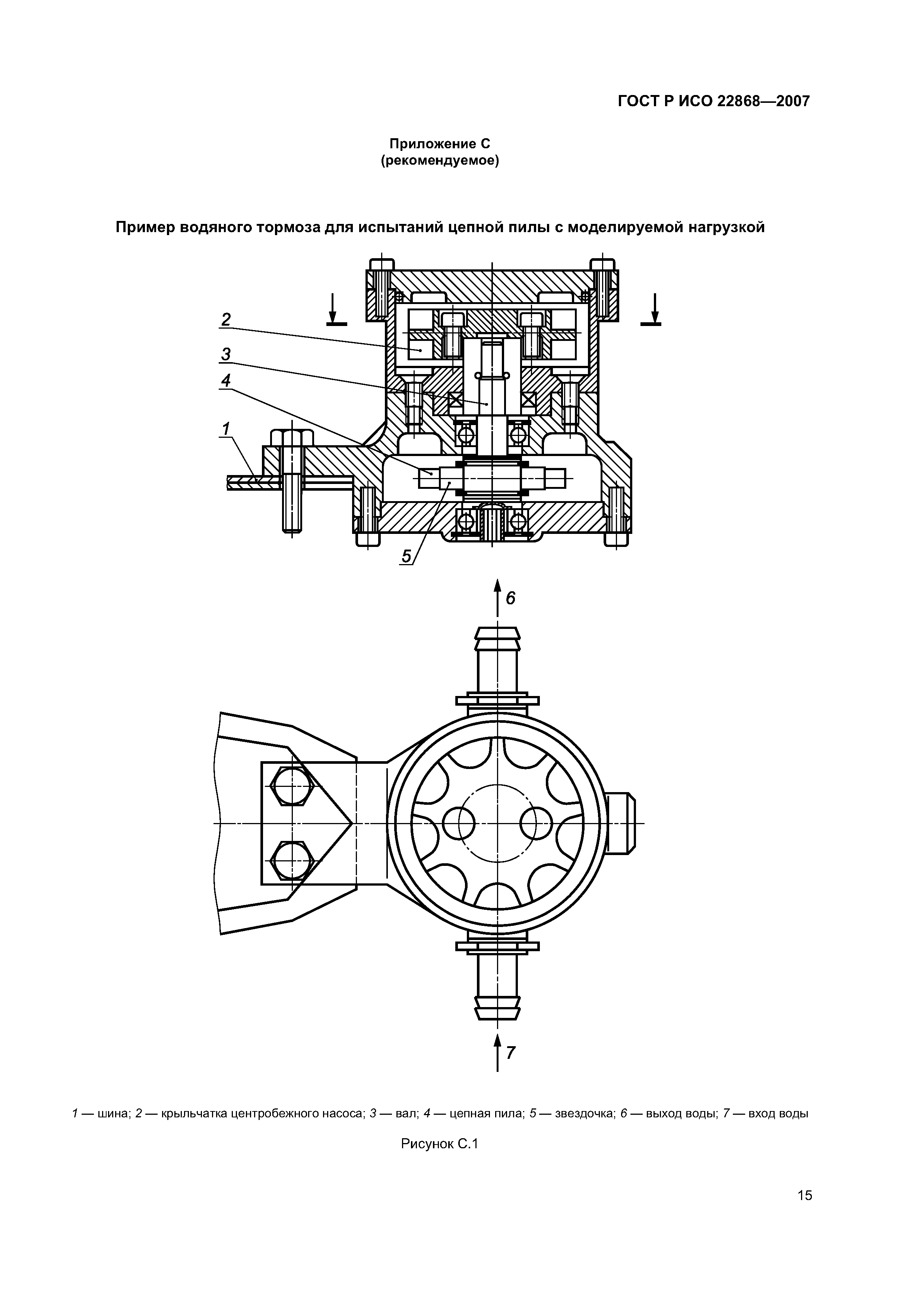
| Оглавление: | 1 Область применения 2 Нормативные ссылки 3 Термины и определения 4 Измеряемые и определяемые величины 5 Определение корректированного по частотной характеристике А уровня звуковой мощности 6 Измерение уровня звука излучения на рабочем месте 6.1 Общие положения 6.2 Требования к искусственной поверхности 6.3 Требования к земляной площадке 6.4 Требования к бетонному полу, покрытому опилками 7 Установка и режим работы 8 Информация, подлежащая регистрации и внесению в протокол испытаний 9 Заявление значений шумовых характеристик Приложение А (обязательное) Условия испытаний цепных пил Приложение В (обязательное) Условия испытаний кусторезов и мотокос Приложение С (рекомендуемое) Пример водяного тормоза для испытаний цепной пилы с моделируемой нагрузкой Приложение D (рекомендуемое) Определение корректированного по А уровня звуковой мощности машин, эксплуатируемых вне помещения, по Европейской директиве 2000/14/ЕС Приложение Е (справочное) Сведения о соответствии национальных стандартов Российской Федерации ссылочным международным стандартам Библиография |
| Разработан: | ОАО НИЦ КД |
| Утверждён: | 27.12.2007 Федеральное агентство по техническому регулированию и метрологии (587-ст) |
| Издан: | Стандартинформ (2008 г. ) |
| Заменяет собой: | |
| Нормативные ссылки: |
|






















