Скачать ГОСТ 22701.7-81 Плиты железобетонные ребристые предварительно напряженные размерами 6х3 м для покрытий производственных зданий. Плиты типа ПФ с проемами 1,5х1,7 м. Конструкция и размеры

Дата актуализации: 01.01.2021

ГОСТ 22701.7-81

Плиты железобетонные ребристые предварительно напряженные размерами 6х3 м для покрытий производственных зданий. Плиты типа ПФ с проемами 1,5х1,7 м. Конструкция и размеры

Обозначение: ГОСТ 22701.7-81
Обозначение англ: GOST 22701.7-81
Статус:отменен
Название рус.:Плиты железобетонные ребристые предварительно напряженные размерами 6х3 м для покрытий производственных зданий. Плиты типа ПФ с проемами 1,5х1,7 м. Конструкция и размеры
Название англ.:Prestressed reinforced concrete ribbed slabs 6x3 m size for roolings of industrial buldings. Slabs type ПФ with aperture 1,5x1,7 m. Structure and dimensions
Дата добавления в базу:01.09.2013
Дата актуализации:01.01.2021
Дата окончания срока действия:01.01.1992
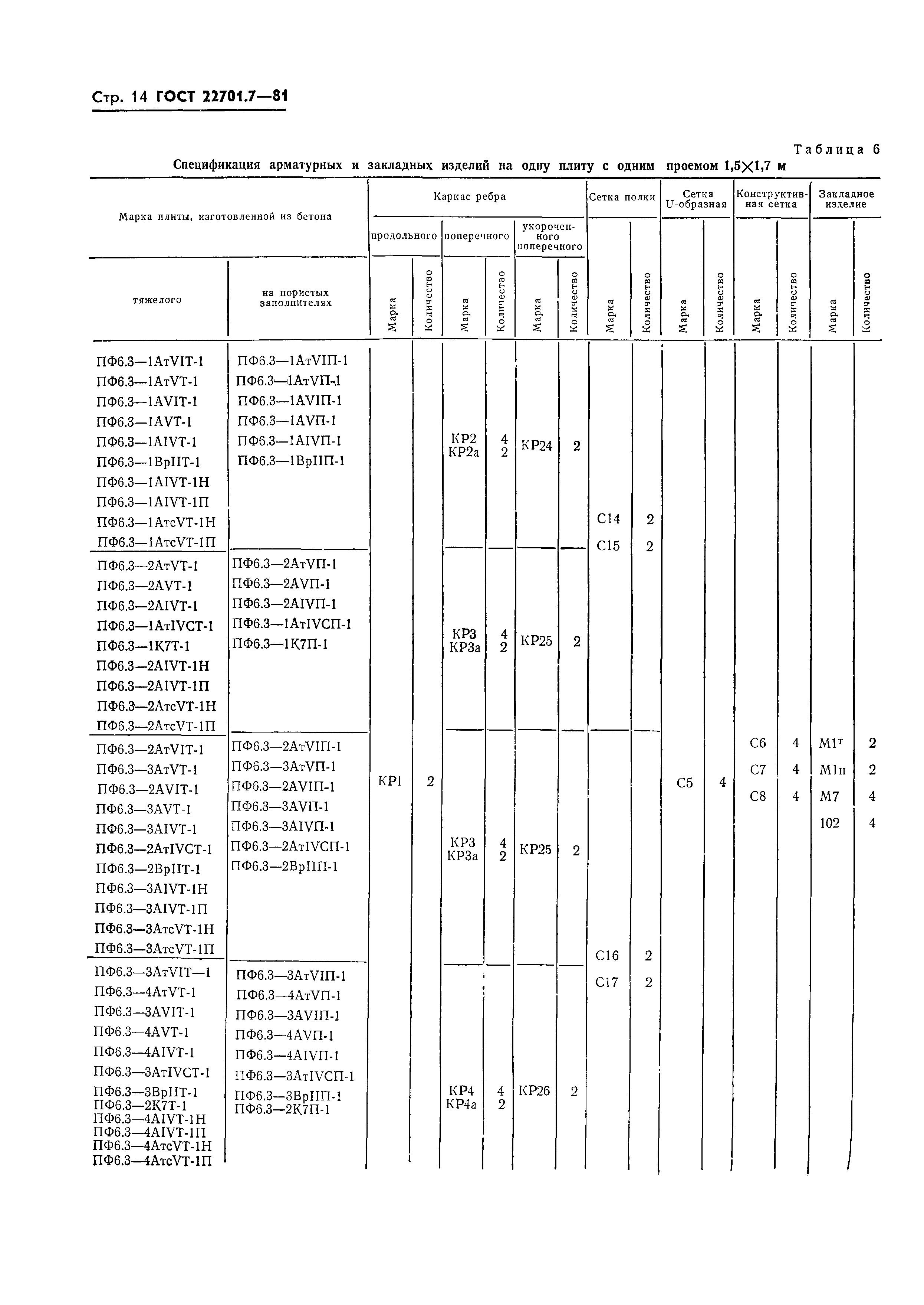
Область применения:Стандарт распространяется на железобетонные предварительно напряженные ребристые плиты размерами 6х3 м типа ПФ с одним или двумя проемами в полке для установки зенитных фонарей точечного типа со световым проемом 1,5х1,7 м в покрытиях производственных зданий с шагом несущих конструкций 6 м и устанавливает конструкцию плит, арматурных и закладных изделий к ним.
Оглавление:Приложение Расположение на плитах соединительных монтажных изделий мс1 и мс2 для установки зенитных фонарей
Разработан: НИИЖБ Госстроя СССР
ЦНИИпромзданий
Утверждён:22.07.1981 Госкомитет СССР по делам строительства (National Committee on Construction 124)
Издан: Издательство стандартов (1981 г. )
Нормативные ссылки:
ГОСТ 22701.7-81ГОСТ 22701.7-81ГОСТ 22701.7-81ГОСТ 22701.7-81ГОСТ 22701.7-81ГОСТ 22701.7-81ГОСТ 22701.7-81ГОСТ 22701.7-81ГОСТ 22701.7-81ГОСТ 22701.7-81ГОСТ 22701.7-81ГОСТ 22701.7-81ГОСТ 22701.7-81ГОСТ 22701.7-81ГОСТ 22701.7-81ГОСТ 22701.7-81ГОСТ 22701.7-81ГОСТ 22701.7-81ГОСТ 22701.7-81ГОСТ 22701.7-81ГОСТ 22701.7-81ГОСТ 22701.7-81ГОСТ 22701.7-81ГОСТ 22701.7-81ГОСТ 22701.7-81ГОСТ 22701.7-81ГОСТ 22701.7-81ГОСТ 22701.7-81ГОСТ 22701.7-81