Скачать Типовой проект 902-1-177.91 Альбом 2. Технология производства. Внутренний водопровод и канализация. Отопление и вентиляция (из ТП 902-1-170.91)Дата актуализации: 01.01.2021
|
| Обозначение: | Типовой проект 902-1-177.91 |
| Обозначение англ: | 902-1-177.91 |
| Статус: | не определен законодательством |
| Название рус.: | Альбом 2. Технология производства. Внутренний водопровод и канализация. Отопление и вентиляция (из ТП 902-1-170.91) |
| Дата добавления в базу: | 01.09.2013 |
| Дата актуализации: | 01.01.2021 |
| Дата введения: | 15.05.1991 |
| Дата окончания срока действия: | 30.06.2003 |
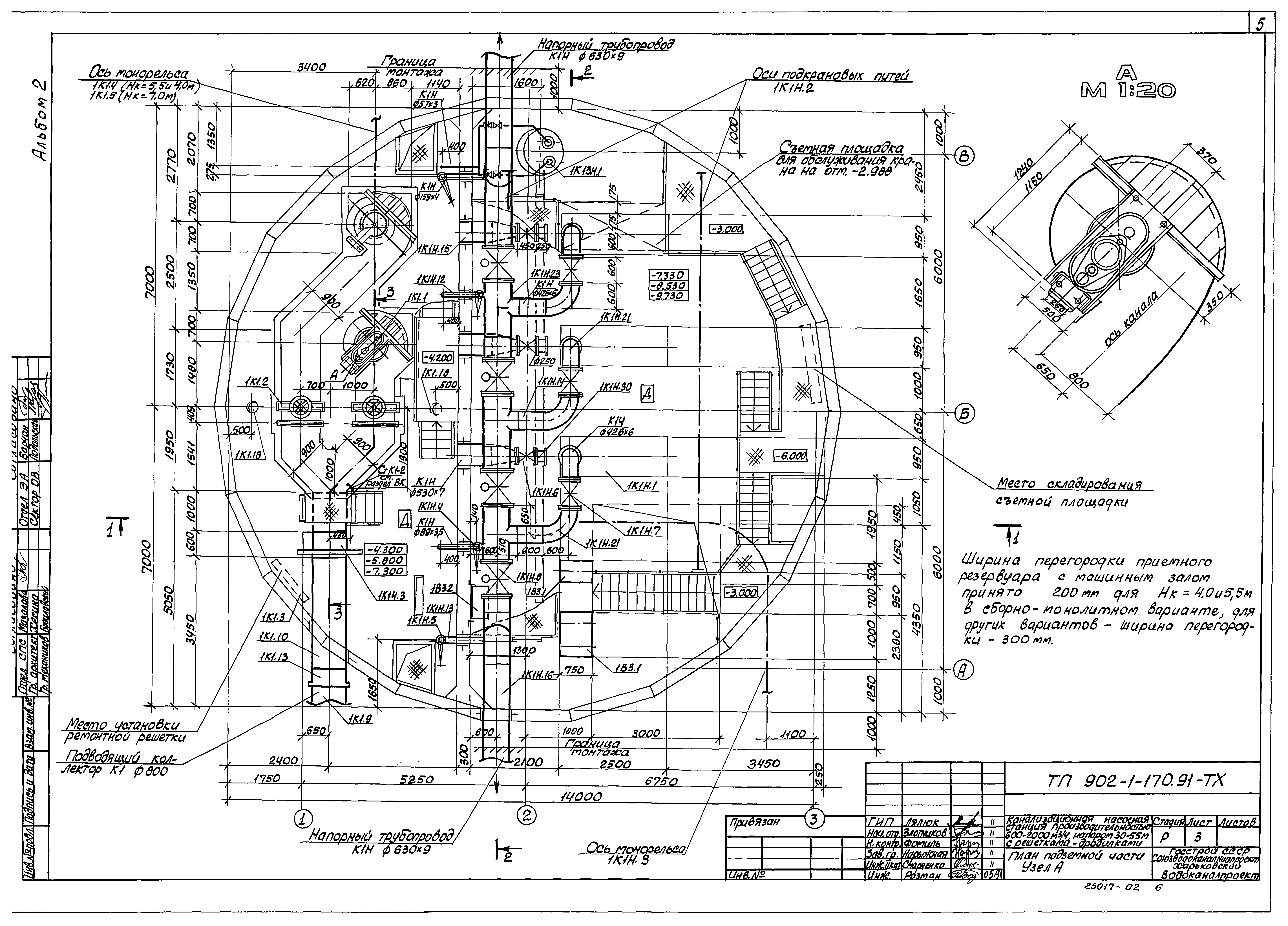
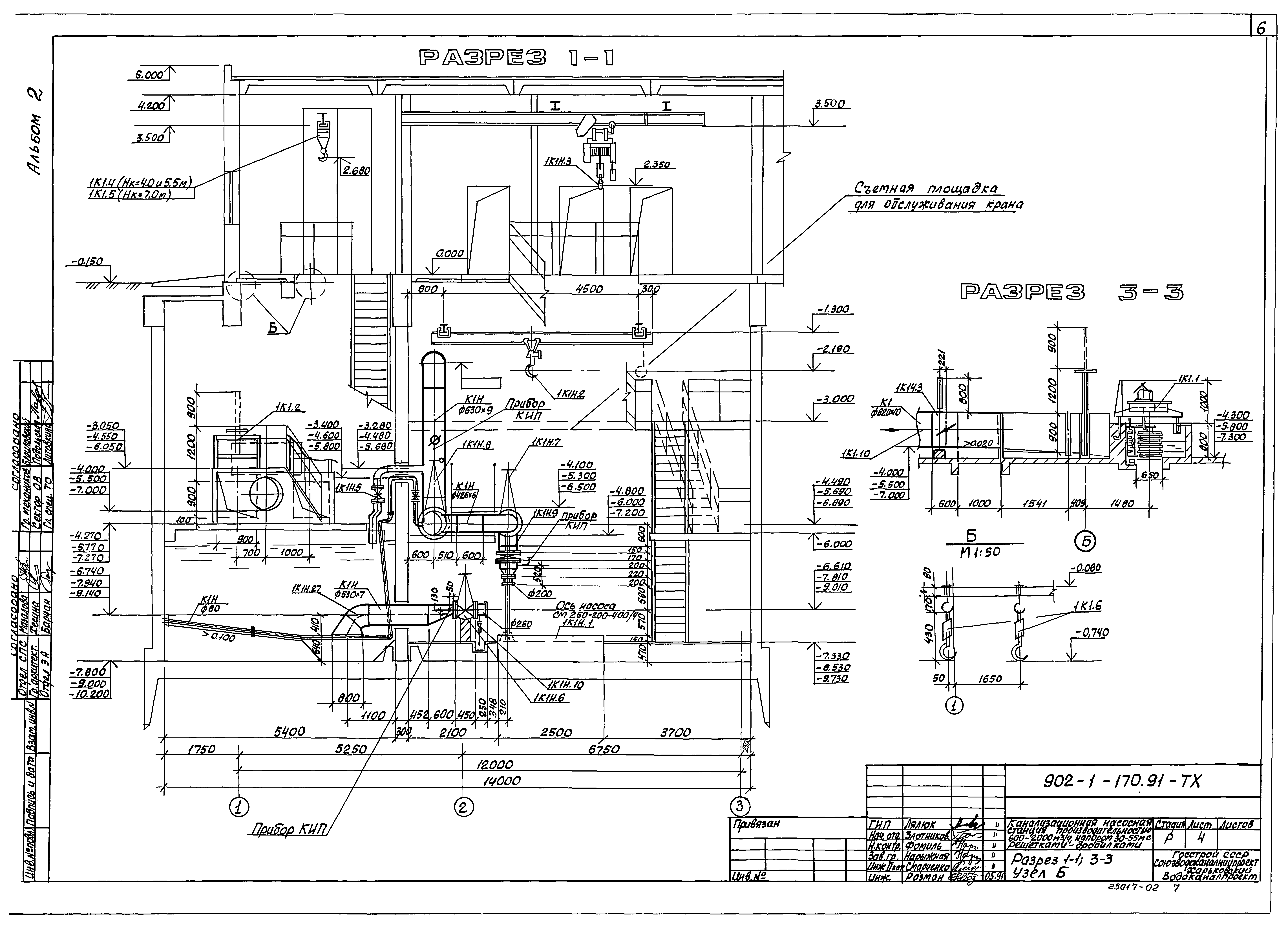
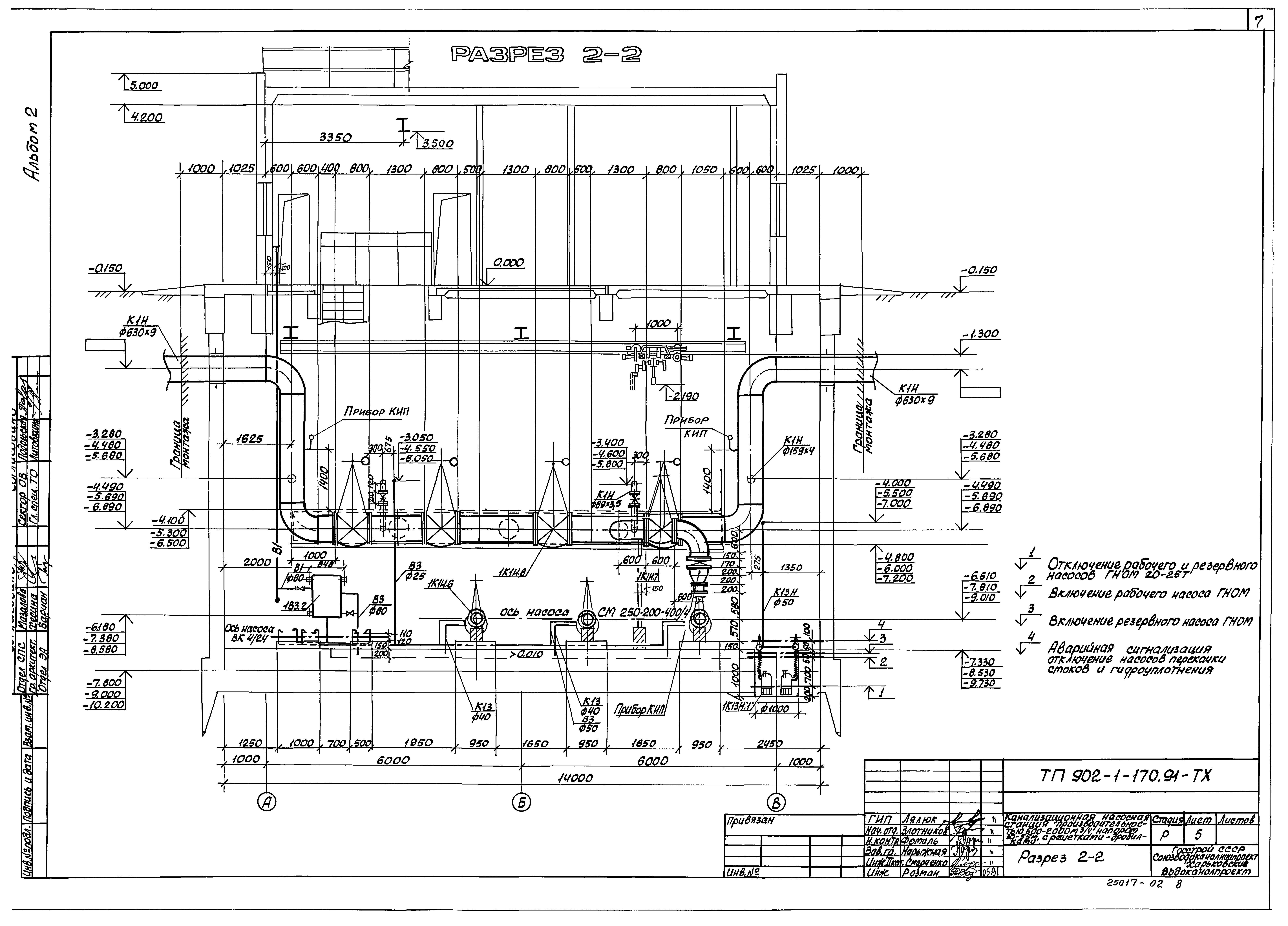
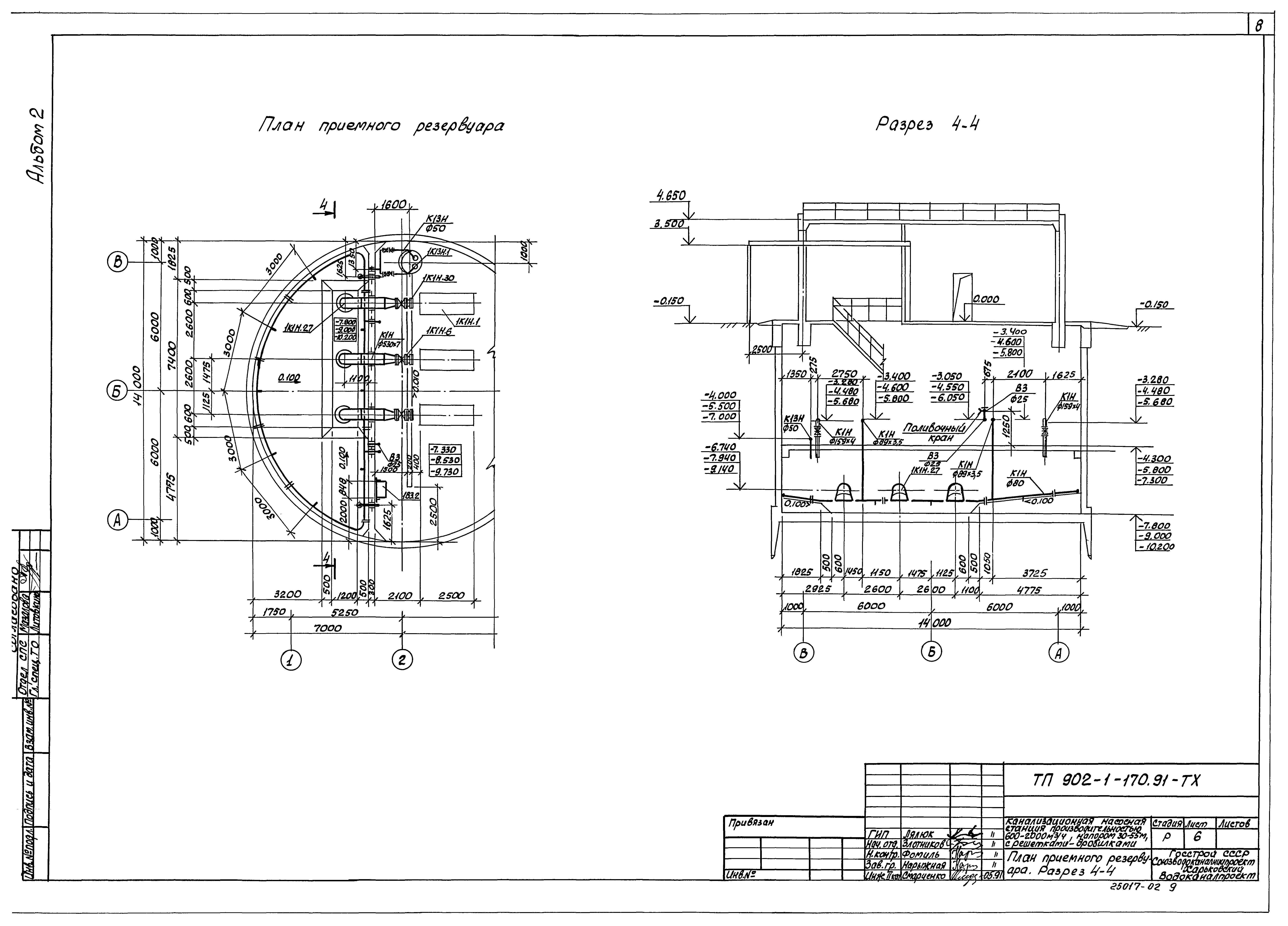
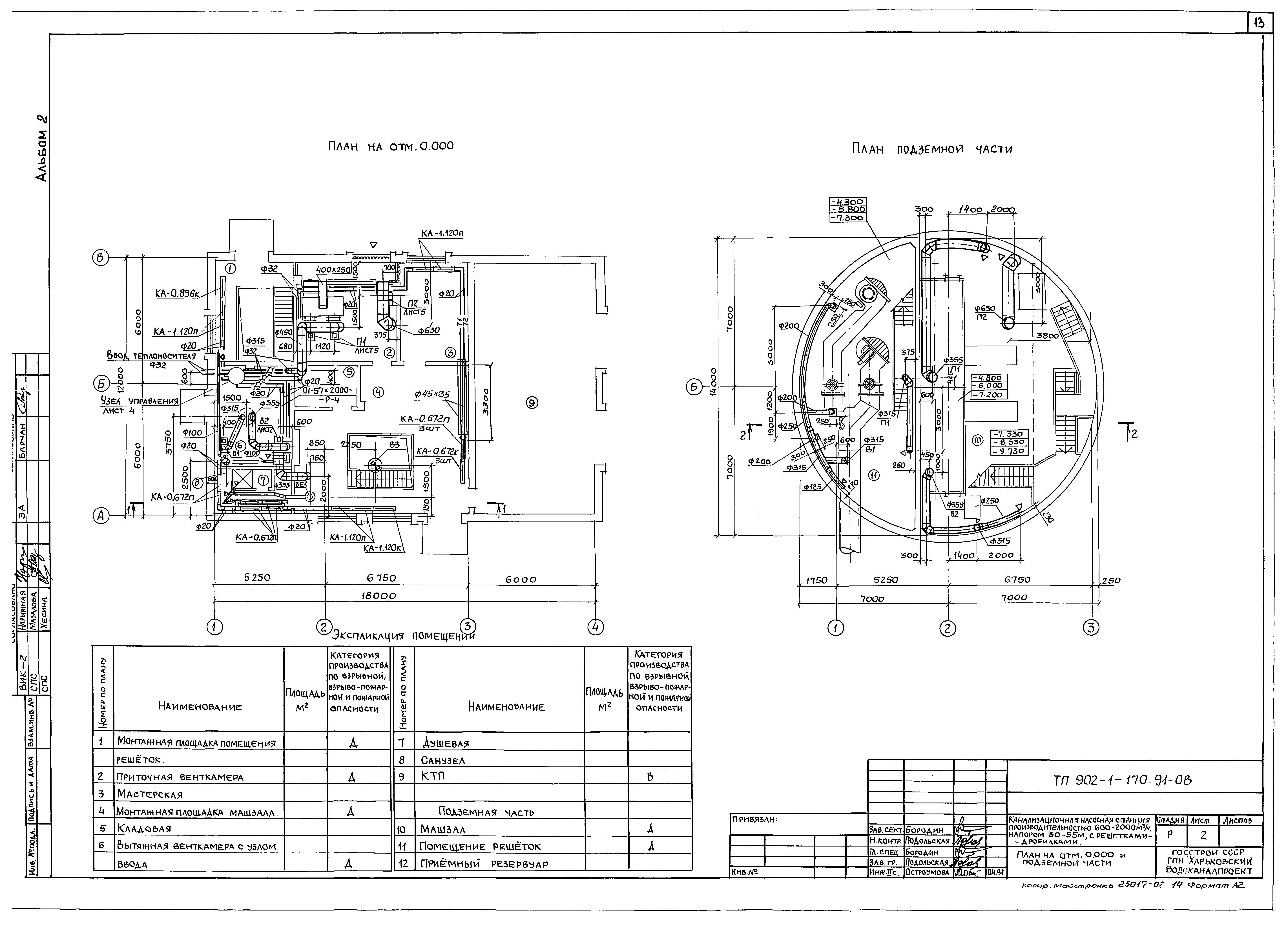
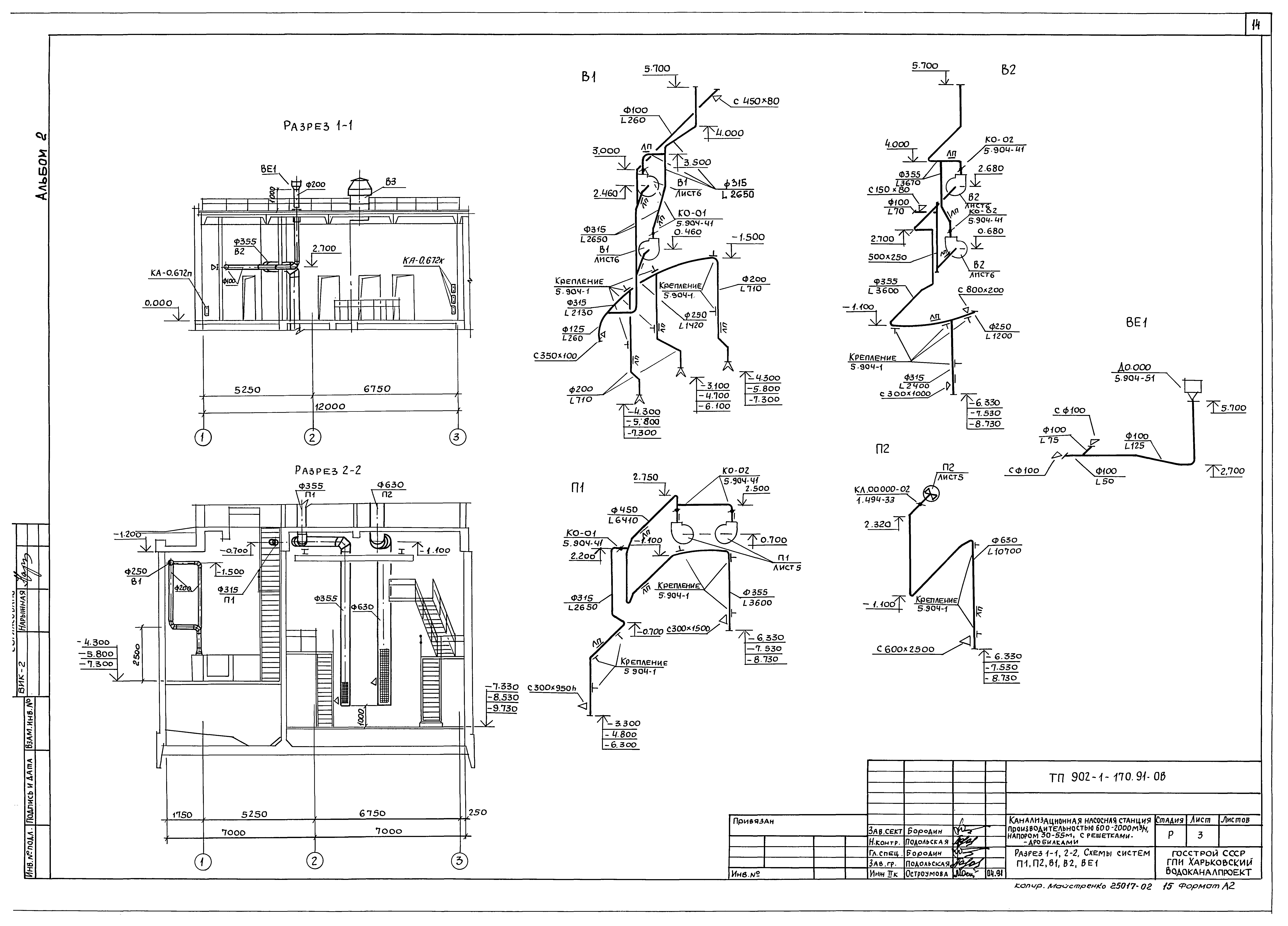
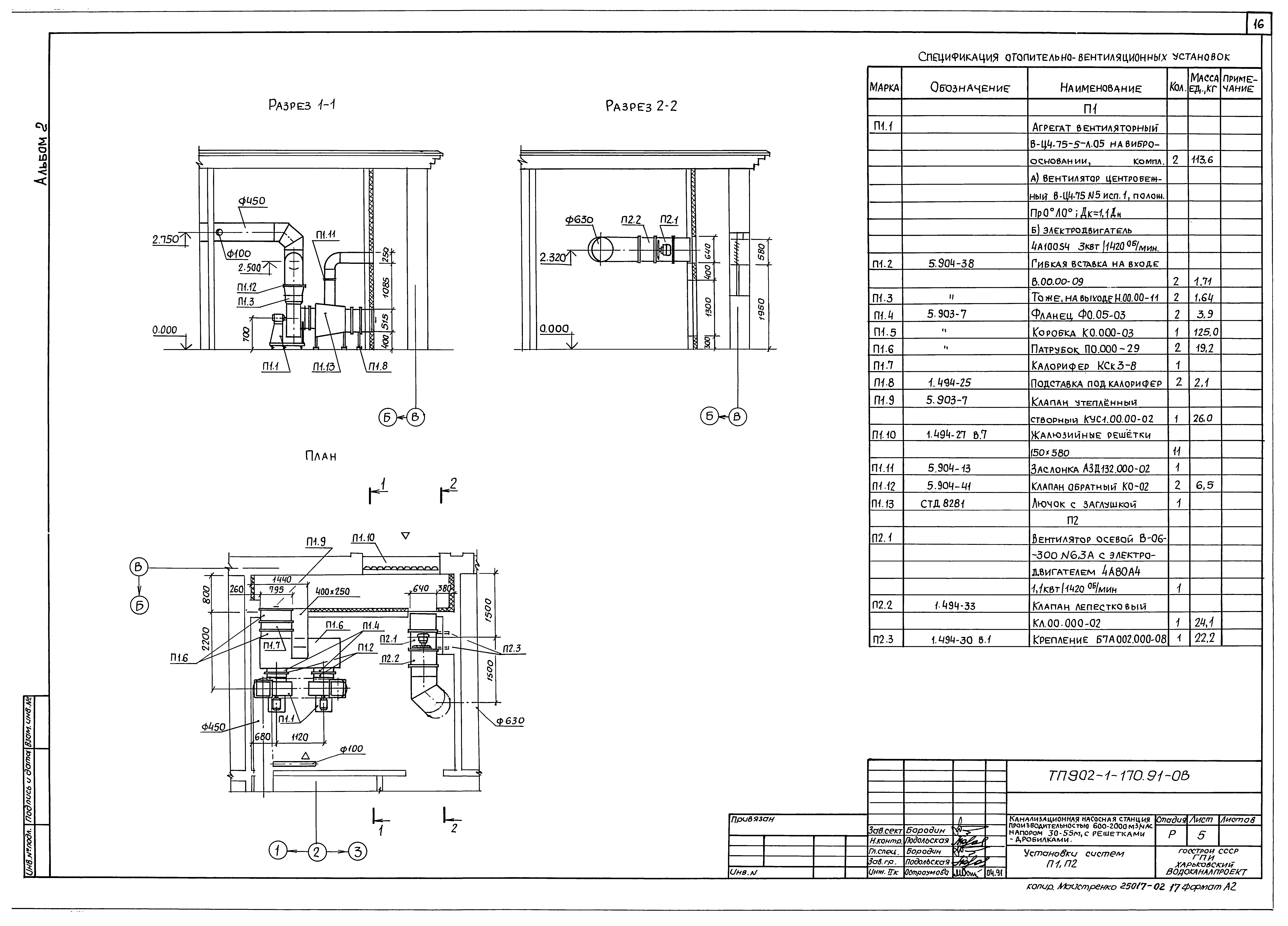
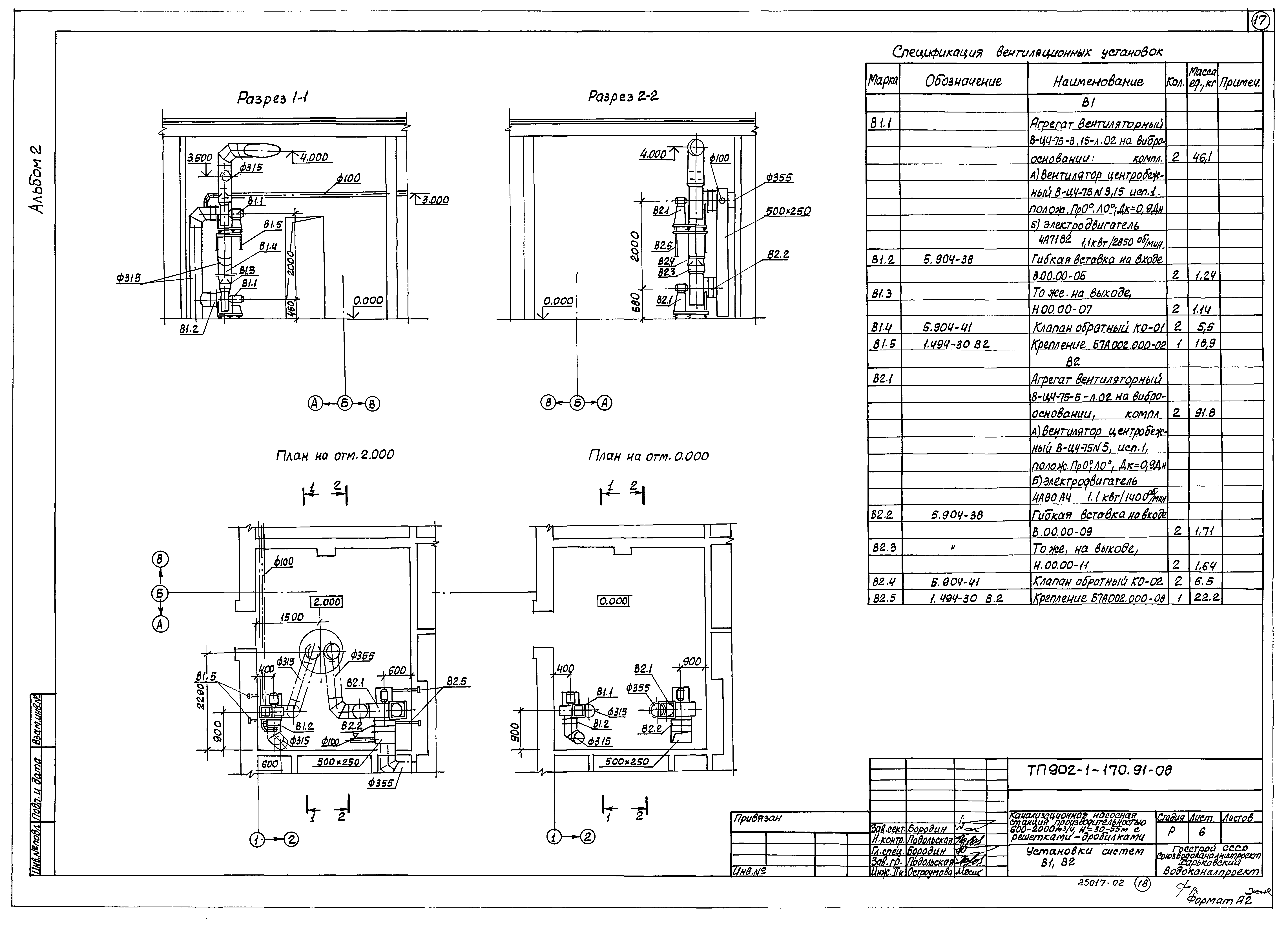
| Оглавление: | Технология производства Общие данные План подземной части. Узел А Разрез 1-1, 3-3. Узел Б Разрез 2-2 План приемного резервуара. Разрез 4-4 Схема узла подводящего коллектора. Схема системы 1К1Н. Схема управления аварийной заслонкой План машинного зала с системой 1В3, 1К13, 1К13Н Внутренний водопровод и канализация Общие данные. План на отм. 0.000. Схемы систем В1, К1, Т3 Отопление и вентиляция Общие данные План на отм. 0.000 и подземной части Разрез 1-1, 2-2. Схемы систем П1, П2, В1, В2, ВЕ1 Схемы систем отопления, теплоснабжения водоподогревателя, установка П1, узла управления Установки систем П1, П2 Установки систем В1, В2 |
| Разработан: | Харьковский Водоканалпроект |
| Утверждён: | 15.05.1991 СоюзводоканалНИИпроект (SoyuzvodokanalNIIproject 9) |

















