Скачать ОСТ 34-257-75 Опоры и подвески станционных трубопроводов Ру <= 40 кгс/см2 (4 МПа). Опоры скользящие приварные. Конструкция и размеры

Дата актуализации: 01.01.2021

ОСТ 34-257-75

Опоры и подвески станционных трубопроводов Ру <= 40 кгс/см2 (4 МПа). Опоры скользящие приварные. Конструкция и размеры

Обозначение: ОСТ 34-257-75
Обозначение англ: OST 34-257-75
Статус:не определен законодательством
Название рус.:Опоры и подвески станционных трубопроводов Ру <= 40 кгс/см2 (4 МПа). Опоры скользящие приварные. Конструкция и размеры
Дата добавления в базу:01.09.2013
Дата актуализации:01.01.2021
Дата введения:01.06.1976
Дата окончания срока действия:30.06.2003
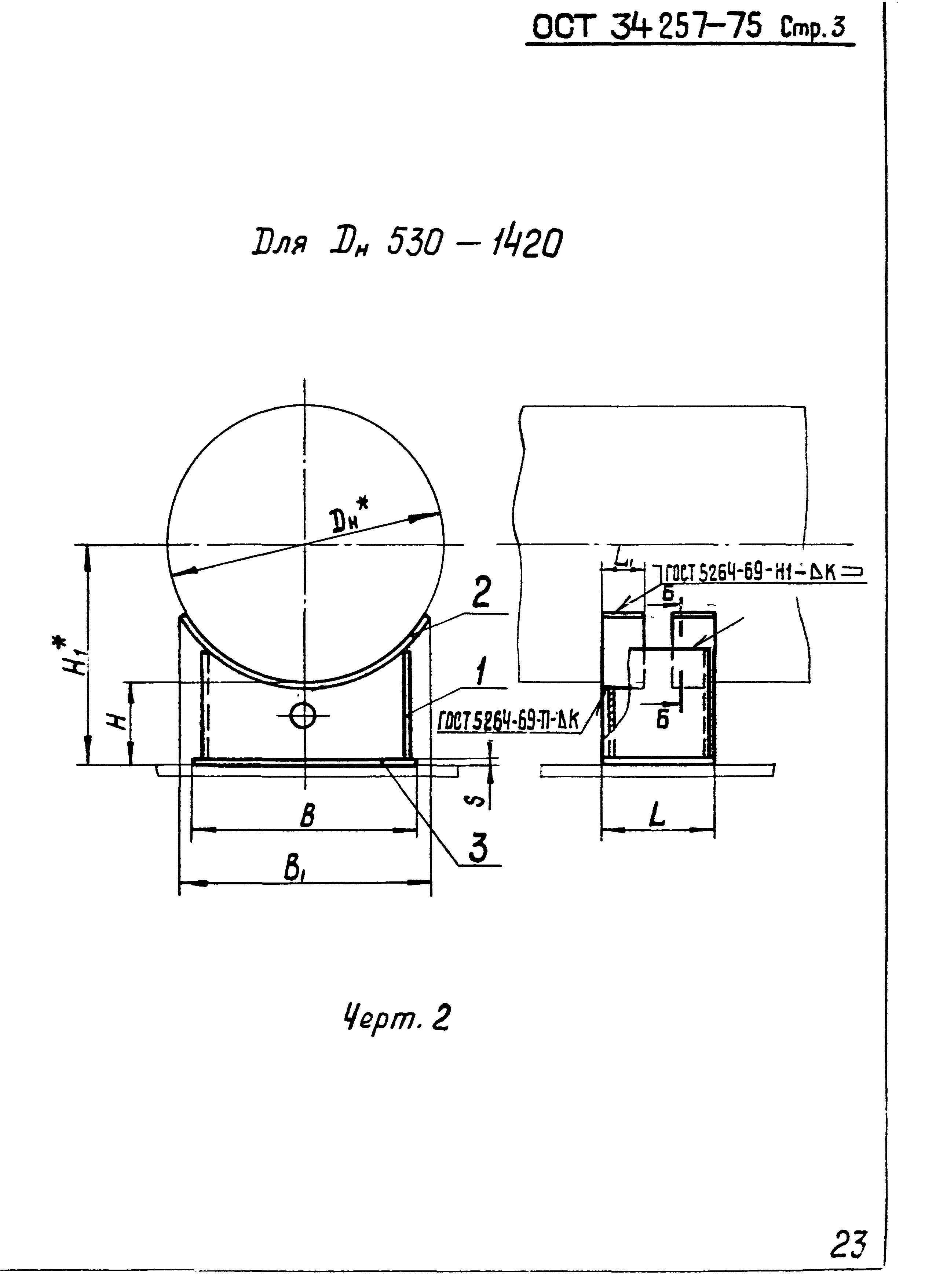
Область применения:Стандарт распространяется на скользящие опоры трубопроводов тепловых электростанций наружным диаметром Dн от 108 до 1420 мм с температурой среды до 300 град. Цельсия, с условным давлением до 25 кгс/см2.
Утверждён:30.12.1975 Министерство энергетики и электрификации СССР (USSR Ministry of Energy and Electrical Power 308)
Список изменений:
ОСТ 34-257-75ОСТ 34-257-75ОСТ 34-257-75ОСТ 34-257-75ОСТ 34-257-75ОСТ 34-257-75ОСТ 34-257-75ОСТ 34-257-75ОСТ 34-257-75ОСТ 34-257-75ОСТ 34-257-75ОСТ 34-257-75ОСТ 34-257-75ОСТ 34-257-75ОСТ 34-257-75

Текстовое изменение № 1 от 01.06.1980

№ 1№ 1№ 1