Скачать Серия 1.464-11/82 Выпуск 4. Стальные конструкции фонарей с применением в покрытии стального профилированного настила и профилей по сокращенному сортаменту металлопроката (дополнение к выпуску 1). Чертежи КМДата актуализации: 01.01.2021
|
| Обозначение: | Серия 1.464-11/82 |
| Обозначение англ: | Series 1.464-11/82 |
| Статус: | не действует |
| Название рус.: | Выпуск 4. Стальные конструкции фонарей с применением в покрытии стального профилированного настила и профилей по сокращенному сортаменту металлопроката (дополнение к выпуску 1). Чертежи КМ |
| Дата добавления в базу: | 01.09.2013 |
| Дата актуализации: | 01.01.2021 |
| Дата введения: | 01.06.1987 |
| Дата окончания срока действия: | 01.12.1993 |
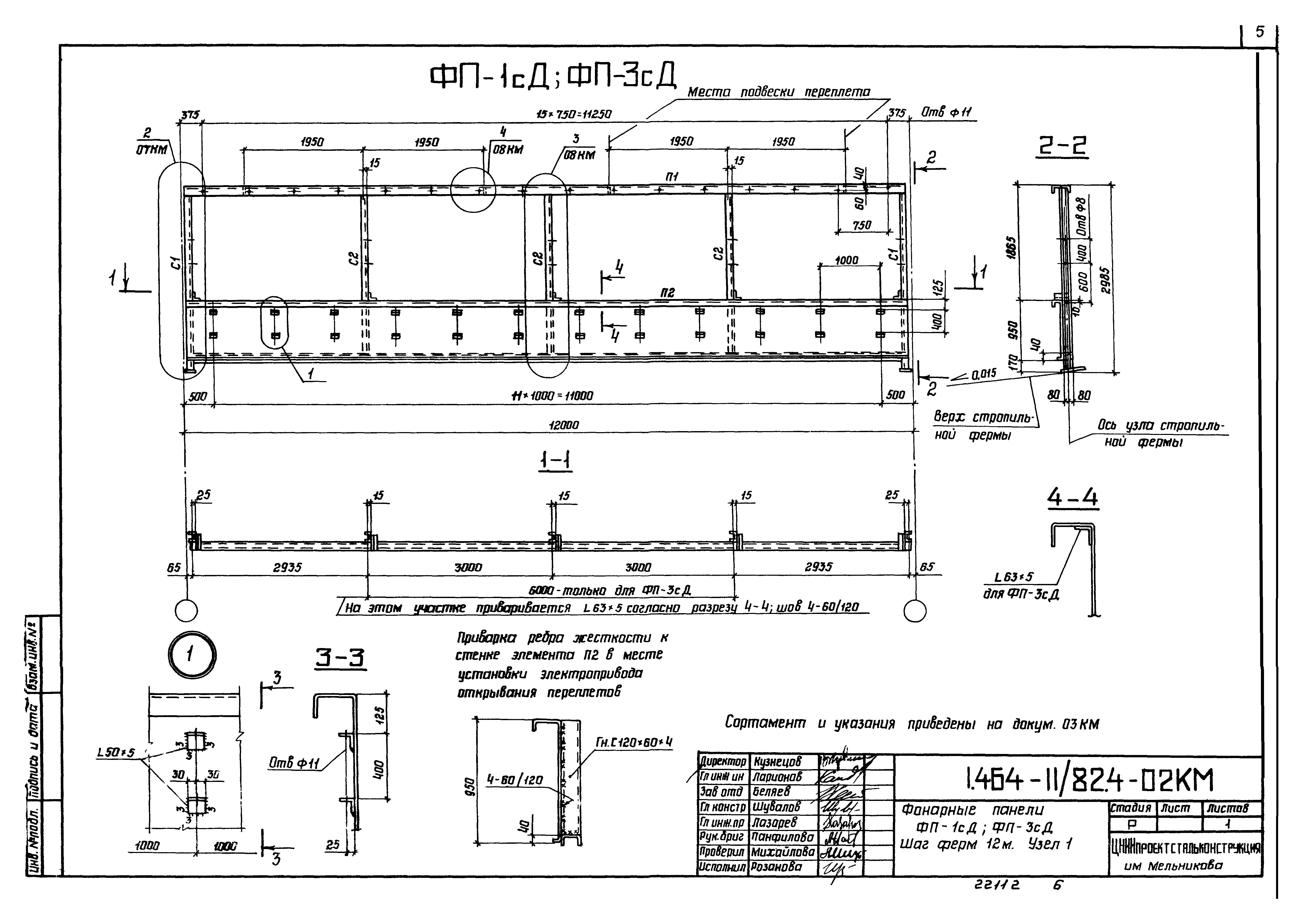
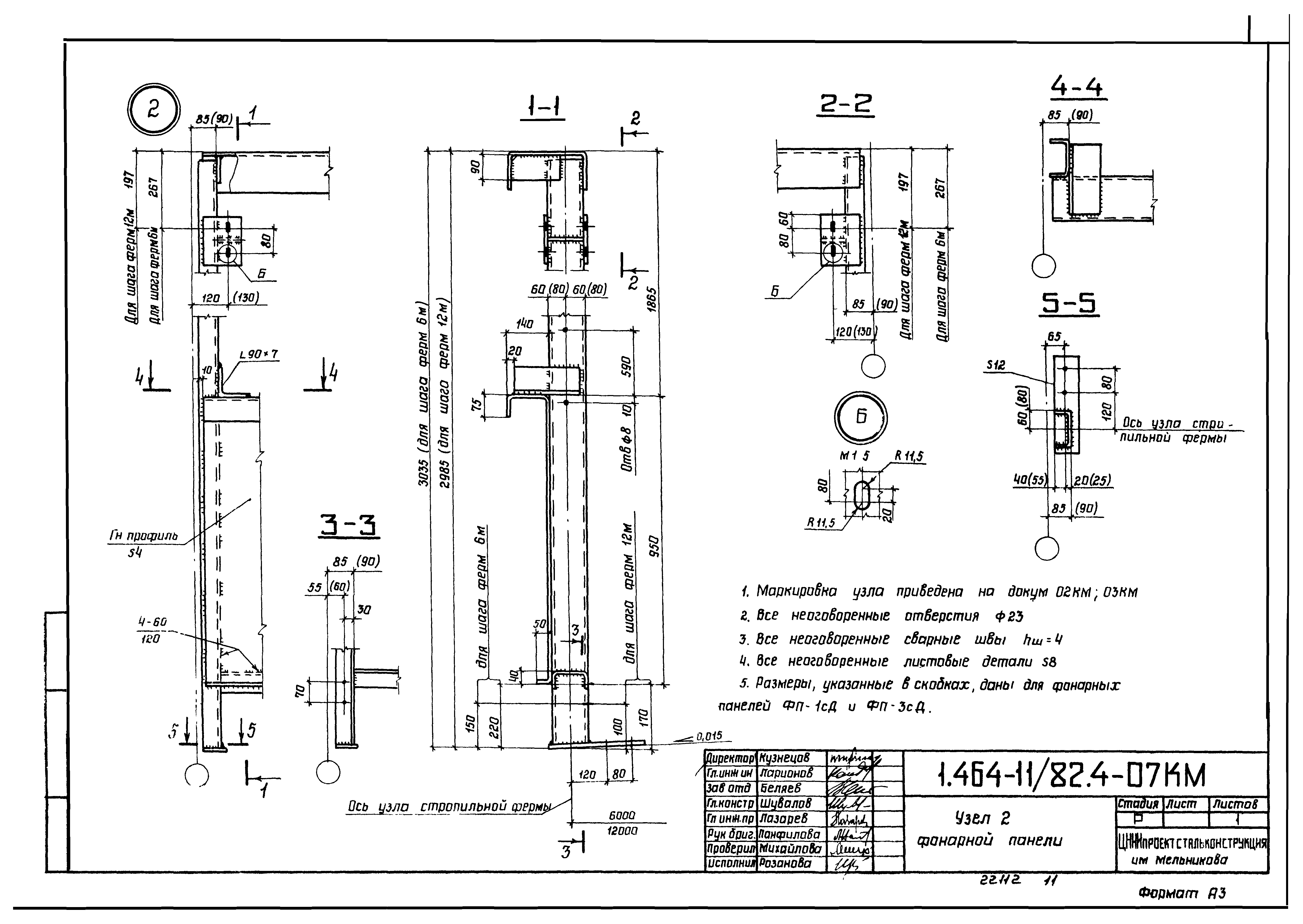
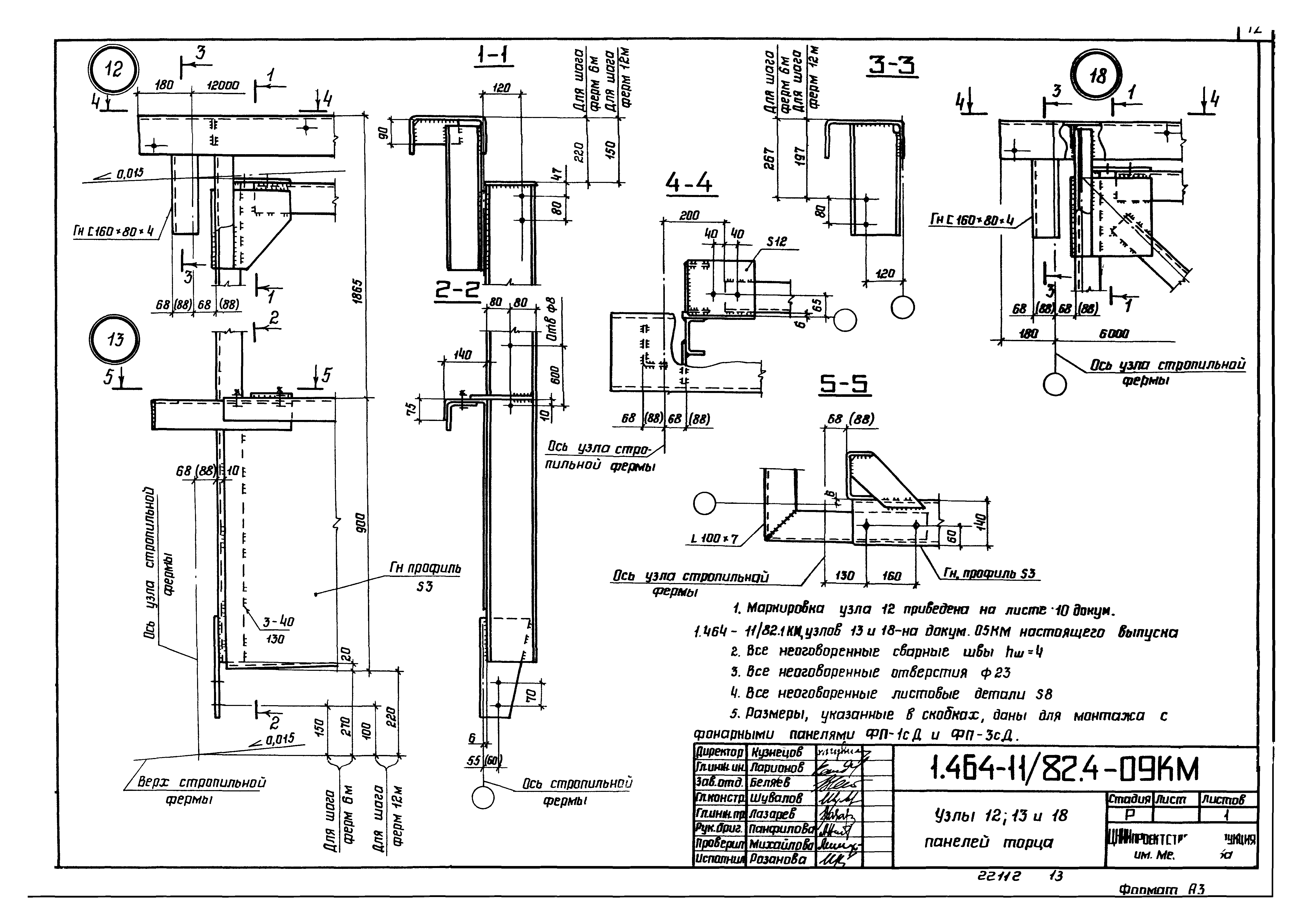
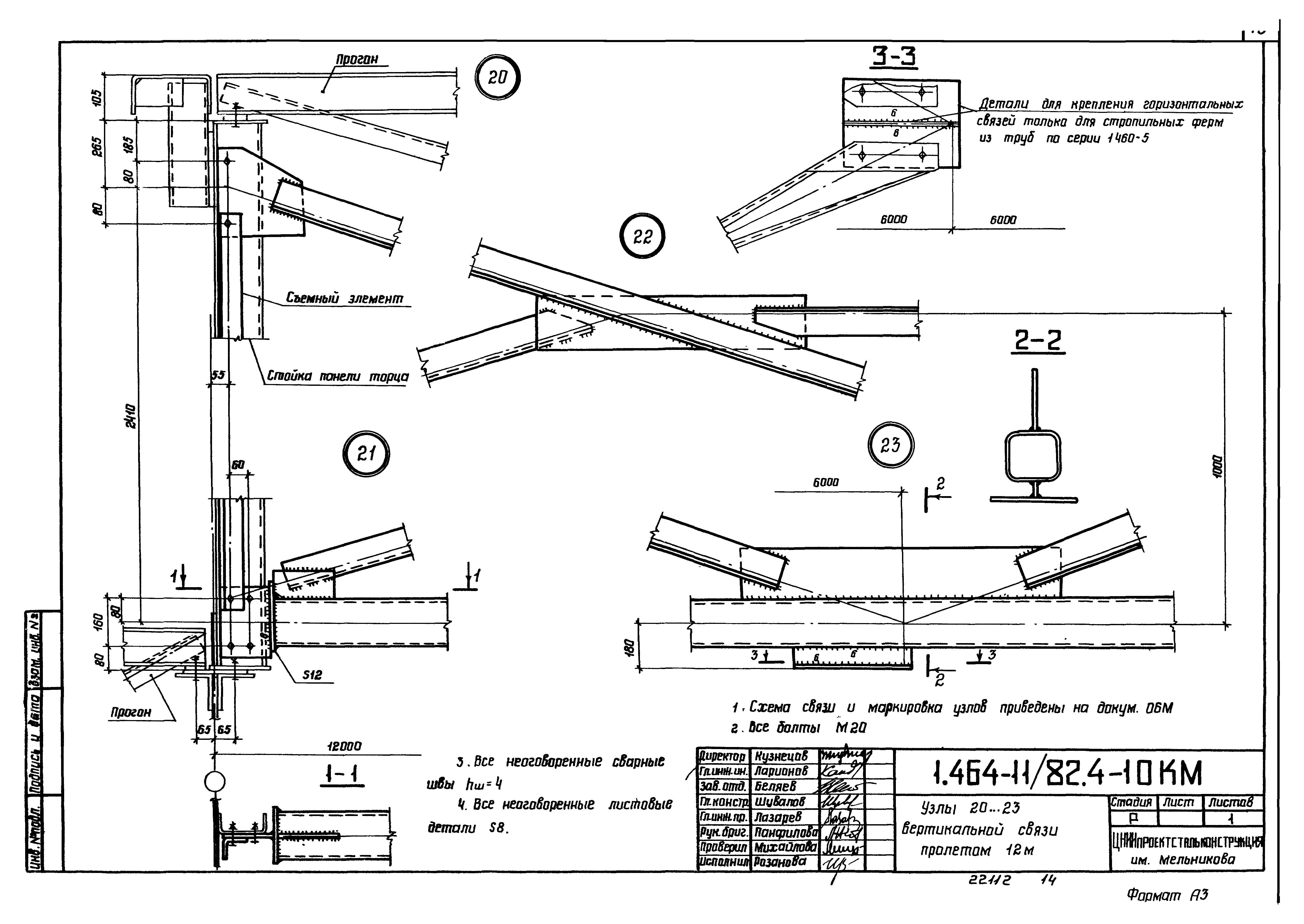
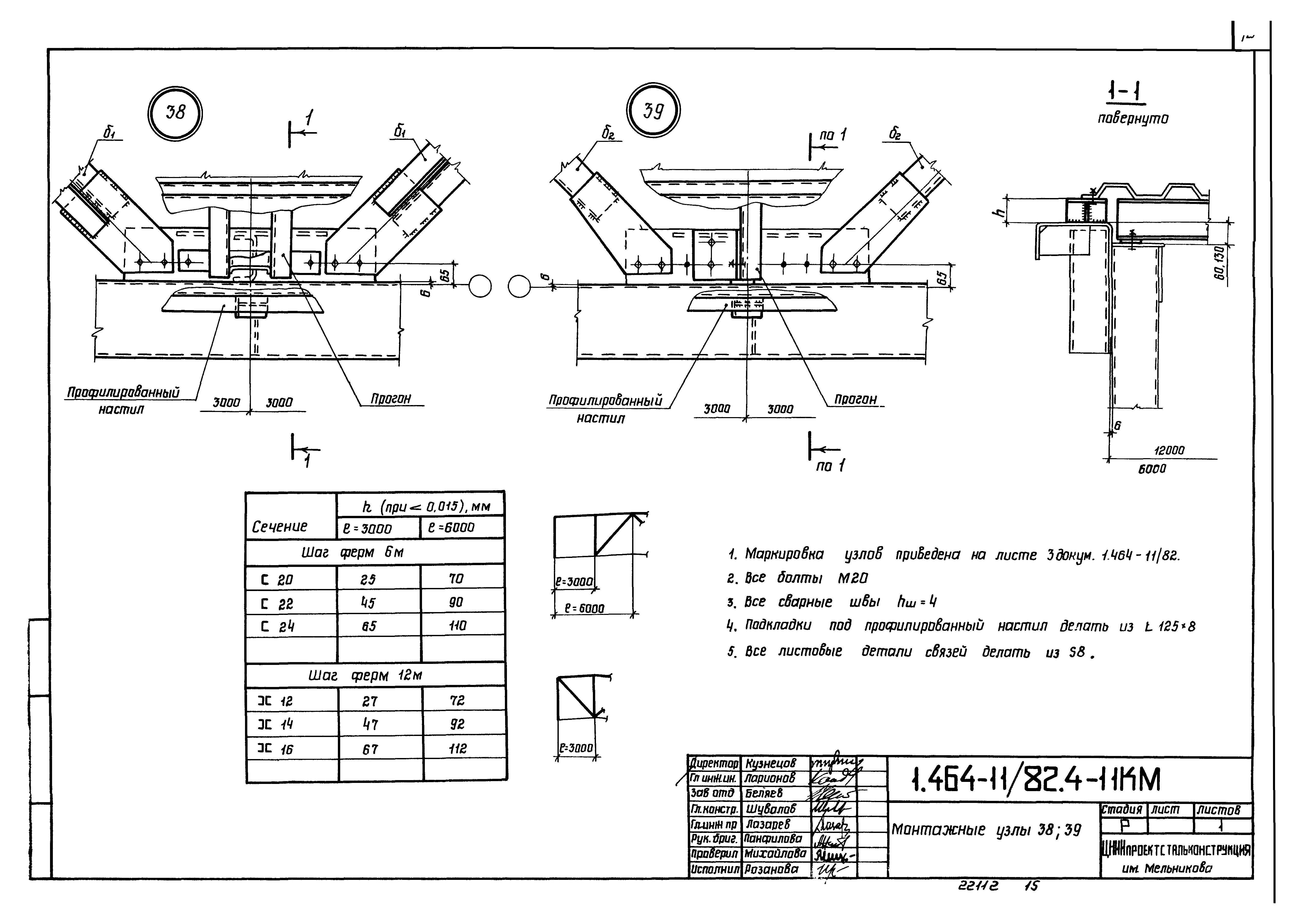
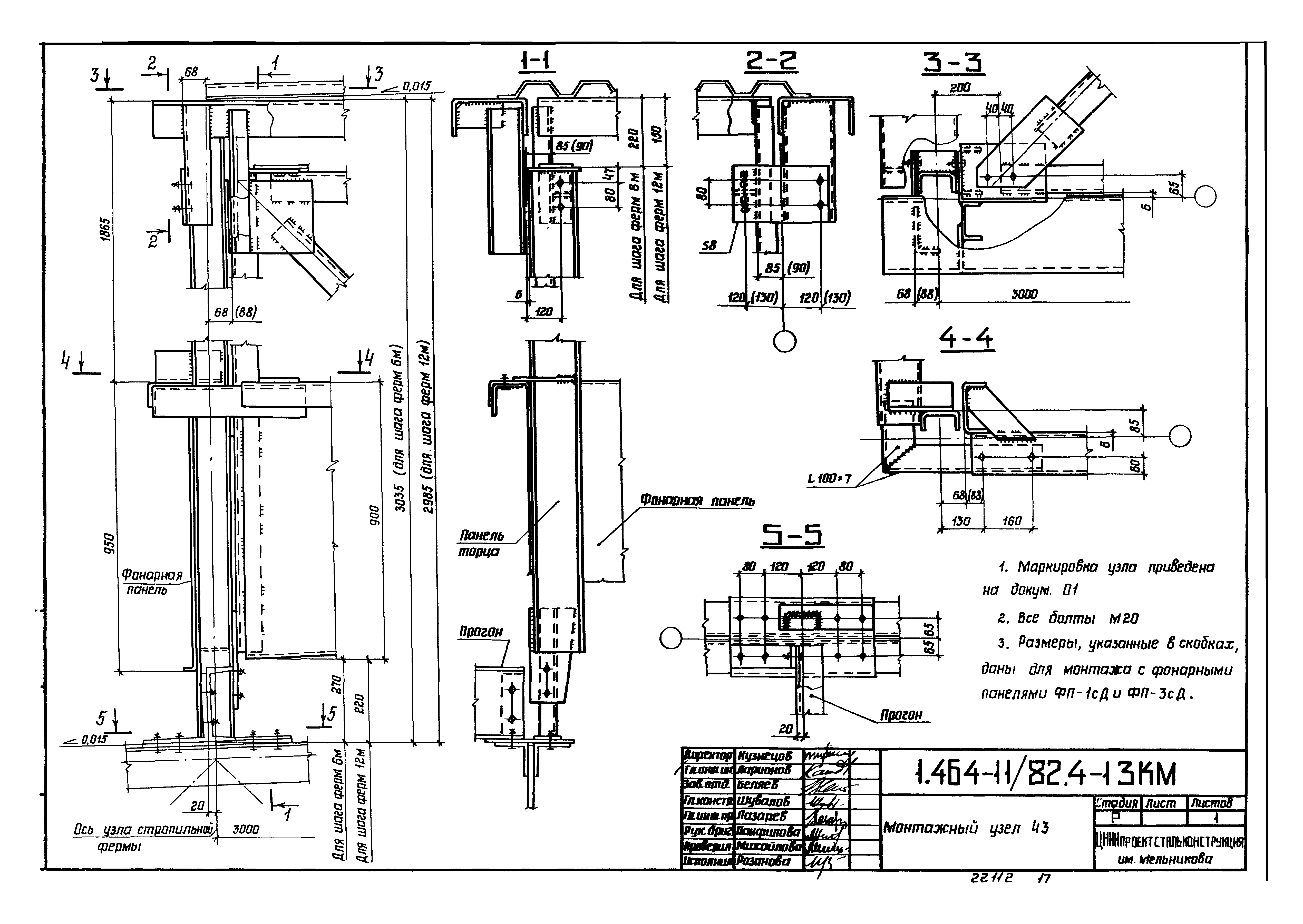
| Оглавление: | 1.464-11/82.4-00ПЗКМ Пояснительная записка 1.464-11/82.4-01КМ Разрезы 5-5;6-6;8-8;9-9. Виды 7-7;10-10. Таблица элементов 1.464-11/82.4-02КМ Фонарные панели ФП-1сД;ФП-3сД. Шаг ферм 12м. Узел 1 1.464-11/82.4-03КМ Фонарная панель ФП-2сД. Шаг ферм 6м. Сортамент фонарных панелей 1.464-11/82.4-04КМ Фонарная ферма ФФ-2сД для фонаря шириной 6м. Сортамент фонарных ферм 1.464-11/82.4-05КМ Панель торца ПТ-2сД для фонаря шириной 6м. Сортамент панелей торца 1.464-11/82.4-06КМ Вертикальные связи; схемы и сортамент 1.464-11/82.4-07КМ Узел 2 фонарной панели 1.464-11/82.4-08КМ Узлы 3 и 4 фонарной панели 1.464-11/82.4-09КМ Узлы 12;13 и 18 панелей торца 1.464-11/82.4-10КМ Узлы 20…23 вертикальной связи пролетом 12м 1.464-11/82.4-11КМ Монтажные узлы 38,39 1.464-11/82.4-12КМ Монтажные узлы 40…42 1.464-11/82.4-13КМ Монтажный узел 43 1.464-11/82.4-14КМ Спецификация стали |
| Разработан: | ЦНИИпроектстальконструкция Госстроя |
| Утверждён: | 03.04.1987 Госстрой СССР (Государственный комитет Совета Министров СССР по делам строительства) (USSR Gosstroy АЧ-35) |

















