Скачать Типовой проект 284-5-18 Часть 8. Раздел 8-2. Сметы. Общественный корпусДата актуализации: 01.01.2021
|
| Обозначение: | Типовой проект 284-5-18 |
| Обозначение англ: | 284-5-18 |
| Статус: | не определен законодательством |
| Название рус.: | Часть 8. Раздел 8-2. Сметы. Общественный корпус |
| Дата добавления в базу: | 01.09.2013 |
| Дата актуализации: | 01.01.2021 |
| Дата введения: | 04.12.1973 |
| Дата окончания срока действия: | 30.06.2003 |
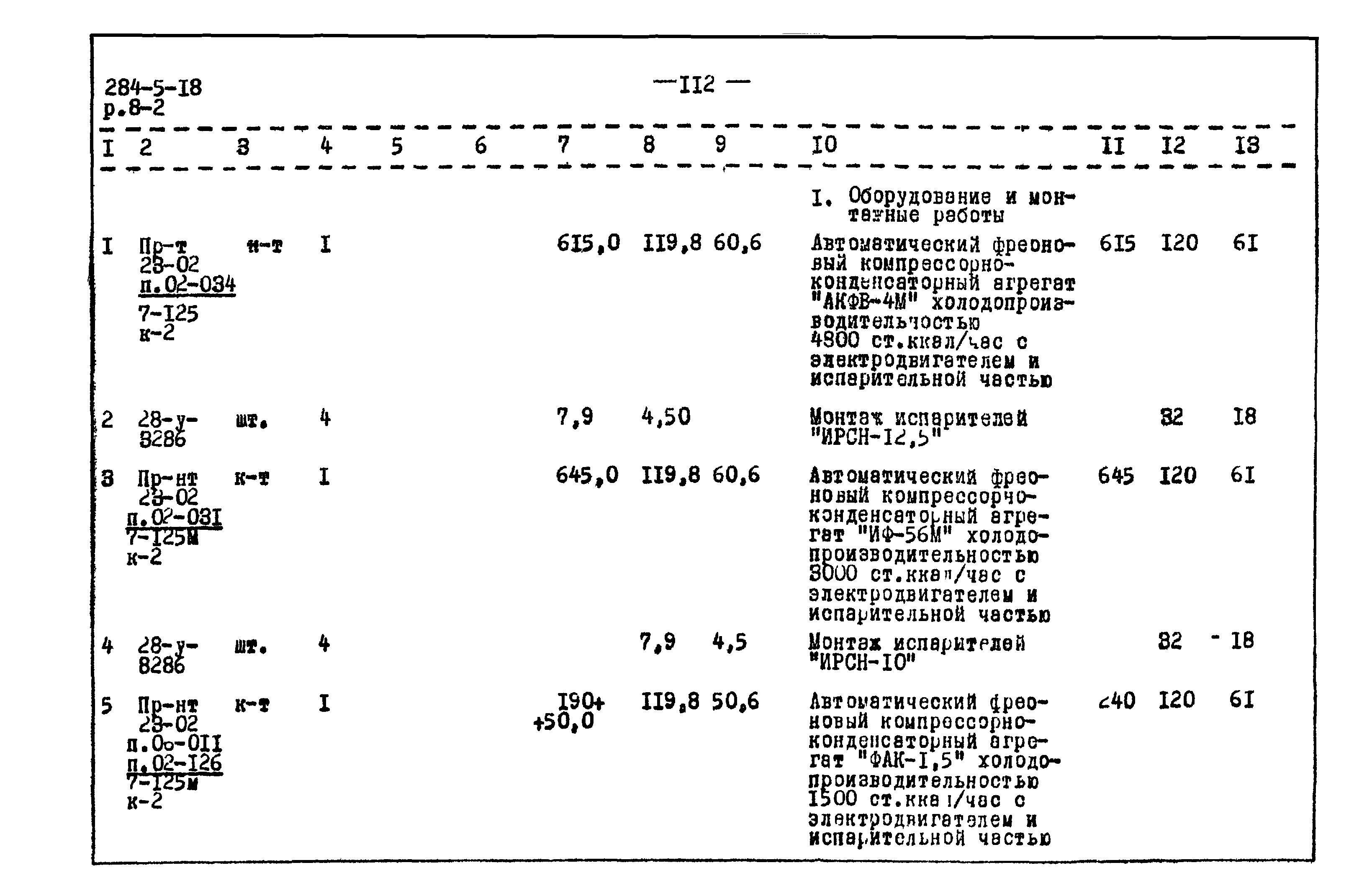
| Оглавление: | Технико-экономические показатели Сводка объемов и стоимости строительно-монтажных работ Смета №I-2-I на общестроительные работы Смета №II-2 на санитарно-технические работы Смета №III-2-1 на электроосвещение Смета №III-2-2 на слаботочные устройства Смета №I Гипроторга на технологическое оборудование Смета №2 Гипроторга на холодильные устройства Смета №V-I на оборудование вестибюля ресторана Ведомости объемов работ для вариантов фасада и конструктивных решений Каталог дополнительных единичных расценок Калькуляции сметных цен Выборка материальных ресурсов по смете общественного корпуса |
| Разработан: | ЦНИИЭП жилища |
| Утверждён: | 04.12.1973 ЦНИИЭП жилища (TsNIIEPzhilishcha 657) |























































































































































