Скачать Типовой проект 416-7-234.86 Альбом VI. Ведомости потребности в материалахДата актуализации: 01.01.2021
|
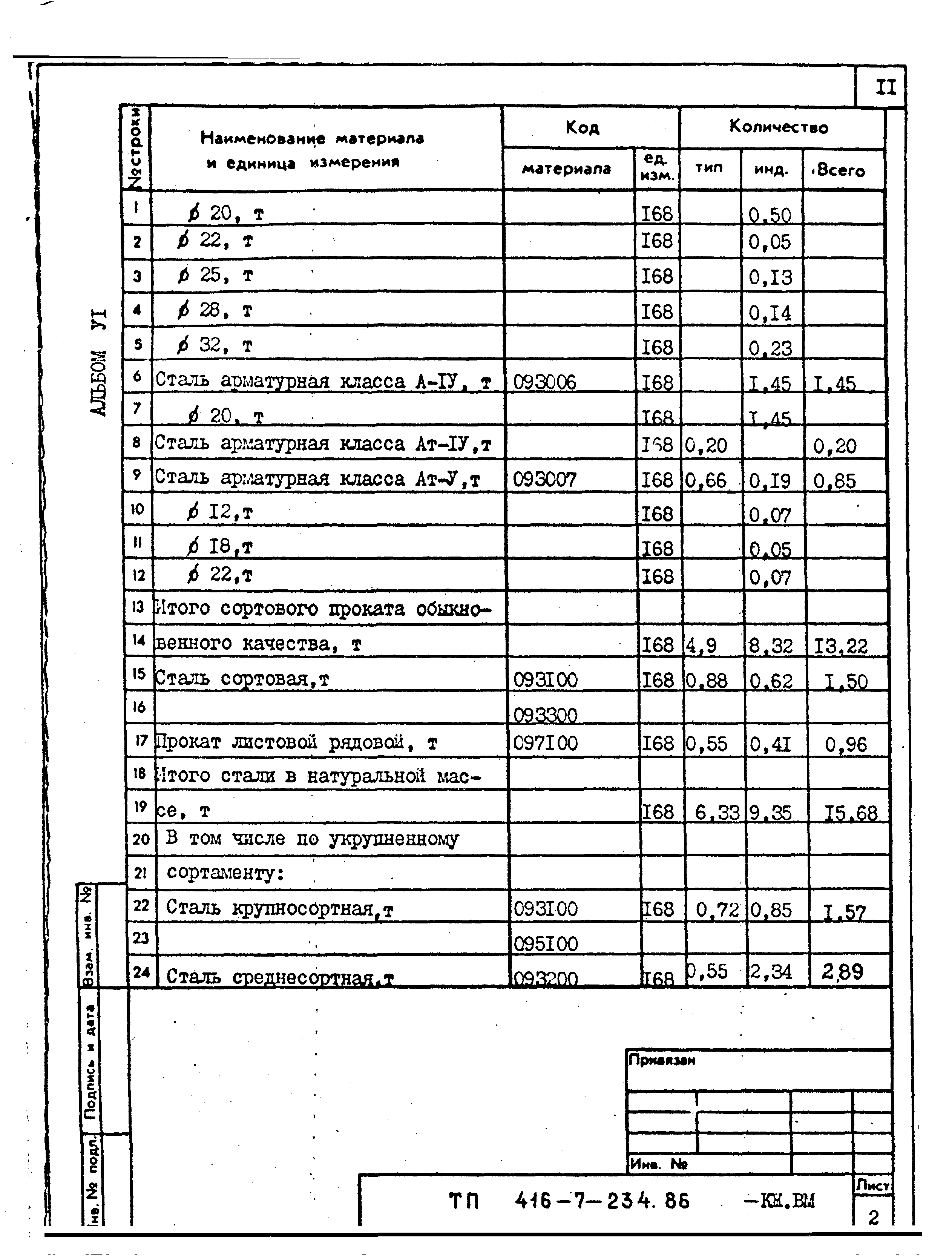
| Обозначение: | Типовой проект 416-7-234.86 |
| Обозначение англ: | 416-7-234.86 |
| Статус: | не определен законодательством |
| Название рус.: | Альбом VI. Ведомости потребности в материалах |
| Дата добавления в базу: | 01.09.2013 |
| Дата актуализации: | 01.01.2021 |
| Дата введения: | 30.07.1986 |
| Дата окончания срока действия: | 30.06.2003 |
| Разработан: | ГПИ Союздорпроект |
| Утверждён: | 30.07.1986 Минтрансстрой СССР (USSR Mintransstroy 19) |






















