Скачать Серия 1.134-2 Выпуск 4. Блоки внутренних стен толщиной 16 см и вентиляционные блоки для жилых зданий высотой 1 - 4 этажа и общественных зданий высотой 1 - 3 этажа. Опалубочные чертежи. АрмированиеДата актуализации: 01.01.2021
|
| Обозначение: | Серия 1.134-2 |
| Обозначение англ: | Series 1.134-2 |
| Статус: | заменен |
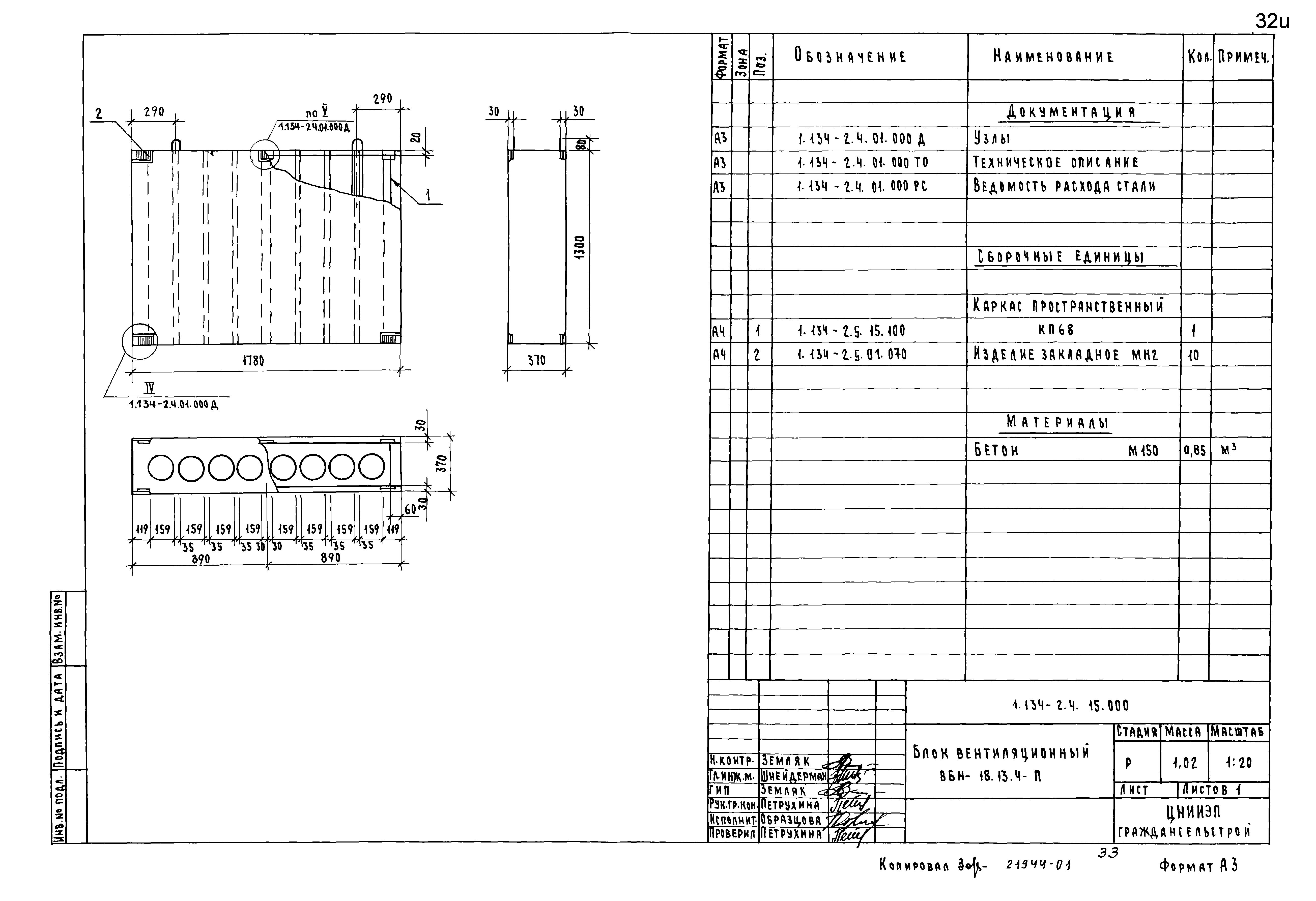
| Название рус.: | Выпуск 4. Блоки внутренних стен толщиной 16 см и вентиляционные блоки для жилых зданий высотой 1 - 4 этажа и общественных зданий высотой 1 - 3 этажа. Опалубочные чертежи. Армирование |
| Дата добавления в базу: | 01.09.2013 |
| Дата актуализации: | 01.01.2021 |
| Дата введения: | 01.06.1979 |
| Дата окончания срока действия: | 01.10.1986 |
| Область применения: | В настоящем выпуске приведены опалубочные чертежи внутренних блоков толщиной 16 см и вентиляционных блоков. Изготовление вентиляционных блоков предусматривается по поточно-агрегатной технологии, а блоки толщиной 16 см изготавливаются в кассетных установках |
| Оглавление: | 1.134-2.7.01.000 ТО Техническое описание 1.134-2.7.01.000 НИ Номенклатура 1.134-2.7.01.000 РС Ведомость расхода стали 1.134-2.7.01.000 Блок внутренних стен 1.134-2.7.01.000 СБ Блок внутренних стен. Сборочный чертеж 1.134-2.7.02.000 Блок внутренних стен 1.134-2.7.03.000 Блок внутренних стен 1.134-2.7.03.000 СБ Блок внутренних стен. Сборочный чертеж 1.134-2.7.04.000 Блок внутренних стен 1.134-2.7.04.000 СБ Блок внутренних стен. Сборочный чертеж 1.134-2.7.05.000 Блок внутренних стен СБ-6.22.1-Т 1.134-2.7.06.000 Блок перемычный внутренних стен 1.134-2.7.07.000 Блок внутренних стен доборный 1.134-2.7.06.000 СБ Блок перемычный внутренних стен. Сборочный чертеж 1.134-2.7.07.000 СБ Блок внутренних стен доборный. Сборочный чертеж 1.134-2.7.08.000 Блок внутренних стен лестничных клеток 1.134-2.7.09.000 Блок внутренних стен лестничных клеток 1.134-2.7.10.000 Блок перемычный лестничных клеток 1.134-2.7.11.000 Блок перемычный лестничных клеток 1.134-2.7.12.000 Блок вентиляционный 1.134-2.7.13.000 Блок вентиляционный ВБН-12.13.4-П 1.134-2.7.14.000 Блок вентиляционный 1.134-2.7.15.000 Блок вентиляционный ВБН-18.13.4-П 1.134-2.7.16.000 Блок вентиляционный 1.134-2.7.17.000 Блок вентиляционный ВБН-15.13.4-П 1.134-2.7.18.000 Блок вентиляционный ВБН-18.28.5-Т 1.134-2.7.19.000 Блок вентиляционный ВБН-15.28.5-Т 1.134-2.7.20.000 Блок внутренний электротехнический ВБЭ-9.22.2-Т 1.134-2.7.01.000 Узлы I… V |
| Разработан: | ЦНИИЭП граждансельстрой |
| Утверждён: | 28.04.1979 Госгражданстрой (Gosgrazhdanstroy 86) |
| Издан: | ЦИТП Госстроя СССР (CITP, Gosstroy (USSR) 1987 г. ) |
| Чем заменён: | |
| Нормативные ссылки: |
|







































