Скачать ОСТ 108.275.62-80 Блоки приварные с опорной балкой для подвесок трубопроводов ТЭС и АЭС. Конструкция и размеры

Дата актуализации: 01.01.2021

ОСТ 108.275.62-80

Блоки приварные с опорной балкой для подвесок трубопроводов ТЭС и АЭС. Конструкция и размеры

Обозначение: ОСТ 108.275.62-80
Обозначение англ: OST 108.275.62-80
Статус:не определен законодательством
Название рус.:Блоки приварные с опорной балкой для подвесок трубопроводов ТЭС и АЭС. Конструкция и размеры
Дата добавления в базу:01.09.2013
Дата актуализации:01.01.2021
Дата введения:01.01.1982
Дата окончания срока действия:30.06.2003
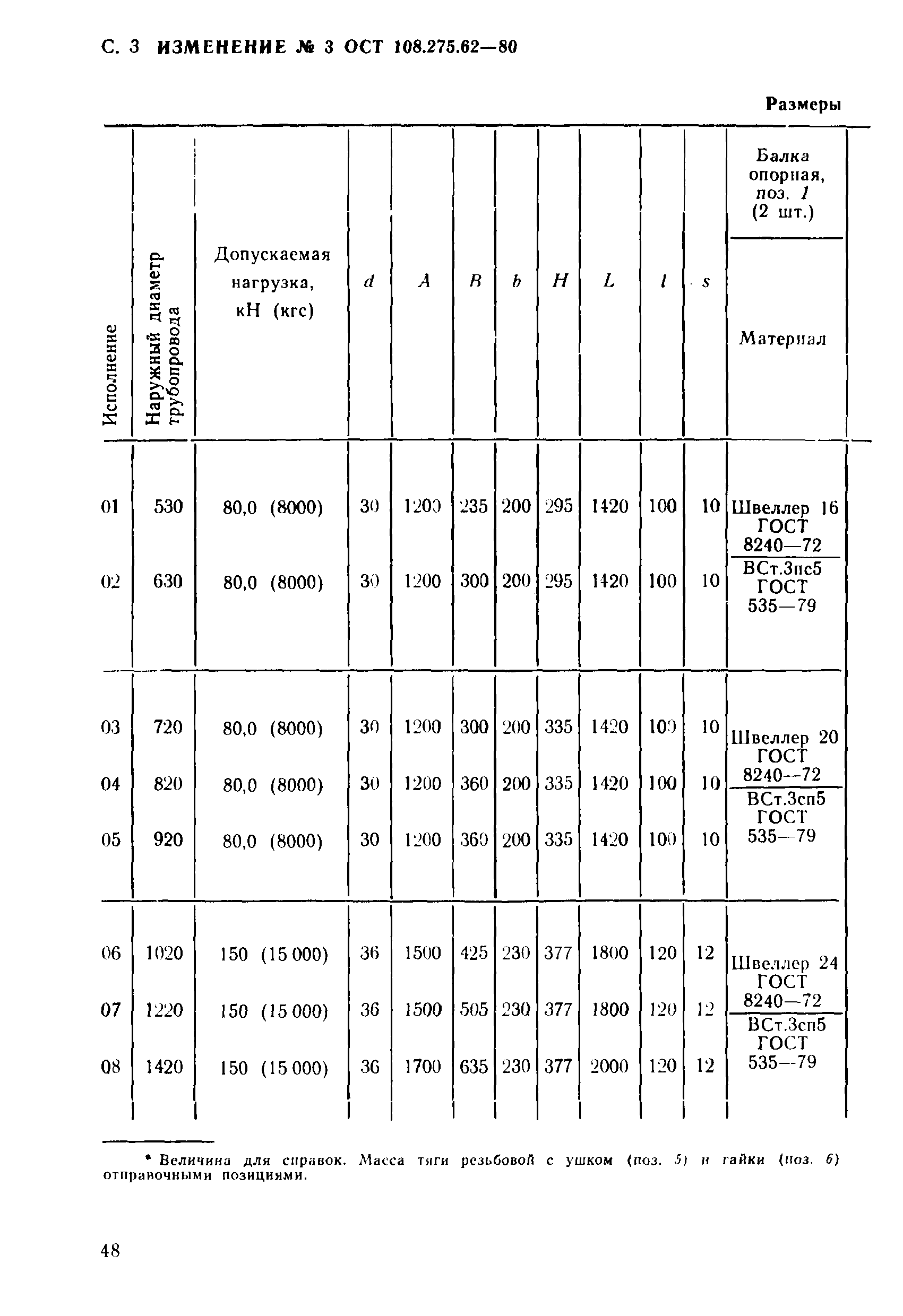
Область применения:Стандарт распространяется на приварные блоки с опорной балкой для подвесок горизонтальных трубопроводов наружным диаметром 530 - 1420 мм из электросварных труб из углеродистых марок сталей для ТЭС и АЭС.
Оглавление:Перечень отраслевых нормативных документов, ограничение срока действия которых снимается
Утверждён:30.06.1980 Министерство энергетического машиностроения (Ministry of Energy Machinery Manufacturing ЮК-002/5260)
Список изменений:
Заменяет собой:
  • МВН 375-64
Нормативные ссылки:
ОСТ 108.275.62-80ОСТ 108.275.62-80ОСТ 108.275.62-80ОСТ 108.275.62-80ОСТ 108.275.62-80ОСТ 108.275.62-80ОСТ 108.275.62-80ОСТ 108.275.62-80

Текстовое изменение № 2 от 01.01.1984

№ 2№ 2

Текстовое изменение № 3 от 01.01.1988

№ 3№ 3№ 3№ 3

Текстовое изменение № от 15.02.1994

№ № № №