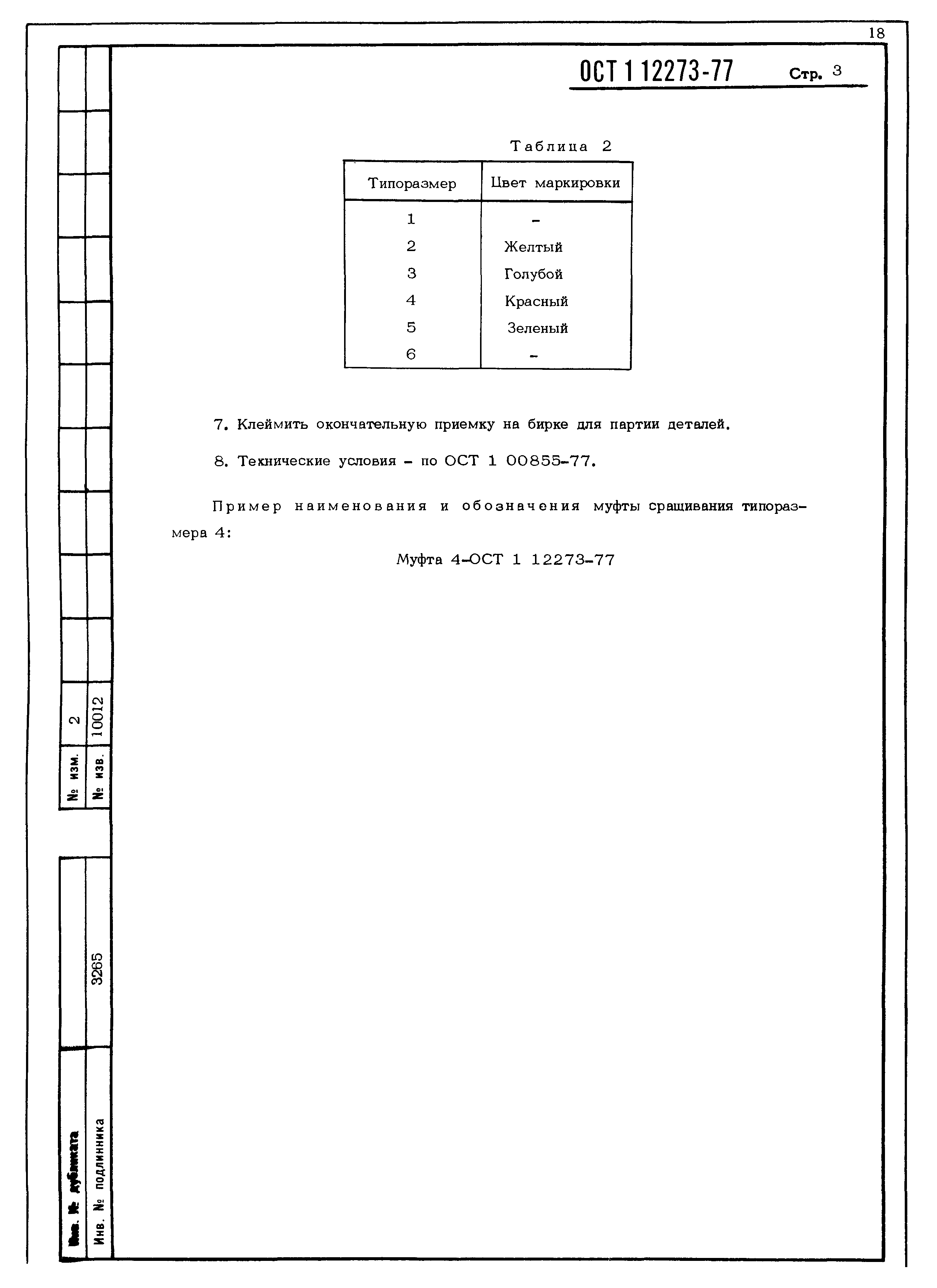
Скачать ОСТ 1 12273-77 Муфты сращивания. Конструкция и размерыДата актуализации: 01.01.2021
|
| Обозначение: | ОСТ 1 12273-77 |
| Обозначение англ: | 12273-77 |
| Статус: | введен впервые |
| Название рус.: | Муфты сращивания. Конструкция и размеры |
| Дата добавления в базу: | 01.09.2013 |
| Дата актуализации: | 01.01.2021 |
| Дата введения: | 01.07.1978 |
| Область применения: | Стандарт распространяется на муфты сращивания (в дальнейшем изложении - муфты), предназначаемые для соединения и разветления проводов бортовой электрической сети летательных аппаратов. |
| Утверждён: | 24.06.1977 Министерство (Ministry 087-16) |
| Нормативные ссылки: |




