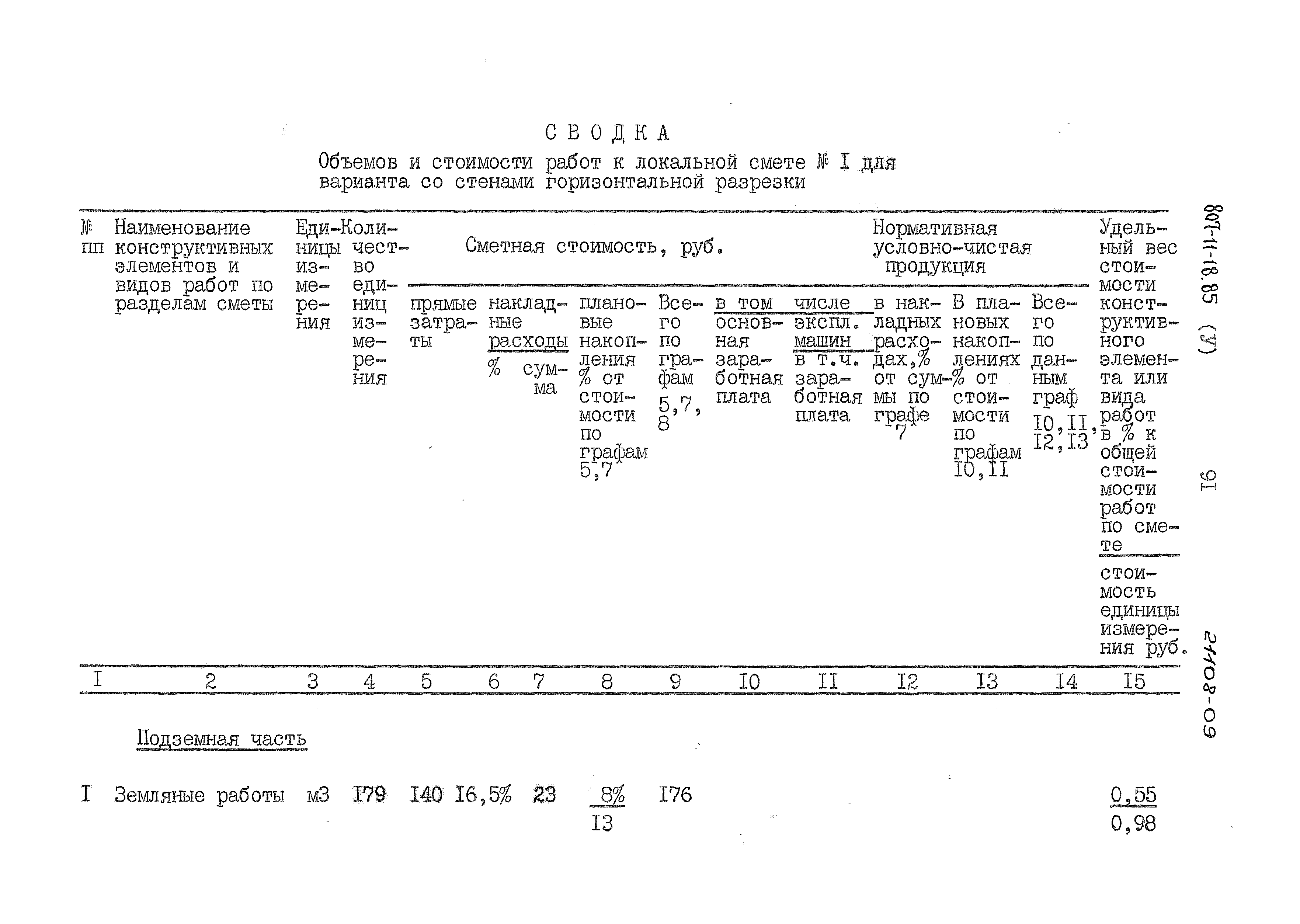
Скачать Типовой проект 807-11-18.85 Альбом V. Часть 1. СметыДата актуализации: 01.01.2021
|
| Обозначение: | Типовой проект 807-11-18.85 |
| Обозначение англ: | 807-11-18.85 |
| Статус: | не определен законодательством |
| Название рус.: | Альбом V. Часть 1. Сметы |
| Дата добавления в базу: | 01.09.2013 |
| Дата актуализации: | 01.01.2021 |
| Дата введения: | 26.06.1984 |
| Дата окончания срока действия: | 30.06.2003 |
| Разработан: | ГипроНИсельхоз (Институт Гипронисельхоз ) |
| Утверждён: | 26.08.1983 Главсельстройпроект Минсельхоза СССР (Glavselstroyproject, USSR Minselkhoz 76) |












































































































































