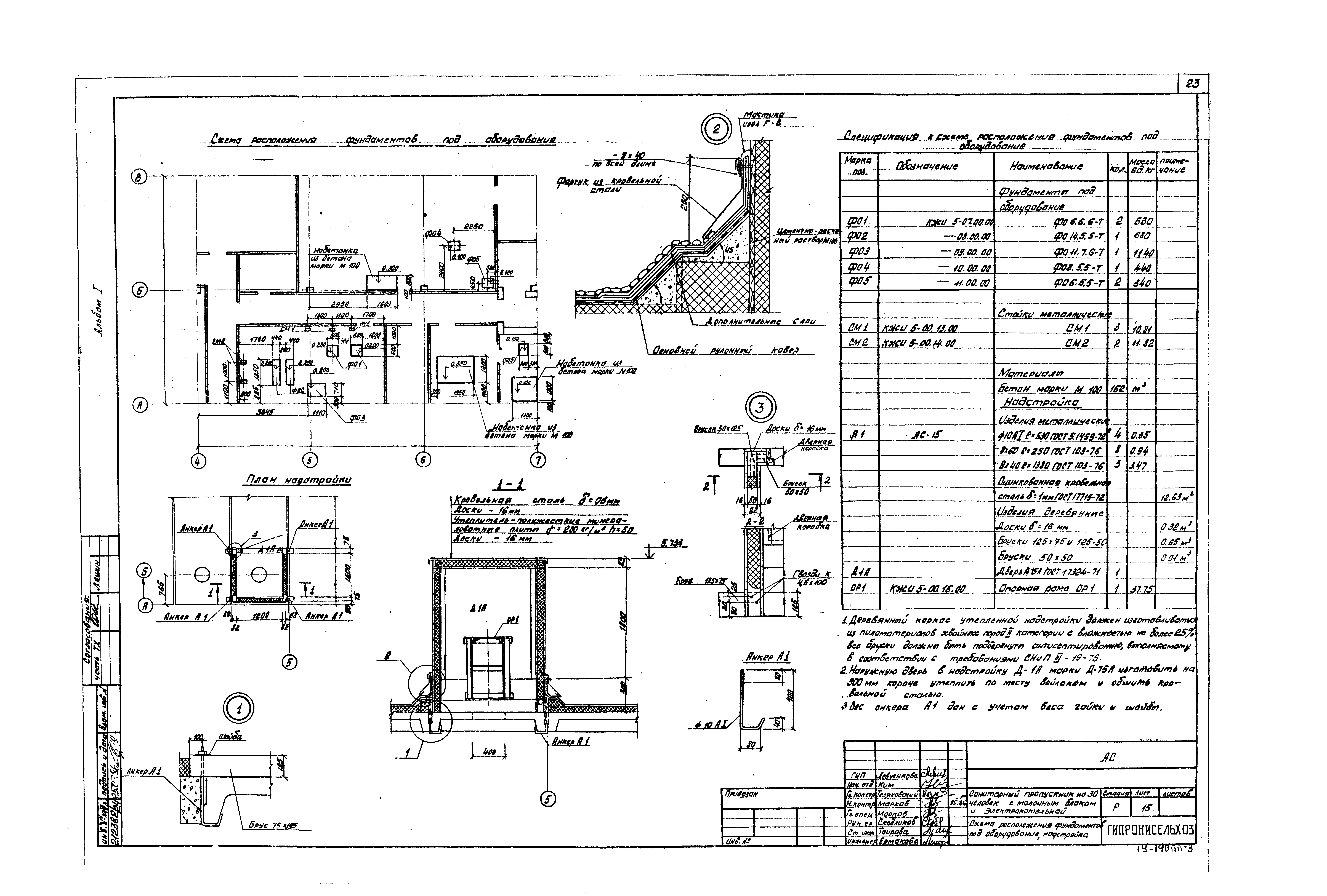
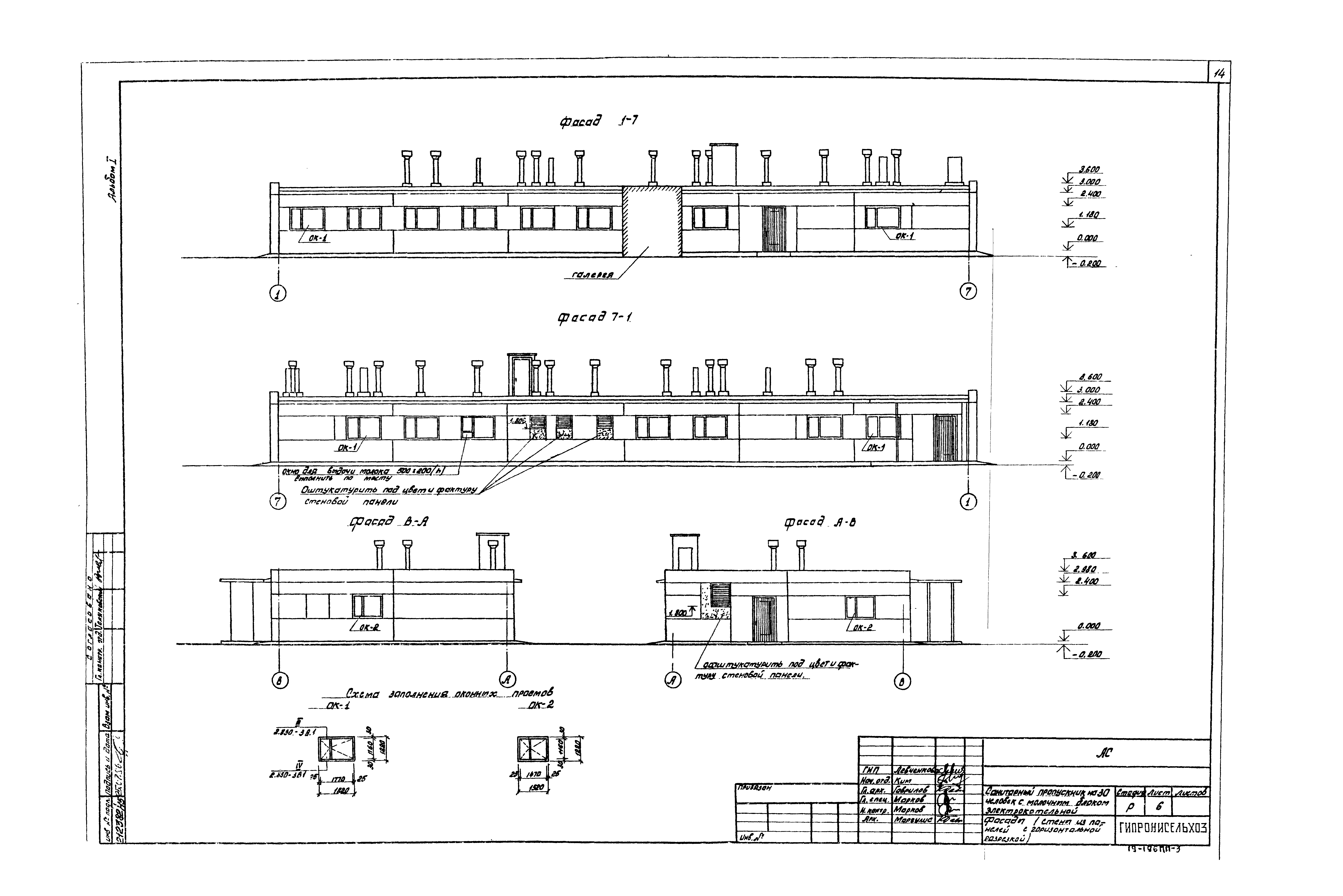
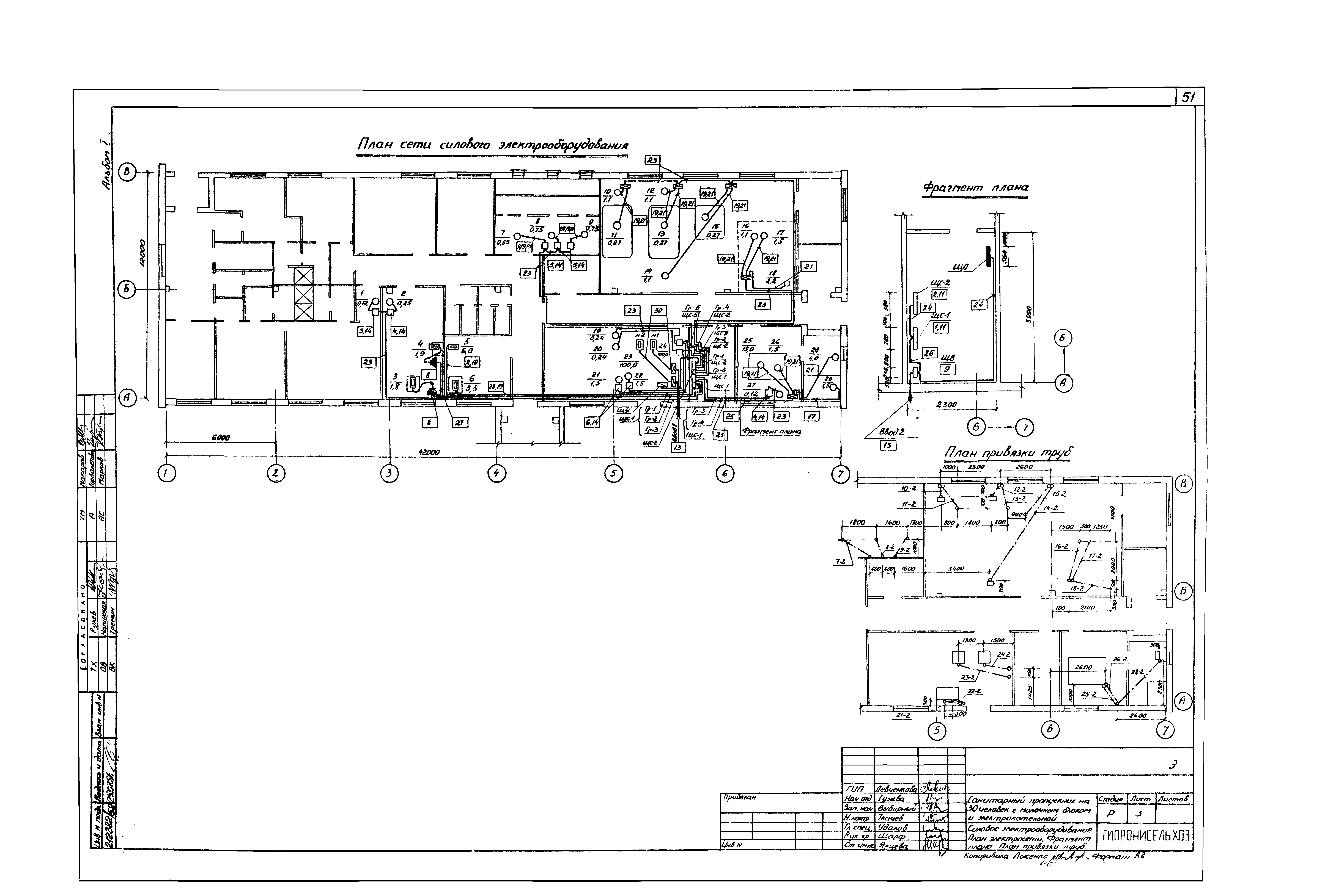
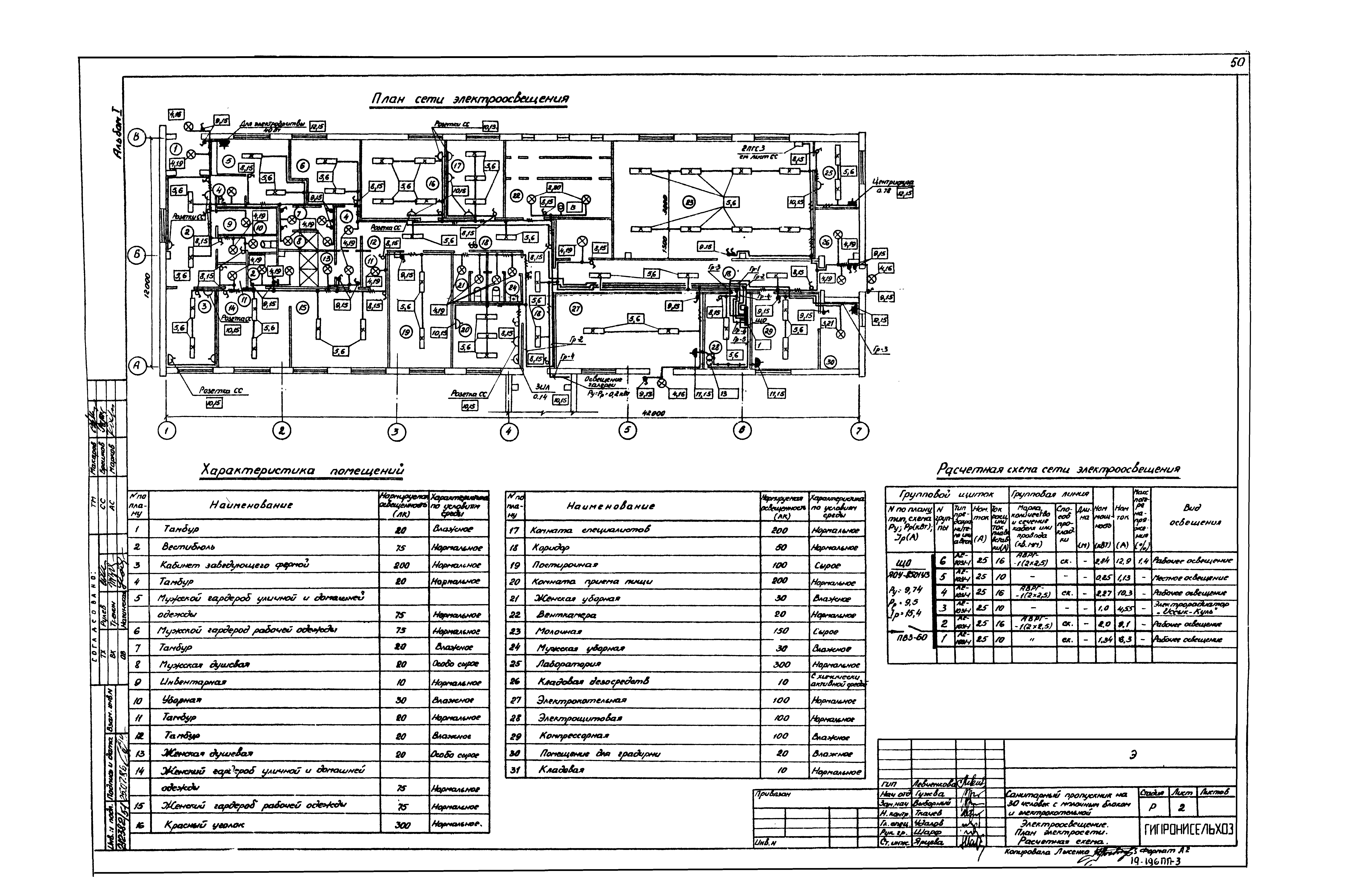
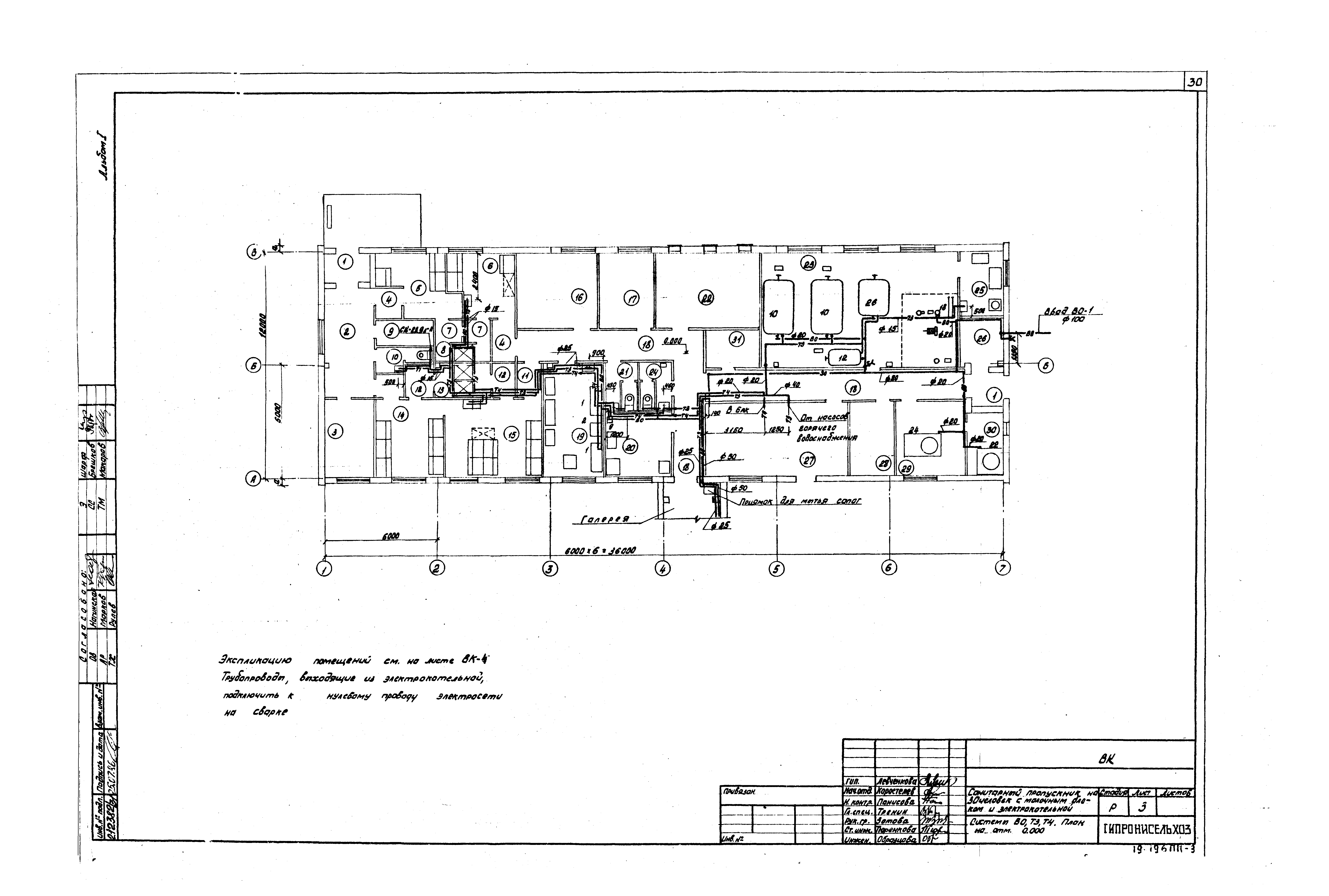
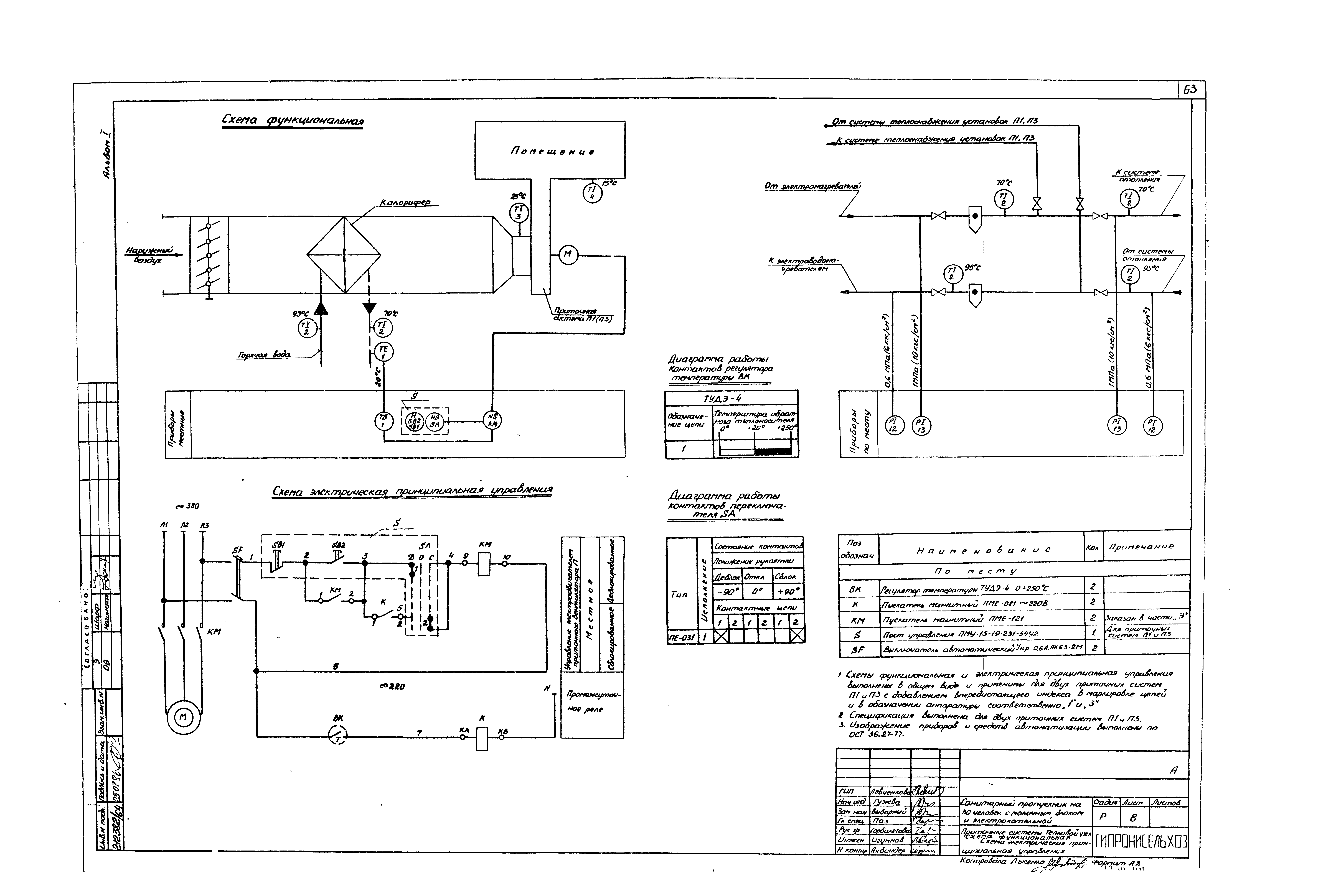
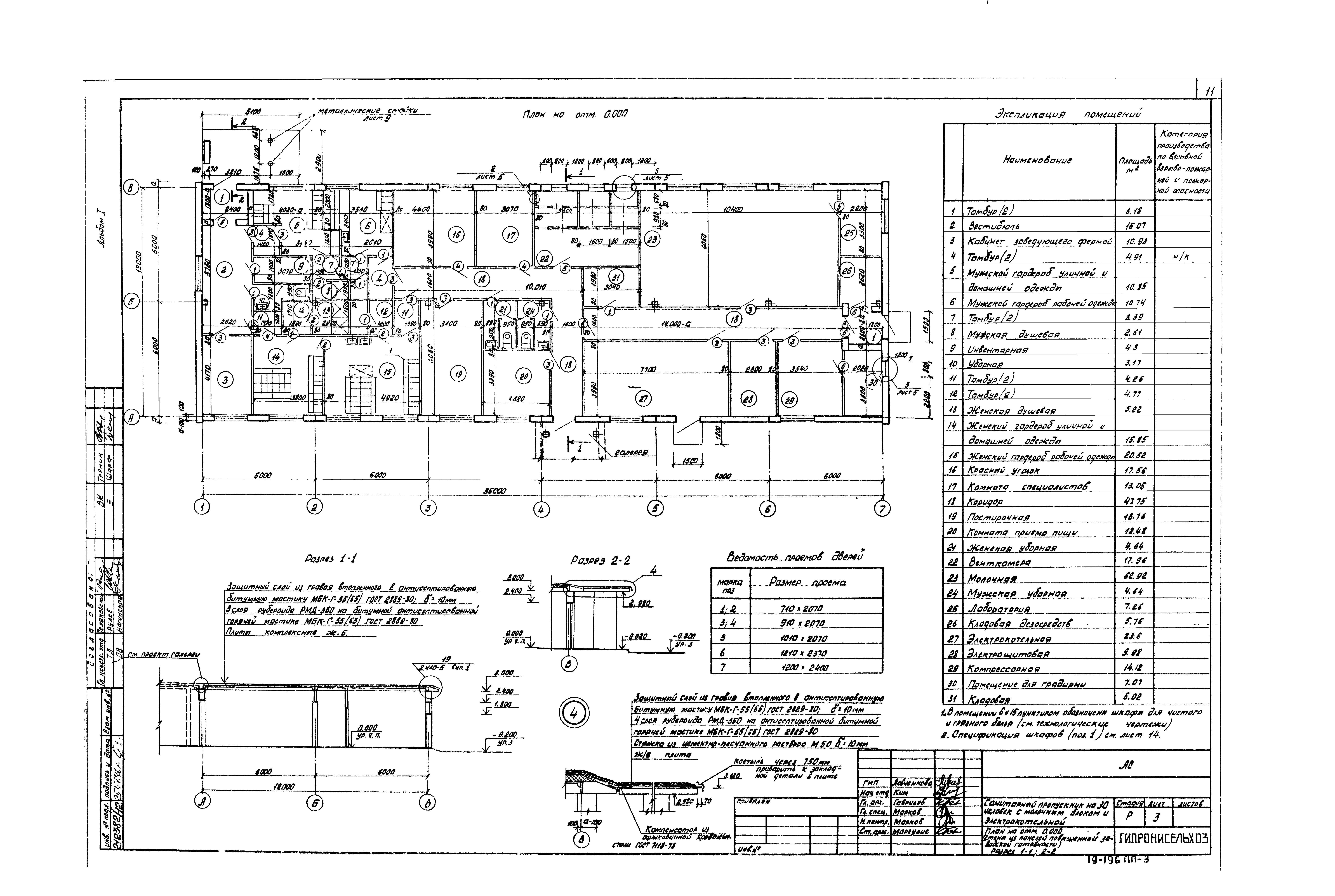
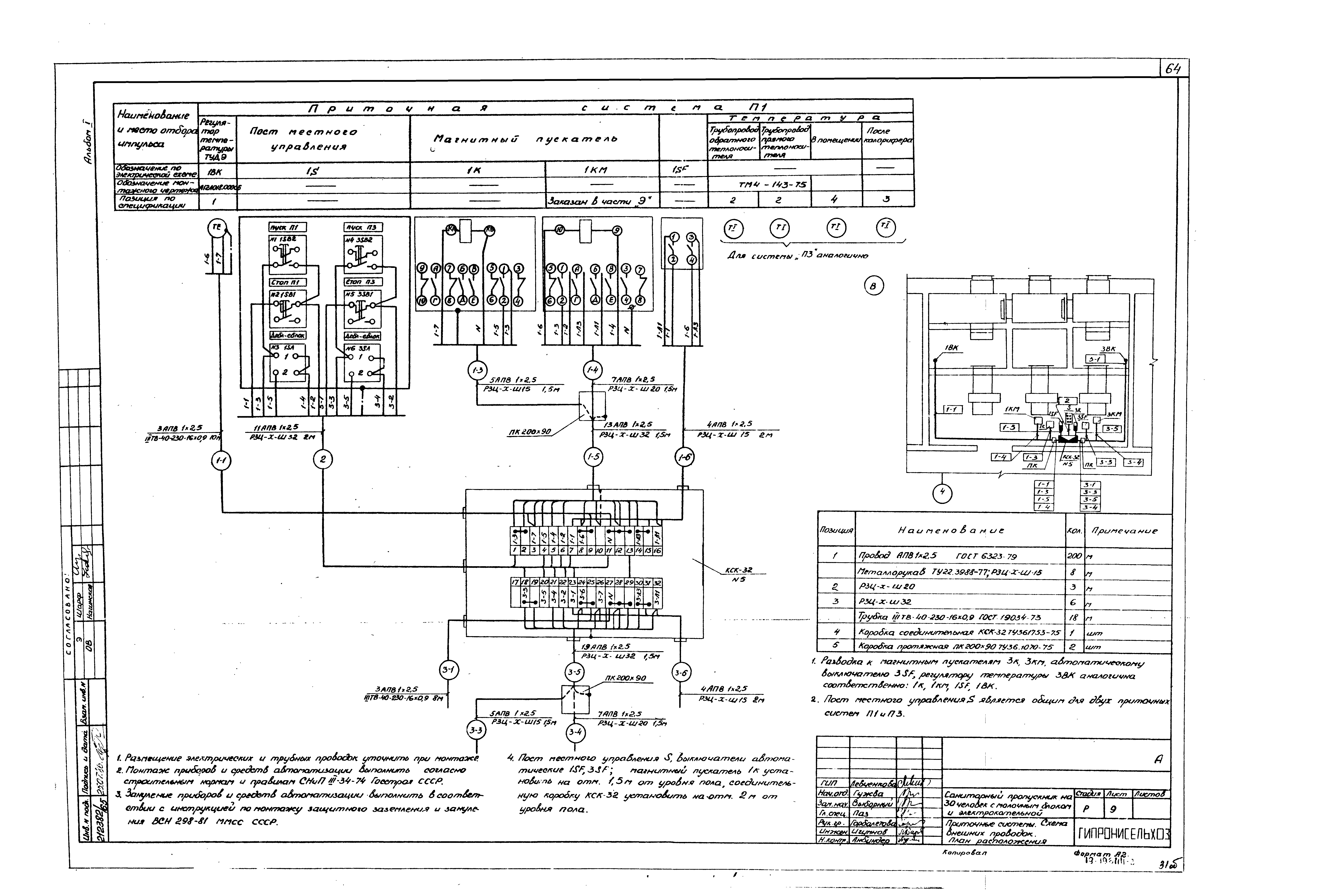
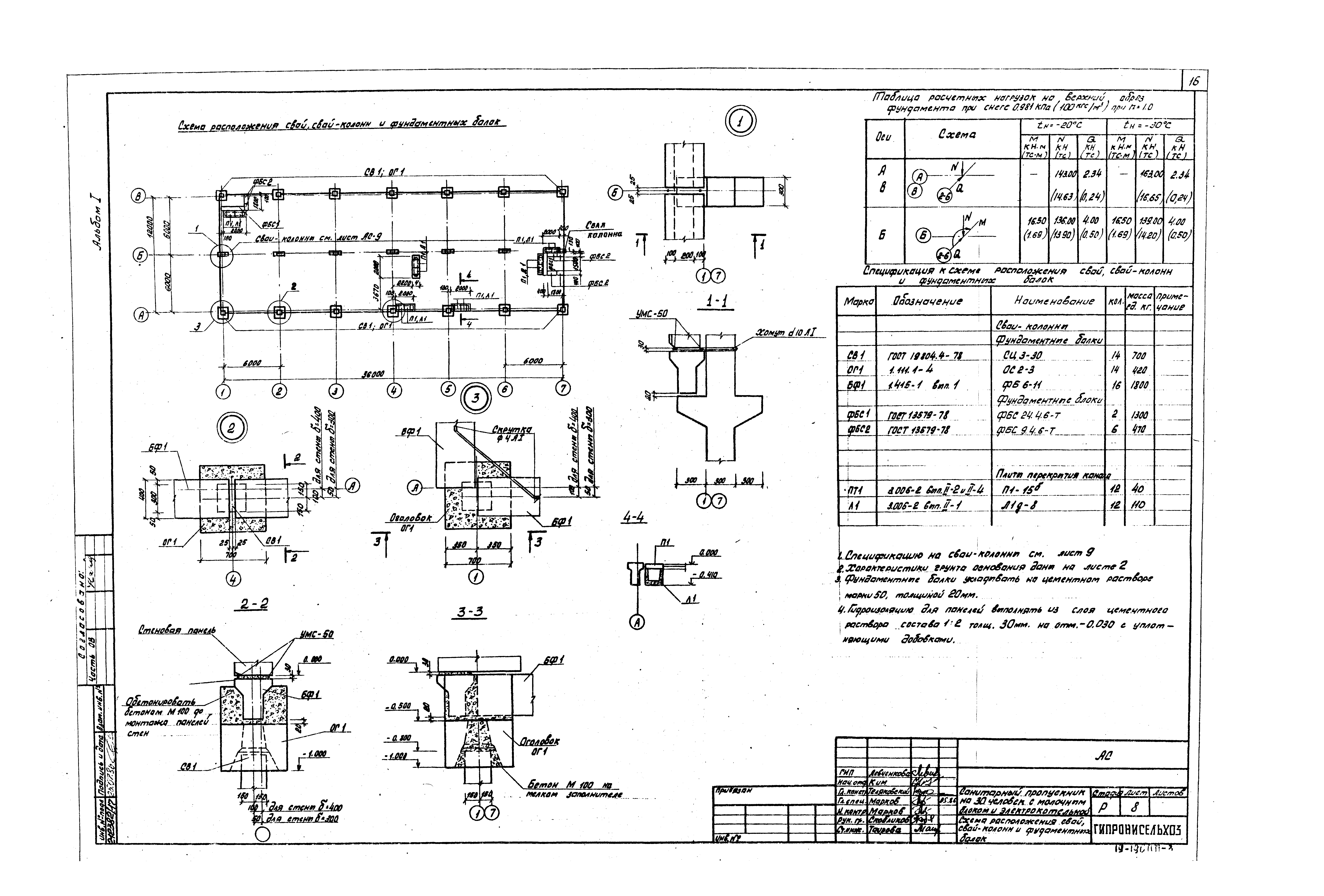
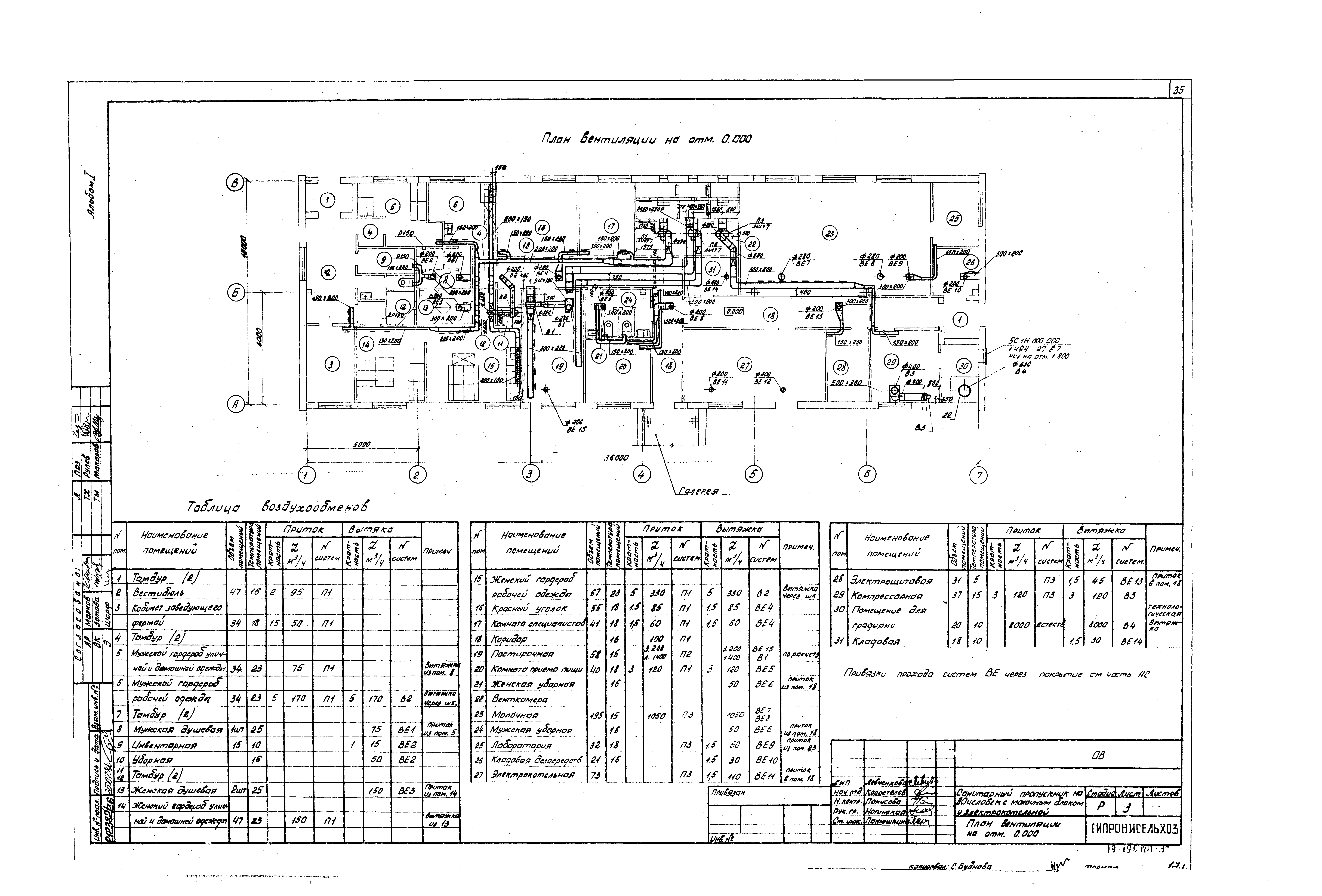
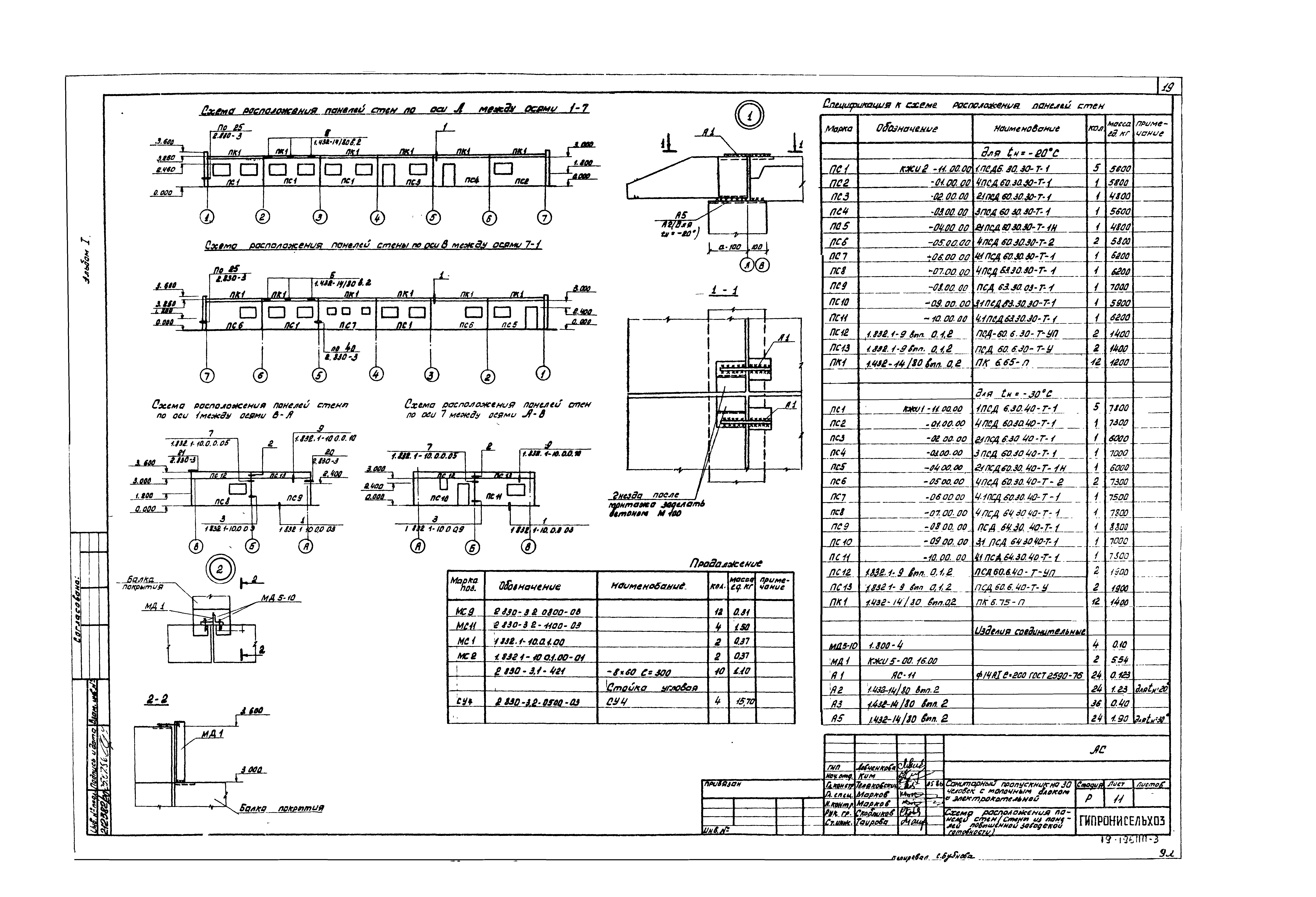
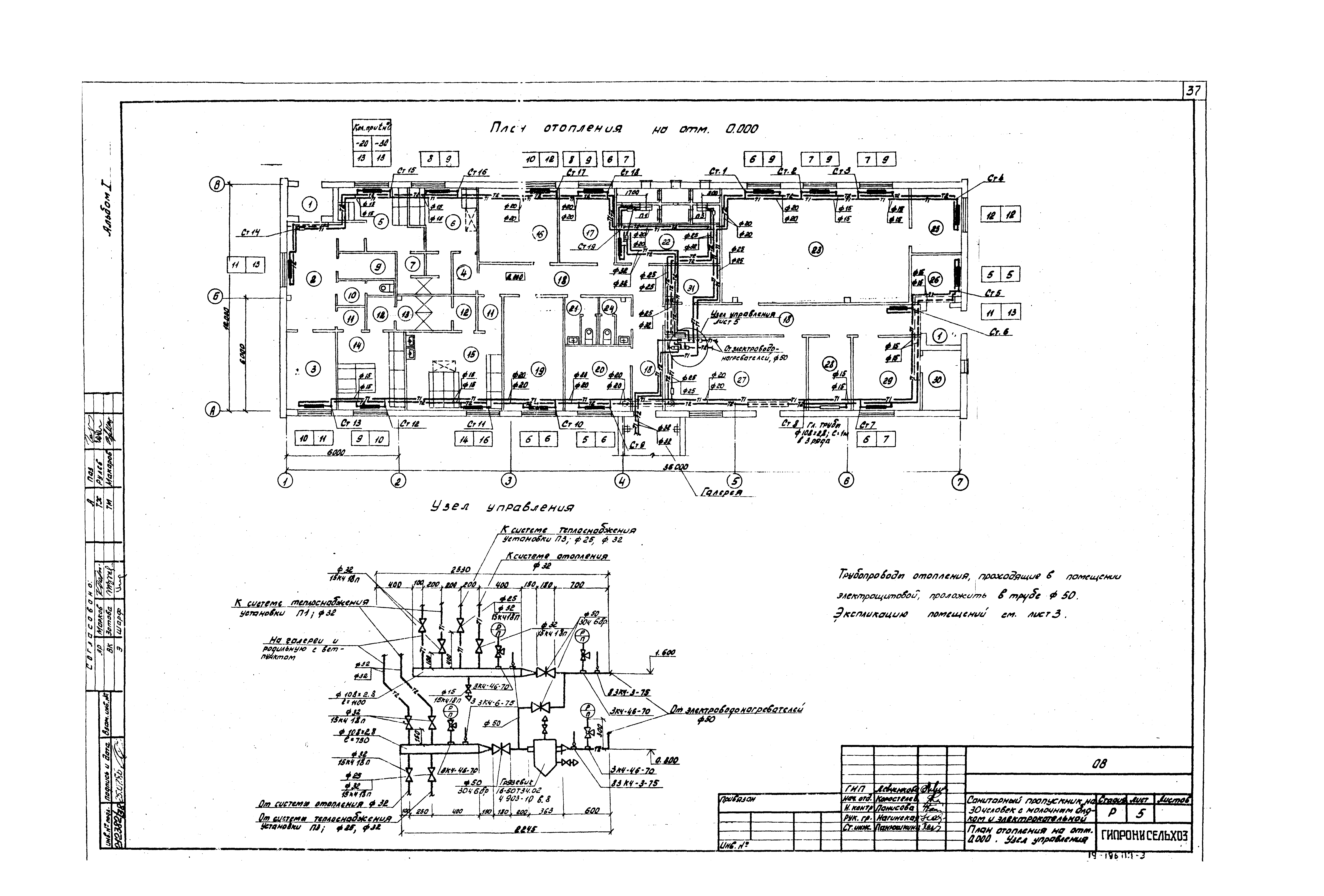
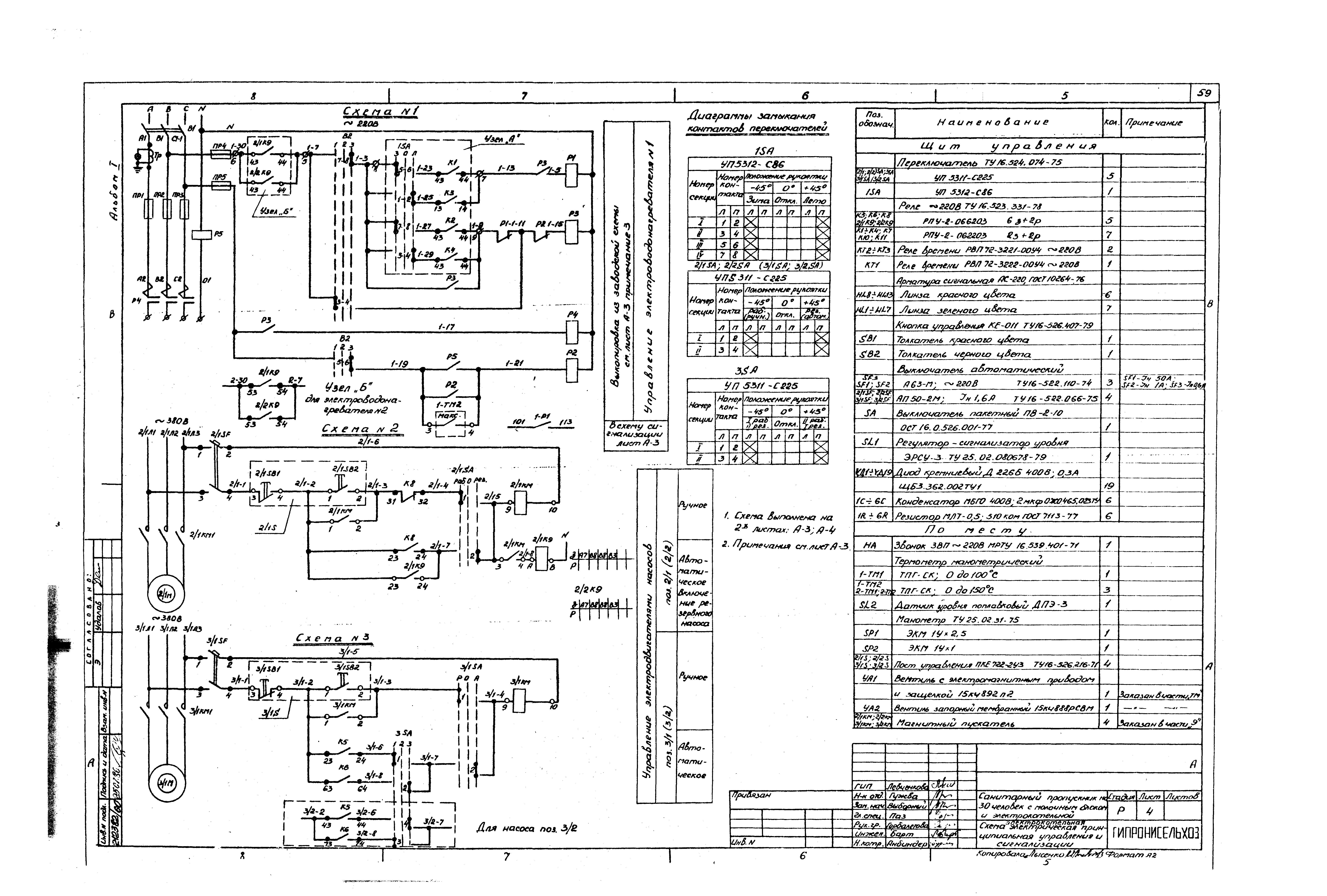
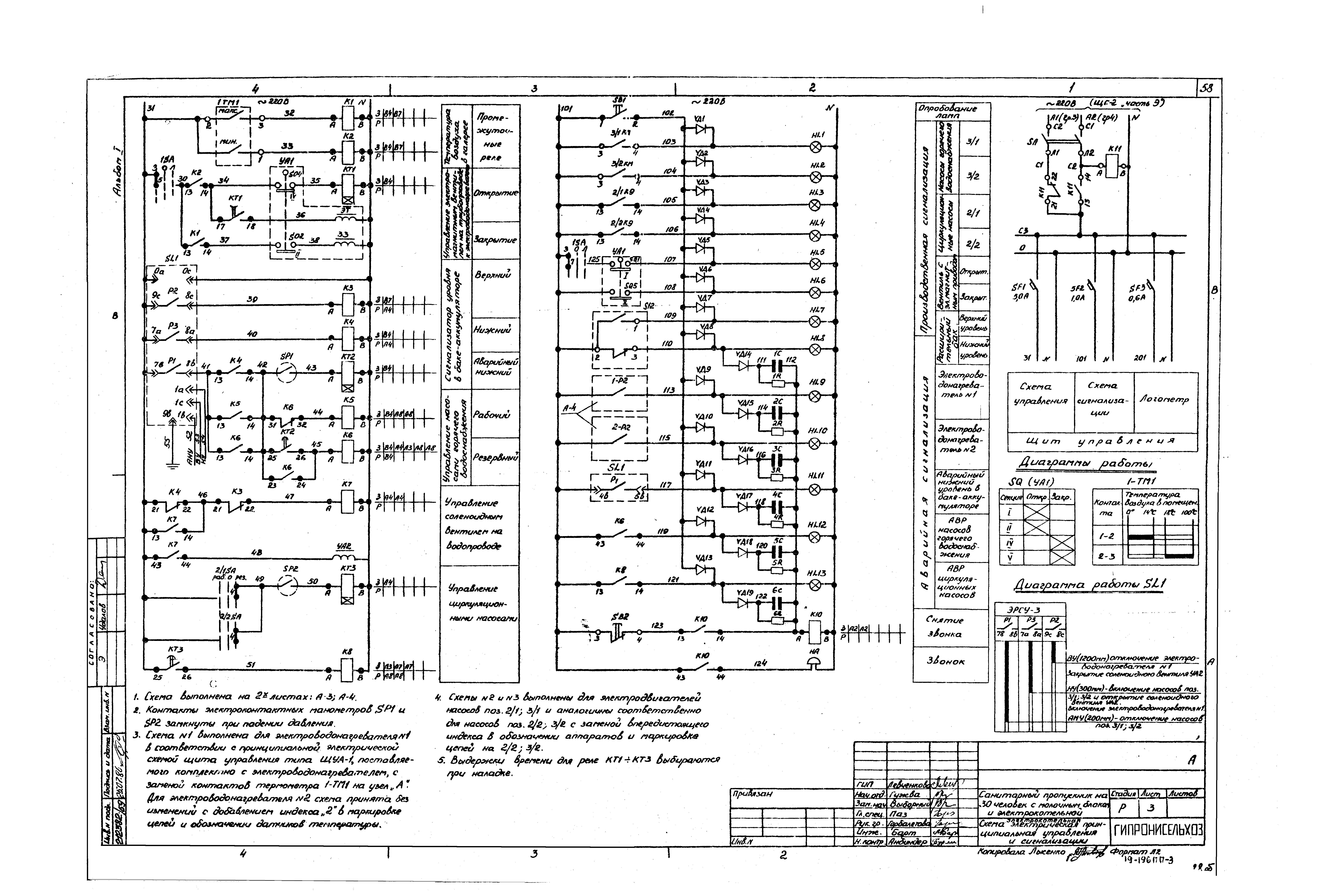
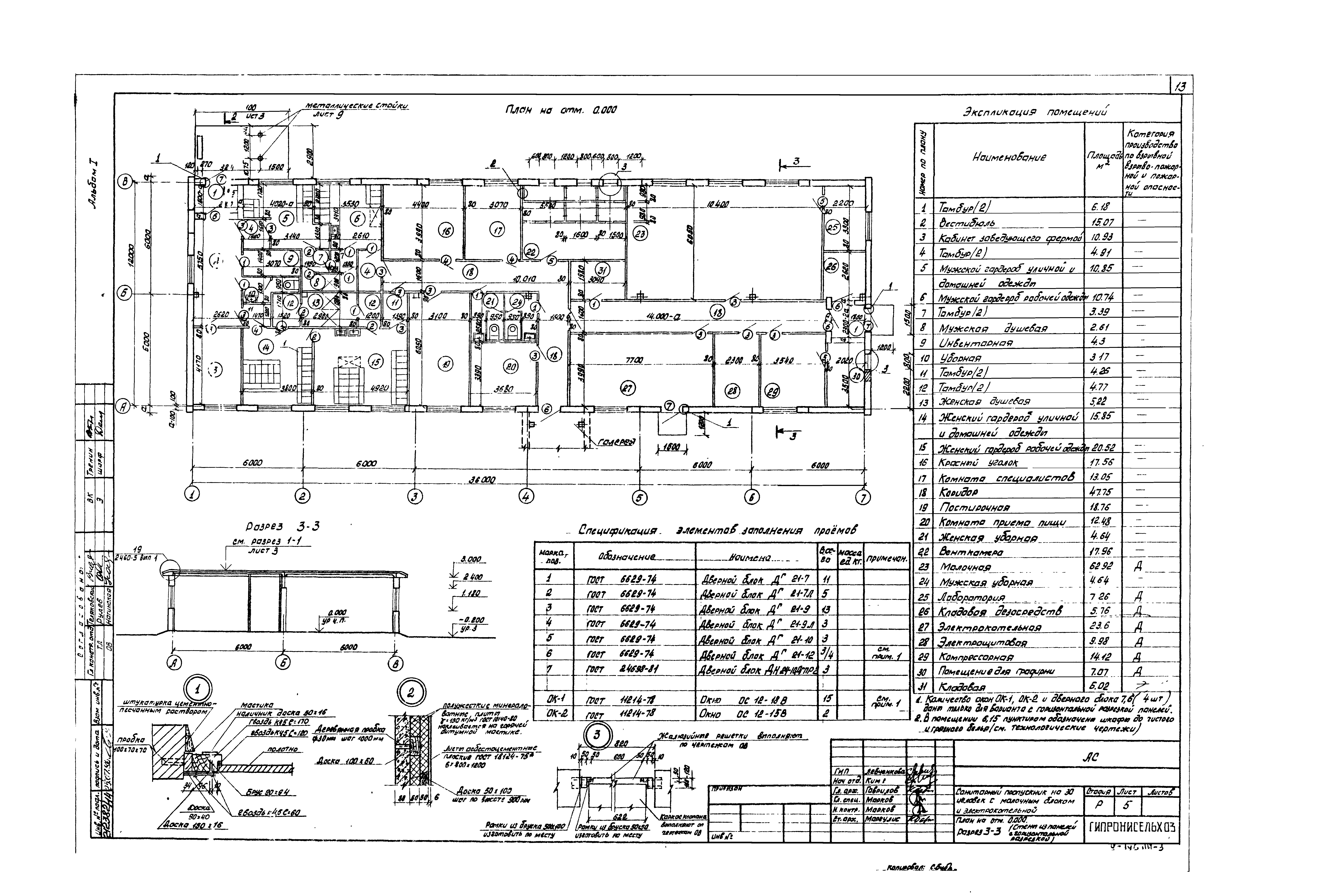
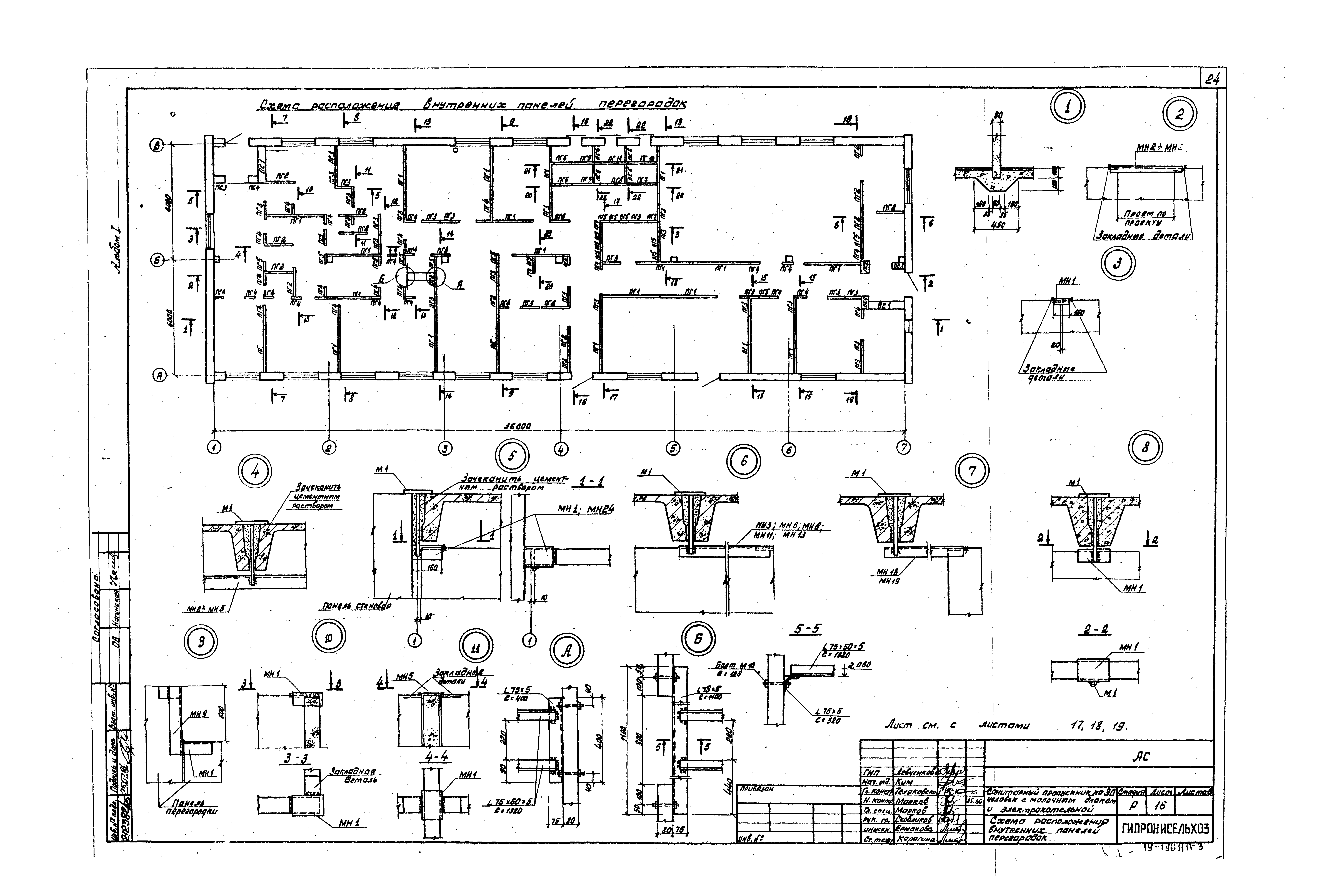
Скачать Типовой проект 807-11-27.12.87 Альбом I. Пояснительная записка. Технология производства. Архитектурно-строительные решения. Внутренние водопровод и канализация. Отопление и вентиляция. Тепломеханические чертежи. Электротехнические чертежи. Автоматизация электрокотельной и систем вентиляции. Связь и сигнализация

Дата актуализации: 01.01.2021

Типовой проект 807-11-27.12.87

Альбом I. Пояснительная записка. Технология производства. Архитектурно-строительные решения. Внутренние водопровод и канализация. Отопление и вентиляция. Тепломеханические чертежи. Электротехнические чертежи. Автоматизация электрокотельной и систем вентиляции. Связь и сигнализация

Обозначение: Типовой проект 807-11-27.12.87
Обозначение англ: 807-11-27.12.87
Статус:не определен законодательством
Название рус.:Альбом I. Пояснительная записка. Технология производства. Архитектурно-строительные решения. Внутренние водопровод и канализация. Отопление и вентиляция. Тепломеханические чертежи. Электротехнические чертежи. Автоматизация электрокотельной и систем вентиляции. Связь и сигнализация
Дата добавления в базу:01.09.2013
Дата актуализации:01.01.2021
Дата введения:26.06.1984
Дата окончания срока действия:30.06.2003
Разработан: ГипроНИсельхоз (Институт Гипронисельхоз )
Утверждён:14.11.1983 Минсельхоз СССР (USSR Minselkhoz 102)
Типовой проект 807-11-27.12.87Типовой проект 807-11-27.12.87Типовой проект 807-11-27.12.87Типовой проект 807-11-27.12.87Типовой проект 807-11-27.12.87Типовой проект 807-11-27.12.87Типовой проект 807-11-27.12.87Типовой проект 807-11-27.12.87Типовой проект 807-11-27.12.87Типовой проект 807-11-27.12.87Типовой проект 807-11-27.12.87Типовой проект 807-11-27.12.87Типовой проект 807-11-27.12.87Типовой проект 807-11-27.12.87Типовой проект 807-11-27.12.87Типовой проект 807-11-27.12.87Типовой проект 807-11-27.12.87Типовой проект 807-11-27.12.87Типовой проект 807-11-27.12.87Типовой проект 807-11-27.12.87Типовой проект 807-11-27.12.87Типовой проект 807-11-27.12.87Типовой проект 807-11-27.12.87Типовой проект 807-11-27.12.87Типовой проект 807-11-27.12.87Типовой проект 807-11-27.12.87Типовой проект 807-11-27.12.87Типовой проект 807-11-27.12.87Типовой проект 807-11-27.12.87Типовой проект 807-11-27.12.87Типовой проект 807-11-27.12.87Типовой проект 807-11-27.12.87Типовой проект 807-11-27.12.87Типовой проект 807-11-27.12.87Типовой проект 807-11-27.12.87Типовой проект 807-11-27.12.87Типовой проект 807-11-27.12.87Типовой проект 807-11-27.12.87Типовой проект 807-11-27.12.87Типовой проект 807-11-27.12.87Типовой проект 807-11-27.12.87Типовой проект 807-11-27.12.87Типовой проект 807-11-27.12.87Типовой проект 807-11-27.12.87Типовой проект 807-11-27.12.87Типовой проект 807-11-27.12.87Типовой проект 807-11-27.12.87Типовой проект 807-11-27.12.87Типовой проект 807-11-27.12.87Типовой проект 807-11-27.12.87Типовой проект 807-11-27.12.87Типовой проект 807-11-27.12.87Типовой проект 807-11-27.12.87Типовой проект 807-11-27.12.87Типовой проект 807-11-27.12.87Типовой проект 807-11-27.12.87Типовой проект 807-11-27.12.87Типовой проект 807-11-27.12.87Типовой проект 807-11-27.12.87Типовой проект 807-11-27.12.87Типовой проект 807-11-27.12.87Типовой проект 807-11-27.12.87Типовой проект 807-11-27.12.87Типовой проект 807-11-27.12.87Типовой проект 807-11-27.12.87Типовой проект 807-11-27.12.87Типовой проект 807-11-27.12.87