Скачать ОСТ 1 10829-72 Болты с шестигранной головкой, с полем допуска диаметра стержня f9, из титанового сплава. Конструкция и размерыДата актуализации: 01.01.2021 ОСТ 1 10829-72
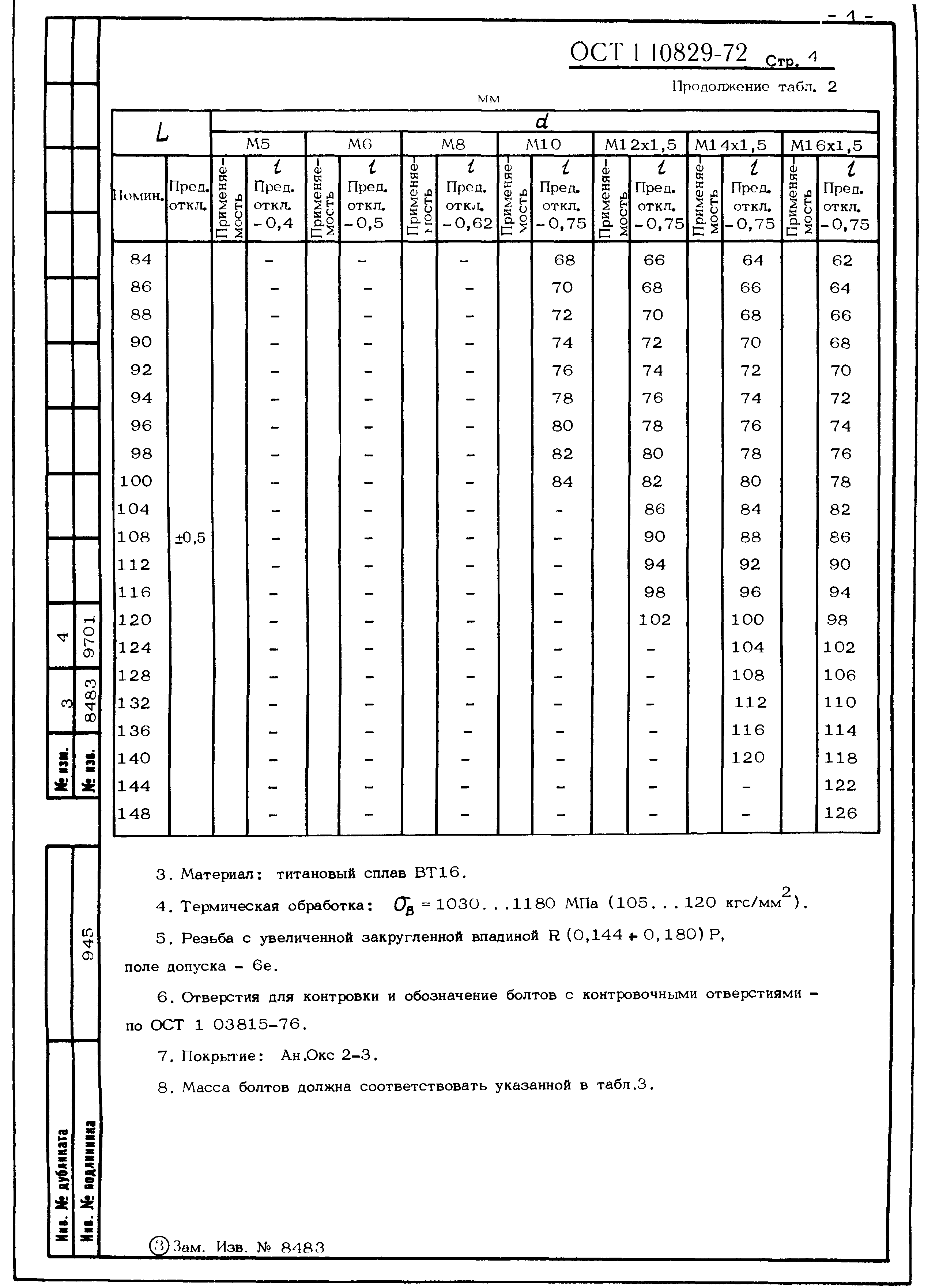
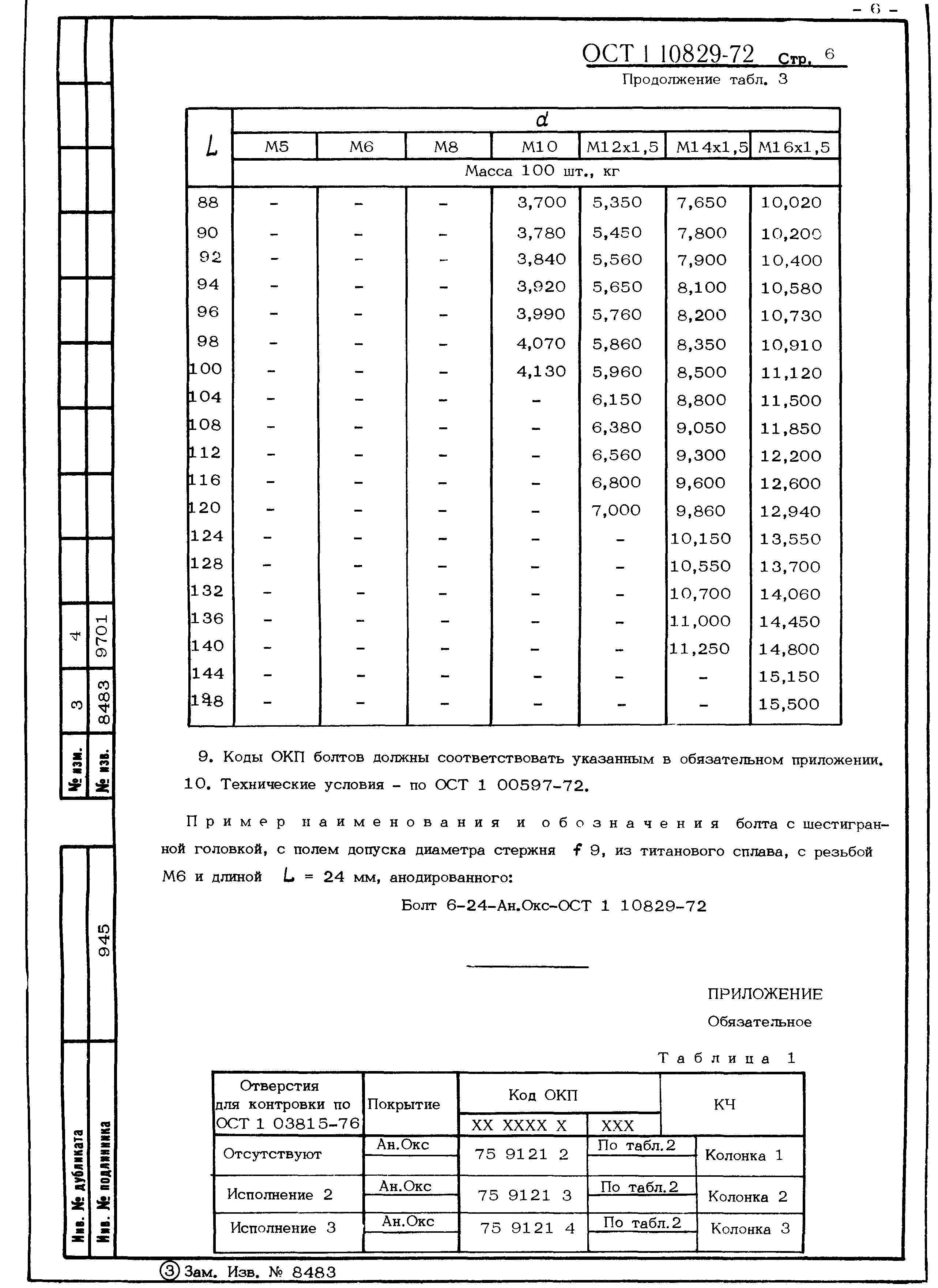
Болты с шестигранной головкой, с полем допуска диаметра стержня f9, из титанового сплава. Конструкция и размеры| Обозначение: | ОСТ 1 10829-72 | | Обозначение англ: | 10829-72 | | Статус: | действует | | Название рус.: | Болты с шестигранной головкой, с полем допуска диаметра стержня f9, из титанового сплава. Конструкция и размеры | | Дата добавления в базу: | 01.09.2013 | | Дата актуализации: | 01.01.2021 | | Дата введения: | 01.07.1973 | | Область применения: | Стандарт распространяется на болты с шестигранной головкой, с полем допуска диаметра стержня f9, из титанового сплава, предназначенные для эксплуатации в соединениях, работающих на срез, при температуре: до 130 градусов Цельсия без ограничения ресурса; до 200 градусов Цельсия, ресурс не более 1000 часов; до 300 градусов Цельсия, ресурс не более 200 часов. | | Оглавление: | Приложение | | Утверждён: | 28.12.1972 Министерство (Ministry 087-16)
| | Заменяет собой: | |
          
|