Скачать ОСТ 1 10101-71 Гайки. Конструкция и размерыДата актуализации: 01.01.2021
|
| Обозначение: | ОСТ 1 10101-71 |
| Обозначение англ: | 10101-71 |
| Статус: | действует |
| Название рус.: | Гайки. Конструкция и размеры |
| Дата добавления в базу: | 01.09.2013 |
| Дата актуализации: | 01.01.2021 |
| Дата введения: | 01.03.1972 |
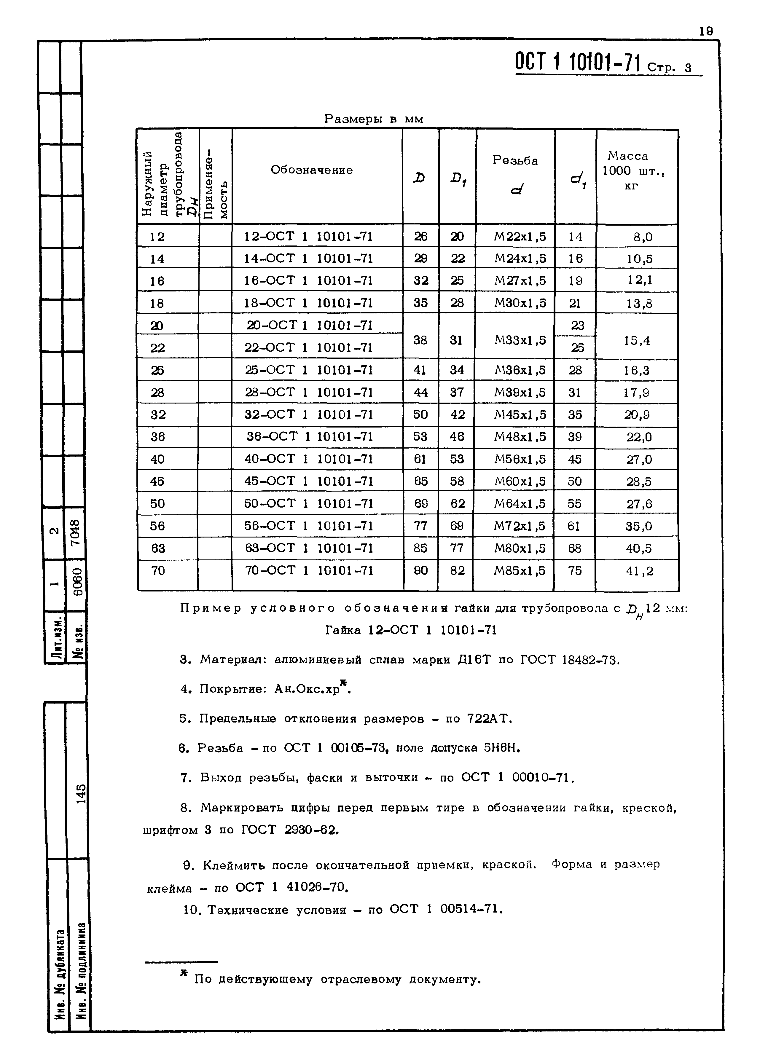
| Область применения: | Стандарт распространяется на гайки для подвижных соединений трубопроводов по ОСТ 1.10097-71 и для подвижных соединений трубопроводов с агрегатами по ОСТ 1.10098-71. |
| Утверждён: | 25.11.1971 Министерство (Ministry 087-16) |
| Заменяет собой: |
|
| Нормативные ссылки: |




