Скачать Серия 5.903-15 Выпуск 9-3. Часть 2. Блок деаэрационно-подпиточный БДАП-25-8. Рабочие чертежиДата актуализации: 01.01.2021 Серия 5.903-15
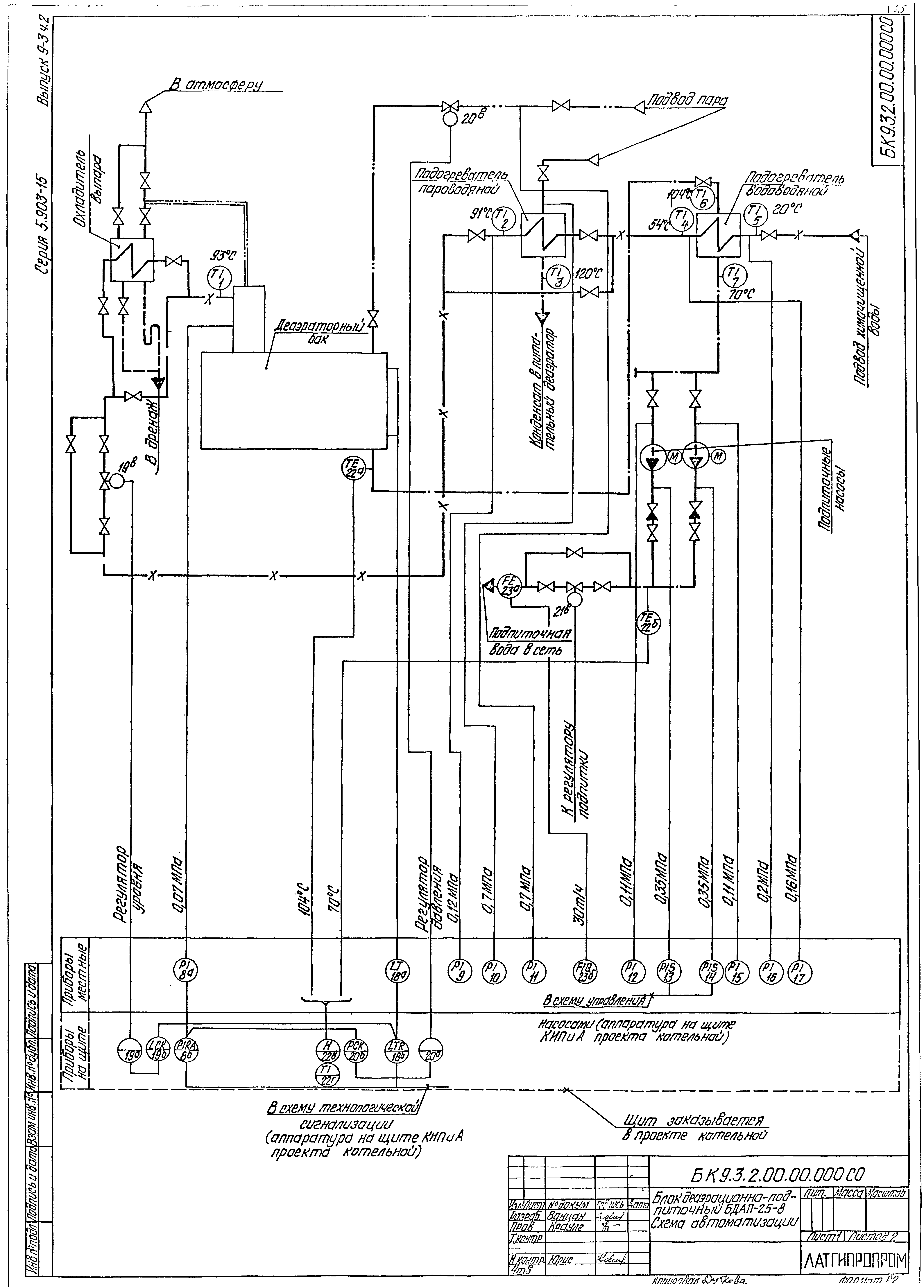
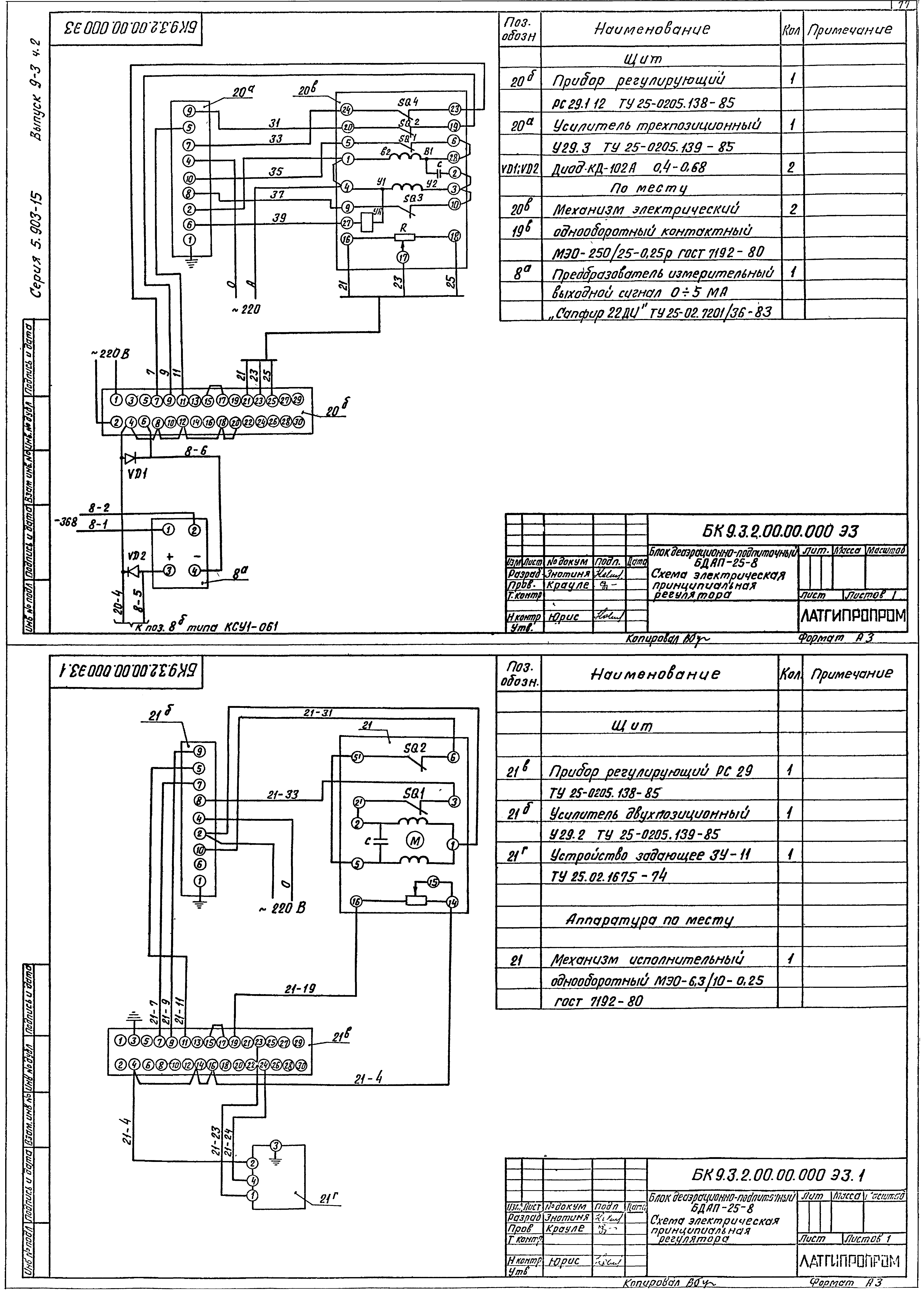
Выпуск 9-3. Часть 2. Блок деаэрационно-подпиточный БДАП-25-8. Рабочие чертежи| Обозначение: | Серия 5.903-15 | | Обозначение англ: | Series 5.903-15 | | Статус: | не определен законодательством | | Название рус.: | Выпуск 9-3. Часть 2. Блок деаэрационно-подпиточный БДАП-25-8. Рабочие чертежи | | Дата добавления в базу: | 01.09.2013 | | Дата актуализации: | 01.01.2021 | | Дата введения: | 14.02.1990 | | Дата окончания срока действия: | 30.06.2003 | | Разработан: | Латгипропром
| | Утверждён: | 14.02.1990 ММСС СССР
|
                   
|