Скачать Типовой проект 901-6-5/75 Альбом III. Электротехническая частьДата актуализации: 01.01.2021
|
| Обозначение: | Типовой проект 901-6-5/75 |
| Обозначение англ: | 901-6-5/75 |
| Статус: | не действует |
| Название рус.: | Альбом III. Электротехническая часть |
| Дата добавления в базу: | 01.09.2013 |
| Дата актуализации: | 01.01.2021 |
| Дата введения: | 25.06.1975 |
| Дата окончания срока действия: | 01.01.1997 |
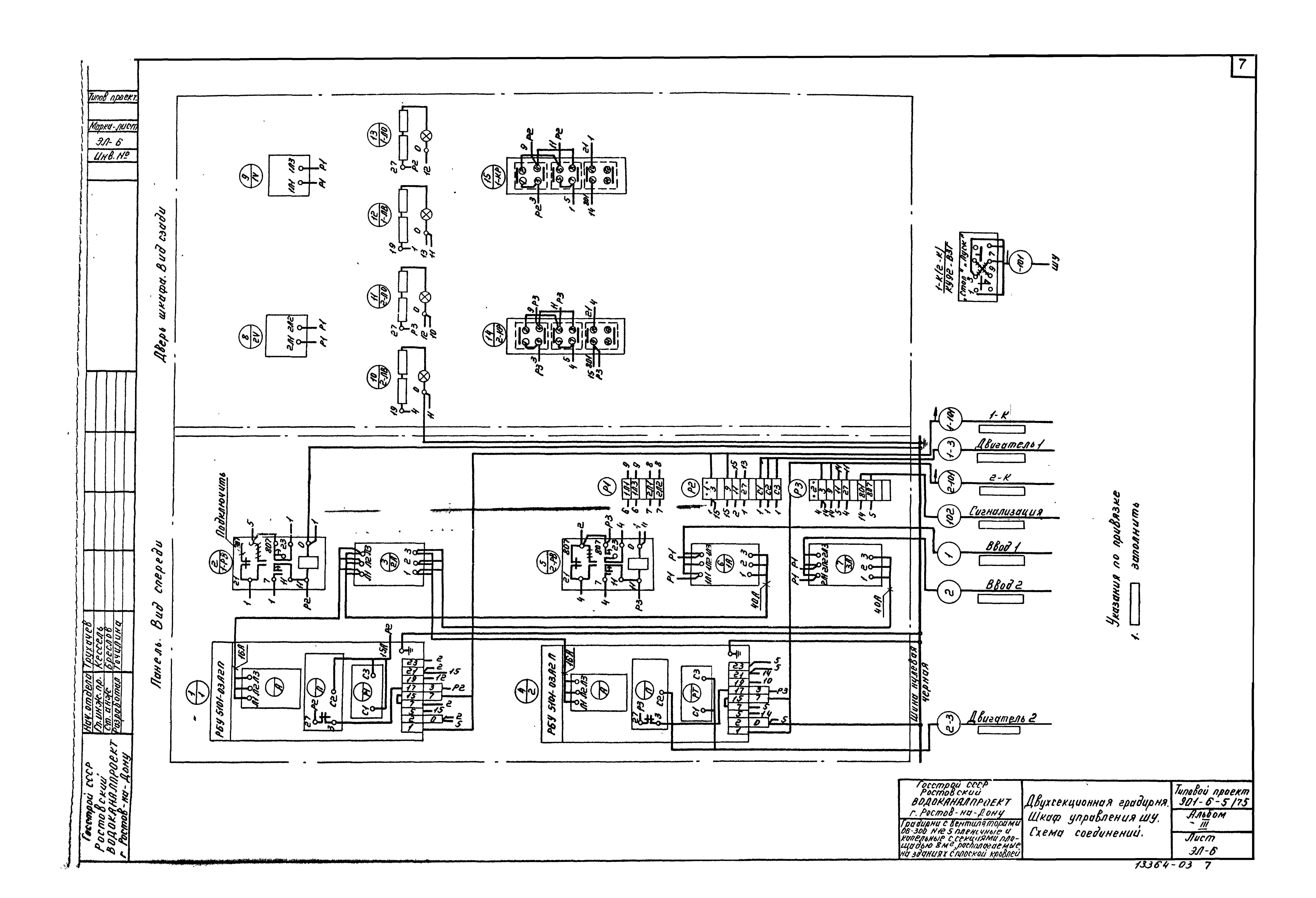
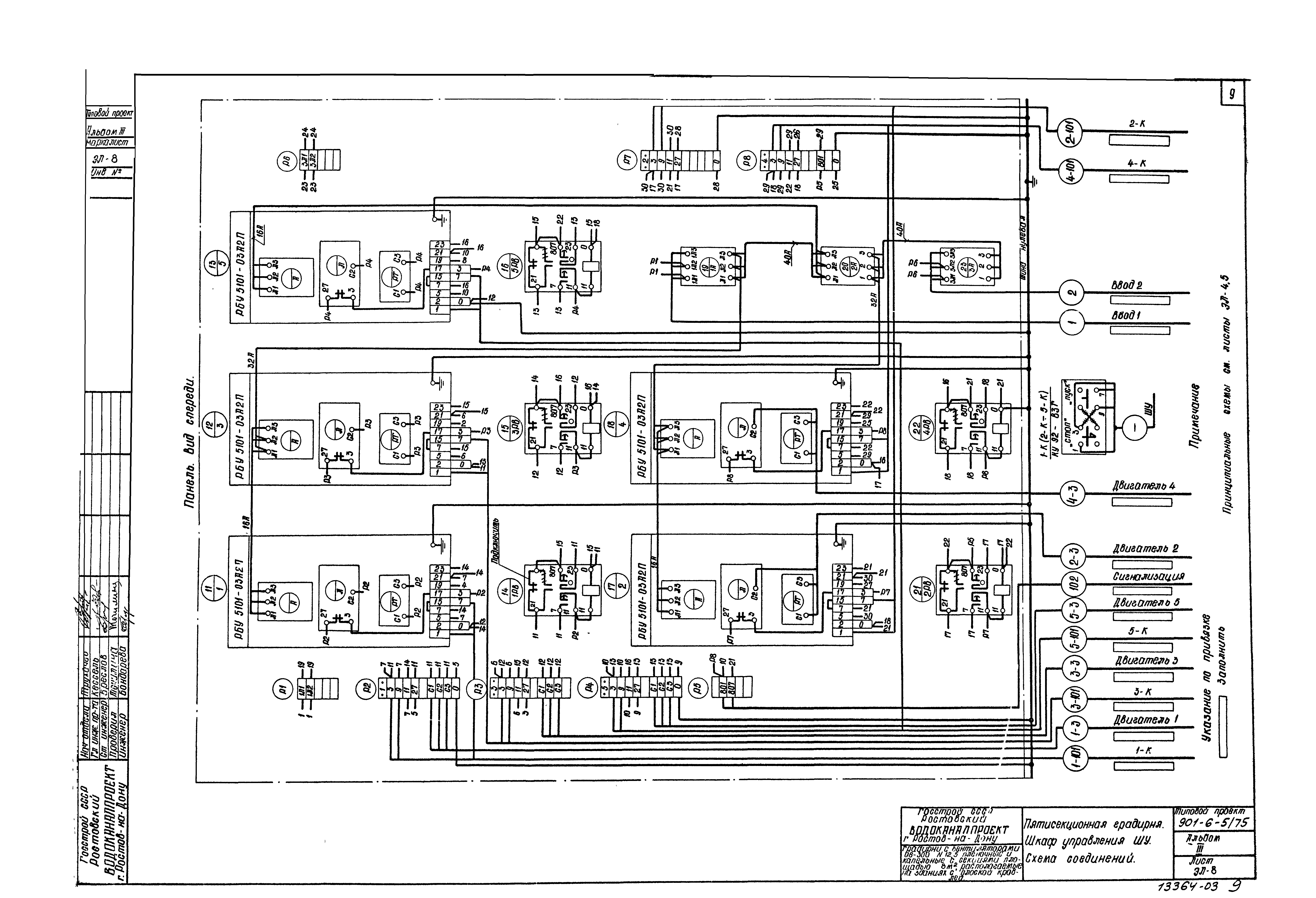
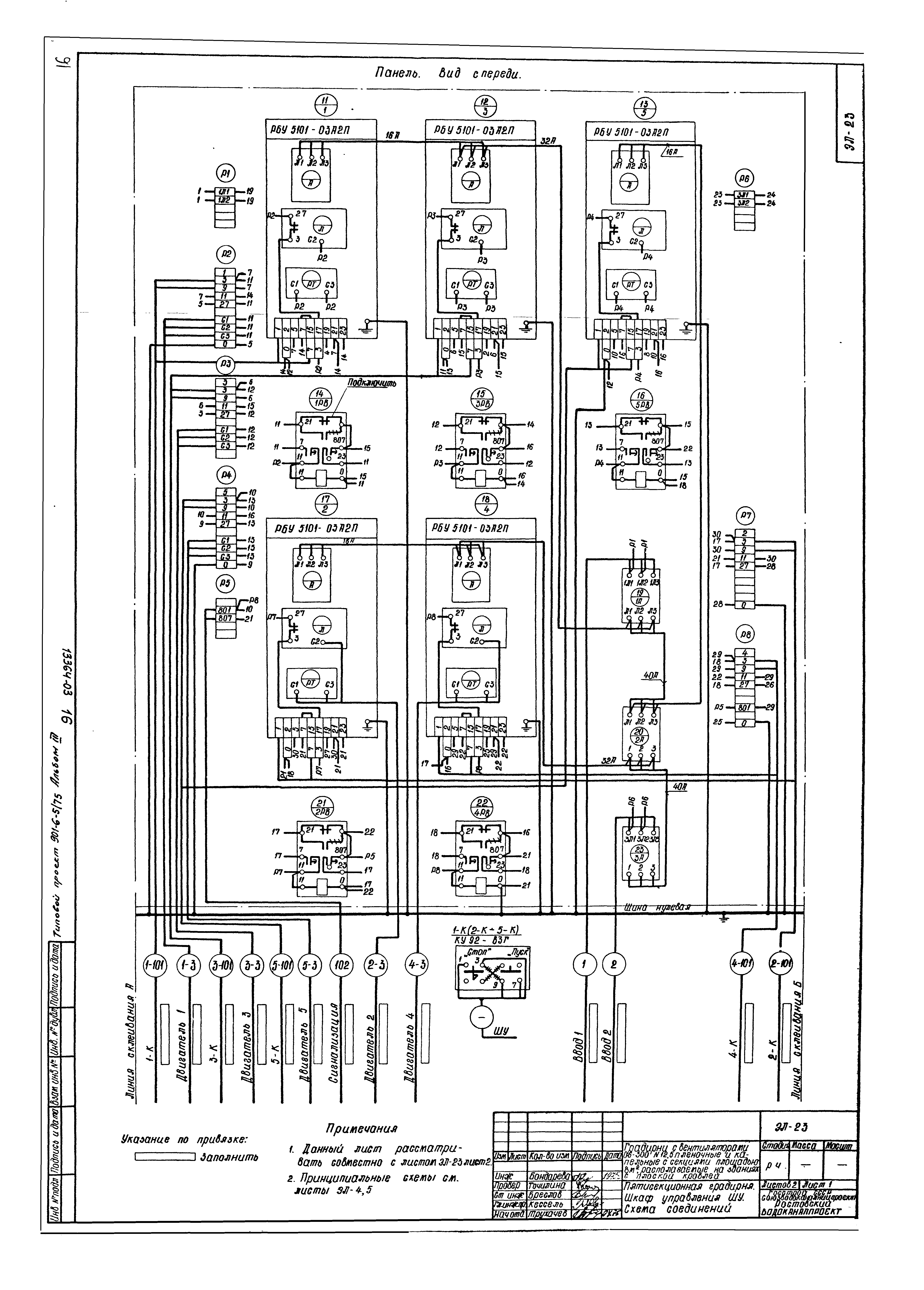
| Оглавление: | ТП 901-6-5/75 ЭЛ-1 Содержание альбома ТП 901-6-5/75 ЭЛ-2 Пояснительная записка. Лист 1 ТП 901-6-5/75 ЭЛ-3 Пояснительная записка. Лист 2. Принципиальная схема сети 380/220 В для двухсекционной градирни ТП 901-6-5/75 ЭЛ-4 Принципиальные схемы силовой сети 380/220В для трехсекционной и пятисекционной градирен ТП 901-6-5/75 ЭЛ-5 Принципиальная схема управления вентилятором ТП 901-6-5/75 ЭЛ-6 Двухсекционная градирня. Шкаф управления ШУ. Схема соединений ТП 901-6-5/75 ЭЛ-7 Трехсекционная градирня. Шкаф управления ШУ. Схема соединений ТП 901-6-5/75 ЭЛ-8 Пятисекционная градирня. Шкаф управления ШУ. Схема соединений ТП 901-6-5/75 ЭЛ-9 Кабельный журнал ТП 901-6-5/75 ЭЛ-10 Содержание раздела 2 ТП 901-6-5/75 ЭЛ-11 Ведомость комплектных устройств ТП 901-6-5/75 ЭЛ-12 Двухсекционная градирня. Шкаф управления ШУ. Общий вид ТП 901-6-5/75 ЭЛ-13 Двухсекционная градирня. ШУ. Технические данные электрооборудования ТП 901-6-5/75 ЭЛ-14 Двухсекционная градирня. ШУ. Перечень надписей ТП 901-6-5/75 ЭЛ-15 Двухсекционная градирня. Шкаф управления ШУ. Схема соединений ТП 901-6-5/75 ЭЛ-16 Трехсекционная градирня. Шкаф управления ШУ. Общий вид ТП 901-6-5/75 ЭЛ-17 Трехсекционная градирня. Шкаф управления. Технические данные электрооборудования ТП 901-6-5/75 ЭЛ-18 Трехсекционная градирня. ШУ. Перечень надписей ТП 901-6-5/75 ЭЛ-19 Трехсекционная градирня. Шкаф управления ШУ. Схема соединений ТП 901-6-5/75 ЭЛ-20 Пятисекционная градирня. Шкаф управления ШУ. Общий вид ТП 901-6-5/75 ЭЛ-21 Пятисекционная градирня. ШУ. Технические данные электрооборудования ТП 901-6-5/75 ЭЛ-22 Пятисекционная градирня. Шкаф управления. Перечень надписей ТП 901-6-5/75 ЭЛ-23 Пятисекционная градирня. Шкаф управления ШУ. Схема соединений |
| Разработан: | Союзводоканалпроект |
| Утверждён: | 07.05.1975 СоюзводоканалНИИпроект (SoyuzvodokanalNIIproject 97) |
| Заменяет собой: |
|

















