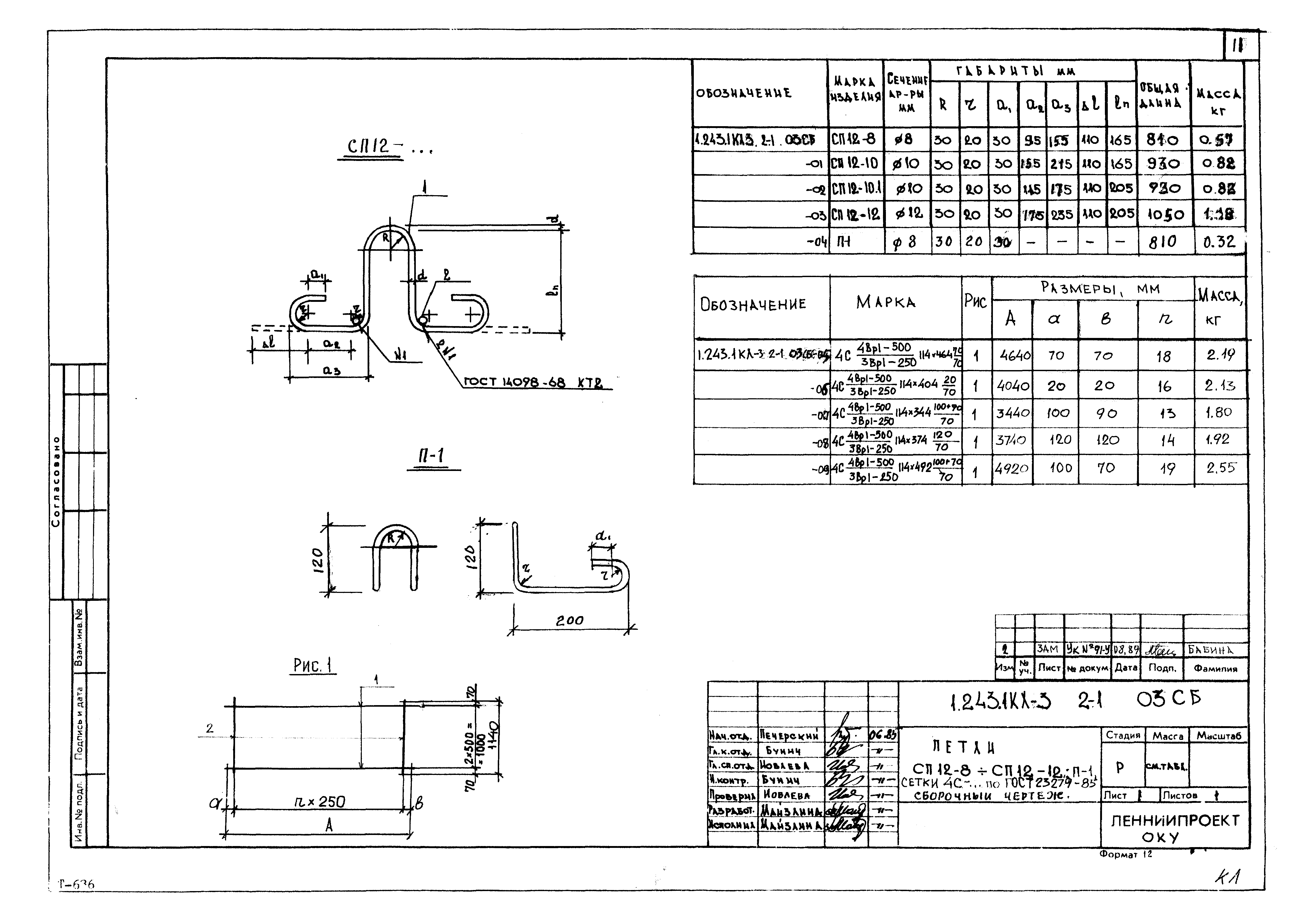
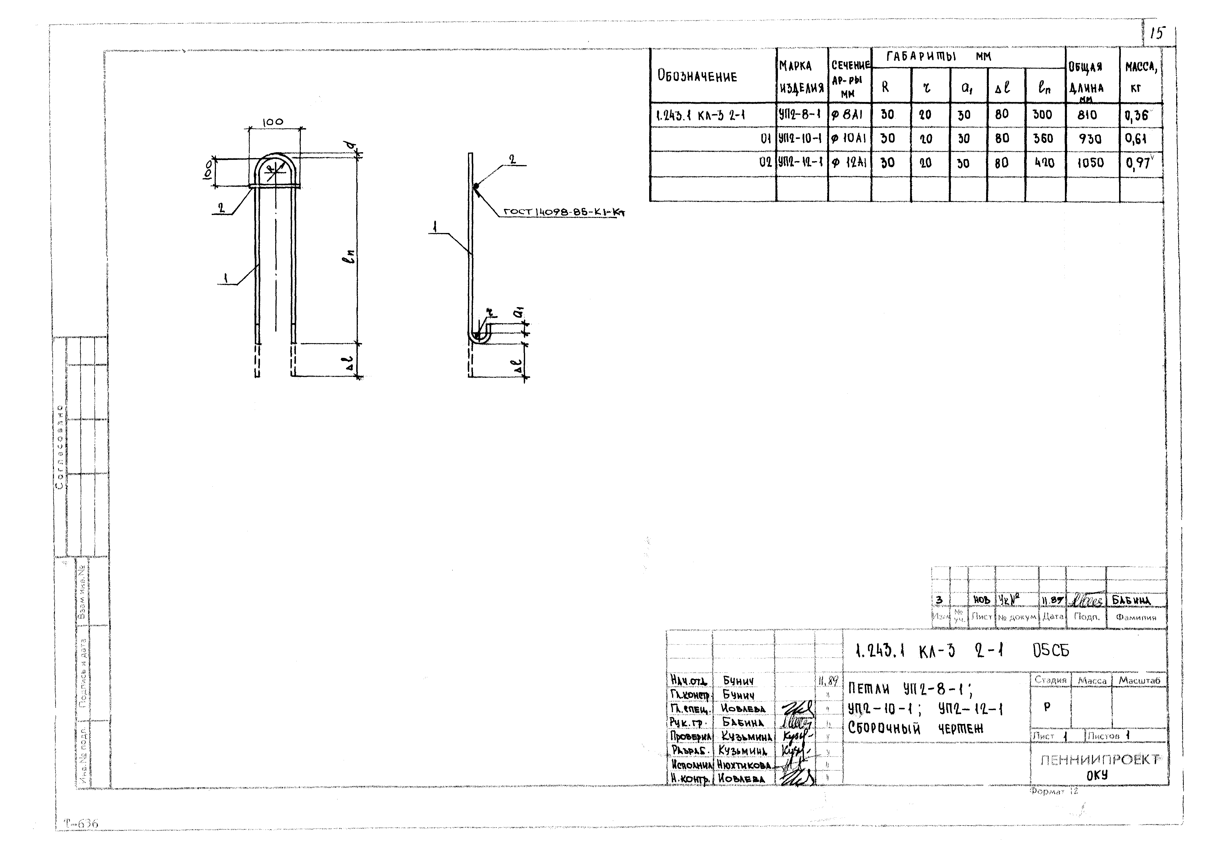
Скачать Серия 1.243.1 КЛ-3 Выпуск 2-1. Арматурные изделияДата актуализации: 01.01.2021
|
| Обозначение: | Серия 1.243.1 КЛ-3 |
| Обозначение англ: | Series 1.243.1 КЛ-3 |
| Статус: | не действует |
| Название рус.: | Выпуск 2-1. Арматурные изделия |
| Дата добавления в базу: | 01.09.2013 |
| Дата актуализации: | 01.01.2021 |
| Разработан: | Ленниипроект |
| Утверждён: | 14.08.1985 Ленниипроект (85-У) |

















