Скачать Типовой проект 503-6-1 Альбом I. Технологическая, архитектурно-строительная, генплан, санитарно-техническая, электротехническая части и слаботочные устройстваДата актуализации: 01.01.2021
|
| Обозначение: | Типовой проект 503-6-1 |
| Обозначение англ: | 503-6-1 |
| Статус: | не определен законодательством |
| Название рус.: | Альбом I. Технологическая, архитектурно-строительная, генплан, санитарно-техническая, электротехническая части и слаботочные устройства |
| Дата добавления в базу: | 01.09.2013 |
| Дата актуализации: | 01.01.2021 |
| Дата введения: | 24.09.1980 |
| Дата окончания срока действия: | 30.06.2003 |
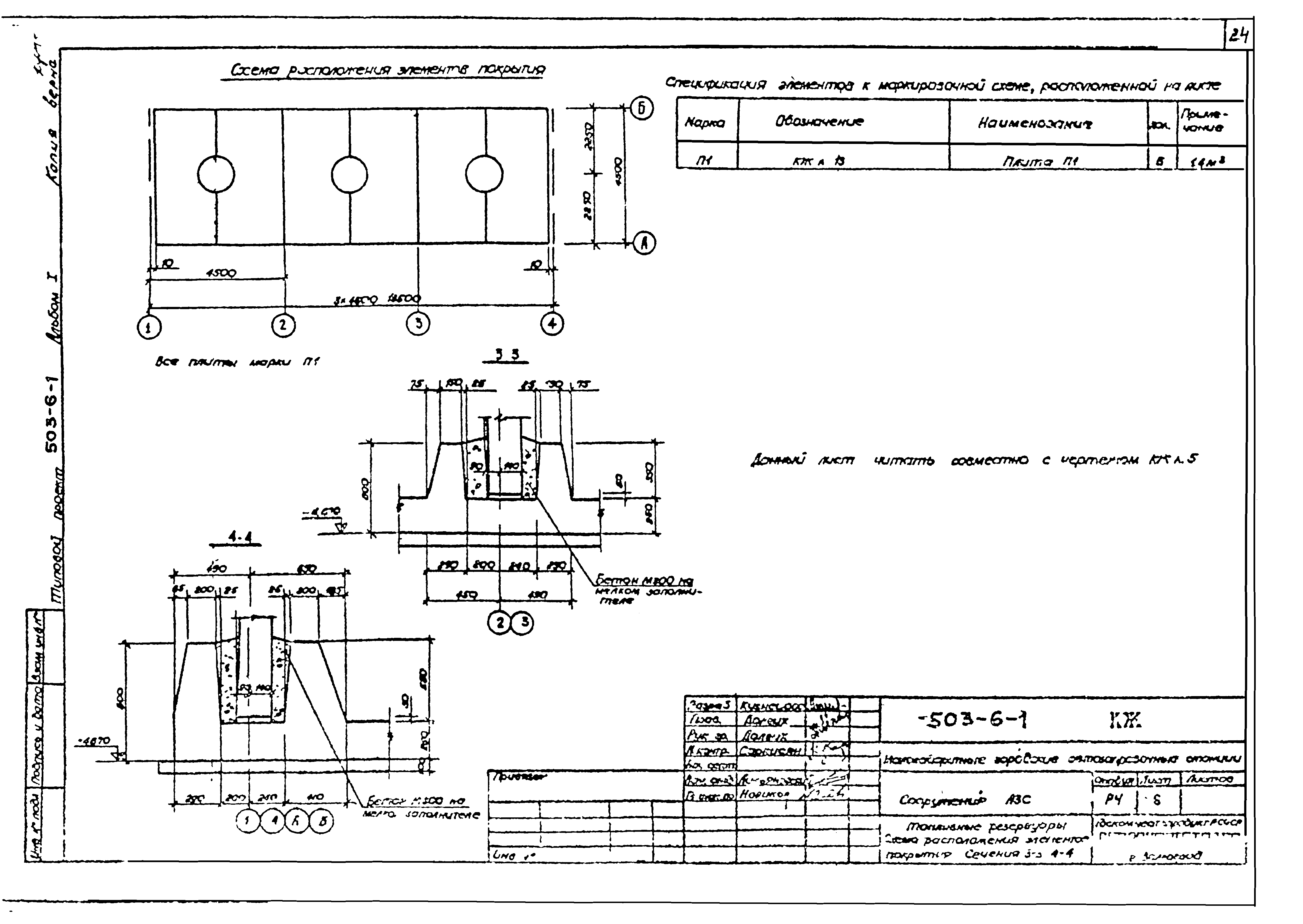
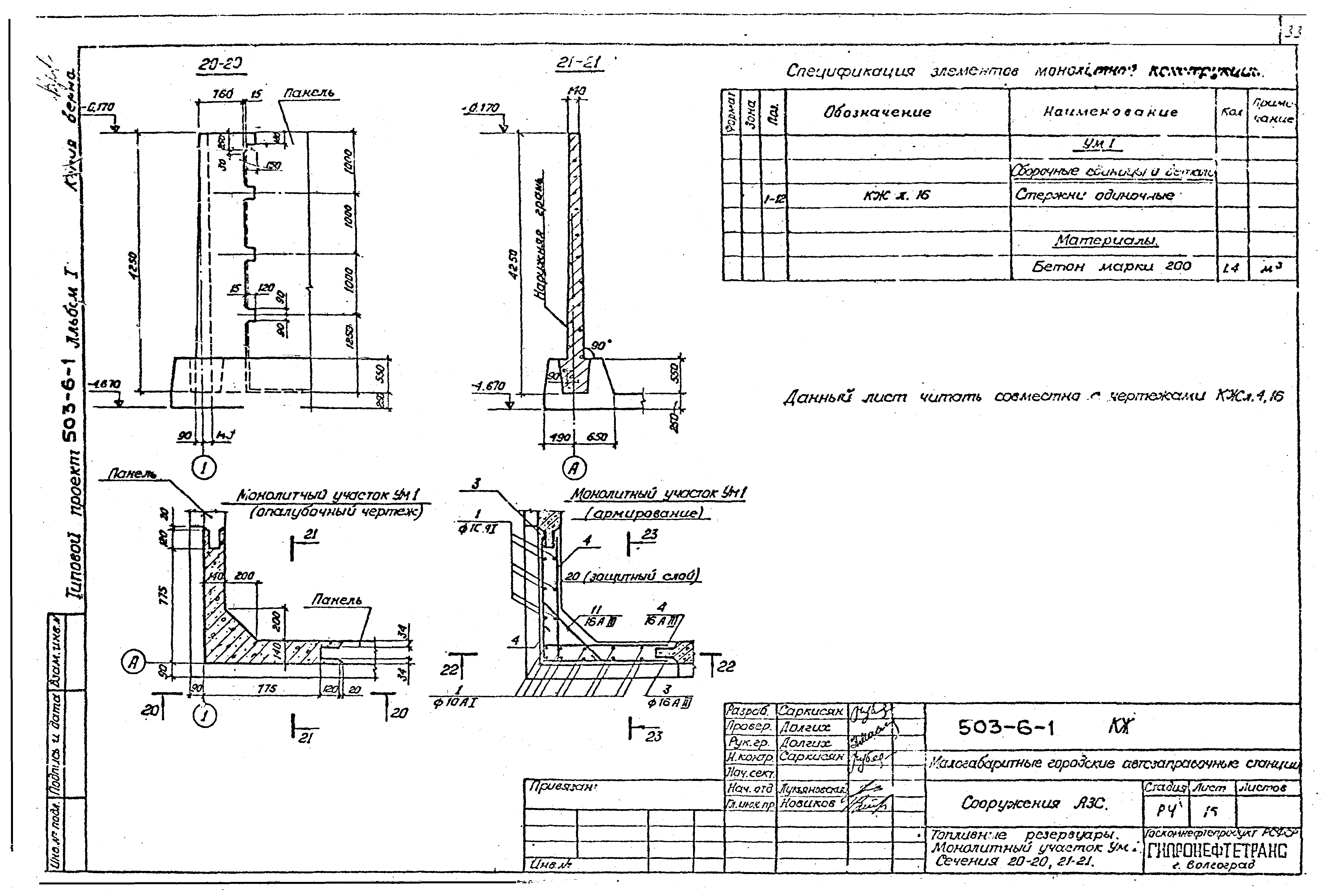
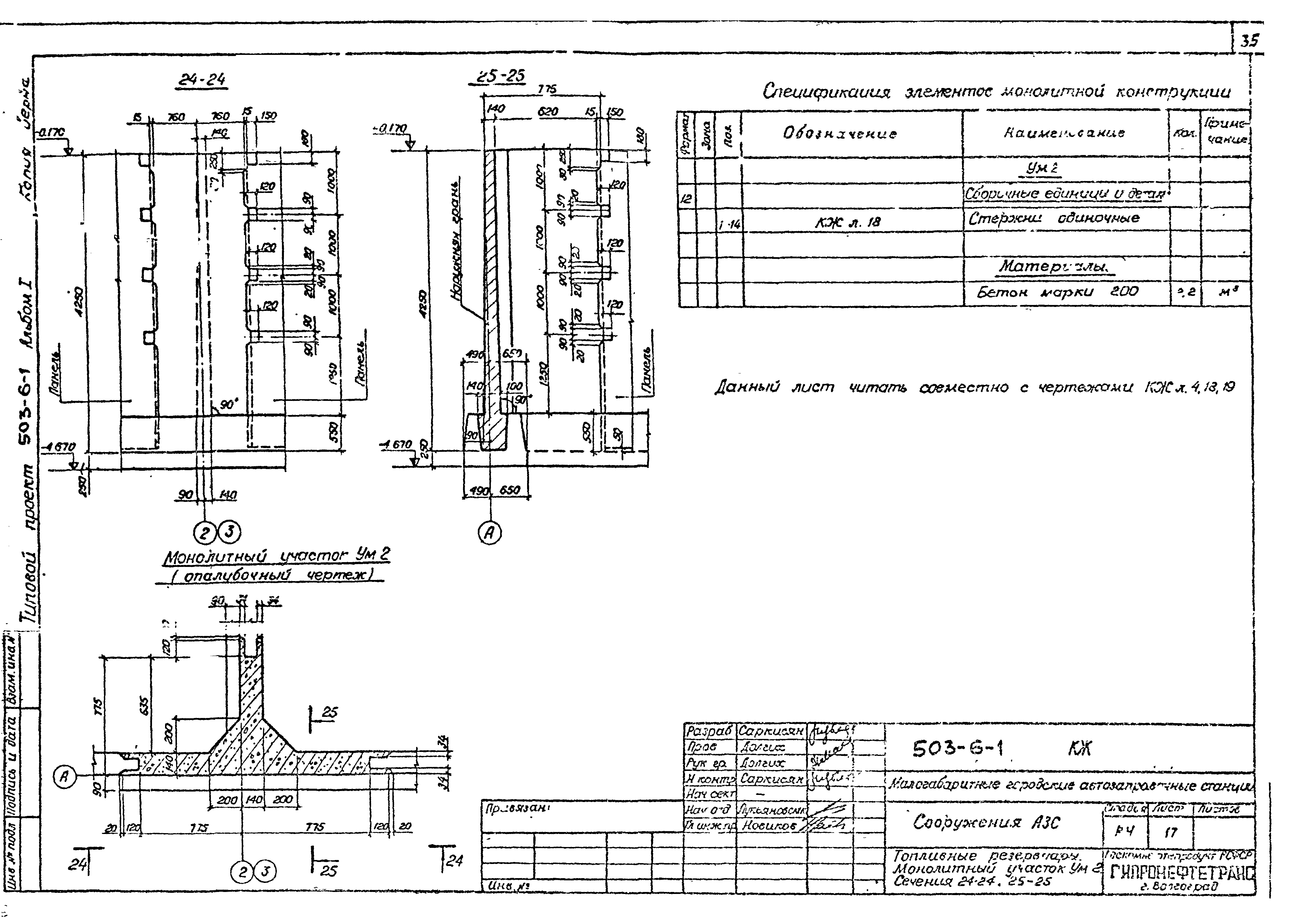
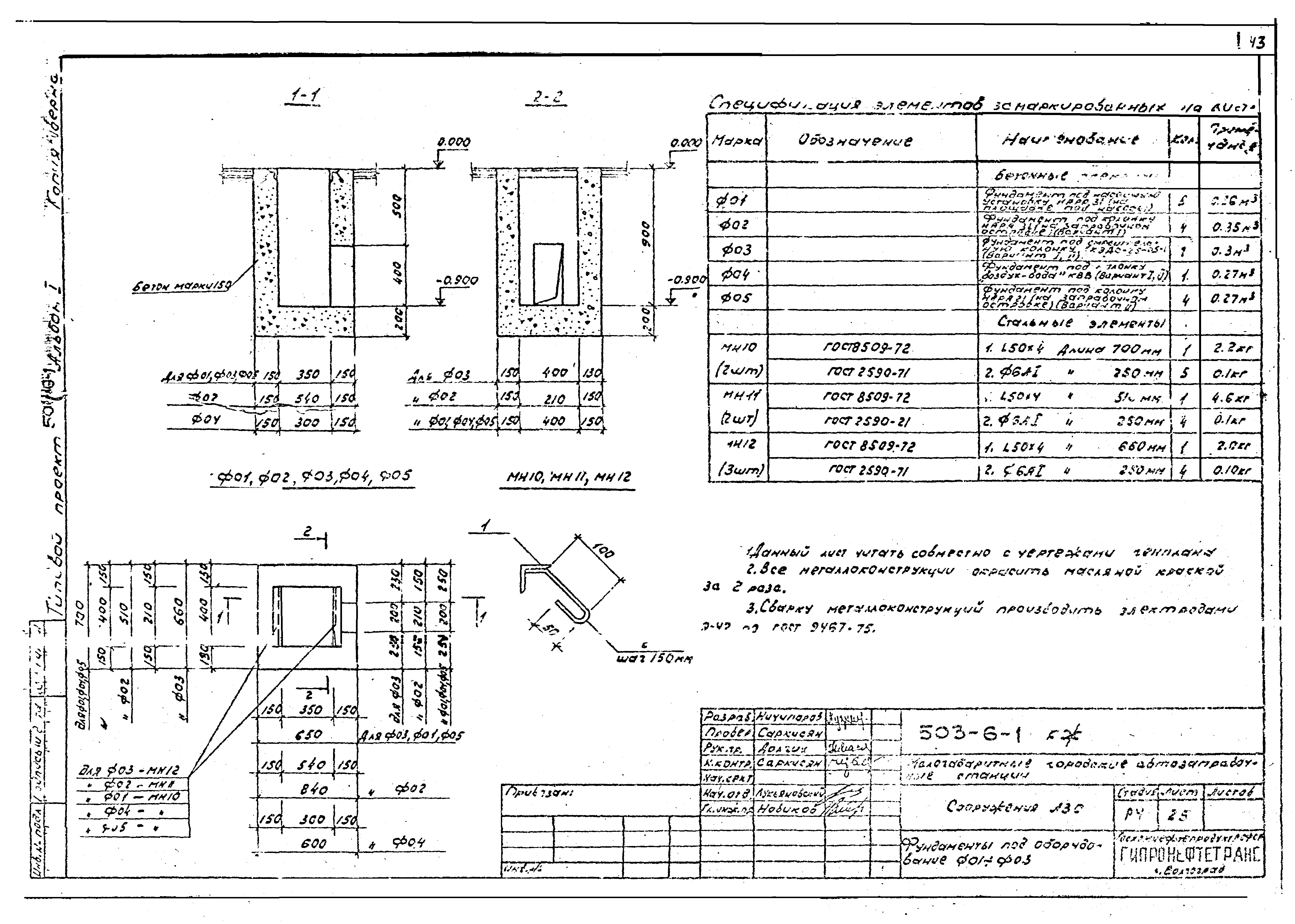
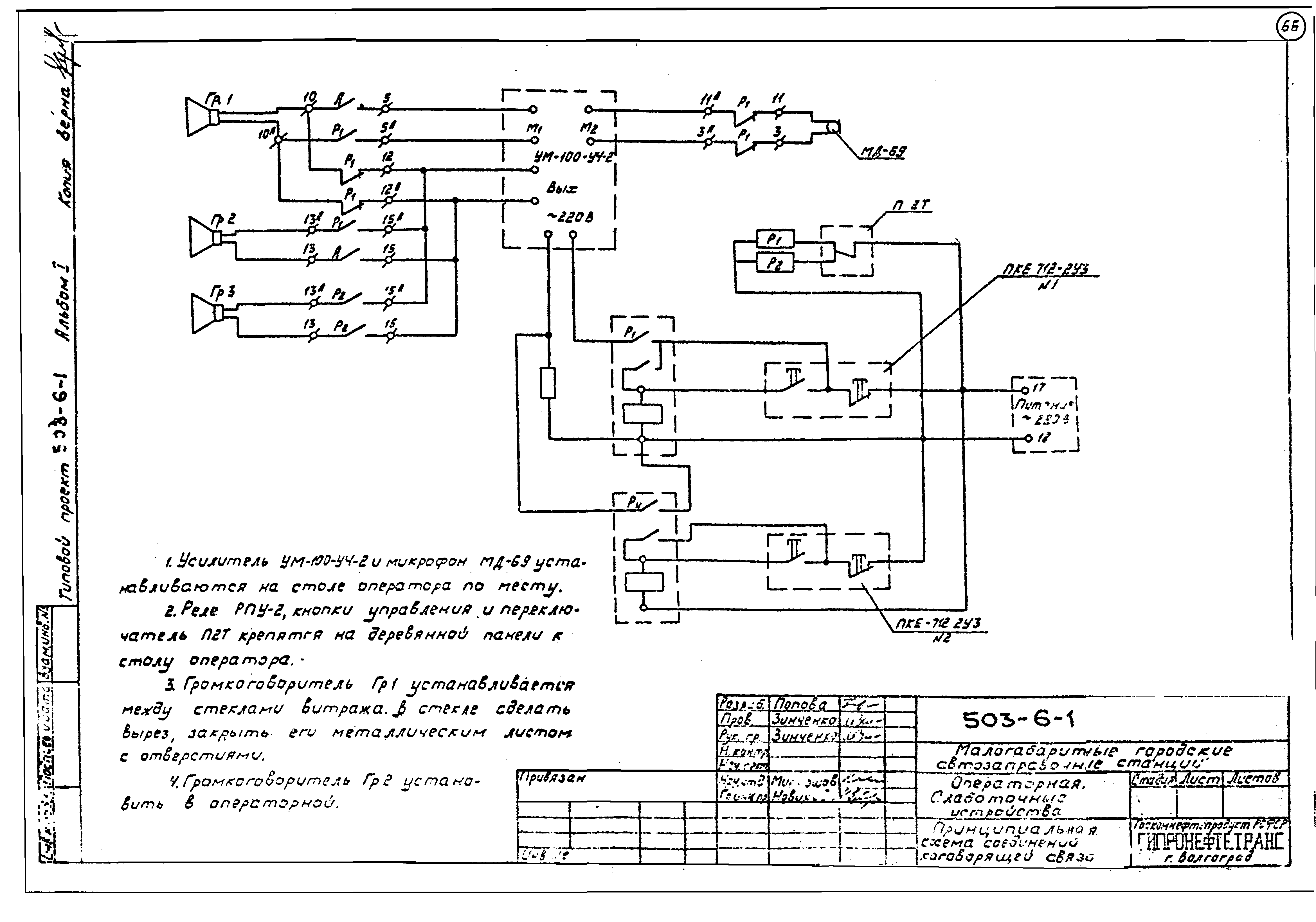
| Оглавление: | Титульный лист Содержание альбома Пояснительная записка. Общая часть Технологические чертежи Заглавный лист Технологические трубопроводы. Схема технологических трубопроводов с применением колонок "НАРА-31" Технологические трубопроводы. Схема технологических трубопроводов с применением колонок "НАРА-21" Технологические трубопроводы. План технологических трубопроводов Технологические трубопроводы. План технологических трубопроводов. Спецификация Технологические трубопроводы. Разрезы Архитектурно-строительные чертежи Сооружения АЗС. Заглавный лист Сооружения АЗС. Топливные резервуары. Маркировочная схема панелей. Разрез 1-1 Сооружения АЗС. Топливные резервуары. Фрагмент плана 1. Разрез 2-2. Узел 1 Сооружения АЗС. Топливные резервуары. Схема расположения элементов покрытия. Сечения 3-3, 4-4 Сооружения АЗС. Топливные резервуары. Днище РКм1. Раскладка каркасов Сооружения АЗС. Топливные резервуары. Днище РКм1. Сечения 5-5, 6-6, 7-7. Стыки каркасов Сооружения АЗС. Топливные резервуары. Днище РКм1. Раскладка нижних, верхних арматурных сеток Сооружения АЗС. Топливные резервуары. Днище РКм1. Каркасы КП1 - КП6, КР9 Сооружения АЗС. Топливные резервуары. Днище РКм1. Каркасы КР1 - КР8, КР10 - КР12 Сооружения АЗС. Топливные резервуары. Днище РКм1. Спецификации Сооружения АЗС. Топливные резервуары. Плита П1. Раскладка арматурных сеток и каркасов Сооружения АЗС. Топливные резервуары. Плита П1. Сетка С1. Каркас КР1 Сооружения АЗС. Топливные резервуары. Монолитный участок Ум-1. Сечения 20-20, 21-21 Сооружения АЗС. Топливные резервуары. Монолитный участок Ум-1. Сечения 22-22, 23-23 Сооружения АЗС. Топливные резервуары. Монолитный участок Ум-1. Сечения 24-24, 25-25 Сооружения АЗС. Топливные резервуары. Монолитный участок Ум-1. Сечения 26-26, 27-27 Сооружения АЗС. Топливные резервуары. Монолитный участок Ум-1. Сечения 28-28 Сооружения АЗС. Колодец-сборник. Крышка МК1. Узел 1 Сооружения АЗС. Колодец-сборник. Разрезы 1-1, 2-2. Узлы 2, 3, 4 Сооружения АЗС. Сливной колодец для масла. План. Разрез 1-1 Сооружения АЗС. Сливной колодец для масла. Крышка МК2. Сечение 2-2 Сооружения АЗС. Резервуар для масла емкостью 5 куб. м. План. Сечения 1-1, 2-2 Сооружения АЗС. Фундаменты под оборудование Ф01 - Ф03 Сооружения АЗС. Операторная. Плита основания П2 Сооружения АЗС. Маркировочная схема каналов. Сечения. Вариант с колонками "НАРА-31" Сооружения АЗС. Маркировочная схема каналов. Сечения. Вариант с колонками "НАРА-21" Генплан Генеральный план и транспорт. Заглавный лист Генеральный план и транспорт. Горизонтальная планировка Генеральный план и транспорт. План благоустройства Генеральный план и транспорт. План заправочного островка Генеральный план и транспорт. Варианты примыкания. Схема движения автотранспорта по АЗС Санитарно-технические чертежи Водоснабжение и канализация. Заглавный лист Водоснабжение и канализация. План сетей Водоснабжение и канализация. Колодец-сборник. План. Разрезы Электро-технические чертежи Заглавный лист Площадка АЗС. Электрооборудование. Электроосвещение. Размещение молниеприемников. Заземление Площадка АЗС. Молниезащита Фонарь наружного освещения Слаботочные устройства Операторная. Слаботочные устройства. Заглавный лист Операторная. Слаботочные устройства. Громкоговорящая связь, телефонизация, радиофикация Операторная. Слаботочные устройства. Принципиальная схема соединений громкоговорящей связи |
| Разработан: | Гипронефтетранс Госкомнефтепродуктов РСФСР |
| Утверждён: | 25.08.1980 Госстрой СССР (Государственный комитет Совета Министров СССР по делам строительства) (USSR Gosstroy 53) |


































































