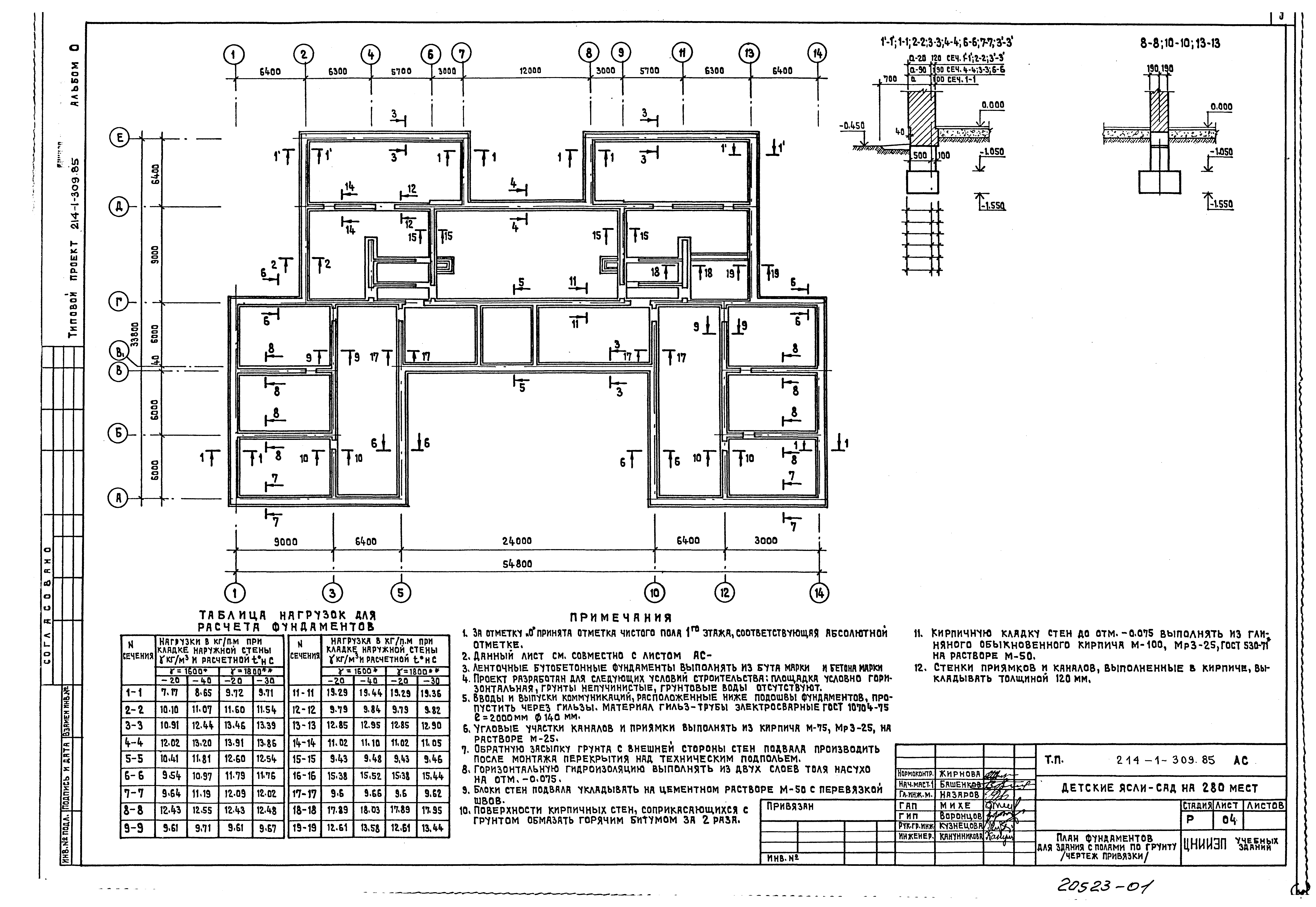
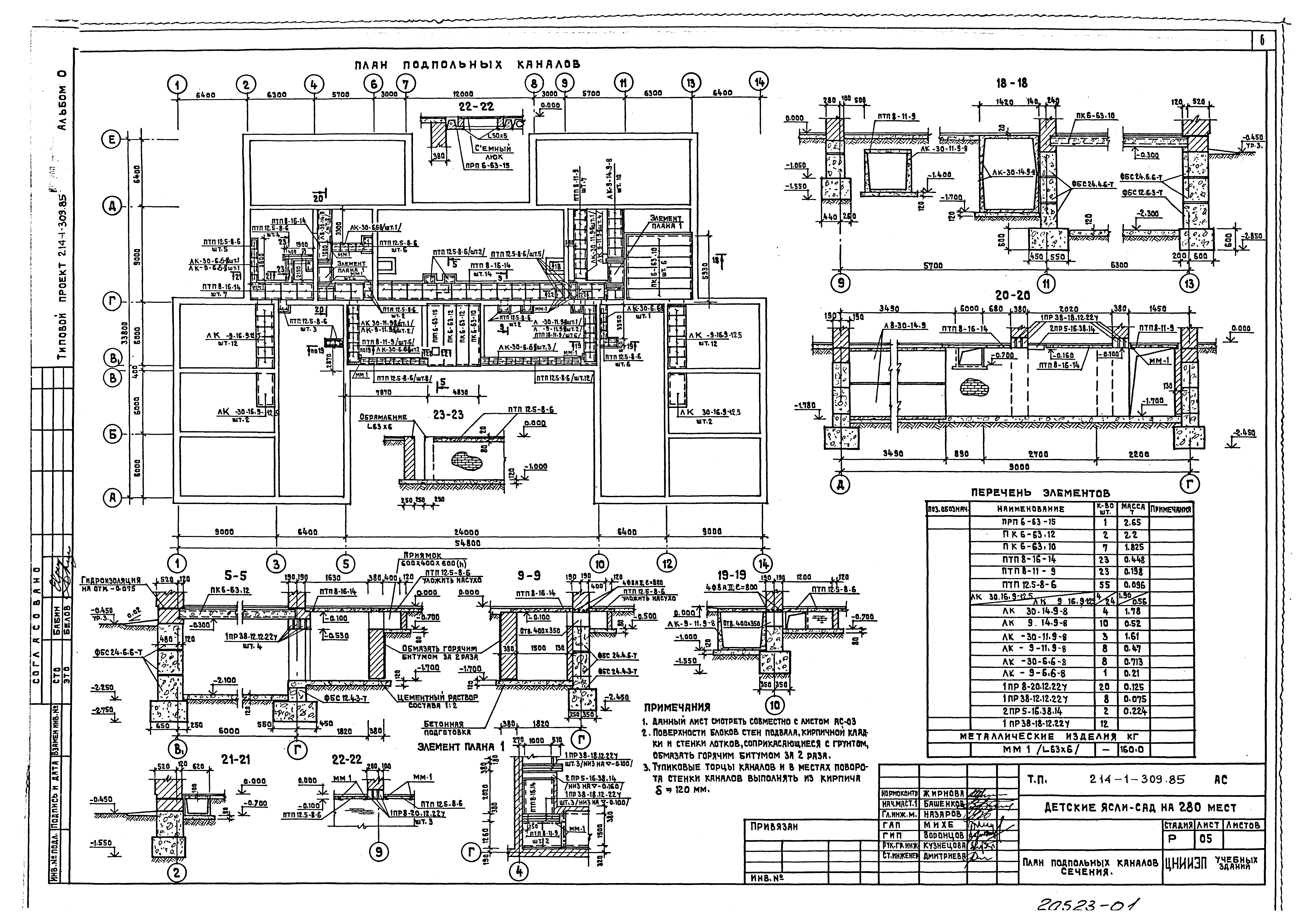
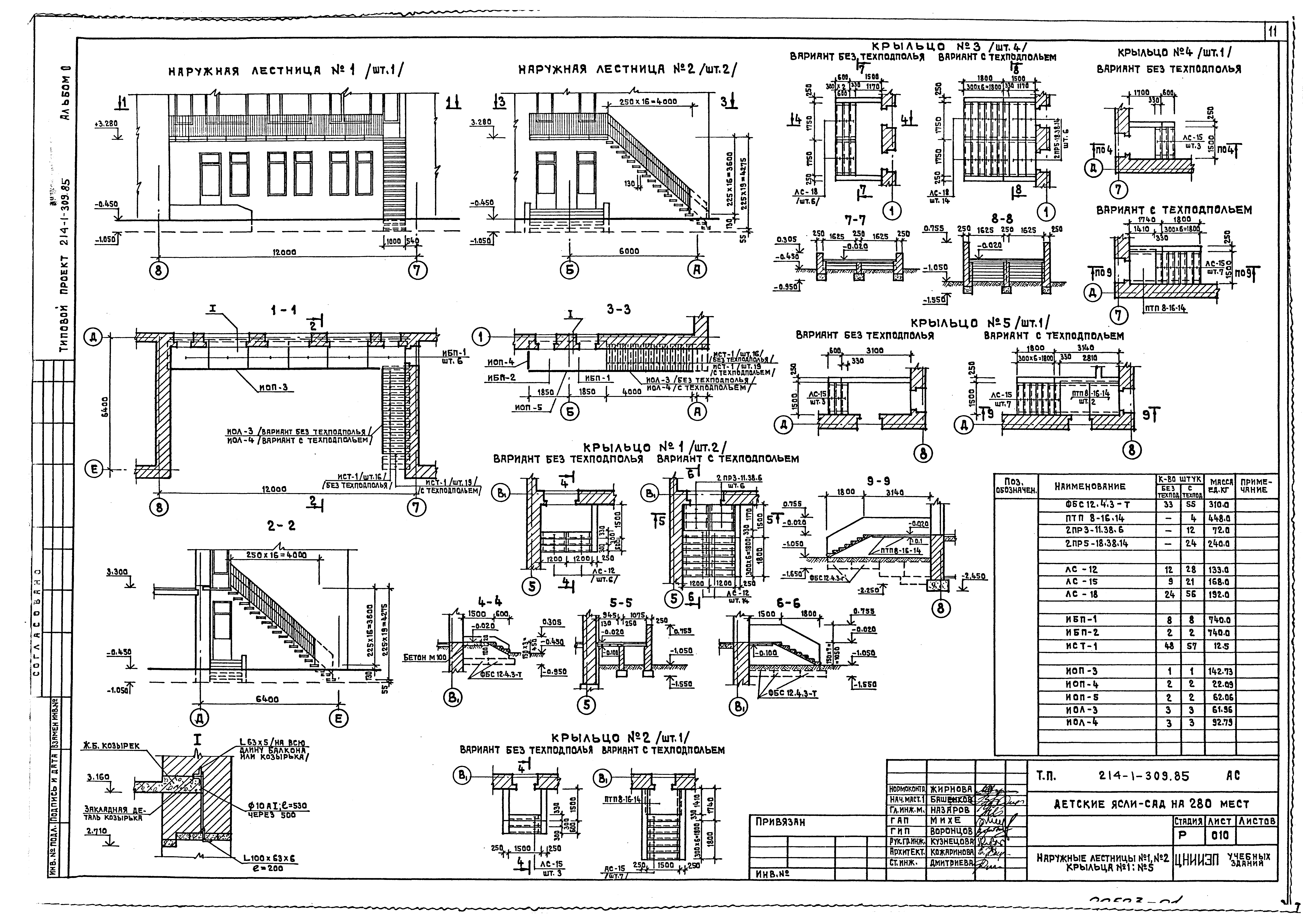
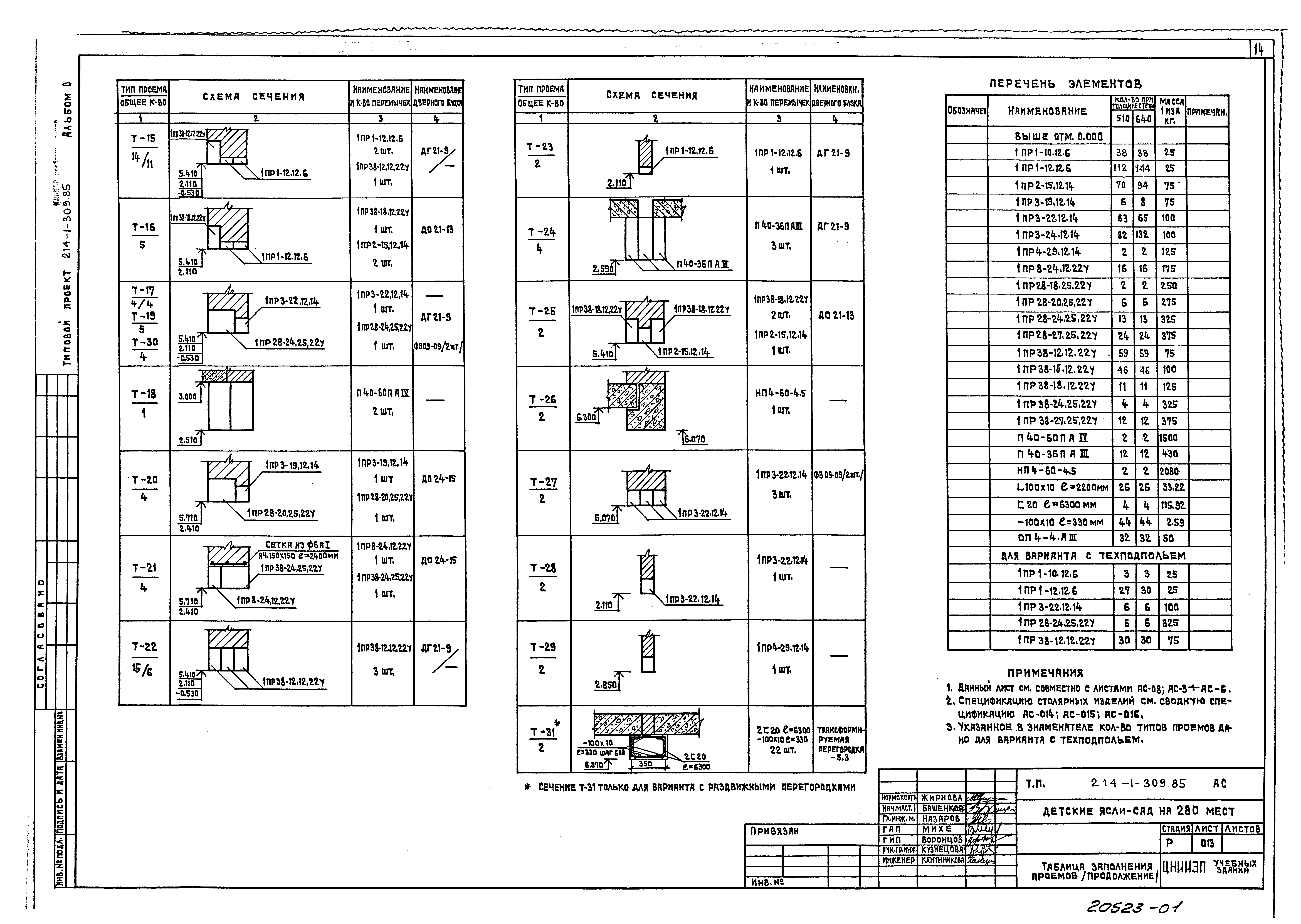
Скачать Типовой проект 214-1-309.85 Альбом 0. Материалы для привязки и чертежи нулевого цикла работДата актуализации: 01.01.2021
|
| Обозначение: | Типовой проект 214-1-309.85 |
| Обозначение англ: | 214-1-309.85 |
| Статус: | не определен законодательством |
| Название рус.: | Альбом 0. Материалы для привязки и чертежи нулевого цикла работ |
| Дата добавления в базу: | 01.09.2013 |
| Дата актуализации: | 01.01.2021 |
| Дата введения: | 16.05.1985 |
| Дата окончания срока действия: | 30.06.2003 |
| Разработан: | ЦНИИЭП учебных зданий Госгражданстроя |
| Утверждён: | 10.08.1982 Госгражданстрой (Gosgrazhdanstroy 213) |


















