Скачать Типовой проект 214-1-309.85 Альбом IV. Изделия заводского изготовленияДата актуализации: 01.01.2021
|
| Обозначение: | Типовой проект 214-1-309.85 |
| Обозначение англ: | 214-1-309.85 |
| Статус: | не определен законодательством |
| Название рус.: | Альбом IV. Изделия заводского изготовления |
| Дата добавления в базу: | 01.09.2013 |
| Дата актуализации: | 01.01.2021 |
| Дата введения: | 16.05.1985 |
| Дата окончания срока действия: | 30.06.2003 |
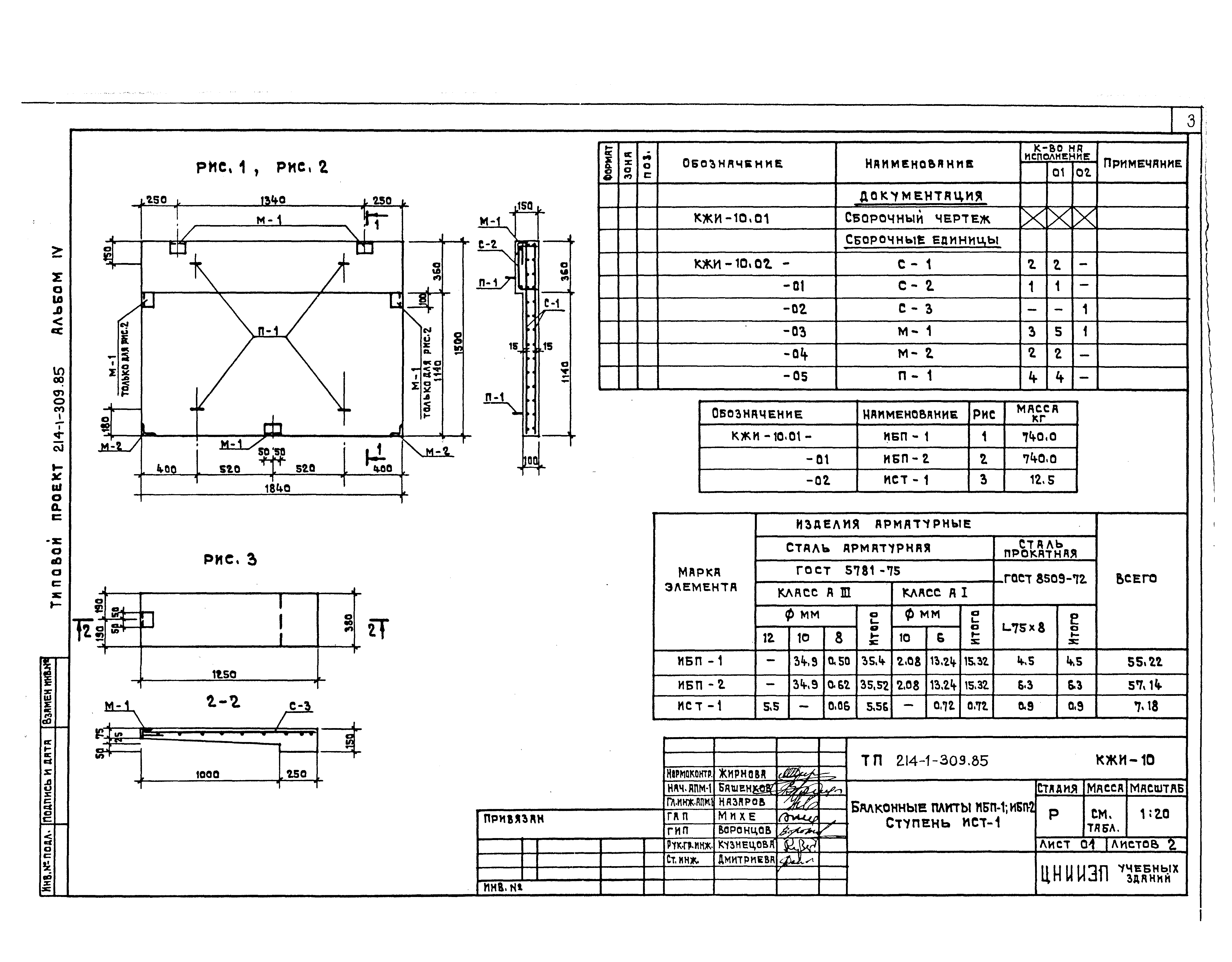
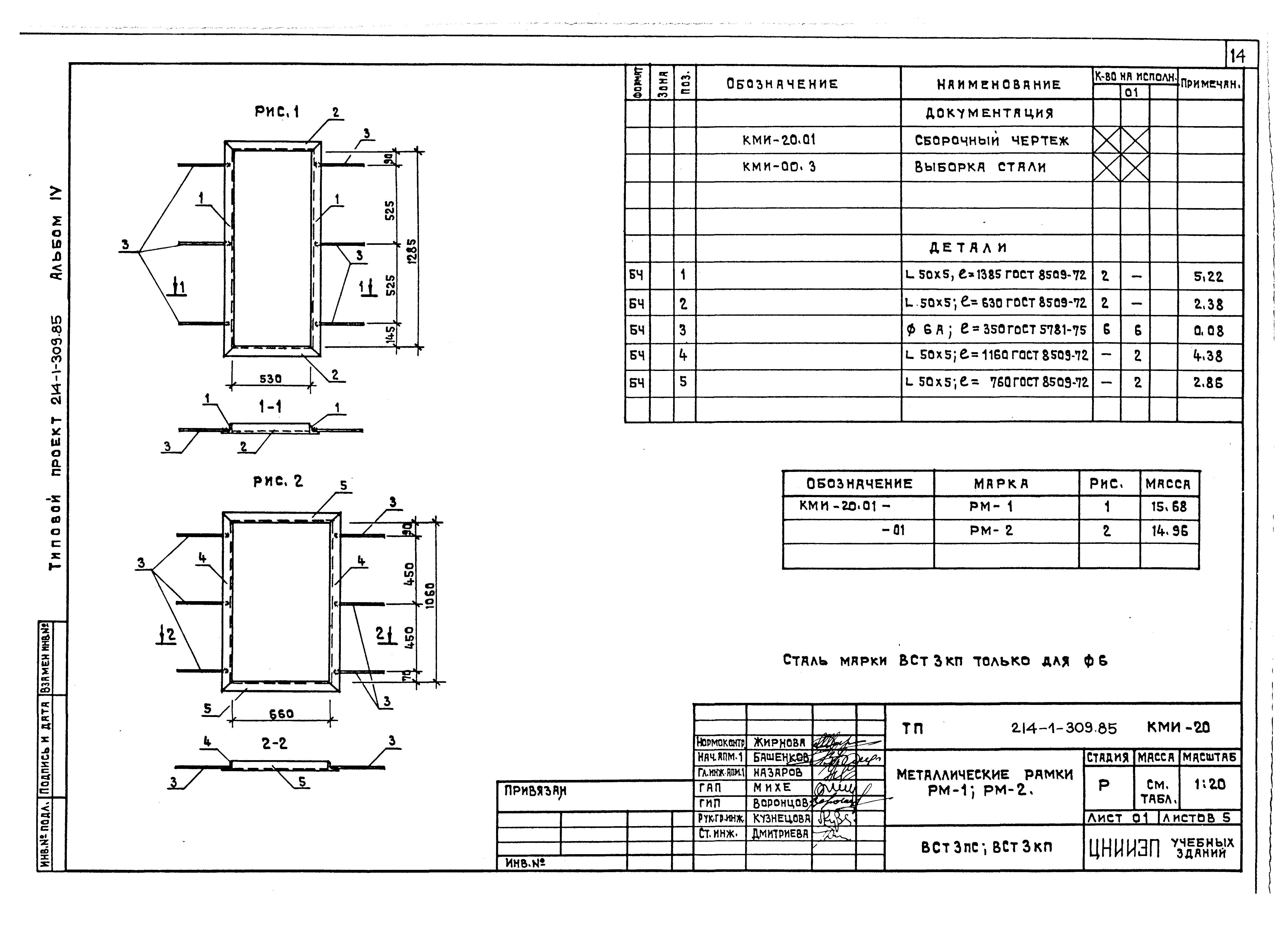
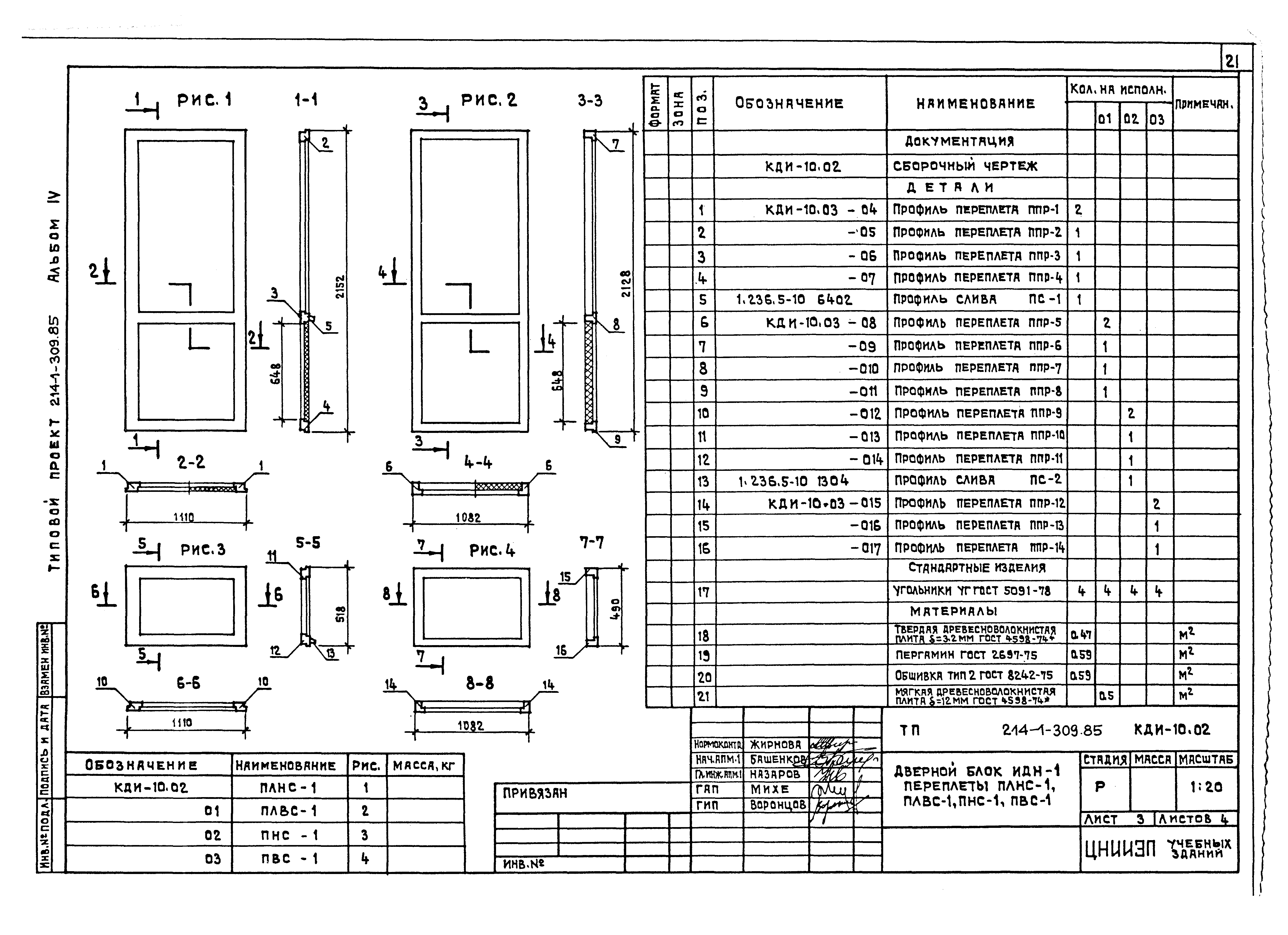
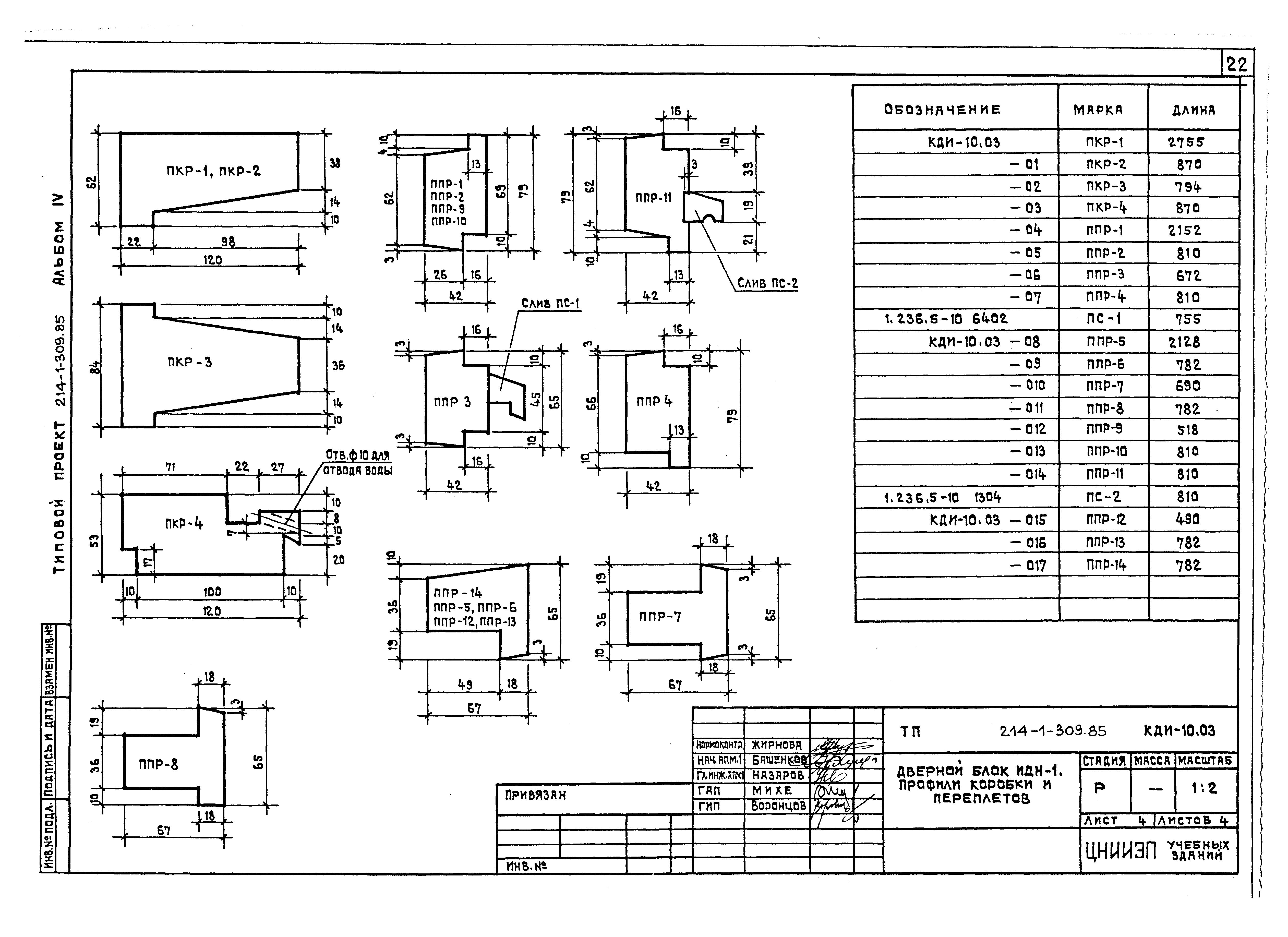
| Оглавление: | Балконные плиты ИБП-1; ИБП-2. Ступень ИСТ-1 Сетка С-1 - С-3. Закладные детали М-1; М-2. Петля П-1 Балконная плита ИБП-3 Сетка С-4; С-5 Таблица расхода материалов на ж/б изделия ИБП-1; ИБП-2; ИБП-3; ИСТ-1 Ограждения внутренних лестниц ИОЛ-1; ИОЛ-2 Ограждение площадок внутренних лестниц ИОП-1; ИОП-2. Детский поручень ИДП-1 Ограждения площадок наружных лестниц ИОП-3; ИОП-4; ИОП-5 Ограждение наружных лестниц ИОЛ-3; ИОЛ-4 Спецификация металла на ограждения Металлические рамки РМ-1; РМ-2 Металлическая решетка МР-1. Жалюзийные решетки ИЖР-1; ИЖР-2 Трубостойка ТТС-1 Гильза ГРСС-1 Выборка стали Дверной блок ИДН-1. Сборочный чертеж Дверной блок ИДН-1. Коробка, сечения Дверной блок ИДН-1. Переплеты ПЛНС-1; ПЛВС-1; ПНС-1; ПВС-1 Дверной блок ИДН-1. Профили коробки и переплетов Экран санузлов ЭС-1 Экран санузлов ЭС-1. Детали М-1 Экран санузлов ЭС-1. Детали М-2 Воздуховод из асбестовых листов |
| Разработан: | ЦНИИЭП учебных зданий Госгражданстроя |
| Утверждён: | 10.08.1982 Госгражданстрой (Gosgrazhdanstroy 213) |


























