Скачать Положение о техническом обслуживании и ремонте подвижного состава автомобильного транспорта

Дата актуализации: 01.01.2021

Положение о техническом обслуживании и ремонте подвижного состава автомобильного транспорта

Статус:действует
Название рус.:Положение о техническом обслуживании и ремонте подвижного состава автомобильного транспорта
Дата добавления в базу:01.09.2013
Дата актуализации:01.01.2021
Область применения:Положение определяет принципиальные основы обеспечения работоспособности подвижного состава автомобильного транспорта - автомобилей, автобусов, прицепов и полуприцепов - в процессе эксплуатации.
Оглавление:1. Общие положения
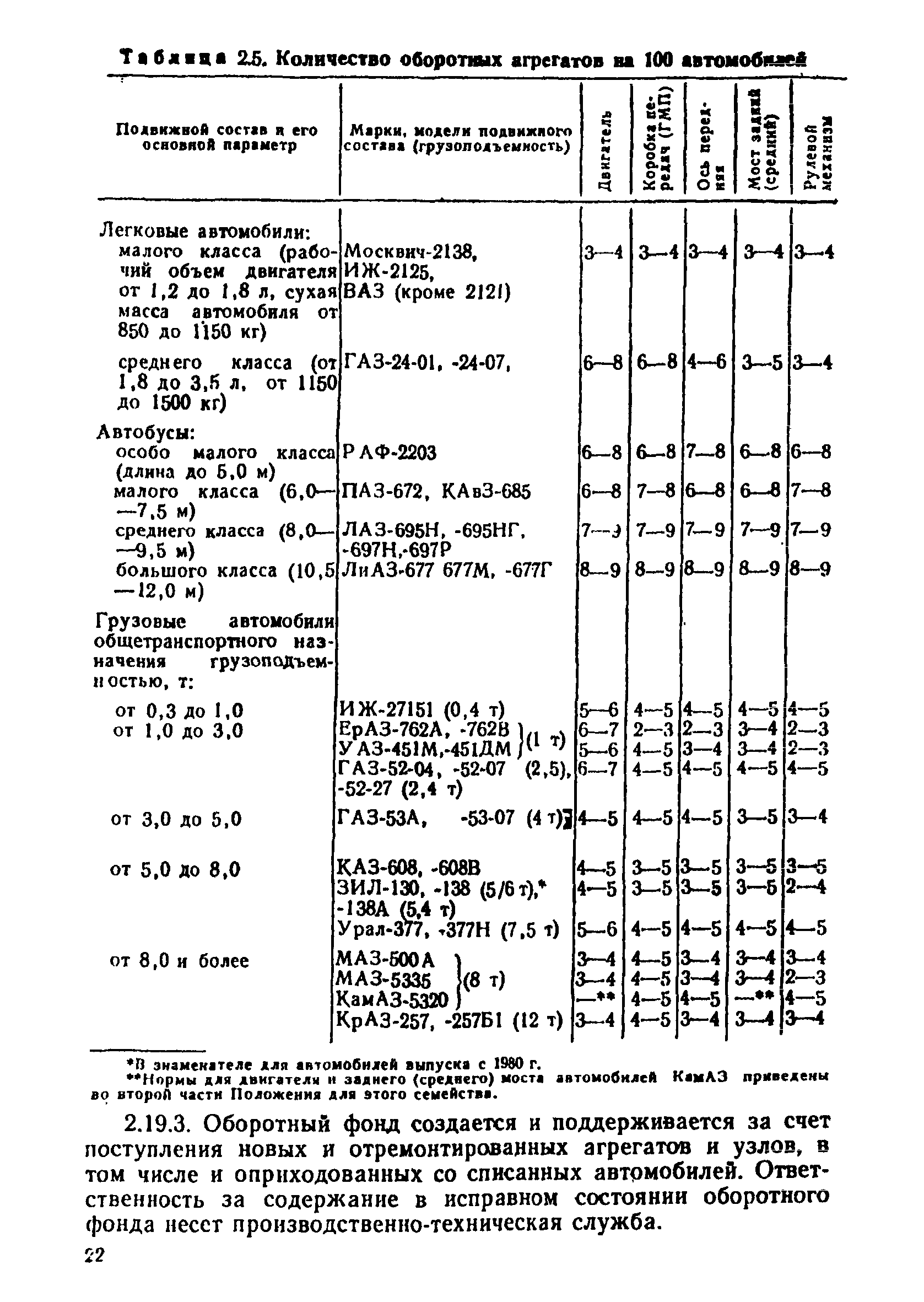
2. Система технического обслуживания и ремонта подвижного состава
   Техническое обслуживание
   Ремонт
  Корректирование нормативов технического обслуживания и ремонта подвижного состава
   Организация технического обслуживания и ремонта подвижного состава
Приложения
Разработан: НИИАТ
Утверждён:20.09.1984 Министерство автомобильного транспорта РСФСР
Принят: Министерство автомобильной промышленности СССР