Скачать Типовой проект 291-3-47с.88 Альбом IV. Строительные изделияДата актуализации: 01.01.2021
|
| Обозначение: | Типовой проект 291-3-47с.88 |
| Обозначение англ: | 291-3-47с.88 |
| Статус: | не определен законодательством |
| Название рус.: | Альбом IV. Строительные изделия |
| Дата добавления в базу: | 01.09.2013 |
| Дата актуализации: | 01.01.2021 |
| Дата введения: | 14.06.1988 |
| Дата окончания срока действия: | 30.06.2003 |
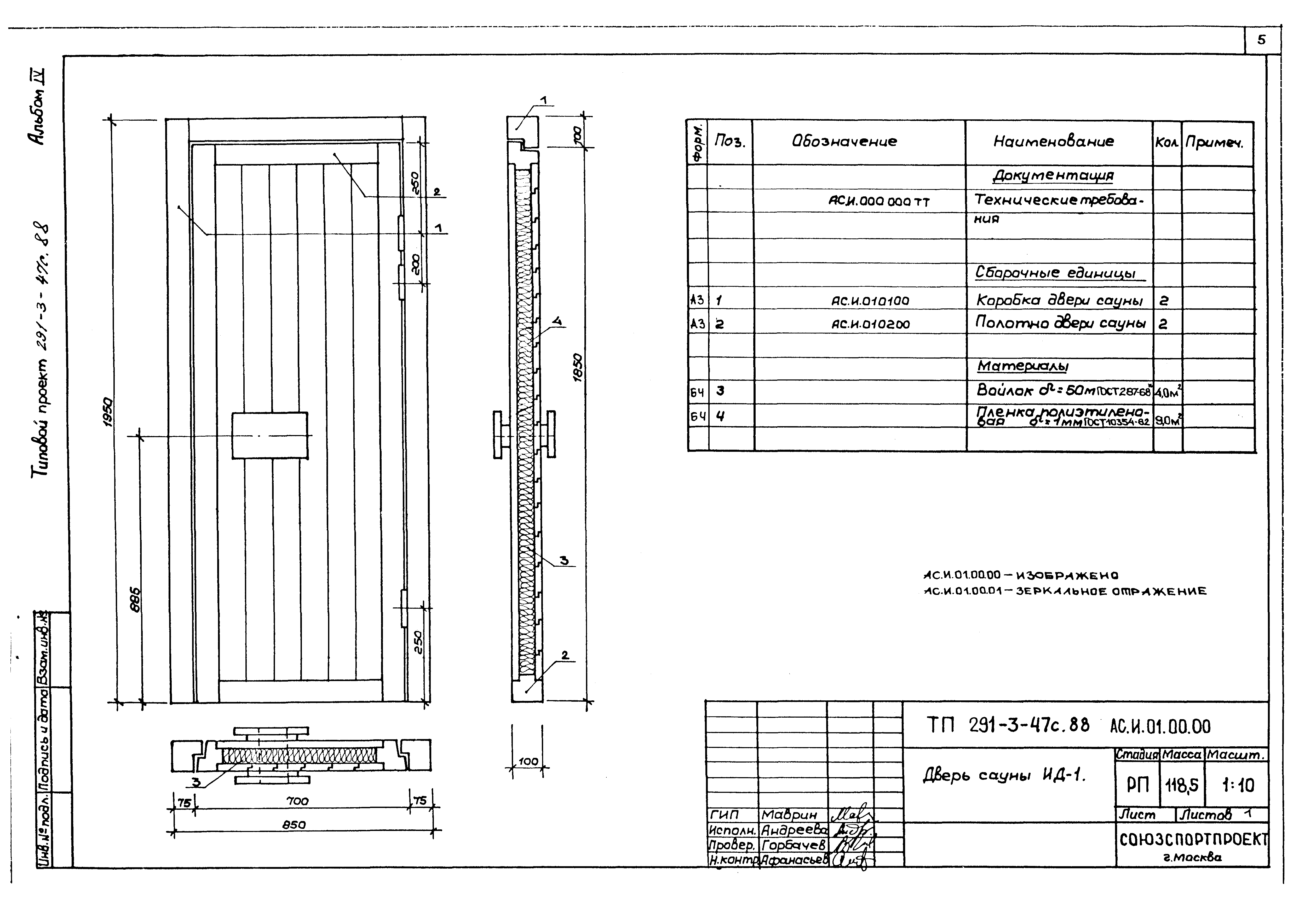
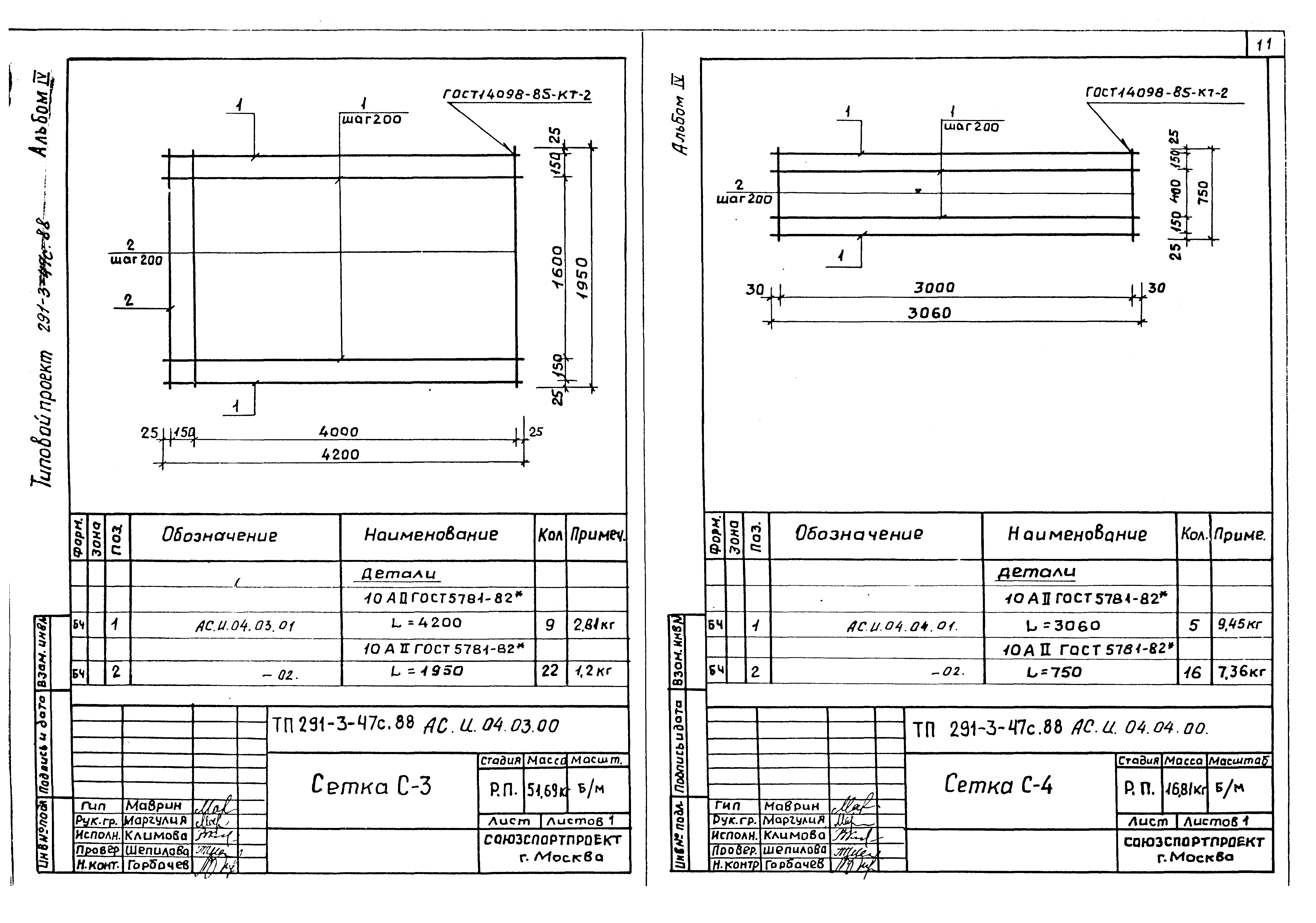
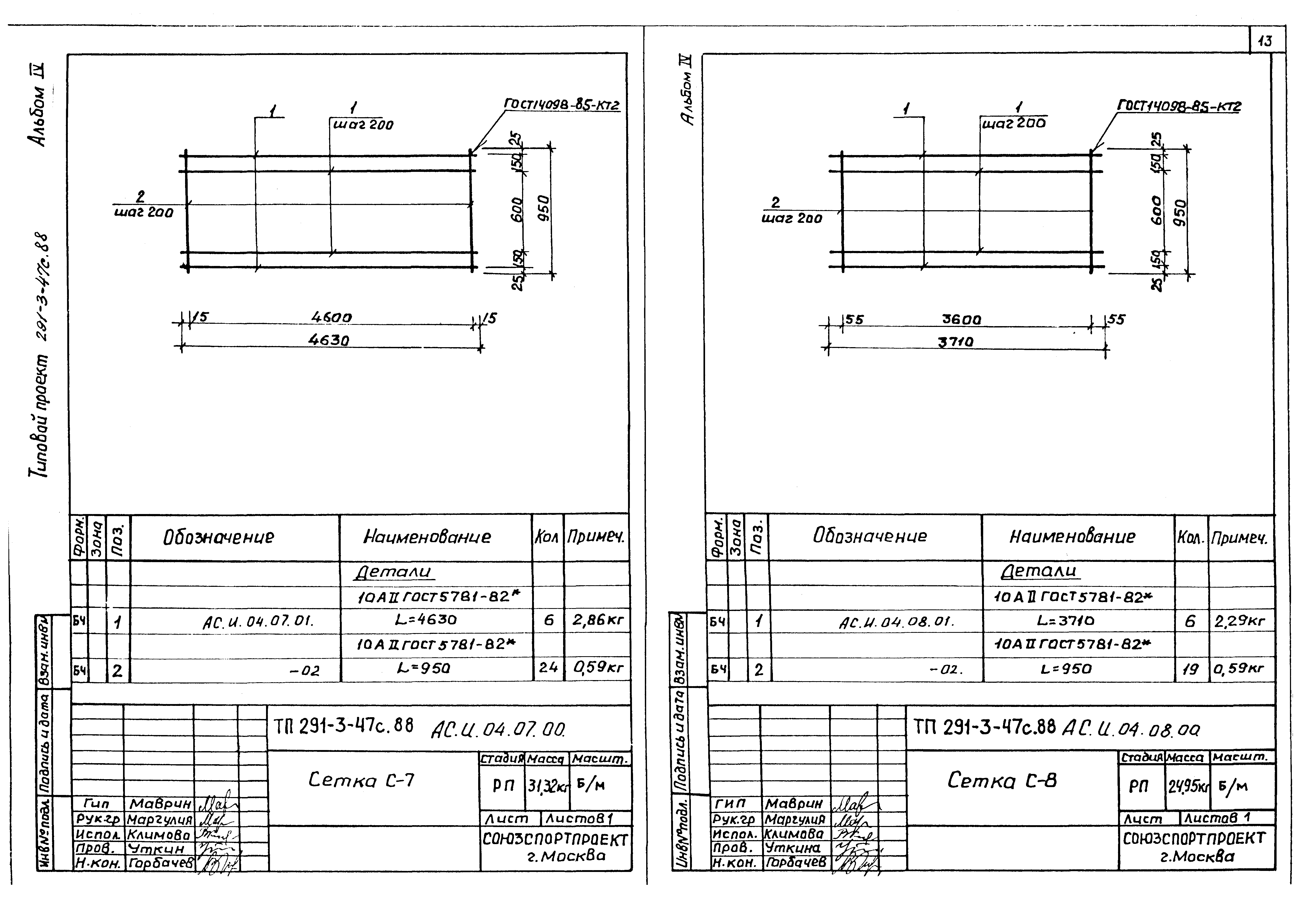
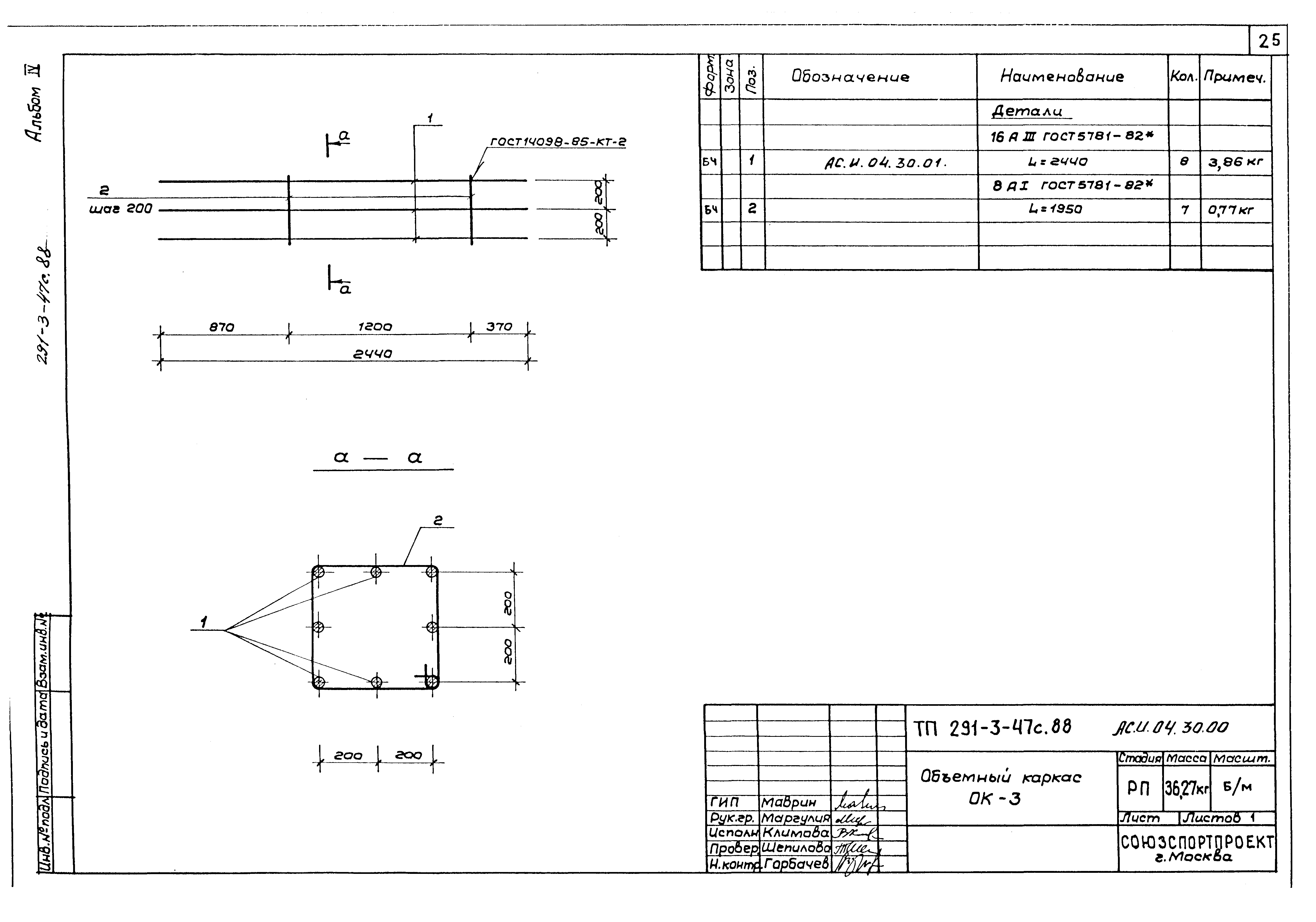
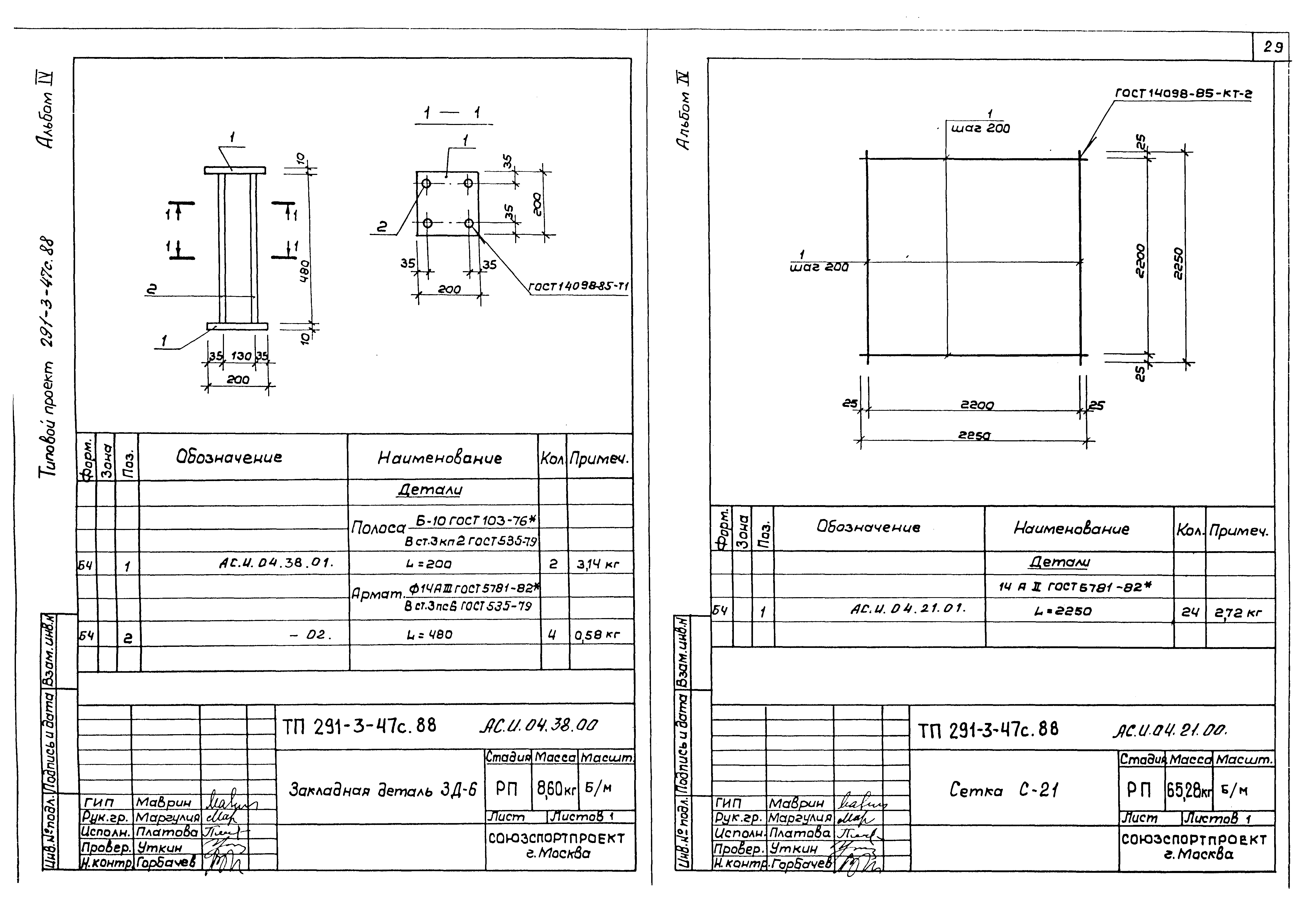
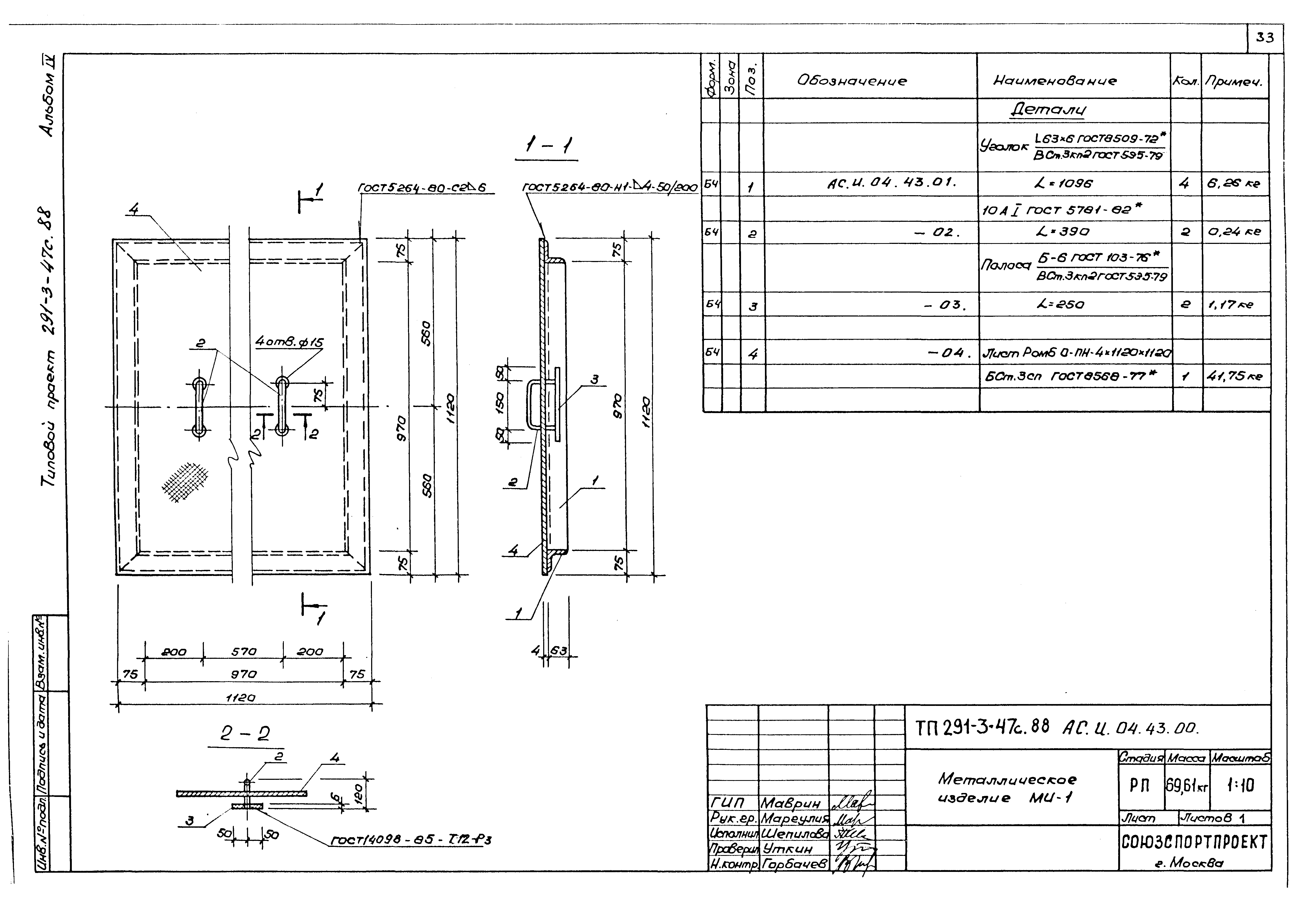
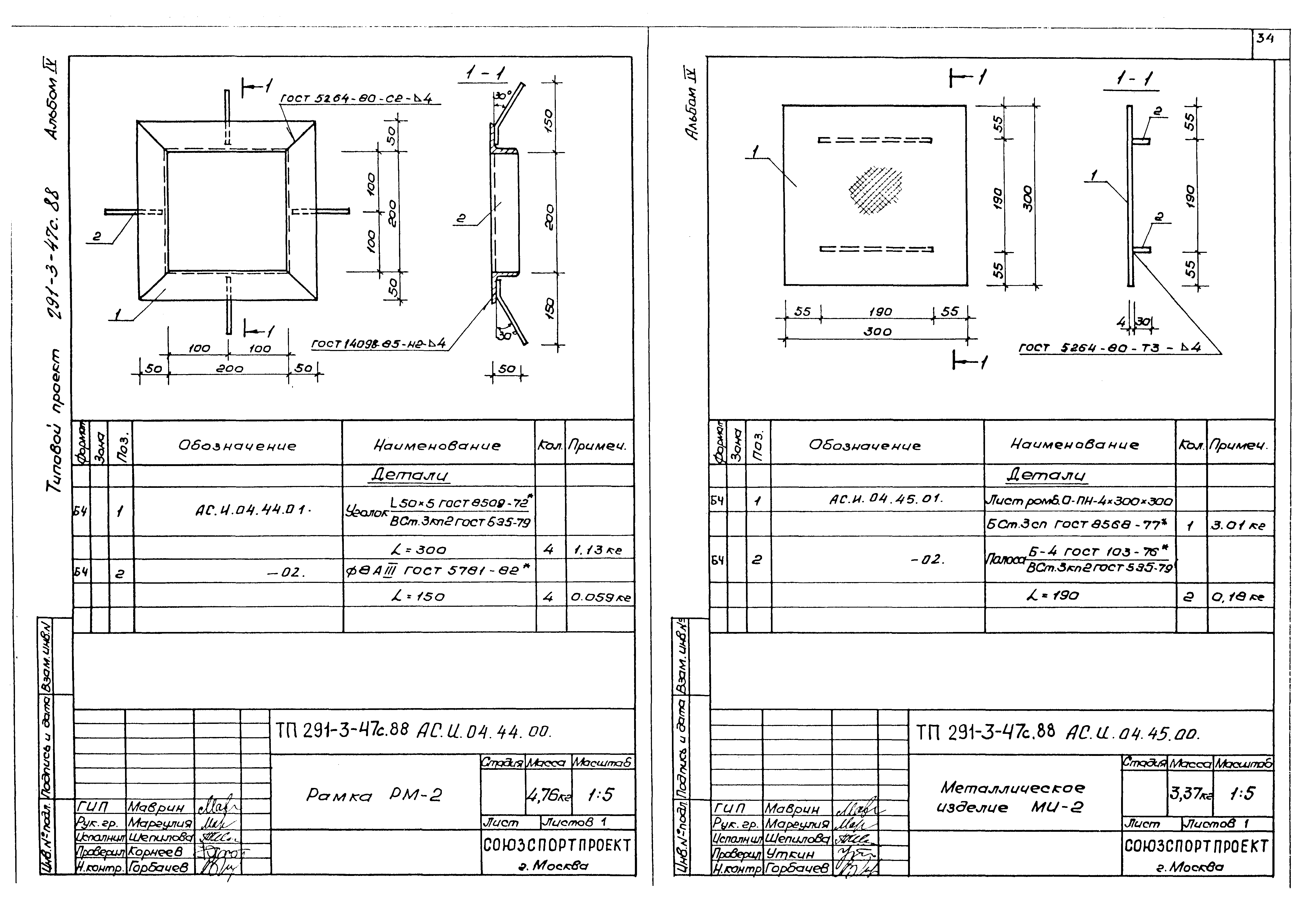
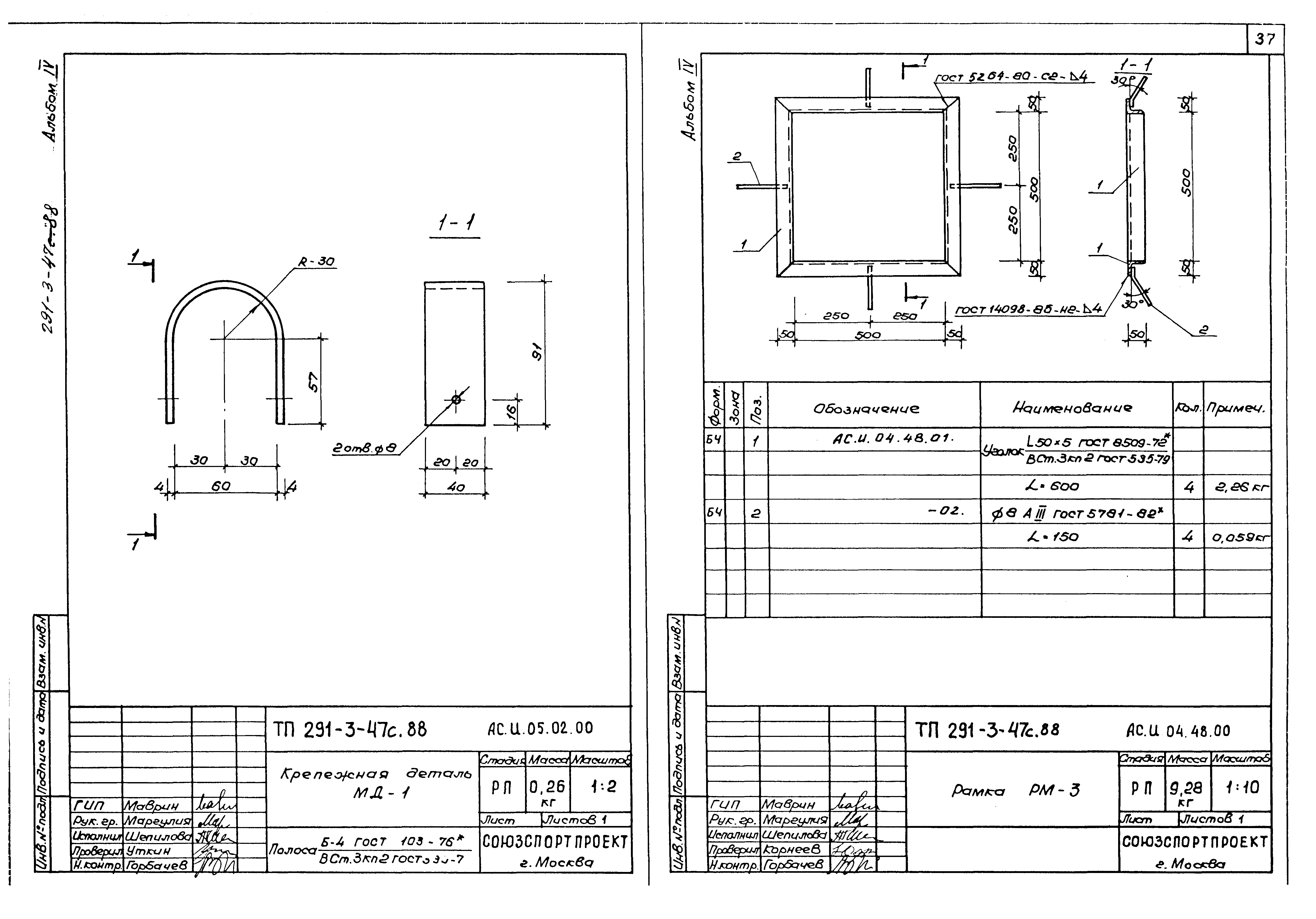
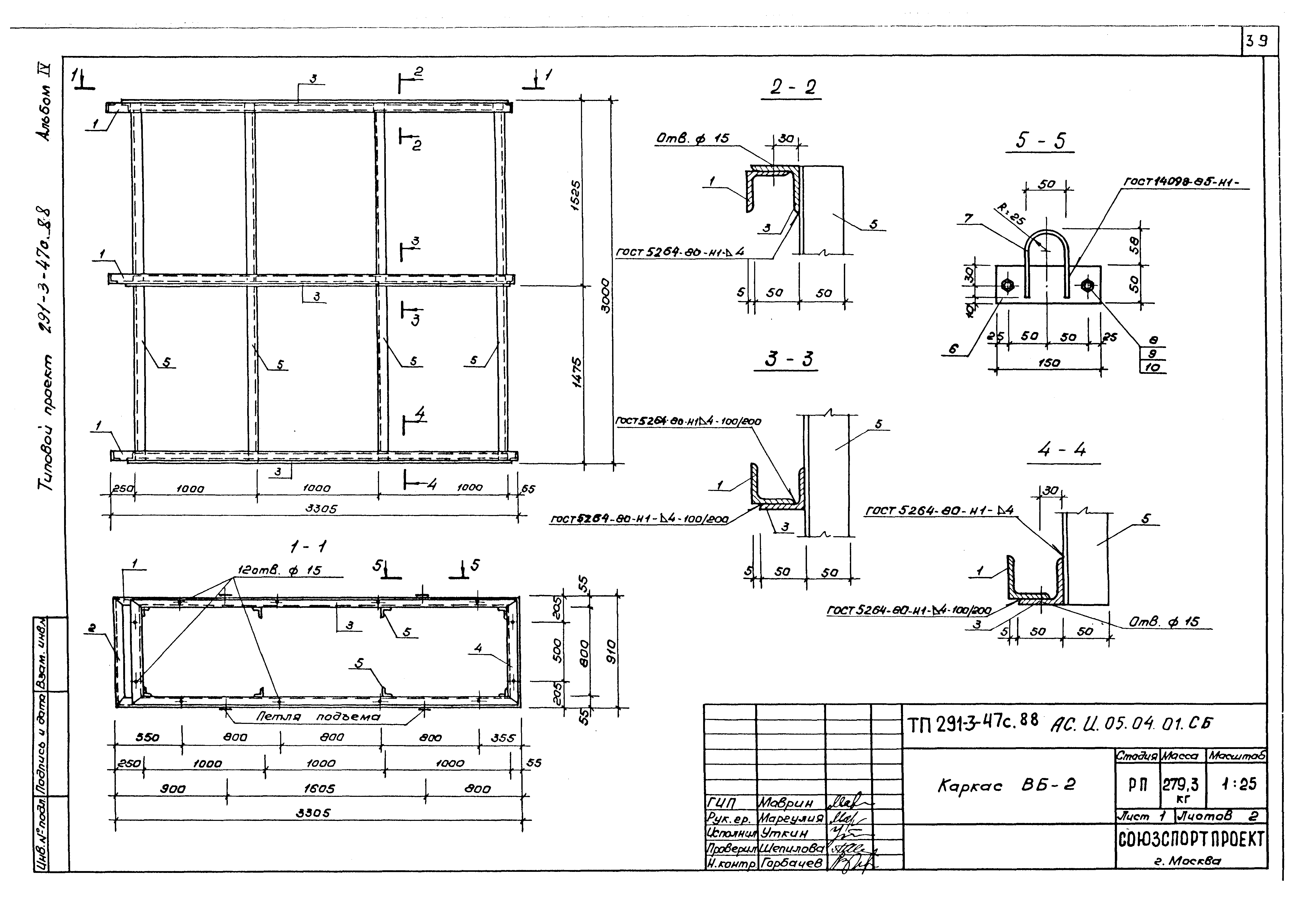
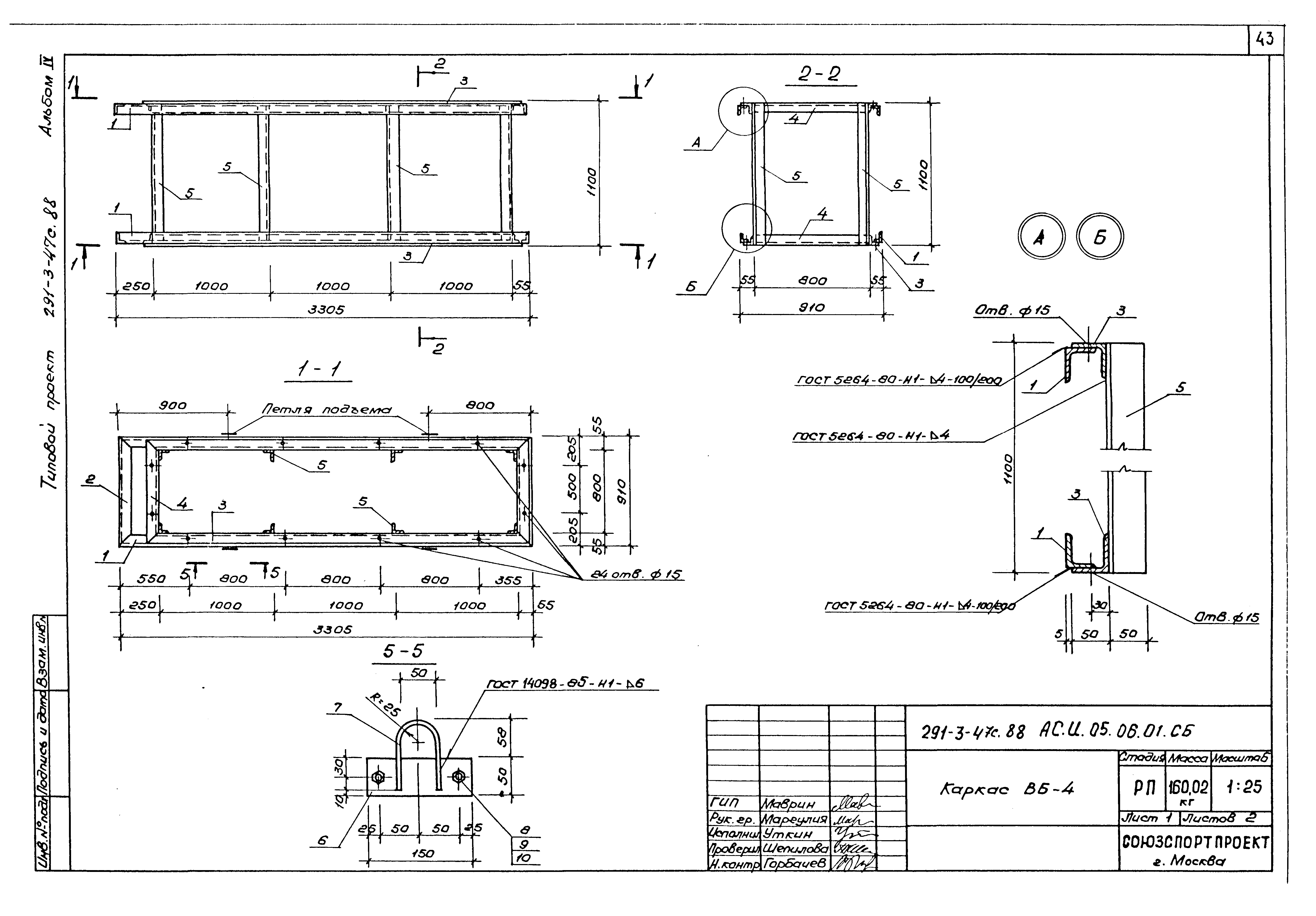
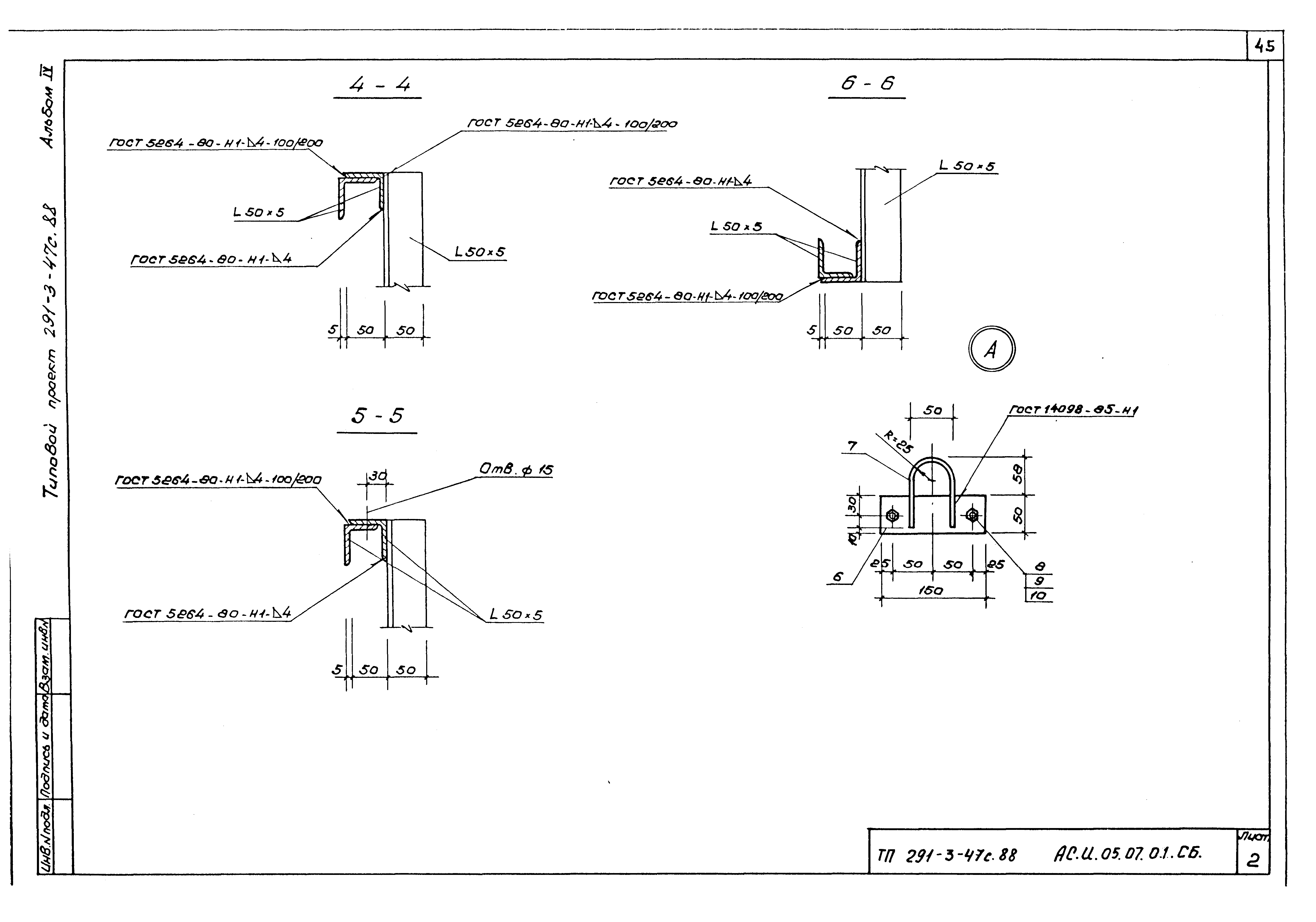
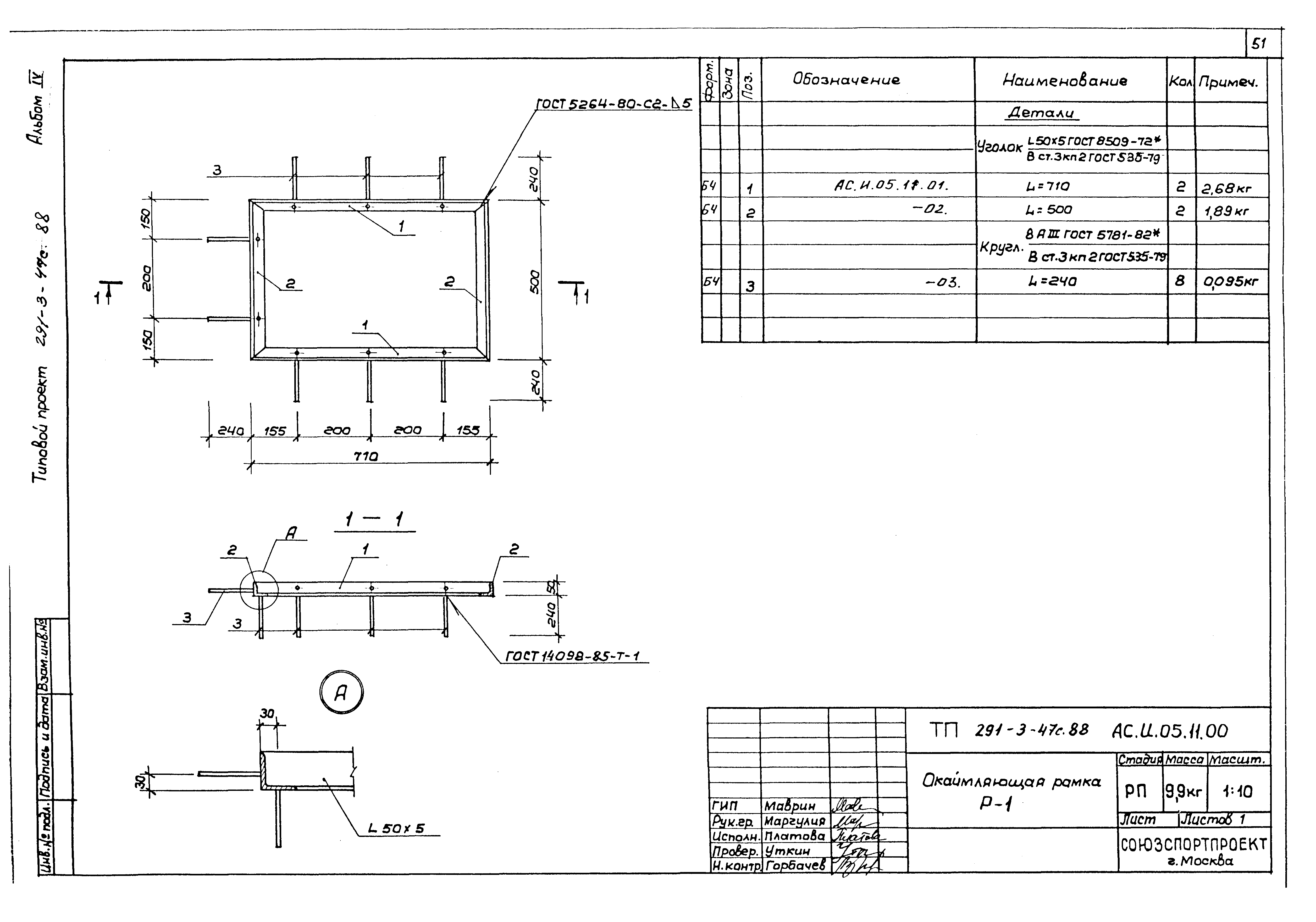
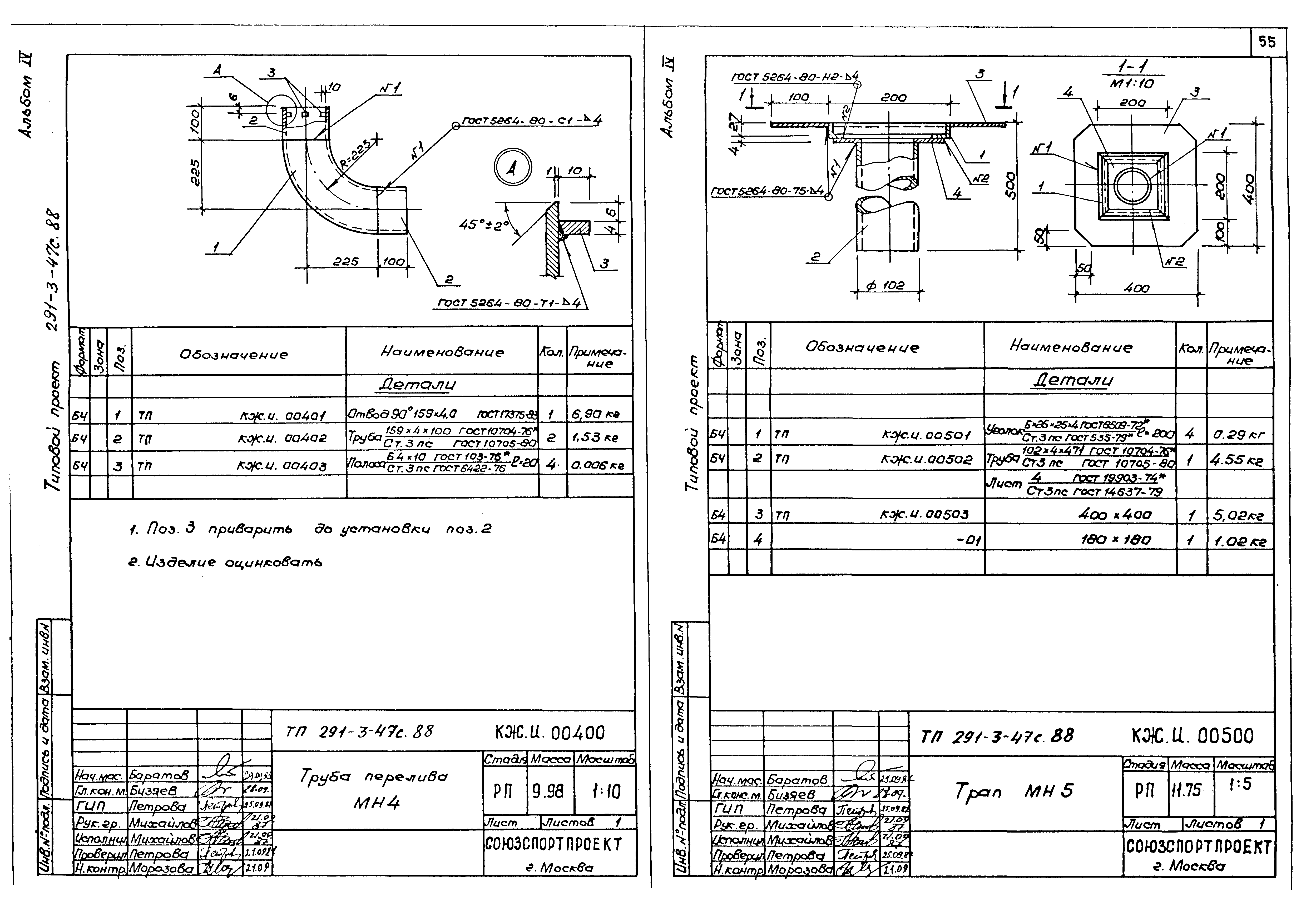
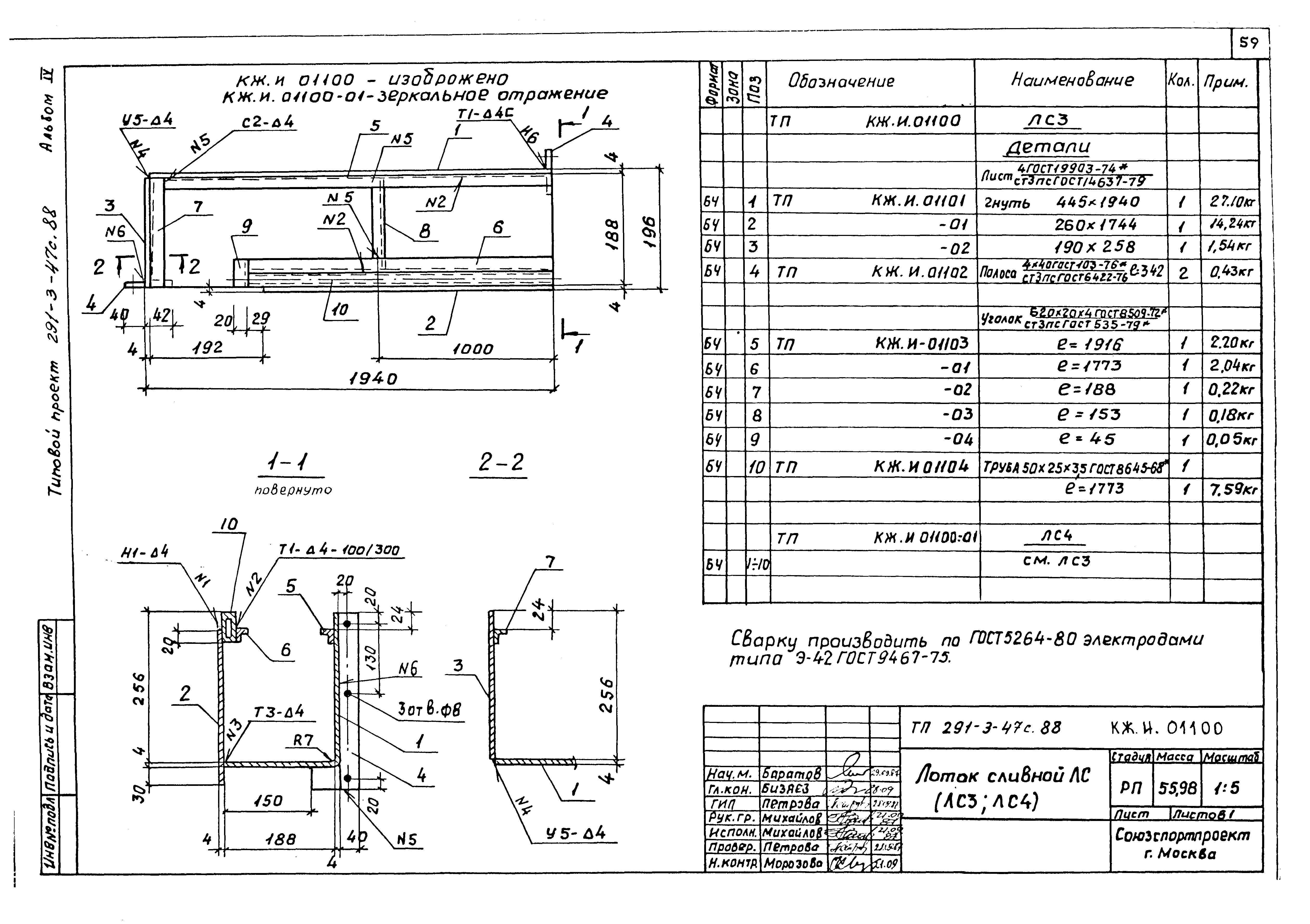
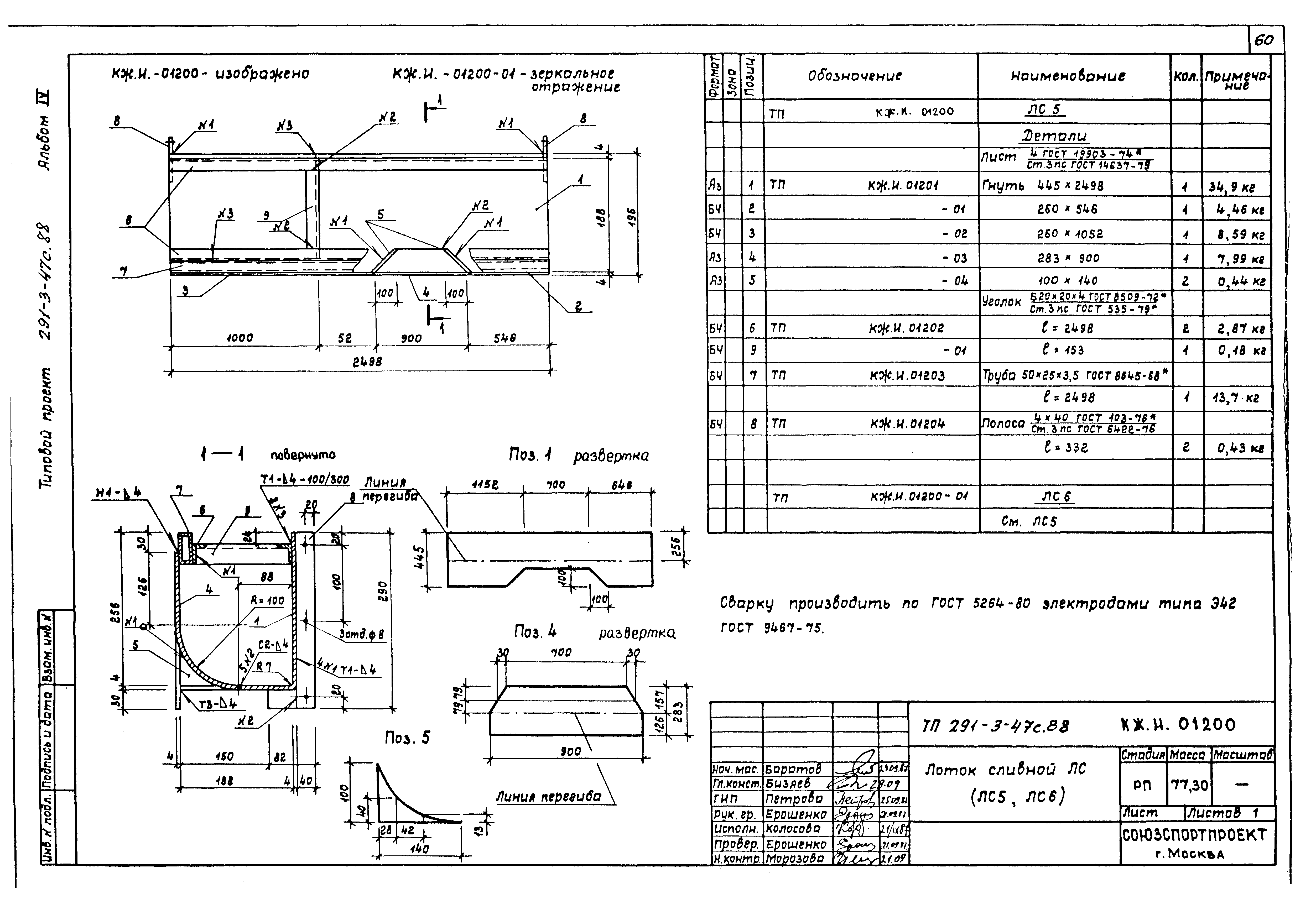
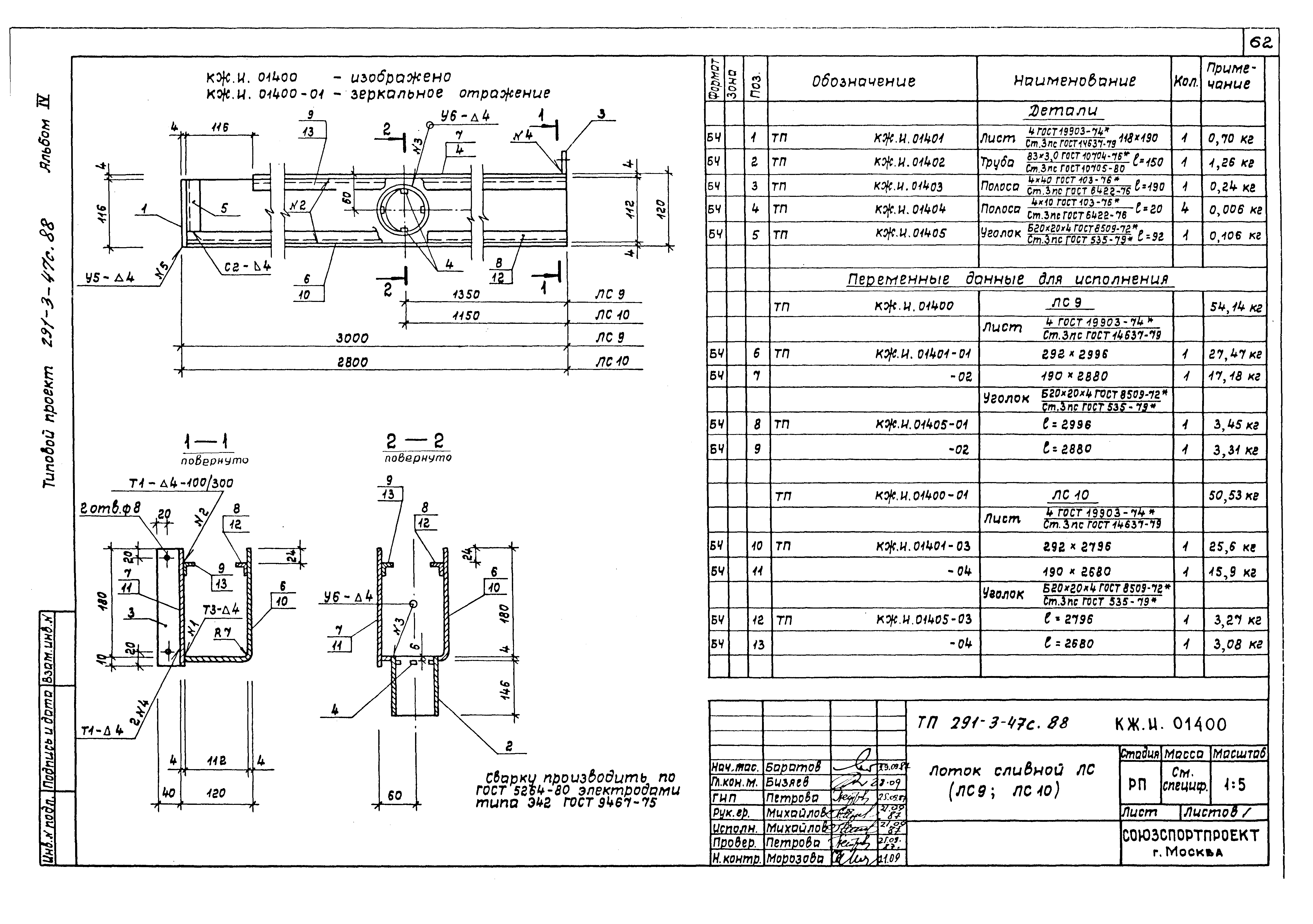
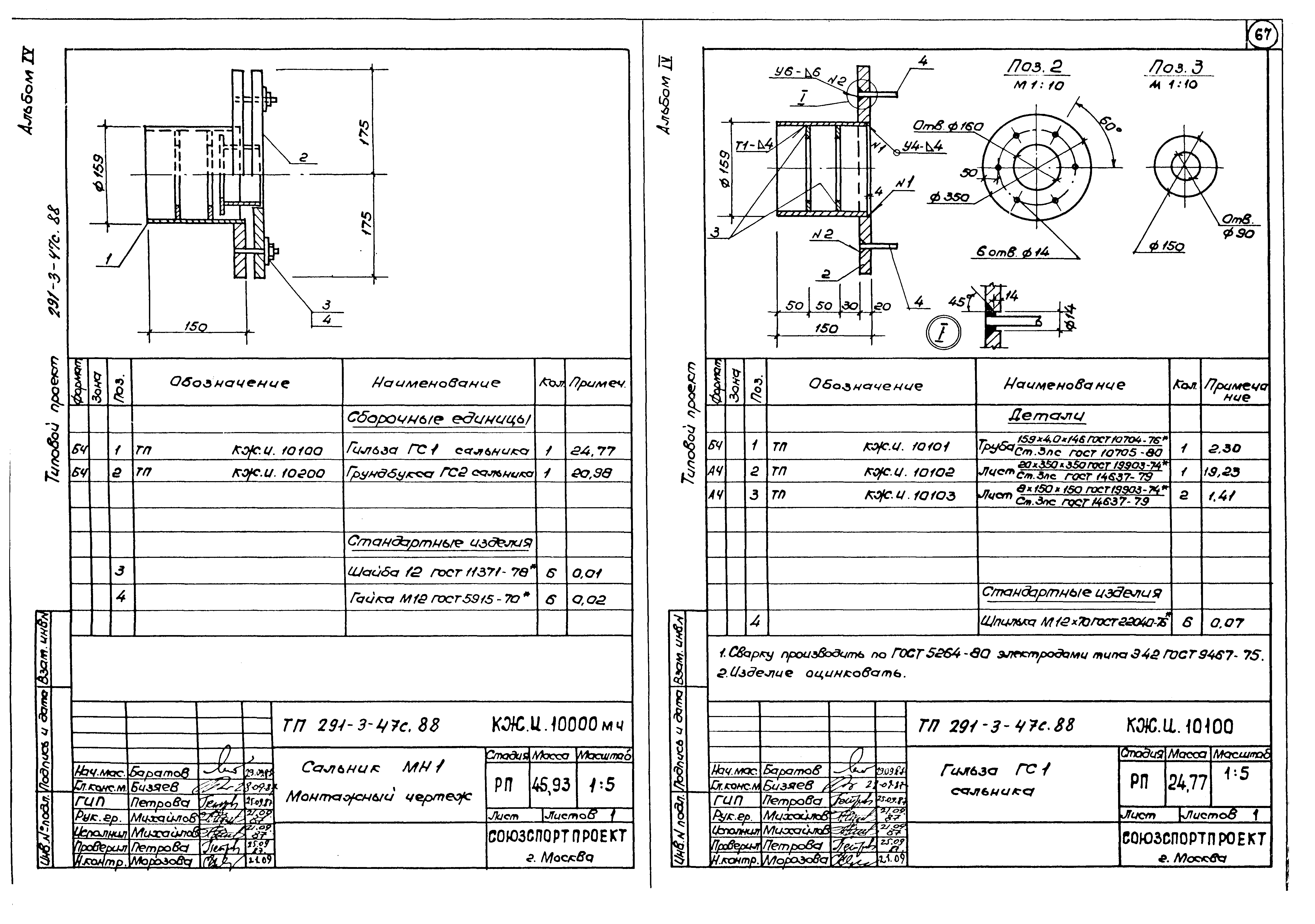
| Оглавление: | Содержание альбома АС.И000000ТТ Технические требования к изготовлению деревянных изделий АС.И.01.0000 Дверь сауны АС.И.01.0100 Коробка двери сауны АС.И.01.0200 Полотно двери сауны АС.И.02.0000 Съемная деревянная решетка РД-1 АС.И.03.0000 Поручень АС.И.00.0000ТТ Технические требования к изготовлению арматурных и металлических изделий АС.И.04.0100 Сетка С-1 АС.И.04.0200 Сетка С-2 АС.И.04.0300 Сетка С-3 АС.И.04.0400 Сетка С-4 АС.И.04.0500 Сетка С-5 АС.И.04.0600 Сетка С-6 АС.И.04.0700 Сетка С-7 АС.И.04.0800 Сетка С-8 АС.И.04.0900 Сетка С-9 АС.И.04.1000 Сетка С-10 АС.И.04.1100 Сетка С-11 АС.И.04.1200 Сетка С-12 АС.И.04.1300 Сетка С-13 АС.И.04.1400 Сетка С-14 АС.И.04.1500 Сетка С-15 АС.И.04.1600 Сетка С-16 АС.И.04.1700 Сетка С-17 АС.И.04.1800 Сетка С-18 АС.И.04.1900 Сетка С-19 АС.И.04.2000 Сетка С-20 АС.И.04.2100 Сетка С-21 АС.И.04.2200 Сетка С-22 АС.И.04.2300 Сетка С-23 АС.И.04.2400 Сетка С-24 АС.И.04.2500 Каркас К-1 АС.И.04.2600 Каркас К-2 АС.И.04.2700 Каркас К-3 АС.И.04.2800 Объемный каркас ОК-1 АС.И.04.2900 Объемный каркас ОК-2 АС.И.04.3000 Объемный каркас ОК-3 АС.И.04.3100 Отдельный стержень ОС-1 АС.И.04.3200 Отдельный стержень ОС-2 АС.И.04.3300 Закладная деталь ЗД-1 АС.И.04.3400 Закладная деталь ЗД-2 АС.И.04.3500 Закладная деталь ЗД-3 АС.И.04.3600 Закладная деталь ЗД-4 АС.И.04.3700 Закладная деталь ЗД-5 АС.И.04.3800 Закладная деталь ЗД-6 АС.И.04.3900 Ограничитель перемещ. ОП-1 АС.И.04.4000 Ограничитель перемещ. ОП-2 АС.И.04.4100 Ограничитель перемещ. ОП-3 АС.И.04.4200 Рамка РМ-1 АС.И.04.4300 Металлическое изделие МИ-1 АС.И.04.4400 Рамка РМ-2 АС.И.04.4500 Металлическое изделие МИ-2 АС.И.04.4600 Металлическое изделие МИ-3 АС.И.04.4700 Металлическое изделие МИ-4 АС.И.04.4800 Рамка РМ-3 АС.И.05.01.00 Металлическое изделие МИ-1 АС.И.05.02.00 Крепежная деталь МД-1 АС.И.05.03.01СБ Каркас ВБ-1 АС.И.05.03.01 Каркас ВБ-1 АС.И.05.04.01СБ Каркас ВБ-2 АС.И.05.04.01 Каркас ВБ-2 АС.И.05.05.01СБ Каркас ВБ-3 АС.И.05.05.01 Каркас ВБ-3 АС.И.05.06.01СБ Каркас ВБ-4 АС.И.05.06.01 Каркас ВБ-4 АС.И.05.07.01СБ Каркас ВБ-5 АС.И.05.07.01 Каркас ВБ-5 АС.И.05.08.01СБ Каркас ВБ-6 АС.И.05.08.01 Каркас ВБ-6 АС.И.05.09.01 Хомут крепежный АС.И.05.10.00 Решетка для вытирания ног МР АС.И.05.11.00 Окаймляющая рамка Р-1 КЖИ 00100 Сетка С (С1 - С6) КЖИ 00200 Сетка С (С7 - С11) КЖИ 00300 Труба наполнения МН (МН2; МН3) КЖИ 00400 Труба переливная МН4 КЖИ 00500 Трап МН5 КЖИ 00600 Ступень МН6 КЖИ 00700 Элемент крепления сливного лотка МН7 КЖИ 00800 Деталь скользящей опоры МН8 КЖИ 00900 Упор МН9 КЖИ 01000 Лоток сливной ЛС (ЛС1; ЛС2) КЖИ 01100 Лоток сливной ЛС (ЛС3; ЛС4) КЖИ 01200 Лоток сливной ЛС (ЛС5; ЛС6) КЖИ 01300 Лоток сливной ЛС (ЛС7; ЛС8;Л С8а) КЖИ 01400 Лоток сливной ЛС (ЛС9; ЛС10) КЖИ 01500 Решетка трапа РМ1 КЖИ 00001 Решетка трубы перелива РМ (РМ2; РМ3) КЖИ 00002 Поручень ПМ (ПМ1; ПМ2) КЖИ 00003 Крюк КР1 КЖИ 016000 Решетка сливного лотка РМ (РМ4 - РМ6) КЖИ 01700 Решетка сливного лотка РМ (РМ7 - РМ9) КЖИ 10000М4 Сальник МН1. Монтажный чертеж КЖИ 10100 Гильза ГС1 сальника КЖИ 10200 Грундбукса ГС2 сальника |
| Разработан: | Союзспортпроект Спорткомитета СССР |
| Утверждён: | 03.11.1987 Госгражданстрой (Gosgrazhdanstroy 351) |
| Издан: | ЦИТП Госстроя СССР (CITP, Gosstroy (USSR) 1988 г. ) |



































































