Скачать ВСН 34-83 Цементация скальных оснований гидротехнических сооруженийДата актуализации: 01.01.2021
|
| Обозначение: | ВСН 34-83 |
| Обозначение англ: | VSN 34-83 |
| Статус: | действует |
| Название рус.: | Цементация скальных оснований гидротехнических сооружений |
| Дата добавления в базу: | 01.09.2013 |
| Дата актуализации: | 01.01.2021 |
| Дата введения: | 31.03.1984 |
| Область применения: | Нормы предъявляют требования к производству цементационных работ в скальных основаниях гидротехнических сооружений: при устройстве противофильтрационных завес и проведении площадной цементации с целью упрочнения и уменьшения водопроницаемости грунтов; при проведении укрепительной цементации с целью улучшения деформационных свойств грунтов. |
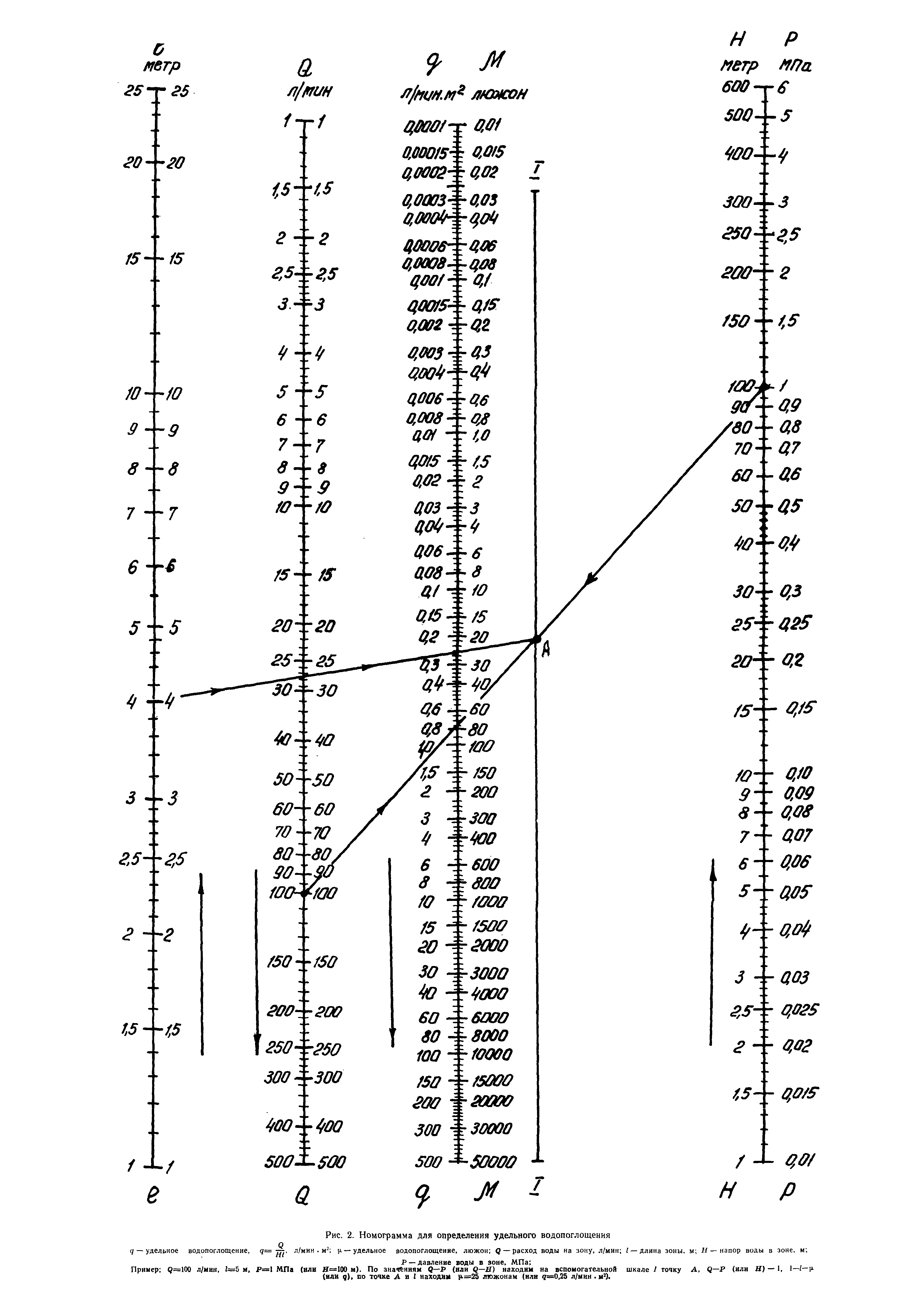
| Оглавление: | 1 Общие положения 2 Общие условия производства работ. Требования к проектам 3 Опытно-производственные работы 4 Последовательность цементации скважин 5 Способы обработки скважин 6 Уточнение глубины скважин завесы 7 Привязка и нумерация скважин 8 Бурение скважин 9 Установка тампона 10 Гидравлическое опробование 11 Материалы для цементационных растворов 12 Растворы и их приготовление 13 Цементационное оборудование и контрольно-измерительная аппаратура 14 Нагнетание раствора 15 Ликвидационный тампонах скважин 16 Техническая документация 17 Контроль работ 18 Цементация в зимних условиях 19 Техника безопасности Приложения |
| Разработан: | ВНИИГ им. Б.Е. Веденеева Минэнерго СССР Гидропроект им. С.Я. Жука Институт Гидроспецпроект Минэнерго СССР ВО Гидроспецстрой Минэнерго СССР |
| Утверждён: | 12.05.1983 Главниипроект Минэнерго СССР (Glavniiproject, USSR Minenergo 17) 12.05.1983 ВО Гидроспецстрой Минэнерго СССР (17) |
| Принят: | 17.02.1983 Госстрой СССР (Государственный комитет Совета Министров СССР по делам строительства) (USSR Gosstroy ДП-903-1) |
| Издан: | ВНИИГ им. Б.Е. Веденеева (1984 г. ) |
| Список изменений: | |
| Заменяет собой: |
|
| Нормативные ссылки: |
|




























































Текстовое изменение опечатки