Скачать Общемашиностроительные нормативы времени вспомогательного, на обслуживание рабочего места и подготовительно-заключительного на работы, выполняемые на металлорежущих станках. Среднесерийное и крупносерийное производствоДата актуализации: 01.01.2021
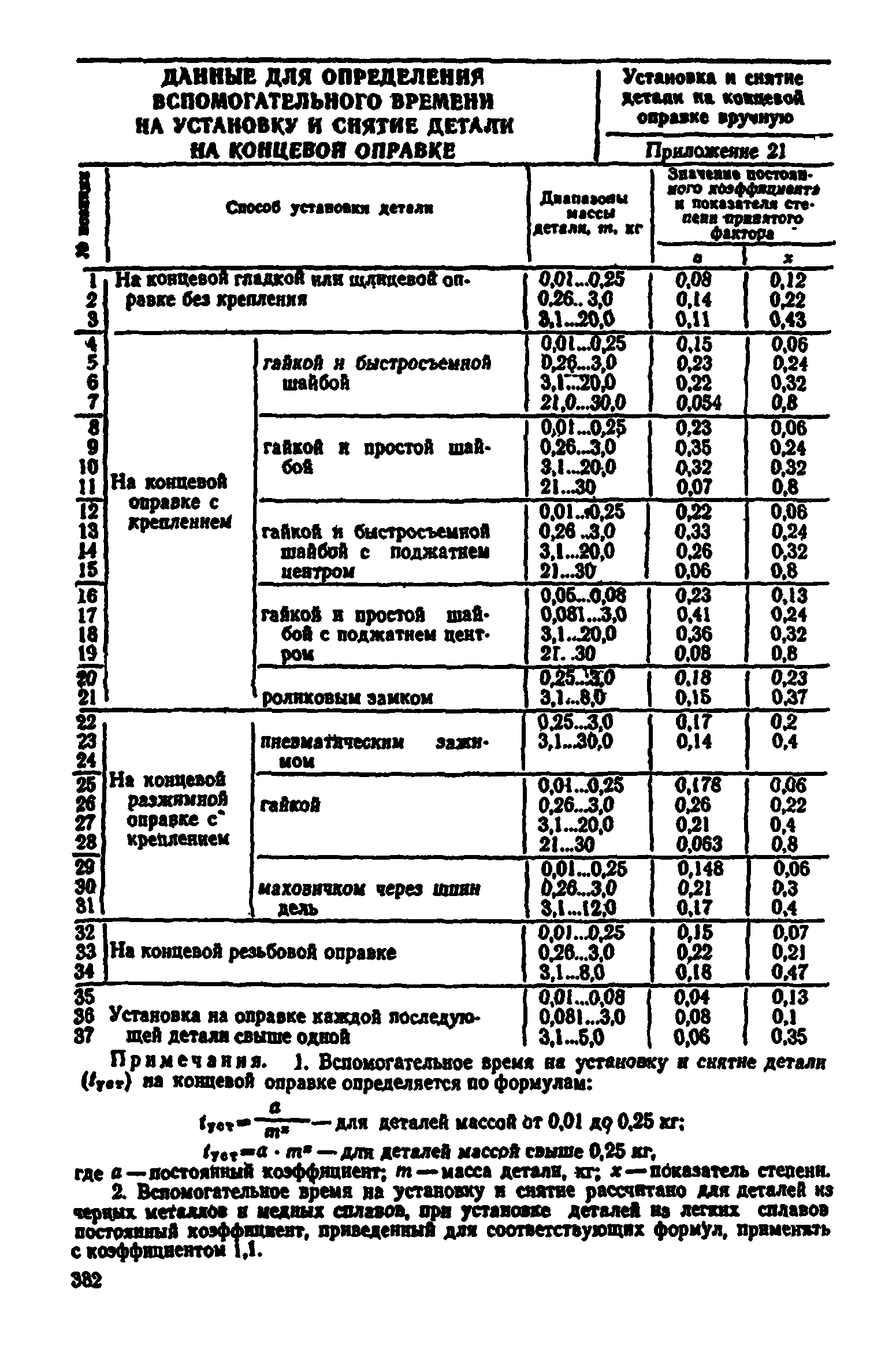
Общемашиностроительные нормативы времени вспомогательного, на обслуживание рабочего места и подготовительно-заключительного на работы, выполняемые на металлорежущих станках. Среднесерийное и крупносерийное производство| Статус: | действует | | Название рус.: | Общемашиностроительные нормативы времени вспомогательного, на обслуживание рабочего места и подготовительно-заключительного на работы, выполняемые на металлорежущих станках. Среднесерийное и крупносерийное производство | | Дата добавления в базу: | 01.09.2013 | | Дата актуализации: | 01.01.2021 | | Область применения: | Сборник содержит нормативы вспомогательного времени, времени на обслуживание рабочего места, времени перерывов на отдых и личные надобности и подготовительно-заключительного времени при работе на наиболее распространенных видах универсального и специализированного оборудования, применяемого в машиностроении в условиях среднесерийного и крупносерийного производства. | | Оглавление: | Общая часть Примеры расчета норм времени Организационно-технические условия и организация труда Нормативная часть Карты Приложения | | Разработан: | ЦБНТ
| | Список изменений: | | | Заменяет собой: | - «Общемашиностроительные нормативы времени вспомогательного, на обслуживание рабочего места и подготовительно-заключительного для технического нормирования станочных работ. Серийное производство» (Машиностроение, 1974)
- «Общемашиностроительные нормативы времени вспомогательного, на обслуживание рабочего места и подготовительно-заключительного на работы, выполняемые на малогабаритных металлорежущих станках. Мелкосерийное, серийное и крупносерийное производство» (Машиностроение, 1974)
- «Общемашиностроительные нормативы времени и режимов резания на токарно-автоматные работы» (Машиностроение, 1959, 1962, 1970 гг.)
|
                                                                                                                                                                                                                                                                                                                                                                                                                                                                                       
Текстовое изменение опечатки

|