Скачать Общемашиностроительные нормативы времени для нормирования многостаночных работ на металлорежущих станках

Дата актуализации: 01.01.2021

Общемашиностроительные нормативы времени для нормирования многостаночных работ на металлорежущих станках

Статус:действует
Название рус.:Общемашиностроительные нормативы времени для нормирования многостаночных работ на металлорежущих станках
Дата добавления в базу:01.09.2013
Дата актуализации:01.01.2021
Область применения:Нормативы времени предназначены для нормировщиков, технологов и других инженерно-технических работников, занятых разработкой технически обоснованных норм обслуживания, времени и выработки в условиях многостаночного обслуживания.
Оглавление:1. Общая часть
Условные обозначения
2. Классификация многостаночного обслуживания
3. Проектирование многостаночного обслуживания
4. Расчет норм обслуживания, времени и выработки для рабочих мест, не связанных общим ритмом работы
5. Расчет норм времени и выработки
6. Примеры выбора числа обслуживаемых станков и расчета технически обоснованных норм времени и выработки при многостаночном обслуживании
7. Расчет норм обслуживания и расстановки рабочих при многостаночном обслуживании на станках, связанных общим ритмом работы (поточные линии)
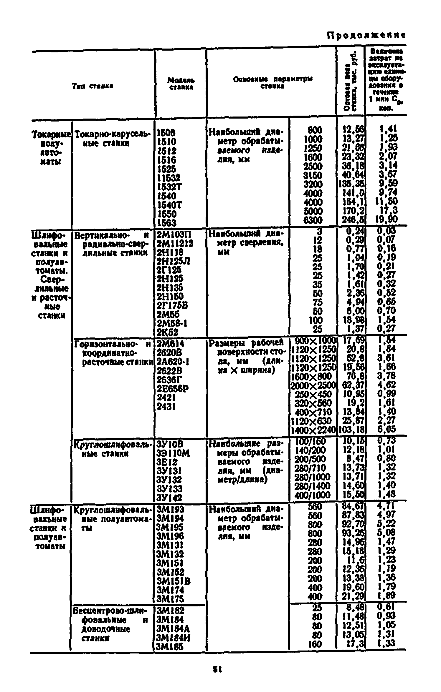
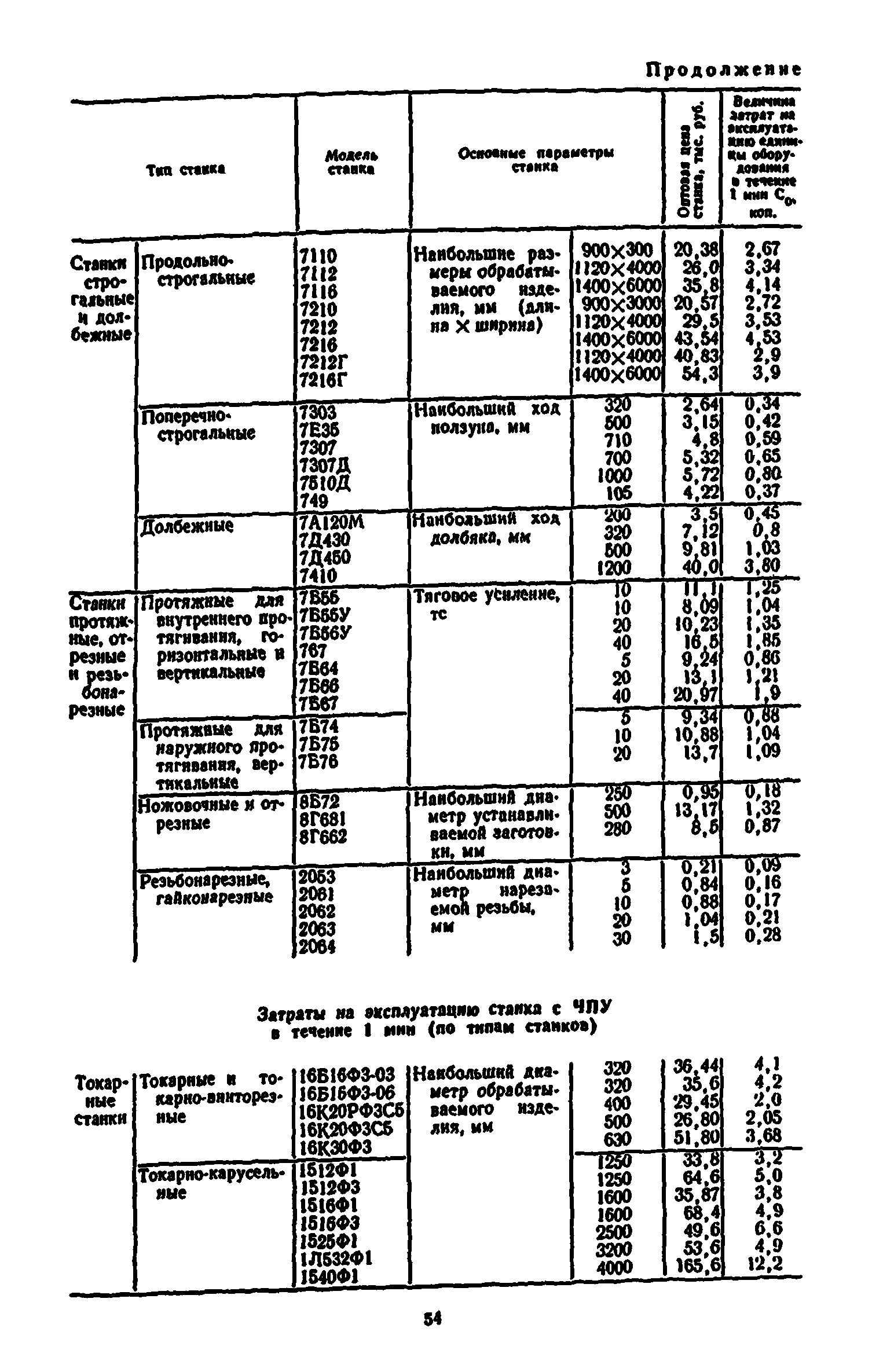
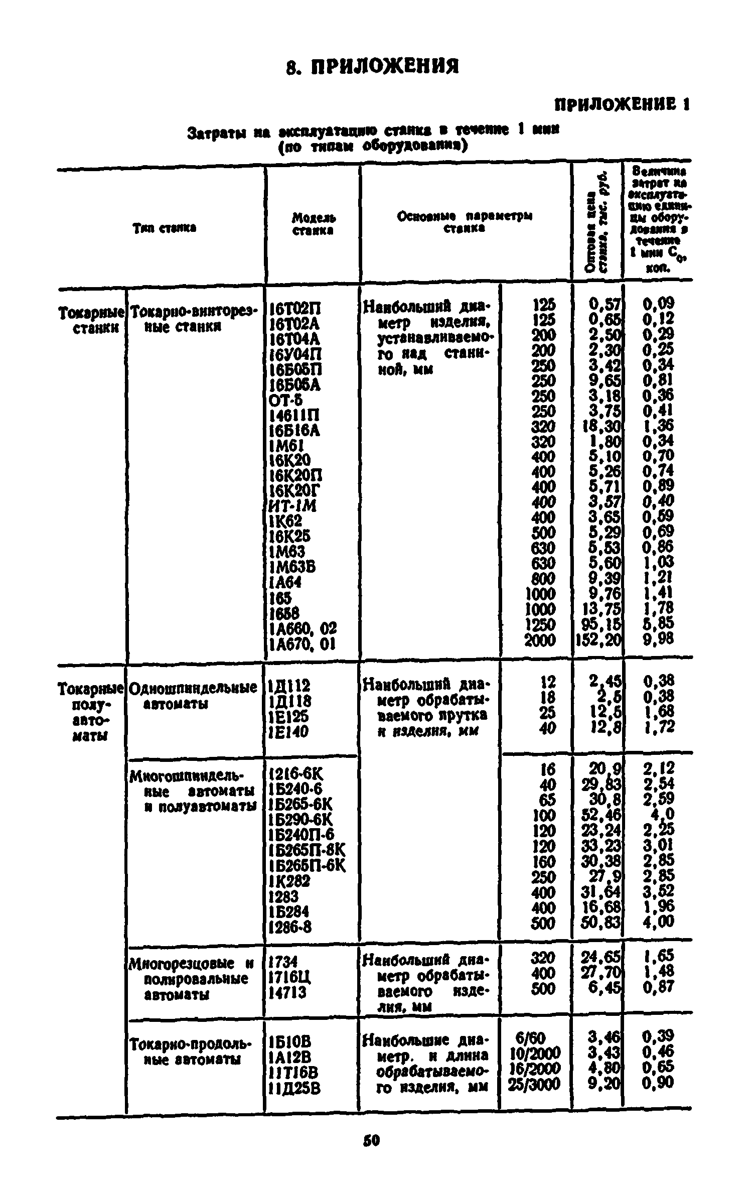
8. Приложения
Разработан: ЦБНТ
Утверждён:10.11.1987 Государственный комитет СССР по труду и социальным вопросам (695/30-49)
Издан: Издательство Экономика (1989 г. )
Заменяет собой:
  • «Методика и нормативы времени для нормирования многостаночных работ на металлорежущих станках» (НИИ труда, 1968, 1972, 1973)