Скачать Типовой проект 0901-9-8.83 Альбом I. Общая пояснительная записка. Технологическая и строительная частиДата актуализации: 01.01.2021
|
| Обозначение: | Типовой проект 0901-9-8.83 |
| Обозначение англ: | 0901-9-8.83 |
| Статус: | не действует |
| Название рус.: | Альбом I. Общая пояснительная записка. Технологическая и строительная части |
| Дата добавления в базу: | 01.09.2013 |
| Дата актуализации: | 01.01.2021 |
| Область применения: | Фильтры-поглотители предназначены для оборудования проектируемых и дооборудования существующих резервуаров питьевой воды |
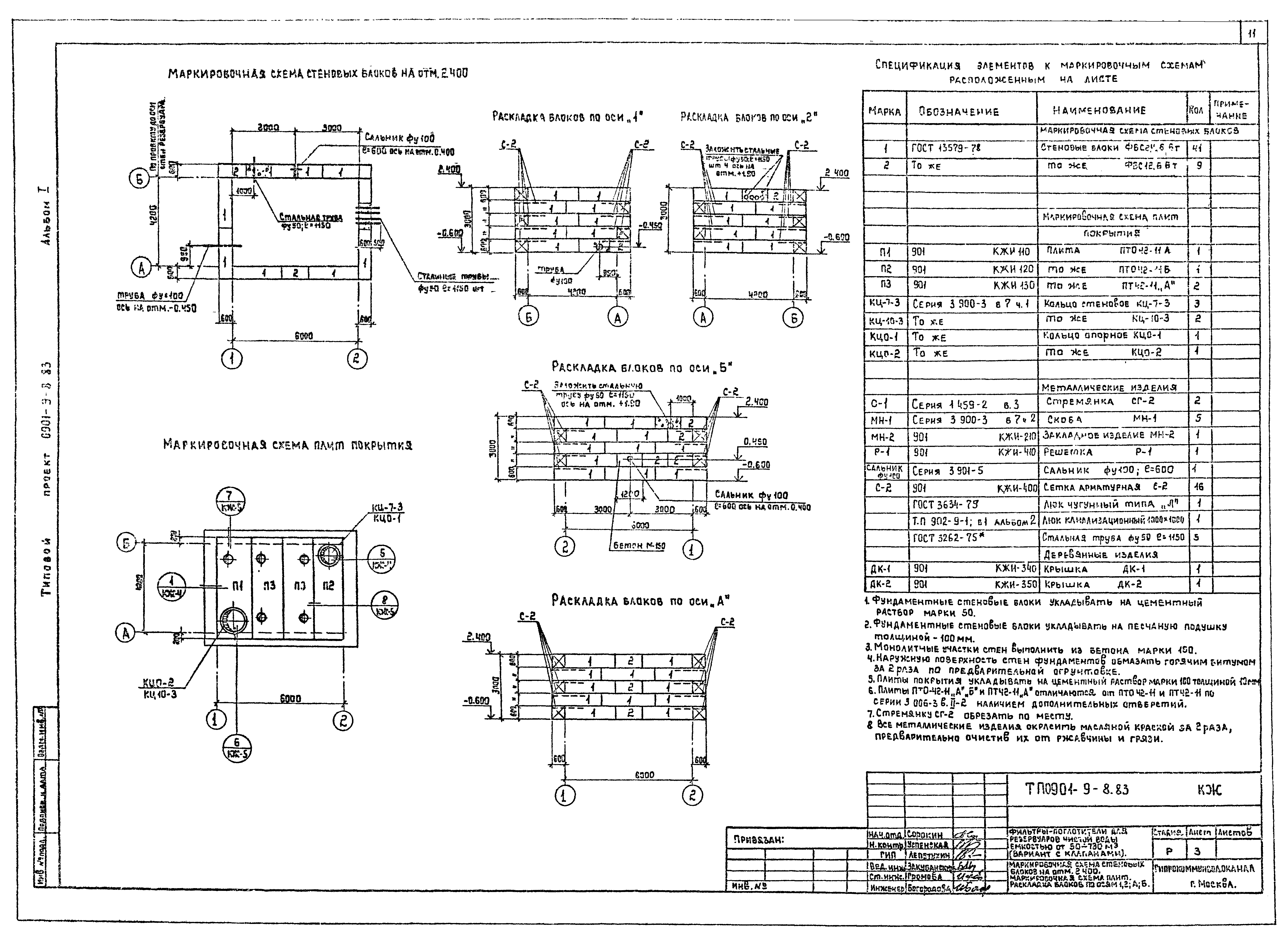
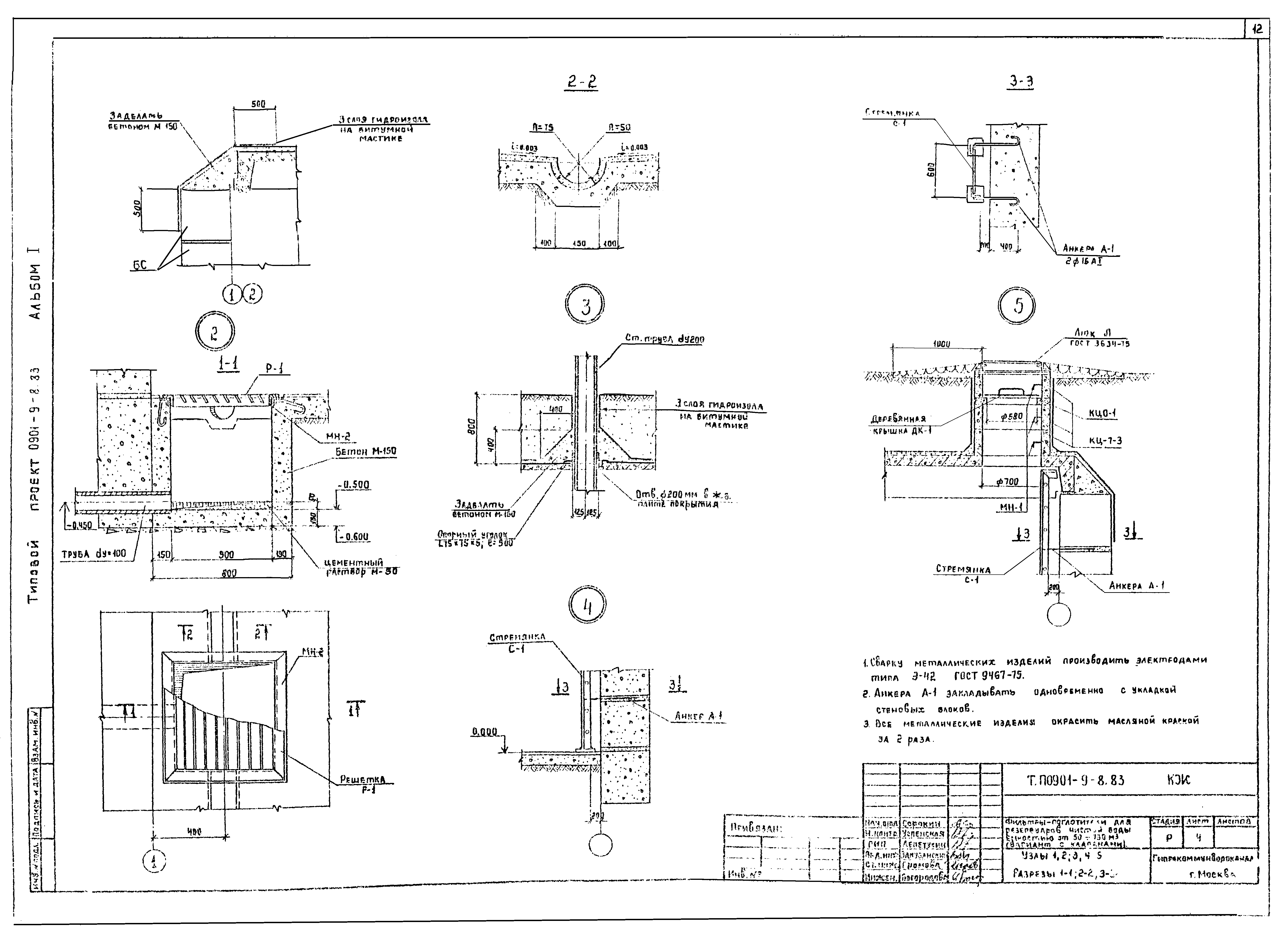
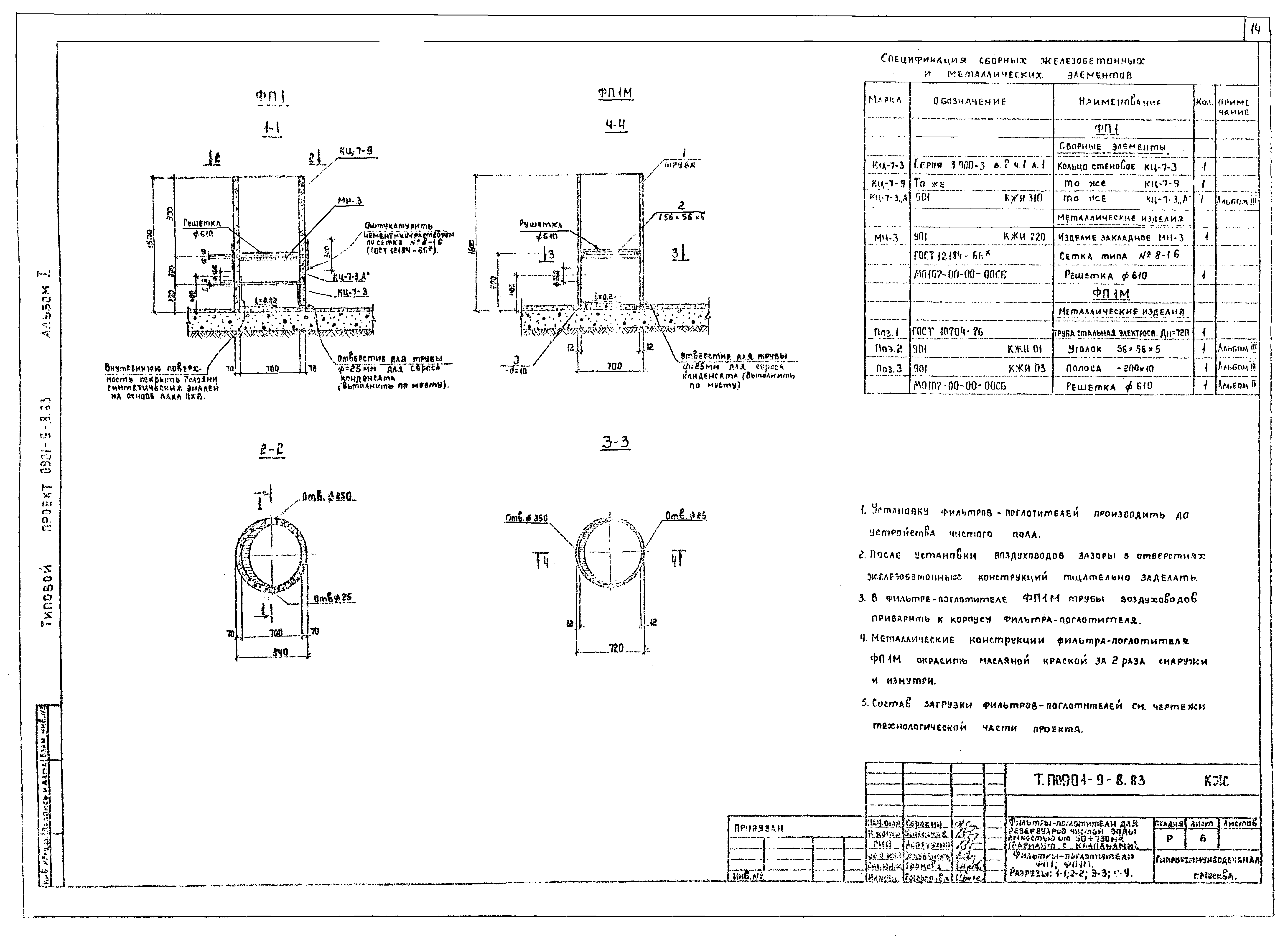
| Оглавление: | Содержание Пояснительная записка Технологическая часть Общие данные План 1-1. Разрезы 2-2; 3-3. Спецификация Строительная часть Общие данные План. Разрезы Раскладка стеновых блоков по осям А; Б; 1; 2 Перекрытие камеры Узлы 1 - 5 Узлы 6 - 8 Фильтры-поглотители ФП 1; ФП 1м Фильтры-поглотители ФП 2б; ФП 2к Ведомость расхода стали на элементы |
| Разработан: | Гипрокоммунводоканал Минжилкомхоза РСФСР |
| Утверждён: | 02.11.1982 Минжилкомхоз РСФСР (Russian Federation Minzhilkomkhoz 18-ТД) |















