Скачать Типовой проект 0901-9-12.83 Альбом II. Электротехническая часть и технологический контрольДата актуализации: 01.01.2021
|
| Обозначение: | Типовой проект 0901-9-12.83 |
| Обозначение англ: | 0901-9-12.83 |
| Статус: | не действует |
| Название рус.: | Альбом II. Электротехническая часть и технологический контроль |
| Дата добавления в базу: | 01.09.2013 |
| Дата актуализации: | 01.01.2021 |
| Область применения: | В проекте разработано силовое электрооборудование, автоматизация управления электрофицированной задвижкой на воздушном трубопроводе и электроотоплением, технологический контроль, электрическое освещение и заземление |
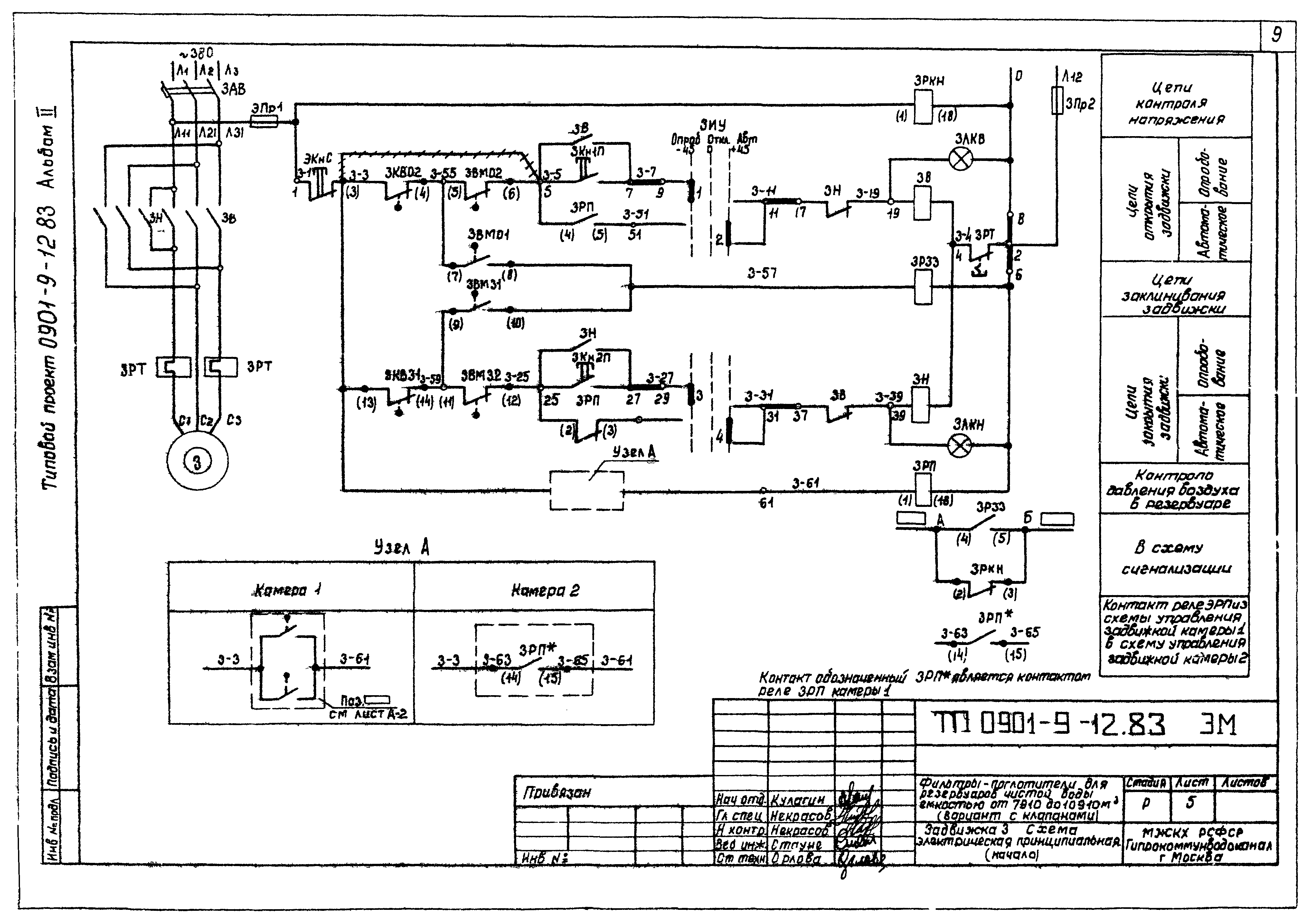
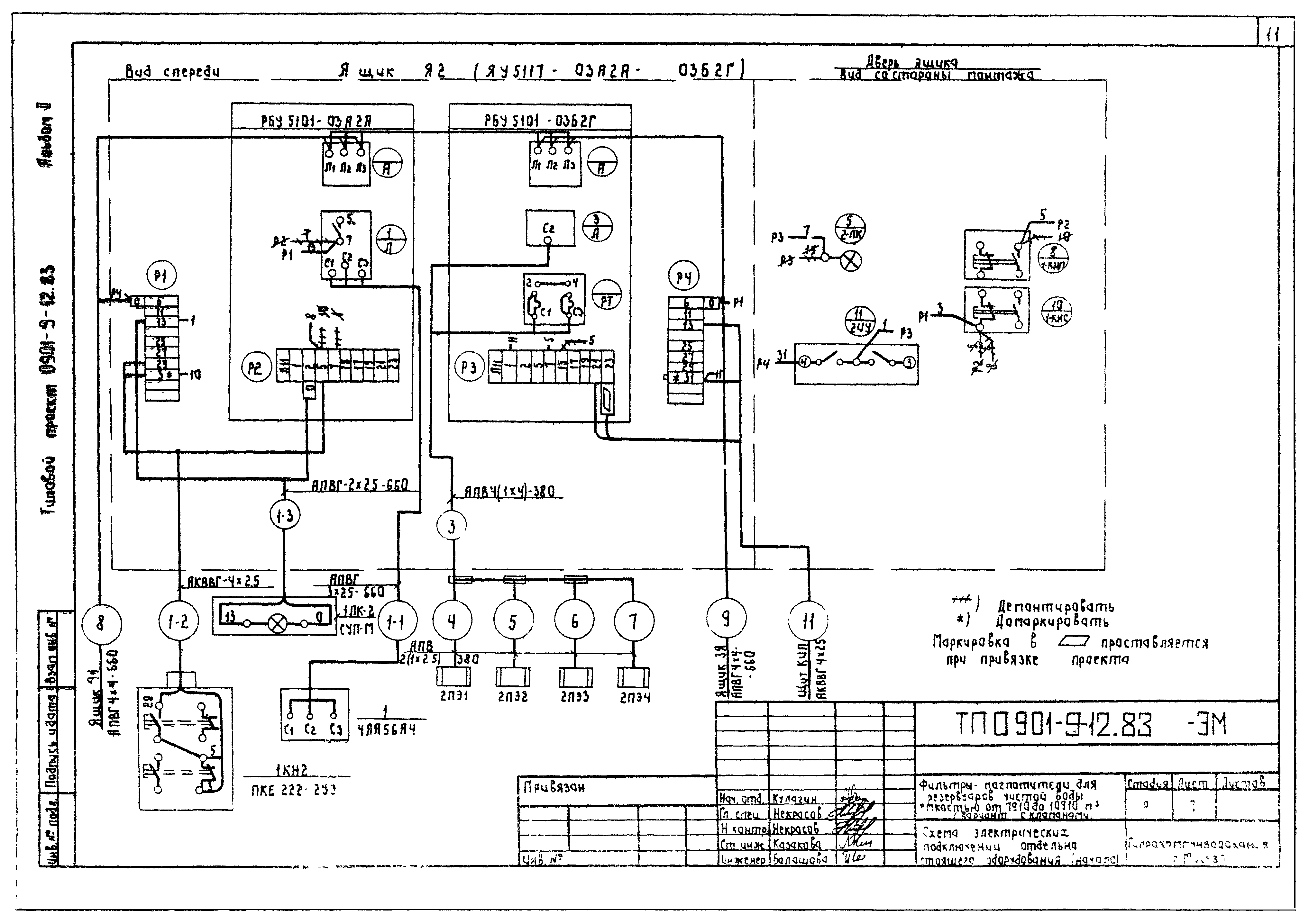
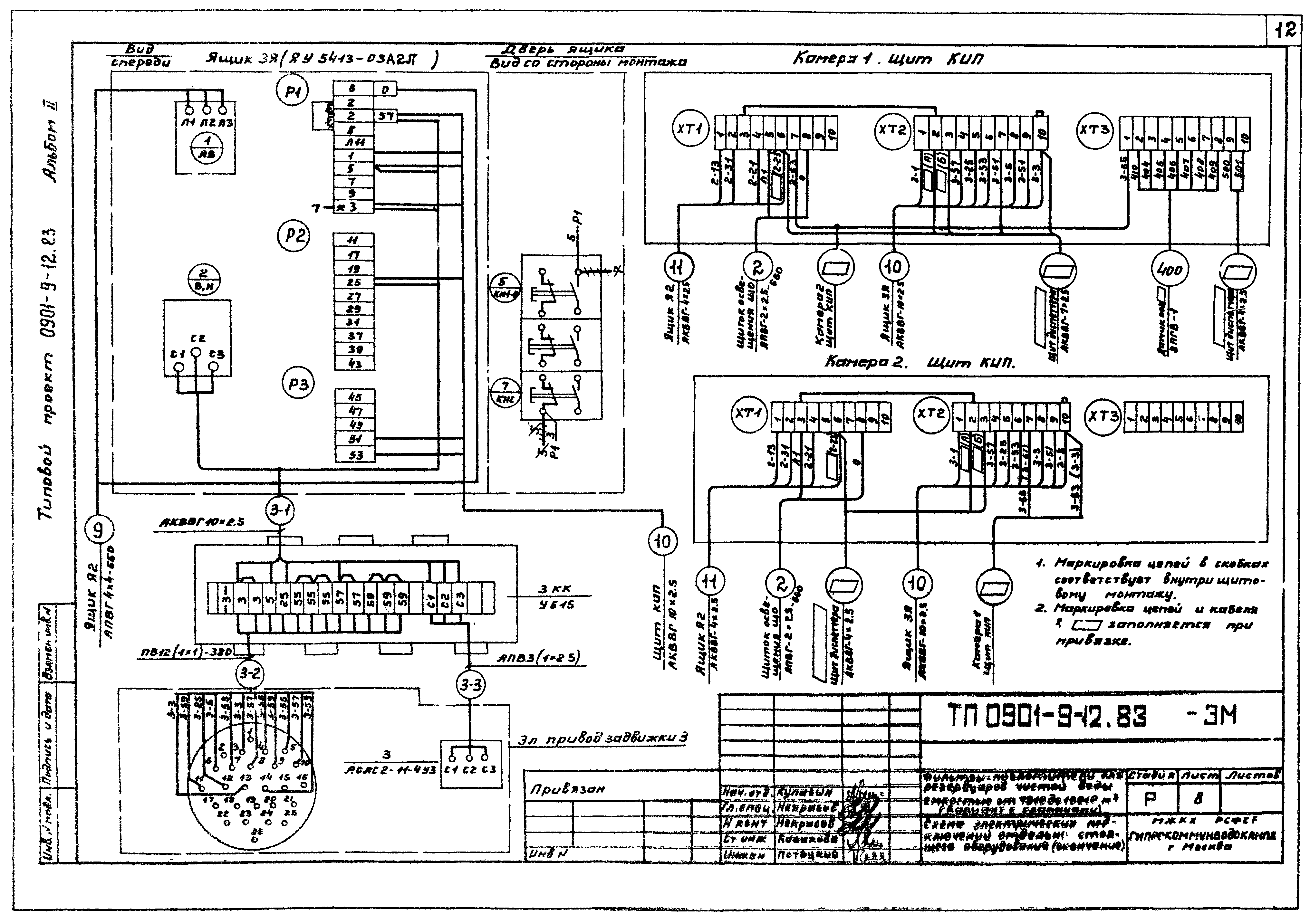
| Оглавление: | Содержание альбома II Пояснительная записка Основной комплект чертежей марки ЭМ Общие данные Схема электрическая принципиальная однолинейная 380/220 В Вентилятор 1. Схема электрическая, принципиальная Электропечи 2. Схема Электрическая, принципиальная Задвижка 3. Схема Электрическая, принципиальная Схема электрических подключений отдельно стоящего оборудования Кабельный журнал. Сводка кабелей и проводов Расположение электрооборудования и прокладка сетей. Заземление. Планы Электроосвещение. Планы Прилагаемые документы основного комплекта марки ЭМ Ведомость электрооборудования, кабельных изделий и материалов Ведомость объемов электромонтажных работ. Ведомость потребности электромонтажных изделий Основной комплект чертежей марки А Общие данные. Спецификация основных монтажных материалов и изделий, поставляемых подрядчиком Схема функциональная Схема электрическая, принципиальная питания приборов. Схема внешних электрических и трубных проводок План расположения средств автоматизации и проводок Прилагаемые документы основного комплекта марки А Щит КИП. Общий вид |
| Разработан: | Гипрокоммунводоканал Минжилкомхоза РСФСР |
| Утверждён: | 02.11.1982 Минжилкомхоз РСФСР (Russian Federation Minzhilkomkhoz 18-ТД) |



























