Скачать Серия 3.900-9 Выпуск 2. Опорные конструкции и средства крепления изолированных трубопроводов к железобетонным колоннам. Рабочие чертежиДата актуализации: 01.01.2021
|
| Обозначение: | Серия 3.900-9 |
| Обозначение англ: | Series 3.900-9 |
| Статус: | не действует |
| Название рус.: | Выпуск 2. Опорные конструкции и средства крепления изолированных трубопроводов к железобетонным колоннам. Рабочие чертежи |
| Дата добавления в базу: | 01.09.2013 |
| Дата актуализации: | 01.01.2021 |
| Дата введения: | 01.03.1987 |
| Дата окончания срока действия: | 01.03.1992 |
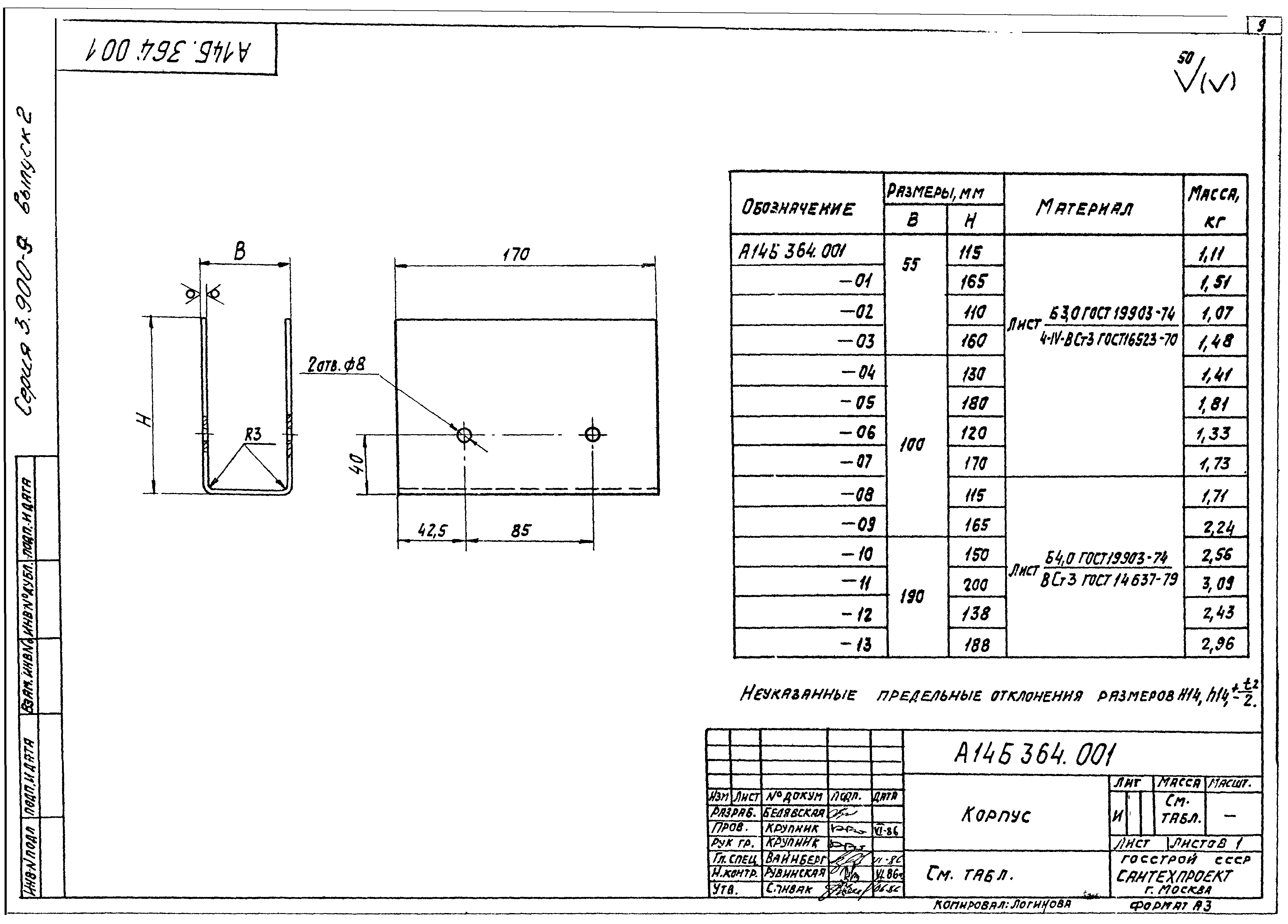
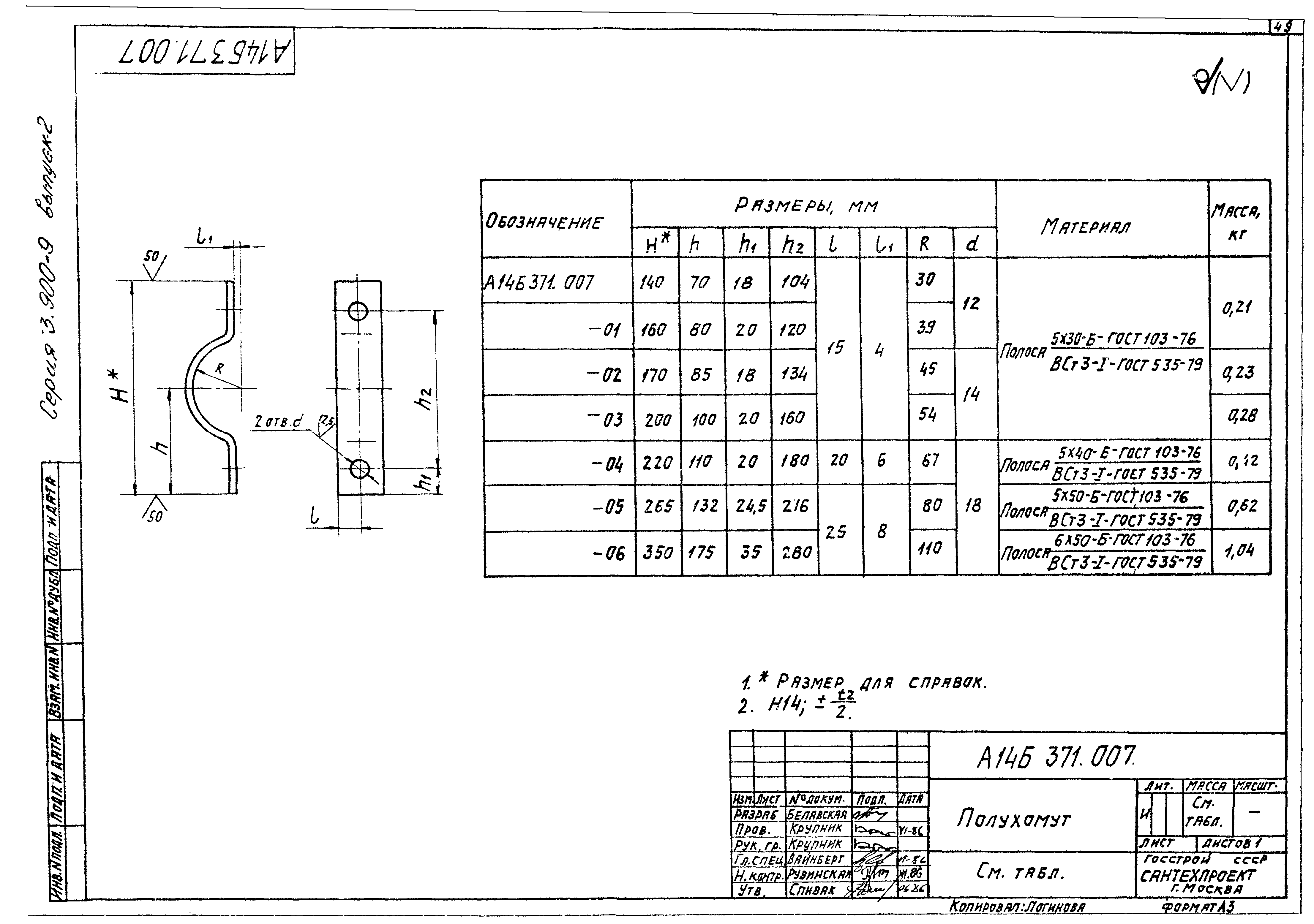
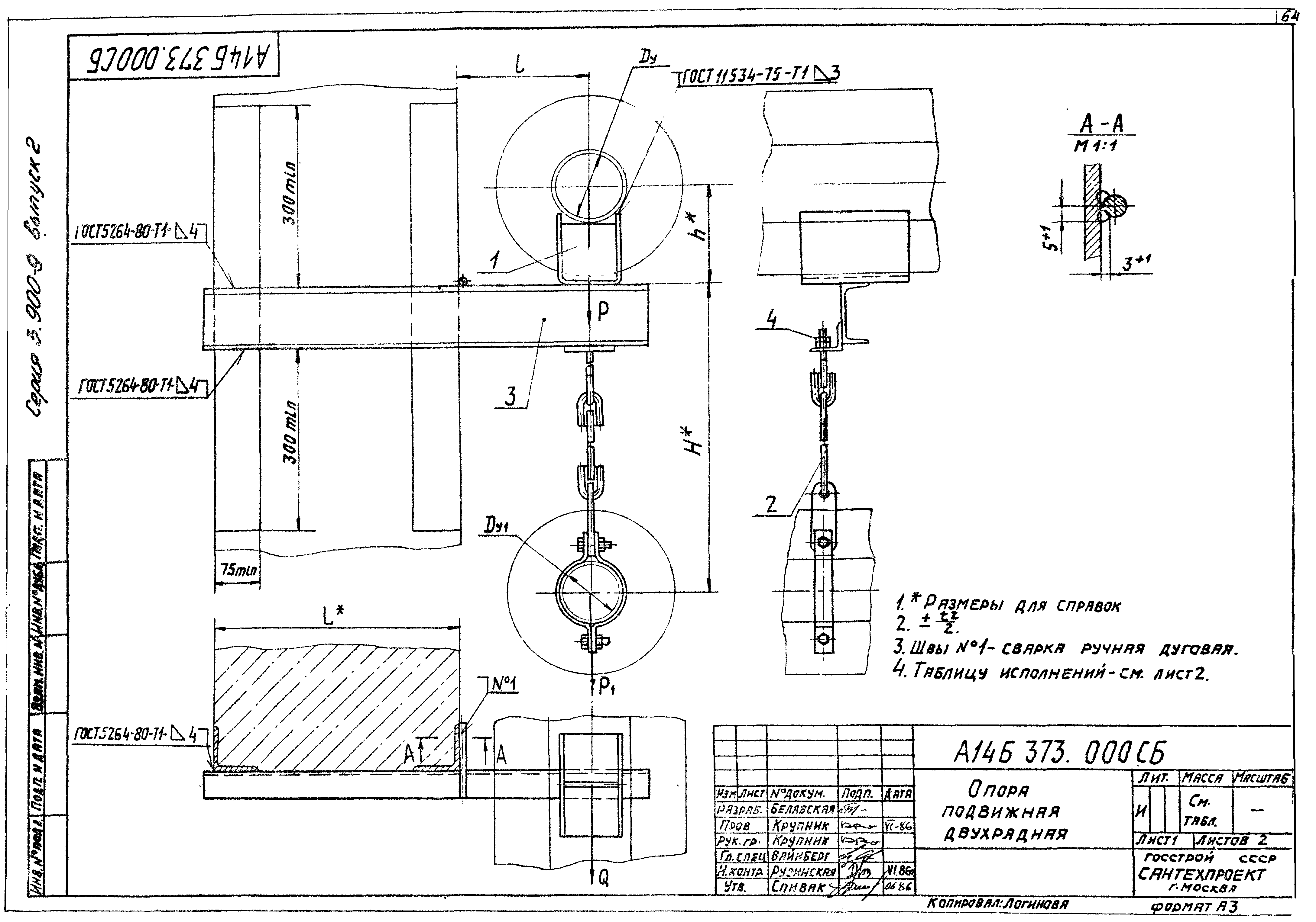
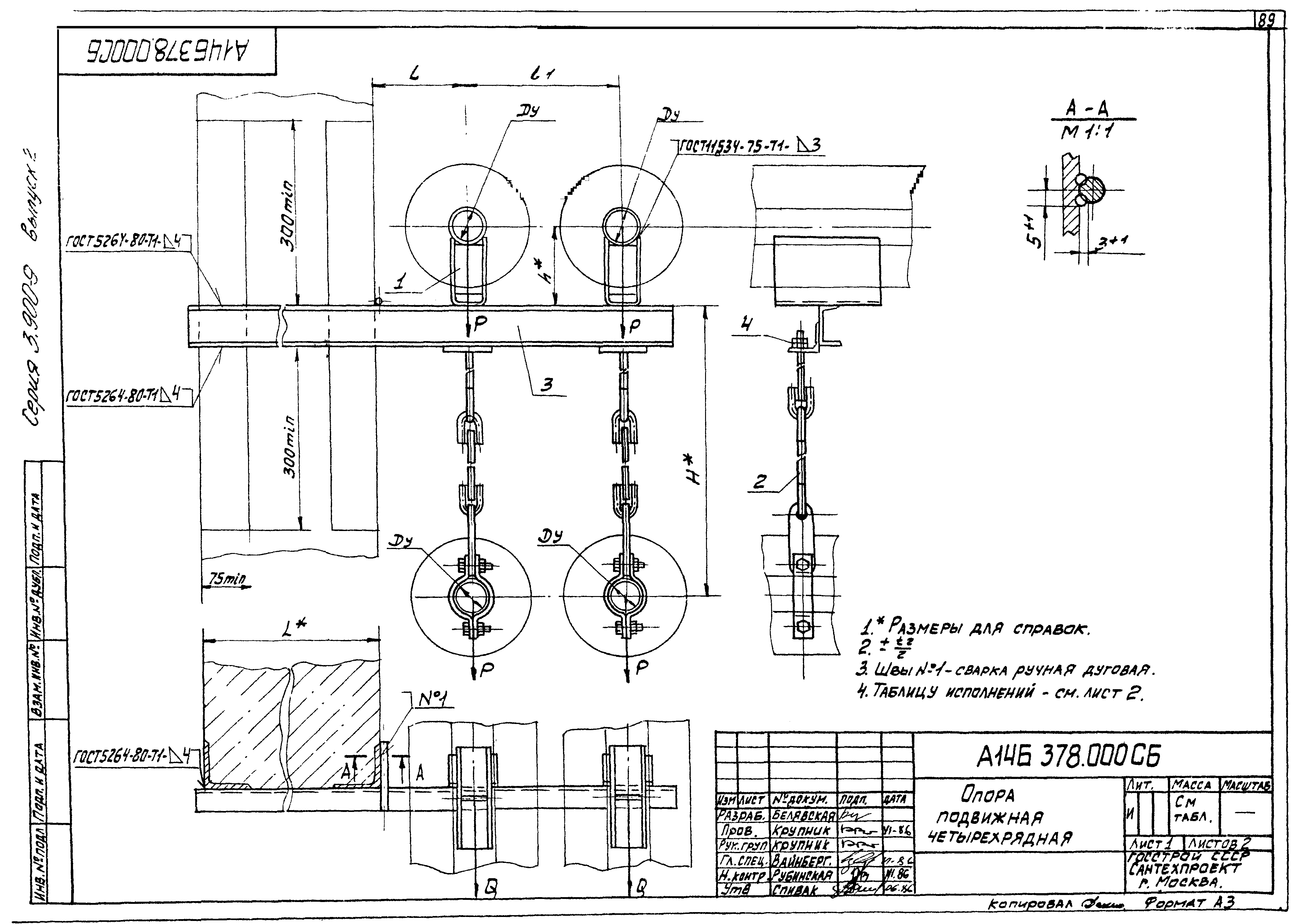
| Оглавление: | Содержание А14Б364.000 Опора подвижная А14Б364.000СБ Опора подвижная А14Б364.010 Опора А14Б364.002 Ребро А14Б364.010СБ Опора А14Б364.001 Корпус А14Б364.020 Кронштейн А14Б364.020СБ Кронштейн А14Б364.004 Уголок А14Б365.002 Косынка А14Б365.000 Опора подвижная А14Б365.000СБ Опора подвижная А14Б365.010 Кронштейн А14Б365.010СБ Кронштейн А14Б366.000 Опора подвижная А14Б365.001 Лист А14Б366.000СБ Опора подвижная А14Б366.002 Упор А14Б366.010 Кронштейн А14Б366.001 Уголок А14Б366.010СБ Кронштейн А14Б367.000 Опора подвижная А14Б371.001 Уголок А14Б367.000СБ Опора подвижная А14Б367.010 Кронштейн А14Б367.010СБ Кронштейн А14Б367.001 Швеллер А14Б368.000 Опора подвижная двухрядная А14Б368.000СБ Опора подвижная двухрядная А14Б371.002 Косынка А14Б369.000 Опора подвижная двухрядная А14Б369.000СБ Опора подвижная двухрядная А14Б370.000 Опора подвижная двухрядная А14Б370.000СБ Опора подвижная двухрядная А14Б371.000 Опора подвижная двухрядная А14Б371.000СБ Опора подвижная двухрядная А14Б371.010 Кронштейн А14Б371.010СБ Кронштейн А14Б371.005 Ушко А14Б371.020 Подвеска А14Б371.020СБ Подвеска А14Б371.004 Тяга А14Б371.007 Полухомут А14Б372.000 Опора подвижная двухрядная А14Б372.000СБ Опора подвижная двухрядная А14Б372.010 Кронштейн А14Б372.010СБ Кронштейн А14Б372.001 Швеллер А14Б371.006 Серьга А14Б373.000 Опора подвижная двухрядная А14Б373.000СБ Опора подвижная двухрядная А14Б379.003 Накладка А14Б374.000 Опора подвижная трехрядная А14Б374.000СБ Опора подвижная трехрядная А14Б375.000 Опора подвижная трехрядная А14Б375.000СБ Опора подвижная трехрядная А14Б376.000 Опора подвижная трехрядная А14Б376.000СБ Опора подвижная трехрядная А14Б379.004 Уголок А14Б377.000 Опора подвижная трехрядная А14Б377.000СБ Опора подвижная трехрядная А14Б378.000 Опора подвижная четырехрядная А14Б378.000СБ Опора подвижная четырехрядная А14Б378.001 Швеллер А14Б378.010 Кронштейн А14Б378.010СБ Кронштейн А14Б379.001 Стяжка А14Б379.000 Опора подвижная А14Б379.000СБ Опора подвижная А14Б379.010 Кронштейн А14Б379.010СБ Кронштейн А14Б379.006 Плита А14Б379.020 Плита А14Б379.020СБ Плита А14Б380.000 Опора подвижная двухрядная А14Б380.010 Кронштейн А14Б380.000СБ Опора подвижная двухрядная А14Б380.010СБ Кронштейн А14Б380.001 Уголок |
| Разработан: | ГПИ Сантехпроект Госстроя СССР |
| Утверждён: | 11.07.1986 Главстройпроект Госстроя СССР (43) |
| Чем заменён: |



















































































































