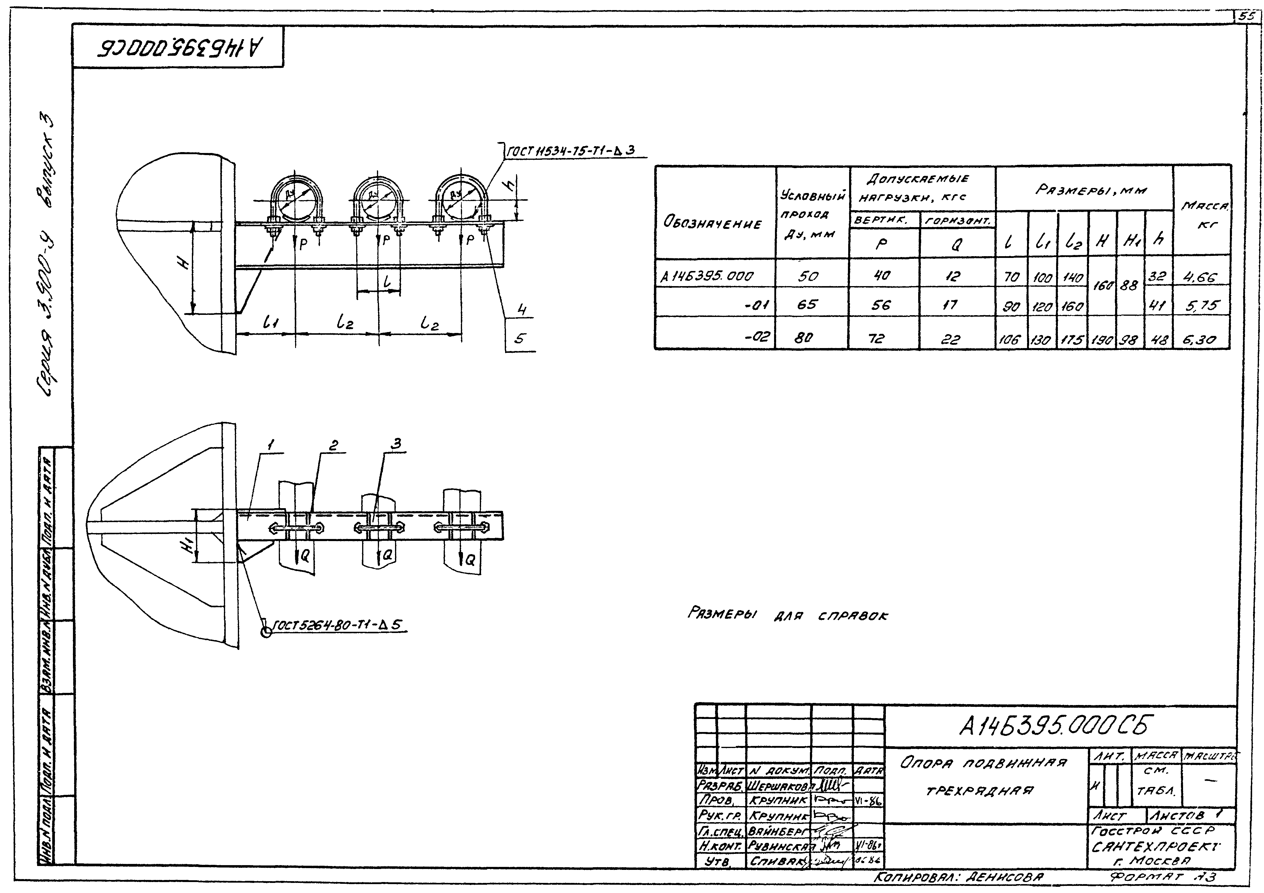
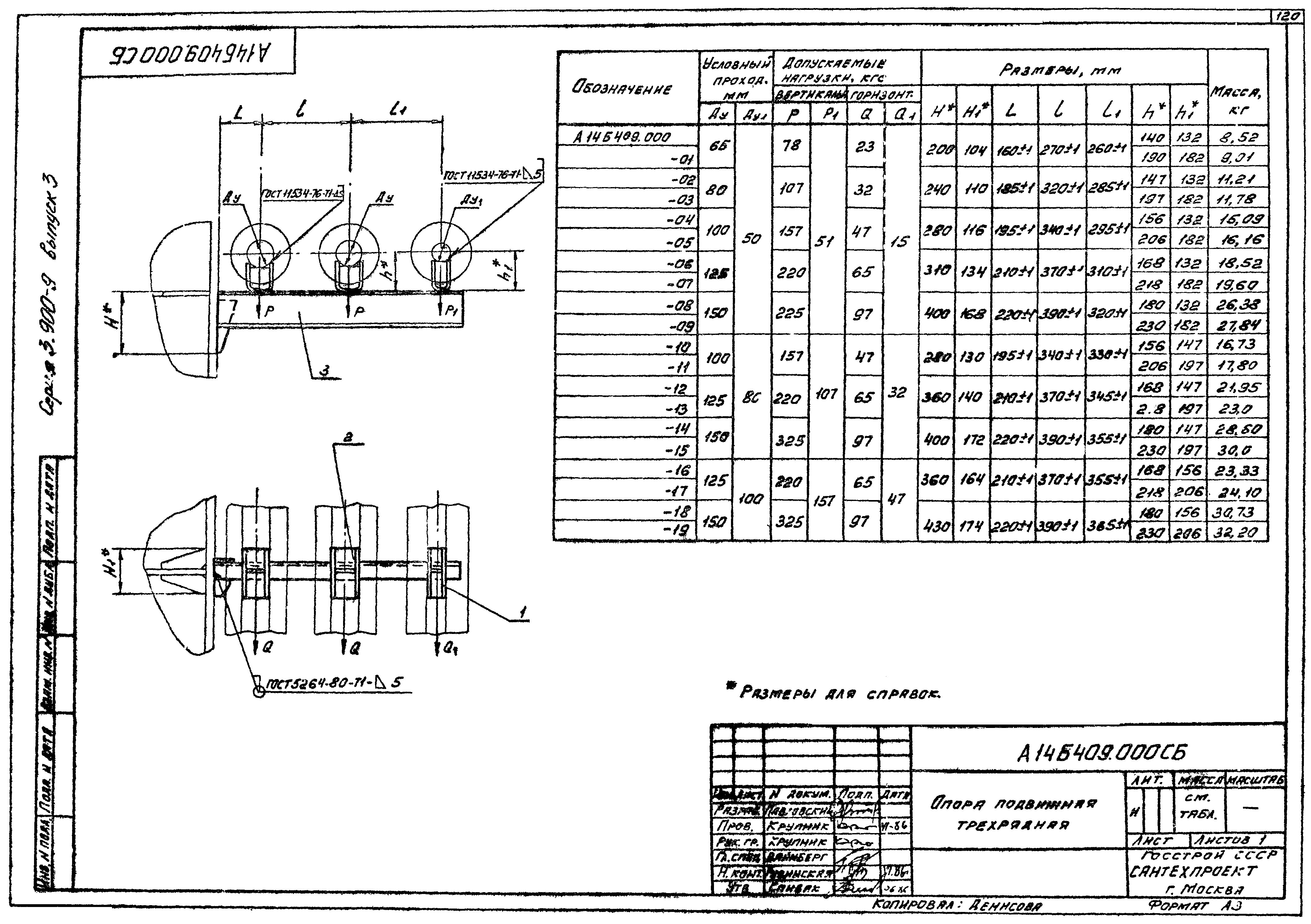
Скачать Серия 3.900-9 Выпуск 3. Опорные конструкции и средства крепления трубопроводов к металлическим колоннам. Рабочие чертежиДата актуализации: 01.01.2021
|
| Обозначение: | Серия 3.900-9 |
| Обозначение англ: | Series 3.900-9 |
| Статус: | не действует |
| Название рус.: | Выпуск 3. Опорные конструкции и средства крепления трубопроводов к металлическим колоннам. Рабочие чертежи |
| Дата добавления в базу: | 01.09.2013 |
| Дата актуализации: | 01.01.2021 |
| Дата введения: | 01.03.1987 |
| Дата окончания срока действия: | 01.03.1992 |
| Разработан: | ГПИ Сантехпроект Госстроя СССР |
| Утверждён: | 11.07.1986 Главстройпроект Госстроя СССР (43) |
| Чем заменён: |



































































































































