Скачать Нормативы численности рабочих, занятых обслуживанием и подготовкой производства на открытых горных работахДата актуализации: 01.01.2021
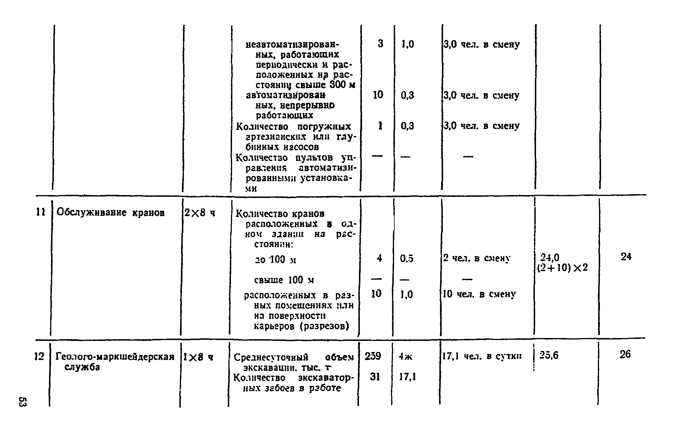
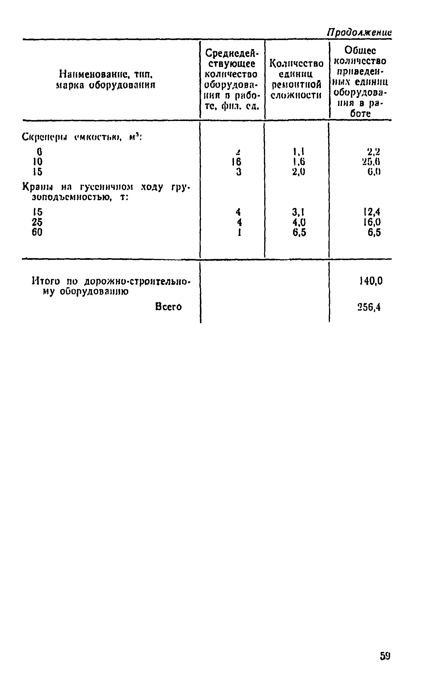
Нормативы численности рабочих, занятых обслуживанием и подготовкой производства на открытых горных работах| Статус: | действует | | Название рус.: | Нормативы численности рабочих, занятых обслуживанием и подготовкой производства на открытых горных работах | | Дата добавления в базу: | 01.09.2013 | | Дата актуализации: | 01.01.2021 | | Область применения: | Нормативы предназначены для применения на предприятиях горно-добывающей промышленности | | Оглавление: | Общая часть Нормативная часть 1. Производство и обслуживание взрывных работ 2. Дорожно-транспортные работы (карьерные и отвальные безрельсовые дороги) 3. Вспомогательные работы на горных участках 4. Энергетическая и энергомеханическая службы в карьере (разрезе) и на поверхности 5. Геолого-маркшейдерская служба 6. Обслуживание оборудования дробильно-щебеночного комплекса 7. Обслуживание оборудования сортировки 8. Другие вспомогательные работы и работы по хозяйственному обслуживанию Приложение 1. Приложение 2. Приложение 3. | | Разработан: | ЦБНТ ЦИЛ по НОТ
| | Утверждён: | 18.08.1987 Государственный комитет СССР по труду и социальным вопросам (504/24-3)
|
                                                            
|