Скачать Шифр А3-92 Выпуск 1. Материалы для проектирования и рабочие чертежи

Дата актуализации: 01.01.2021

Шифр А3-92

Выпуск 1. Материалы для проектирования и рабочие чертежи

Обозначение: Шифр А3-92
Обозначение англ: А3-92
Статус:справочные материалы, мп, тпр
Название рус.:Выпуск 1. Материалы для проектирования и рабочие чертежи
Дата добавления в базу:01.09.2013
Дата актуализации:01.01.2021
Дата введения:01.05.1992
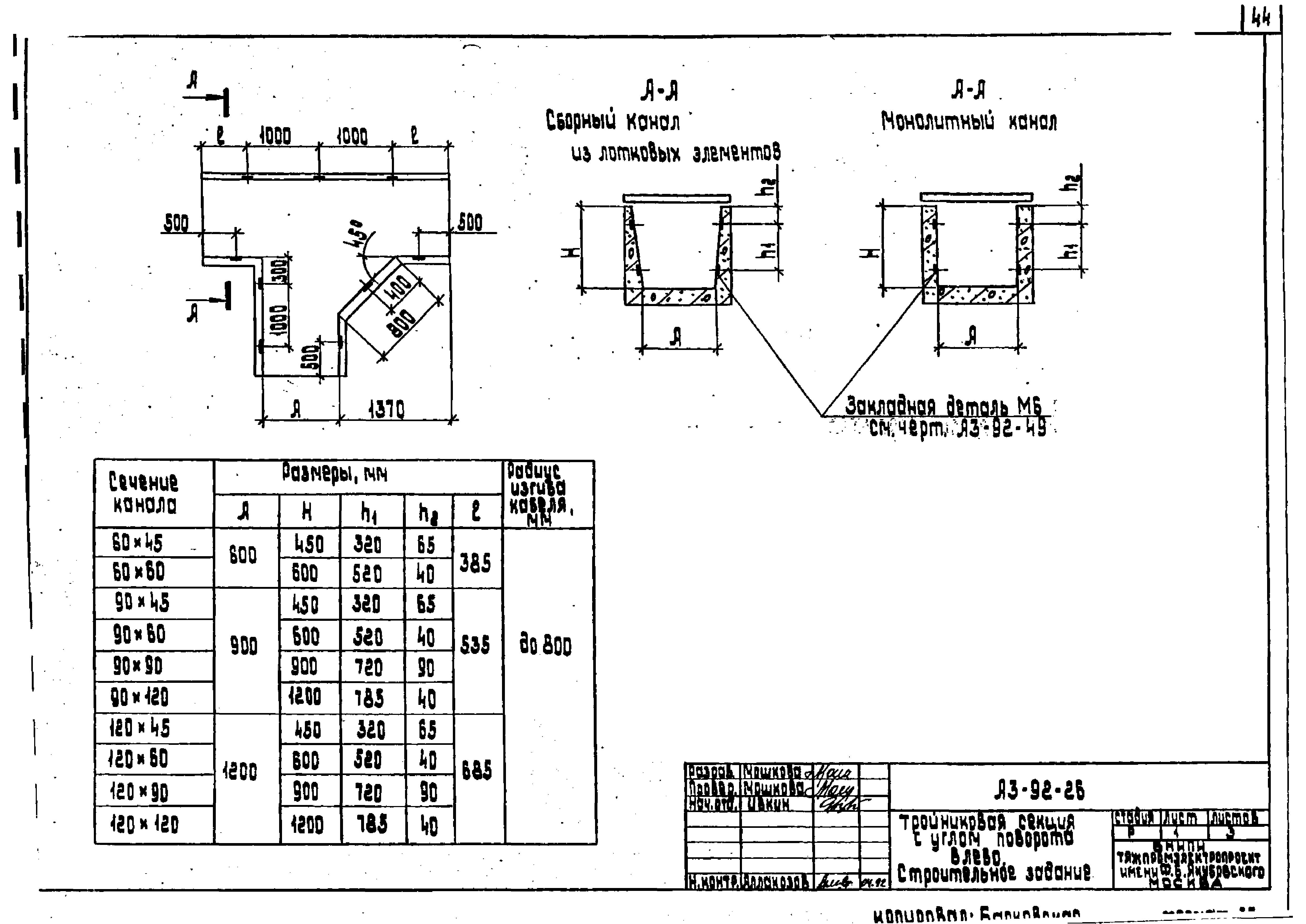
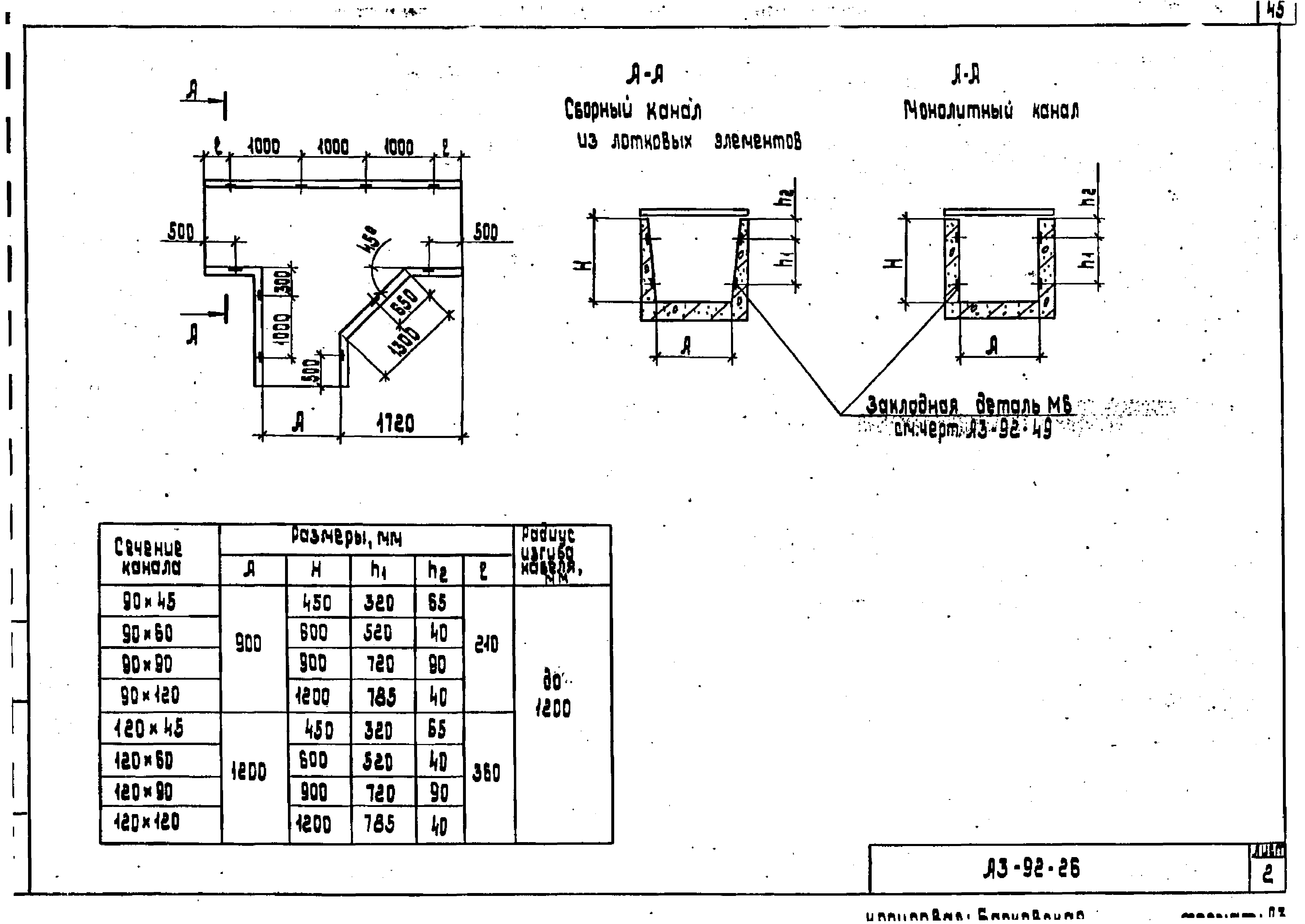
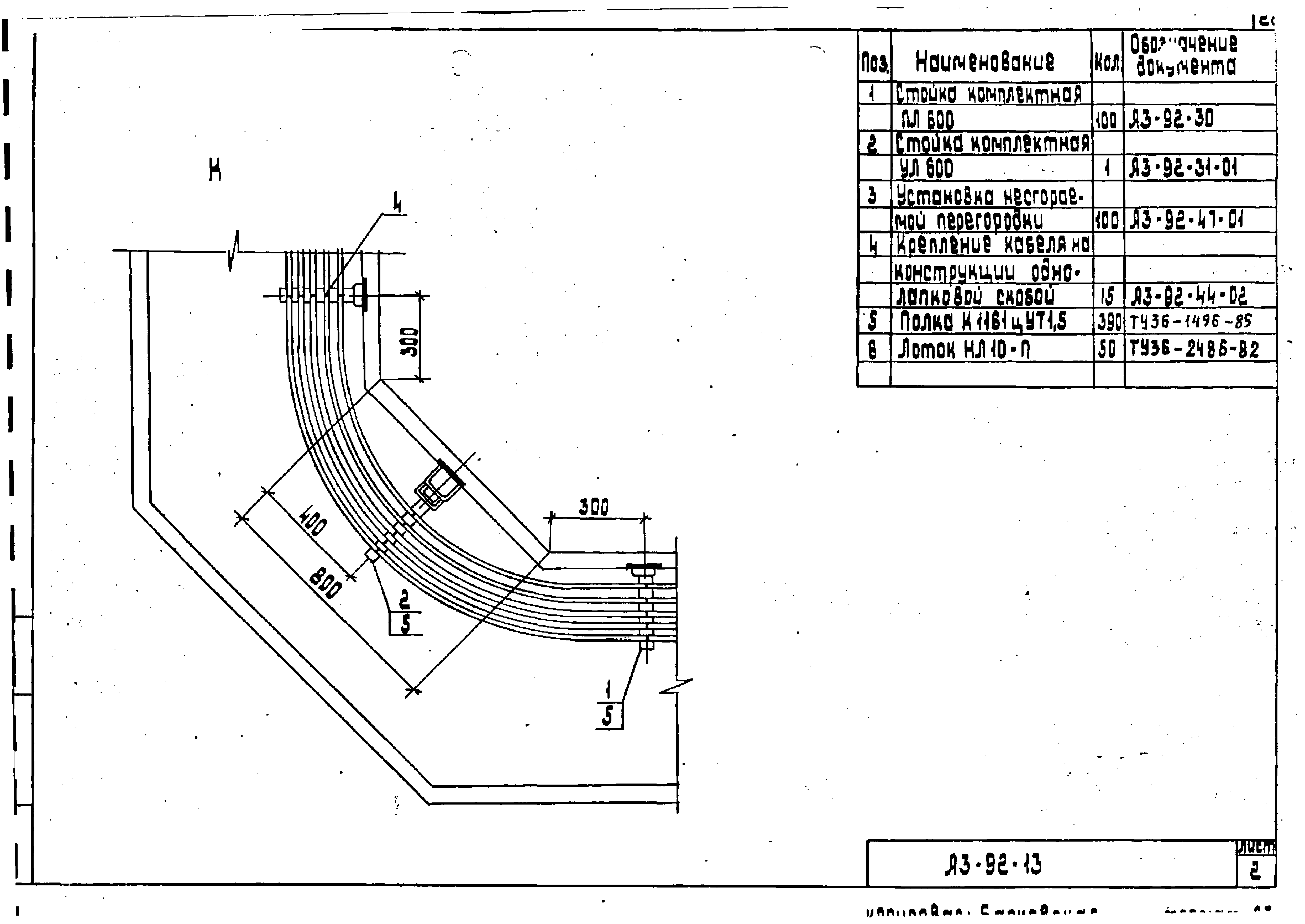
Область применения:Материалы в альбоме предназначены для использования при выполнении проектных и монтажных работ по прокладке кабелей в каналах из лотковых элементов и в монолитных каналах
Разработан: ВНИПИ Тяжпромэлектропроект им. Ф.Б. Якубовского
Утверждён:29.04.1992 ВНИПИ Тяжпромэлектропроект им. Ф.Б. Якубовского (F.B.Yakubovskiy Tyazhpromelektroproject VNIPI 34)
Шифр А3-92Шифр А3-92Шифр А3-92Шифр А3-92Шифр А3-92Шифр А3-92Шифр А3-92Шифр А3-92Шифр А3-92Шифр А3-92Шифр А3-92Шифр А3-92Шифр А3-92Шифр А3-92Шифр А3-92Шифр А3-92Шифр А3-92Шифр А3-92Шифр А3-92Шифр А3-92Шифр А3-92Шифр А3-92Шифр А3-92Шифр А3-92Шифр А3-92Шифр А3-92Шифр А3-92Шифр А3-92Шифр А3-92Шифр А3-92Шифр А3-92Шифр А3-92Шифр А3-92Шифр А3-92Шифр А3-92Шифр А3-92Шифр А3-92Шифр А3-92Шифр А3-92Шифр А3-92Шифр А3-92Шифр А3-92Шифр А3-92Шифр А3-92Шифр А3-92Шифр А3-92Шифр А3-92Шифр А3-92Шифр А3-92Шифр А3-92Шифр А3-92Шифр А3-92Шифр А3-92Шифр А3-92Шифр А3-92Шифр А3-92Шифр А3-92Шифр А3-92Шифр А3-92Шифр А3-92Шифр А3-92Шифр А3-92Шифр А3-92Шифр А3-92Шифр А3-92Шифр А3-92Шифр А3-92Шифр А3-92Шифр А3-92