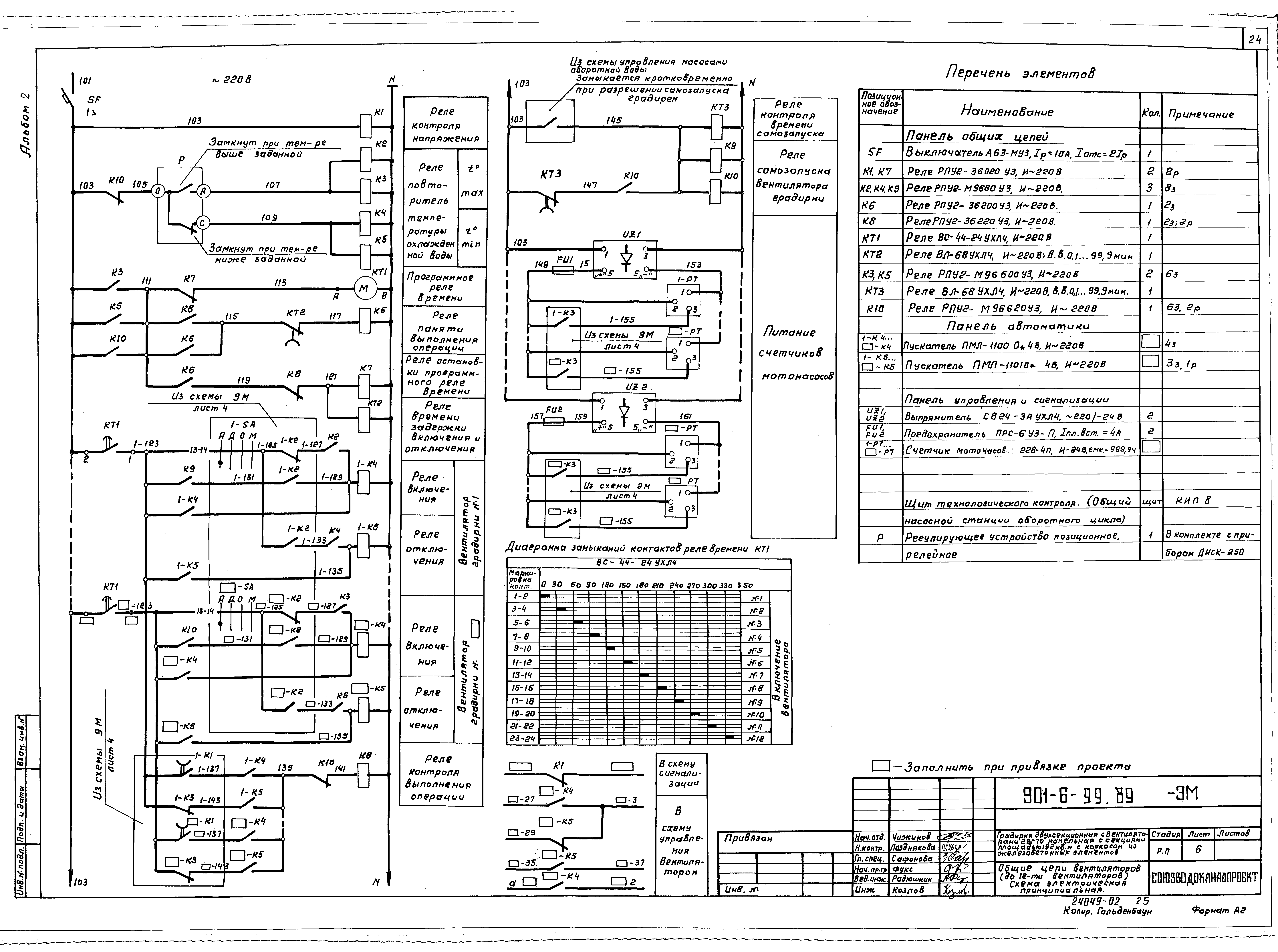
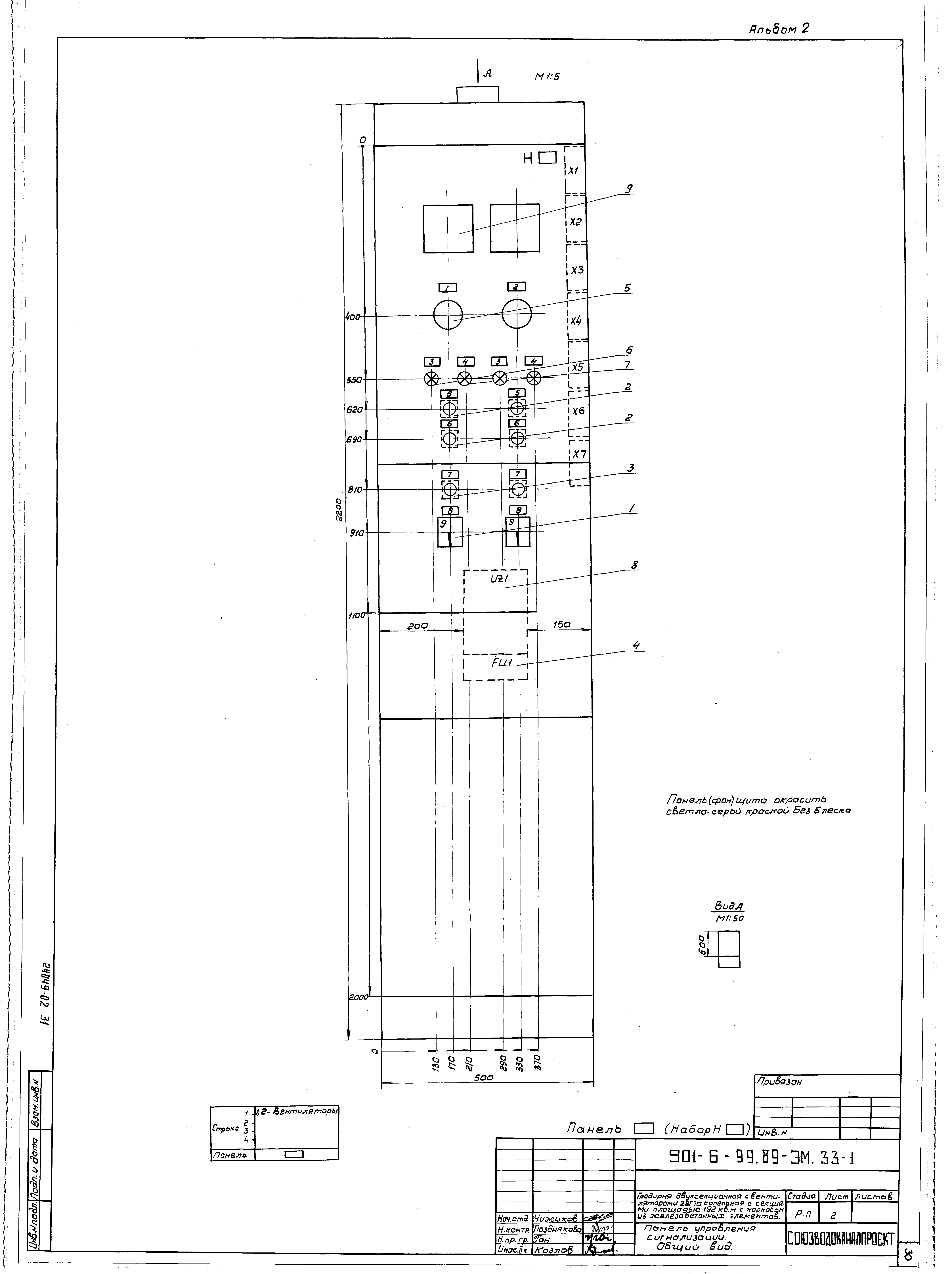
Скачать Типовой проект 901-6-99.89 Альбом 2. Технологические решения. Электрооборудование и автоматизацияДата актуализации: 01.01.2021
|
| Обозначение: | Типовой проект 901-6-99.89 |
| Обозначение англ: | 901-6-99.89 |
| Статус: | не определен законодательством |
| Название рус.: | Альбом 2. Технологические решения. Электрооборудование и автоматизация |
| Дата добавления в базу: | 01.09.2013 |
| Дата актуализации: | 01.01.2021 |
| Дата введения: | 29.11.1989 |
| Дата окончания срока действия: | 30.06.2003 |
| Разработан: | Союзводоканалпроект |
| Утверждён: | 13.10.1989 СоюзводоканалНИИпроект (SoyuzvodokanalNIIproject 29) |
| Издан: | ГУП ЦПП (CPP GUP 2000 г. ) |


































