Скачать ОСТ 1 11366-73 Гайки герметичные одноушковые самоконтрящиеся. КонструкцияДата актуализации: 01.01.2021 ОСТ 1 11366-73
Гайки герметичные одноушковые самоконтрящиеся. Конструкция| Обозначение: | ОСТ 1 11366-73 | | Обозначение англ: | 11366-73 | | Статус: | введен впервые | | Название рус.: | Гайки герметичные одноушковые самоконтрящиеся. Конструкция | | Дата добавления в базу: | 01.09.2013 | | Дата актуализации: | 01.01.2021 | | Дата введения: | 01.07.1974 | | Область применения: | Стандарт распространяется на самоконтрящиеся глухие одноушковые гайки из коррозионностойкой стали, предназначенные для эксплуатации при температуре до 400 °С. | | Утверждён: | 26.12.1973 Министерство (Ministry 087-16)
|
   
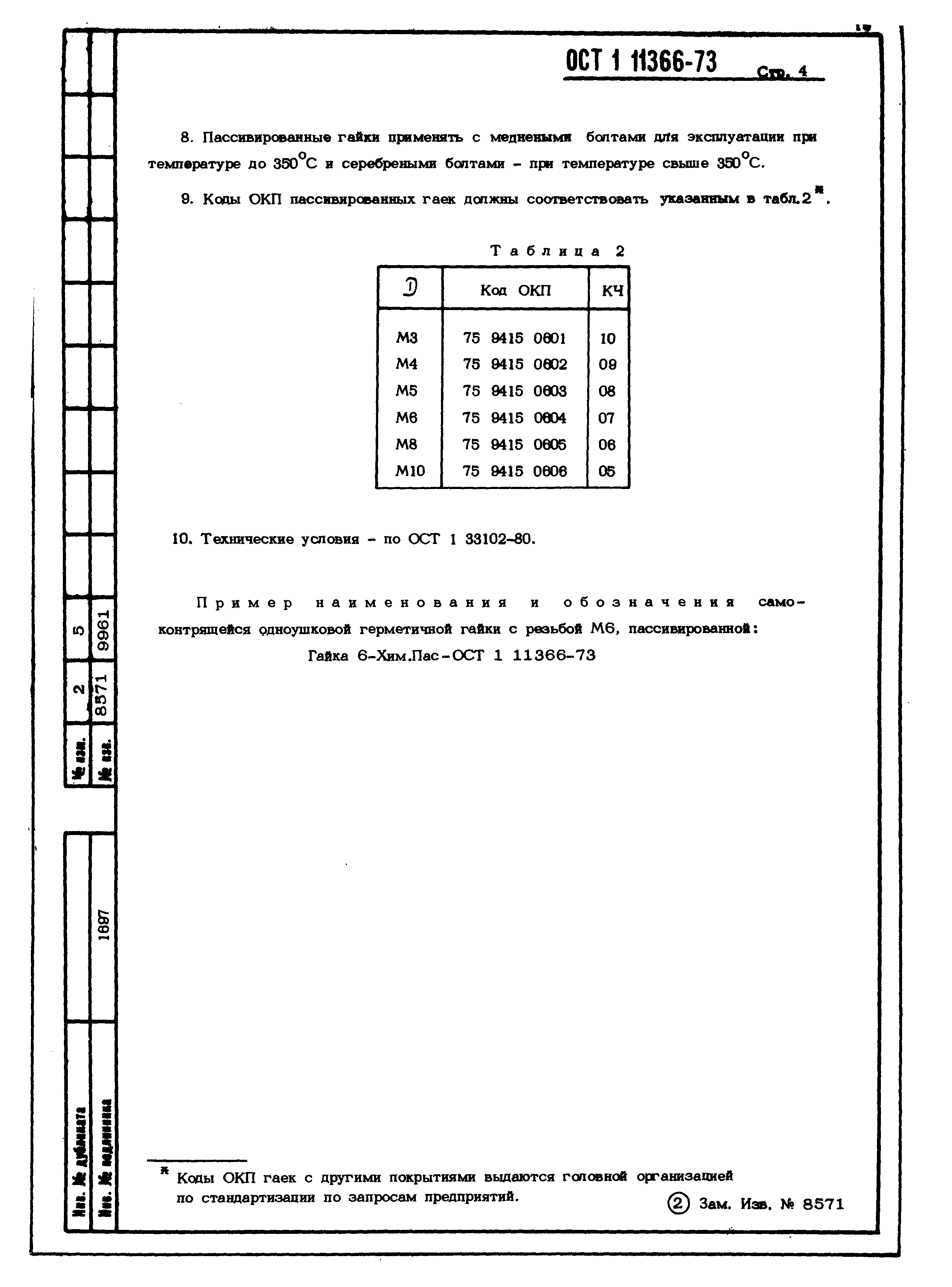
|