Скачать ОСТ 1 11781-74 Заклепки с уменьшенной плоско-выпуклой головкой. Конструкция и размерыДата актуализации: 01.01.2021 ОСТ 1 11781-74
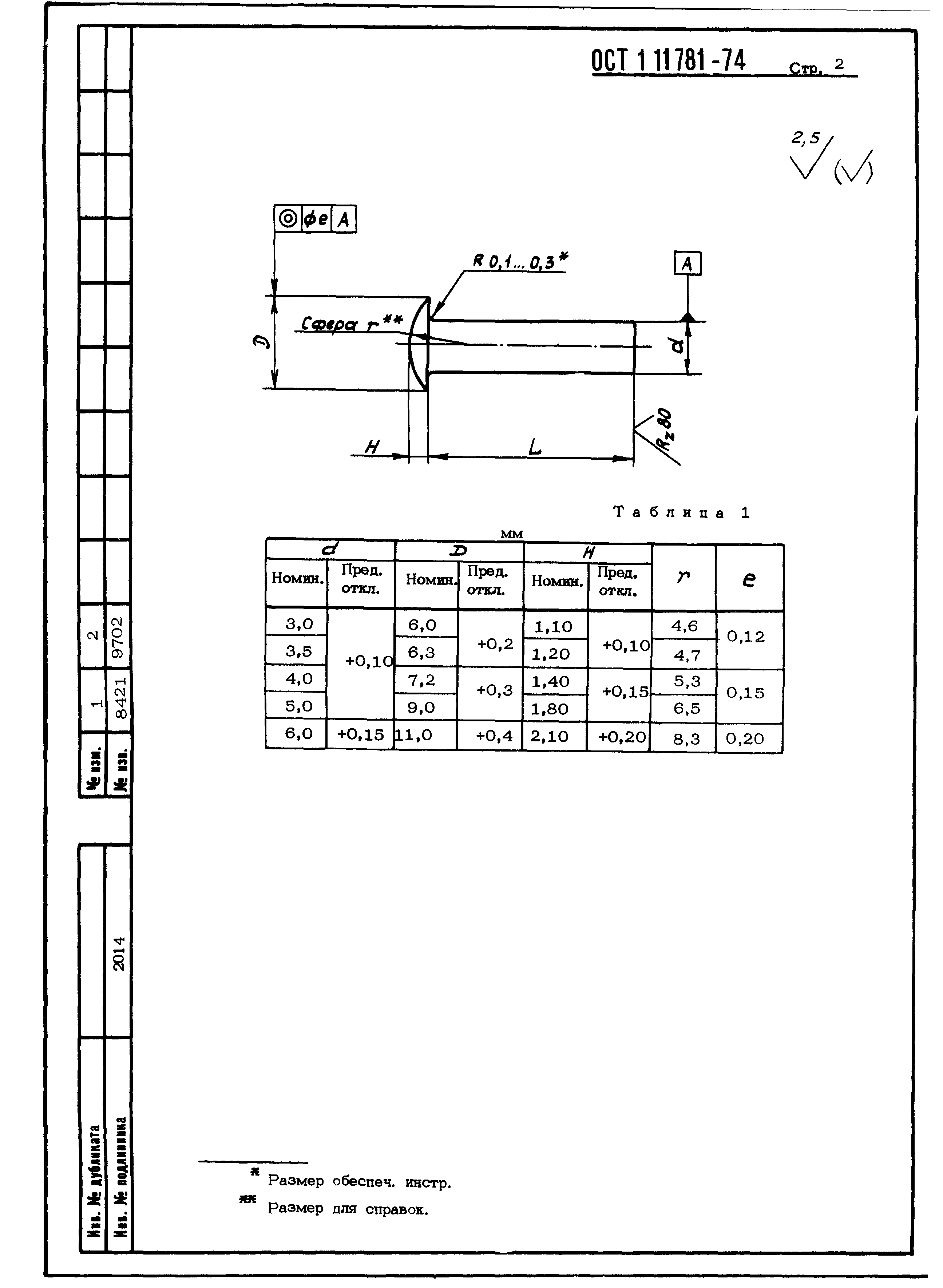
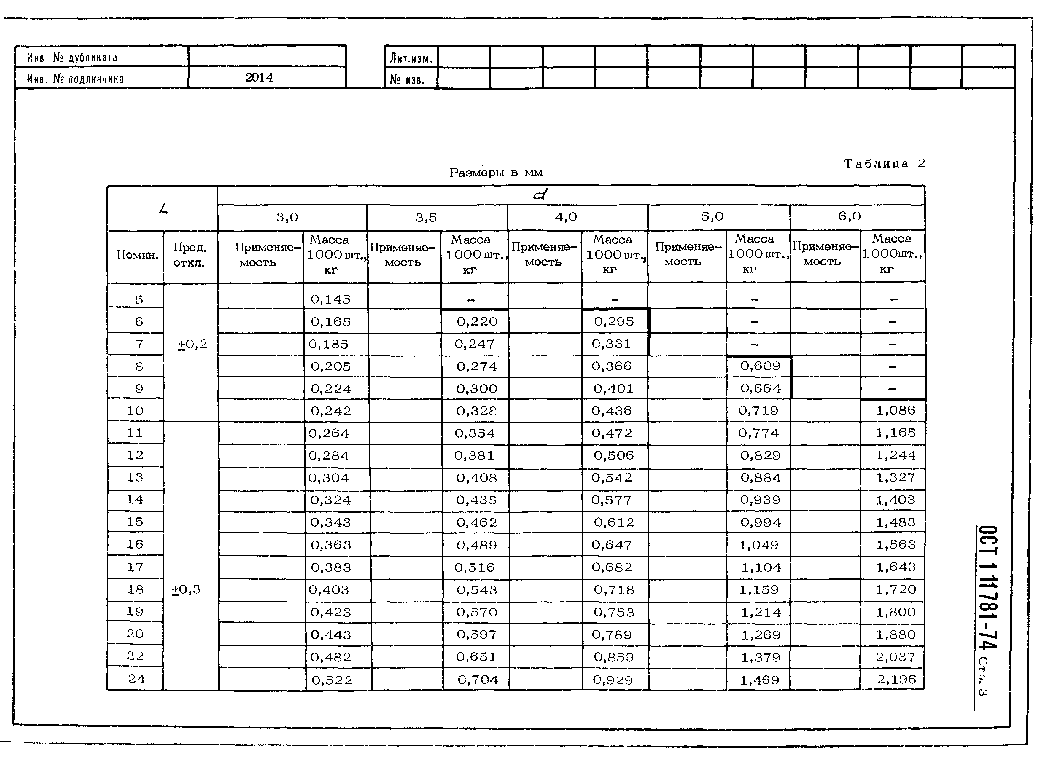
Заклепки с уменьшенной плоско-выпуклой головкой. Конструкция и размеры| Обозначение: | ОСТ 1 11781-74 | | Обозначение англ: | 11781-74 | | Статус: | введен впервые | | Название рус.: | Заклепки с уменьшенной плоско-выпуклой головкой. Конструкция и размеры | | Дата добавления в базу: | 01.09.2013 | | Дата актуализации: | 01.01.2021 | | Дата введения: | 01.07.1975 | | Оглавление: | Приложение Код ОКП 75 9311 1ХХХ КЧ | | Утверждён: | 27.09.1974 Министерство (Ministry 087-16)
|
     
|