Скачать Серия 3.407-80м Альбом I. Монтажные схемы опор ВЛ 0,4 кВ. Узлы и деталиДата актуализации: 01.01.2021
|
| Обозначение: | Серия 3.407-80м |
| Обозначение англ: | Series 3.407-80м |
| Статус: | не определен законодательством |
| Название рус.: | Альбом I. Монтажные схемы опор ВЛ 0,4 кВ. Узлы и детали |
| Дата добавления в базу: | 01.09.2013 |
| Дата актуализации: | 01.01.2021 |
| Дата введения: | 01.11.1972 |
| Дата окончания срока действия: | 30.06.2003 |
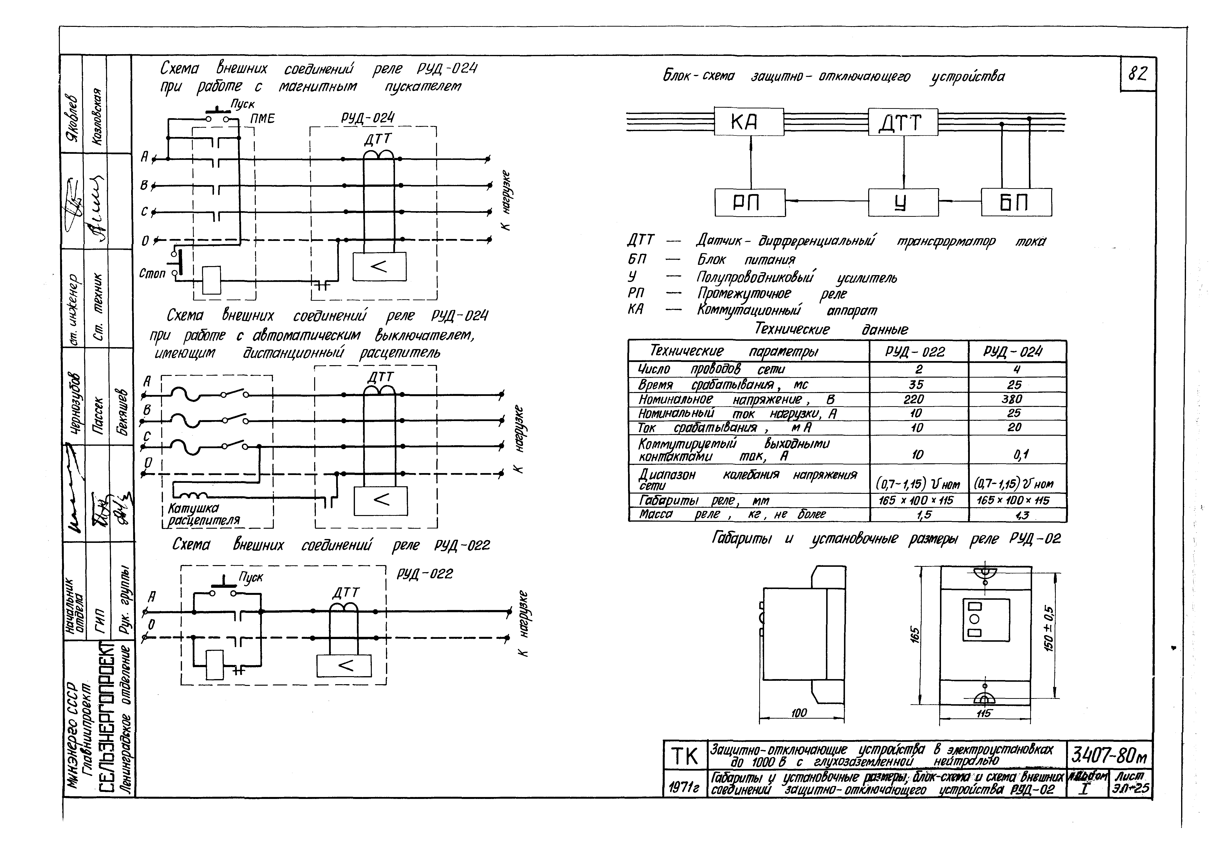
| Оглавление: | Содержание Пояснительная записка Строительная часть Габаритная схема промежуточных опор Габаритная схема повышенных промежуточных опор Габаритная схема анкерных опор Промежуточная опора Па-1с Промежуточная опора Па-1с-1, Па-1с-2, Па-1с-3 Промежуточная опора Па-2с Промежуточная опора Па-2с-1, Па-2с-2, Па-2с-3 Промежуточная опора Па-3с Промежуточная опора Па-3с-1, Па-3с-2, Па-3с-3 Дополнительная опора Па-5с, Па-6с Повышенная промежуточная опора Ппа-1с Повышенная промежуточная опора Ппа-1с-1, Ппа-2с-2, Ппа-1с-3 Повышенная промежуточная опора Ппа-2с Повышенная промежуточная опора Ппа-2с-1, Ппа-2с-2, Ппа-2с-3 Повышенная промежуточная опора Ппа-3с Повышенная промежуточная опора Ппа-3с-1, Ппа-3с-2, Ппа-3с-3 Анкерные опоры Аа-1с Анкерные опоры Аа-1с-1, Аа-1с-2, Аа-1с-3 Анкерные опоры Аа-2с Анкерные опоры Аа-2с-1, Аа-2с-2, Аа-2с-3 Анкерные опоры Аа-3с Анкерные опоры Аа-3с-1, Аа-3с-2, Аа-3с-3 Узлы 1 и 1а Узлы 2, 2а, 3, 4, 5 Узлы 6, 7 Электрическая часть Крепление провода на опоре Крепление провода на изоляторе ТФ и РФО Крепление провода на ответвительной опоре Грозозащитные заземления крюков и повторное заземление нулевого провода Крепление провода на изоляторах. Соединение проводов зажимами Крюки и штыри Соединение проводов зажимами Конструкция заземления опоры Конструкция заземлителей с сопротивлением менее 30 Ом Конструкция заземлителей с сопротивлением 30 Ом Установка на опоре светильника наружного освещения типа СПП-200 Установка автоматического выключателя АП-50т Установка кабельной муфты Установка вводного ящика на опоре Установка вводного ящика. Узел 1 Варианты вводов в здания Устройство ввода в здание с помощью дополнительной опоры Выбор марки провода кабелей для оборудования ввода в здание Узлы вводов в здание Узлы двухпроводных вводов в здание Узлы четырехпроводных вводов в здание Деревянные элементы Стойки Траверсы Поперечины, ригель Приставки Подкосы Металлические элементы Хомут М202, М203, М214 Хомут припасовочный М237 Болт М134+165, шайба М161, шпонка М206 Кронштейн светильника Приложения Закрепление в сверленых котлованах Закрепление в открытых котлованах Расчетные нагрузки на фундаменты опор Объем работ Исходные данные для расчета заземлителей Формулы для определения сопротивления растеканию тока различных заземлителей Габаритные и установочные размеры, блок-схема и схема внешних соединений защитно-отключающего устройства РУД-02 Монтажные таблицы |
| Разработан: | Сельэнергопроект Минэнерго СССР |
| Утверждён: | 21.09.1972 Минэнерго СССР (USSR Minenergo 8-6/32) |





















































































