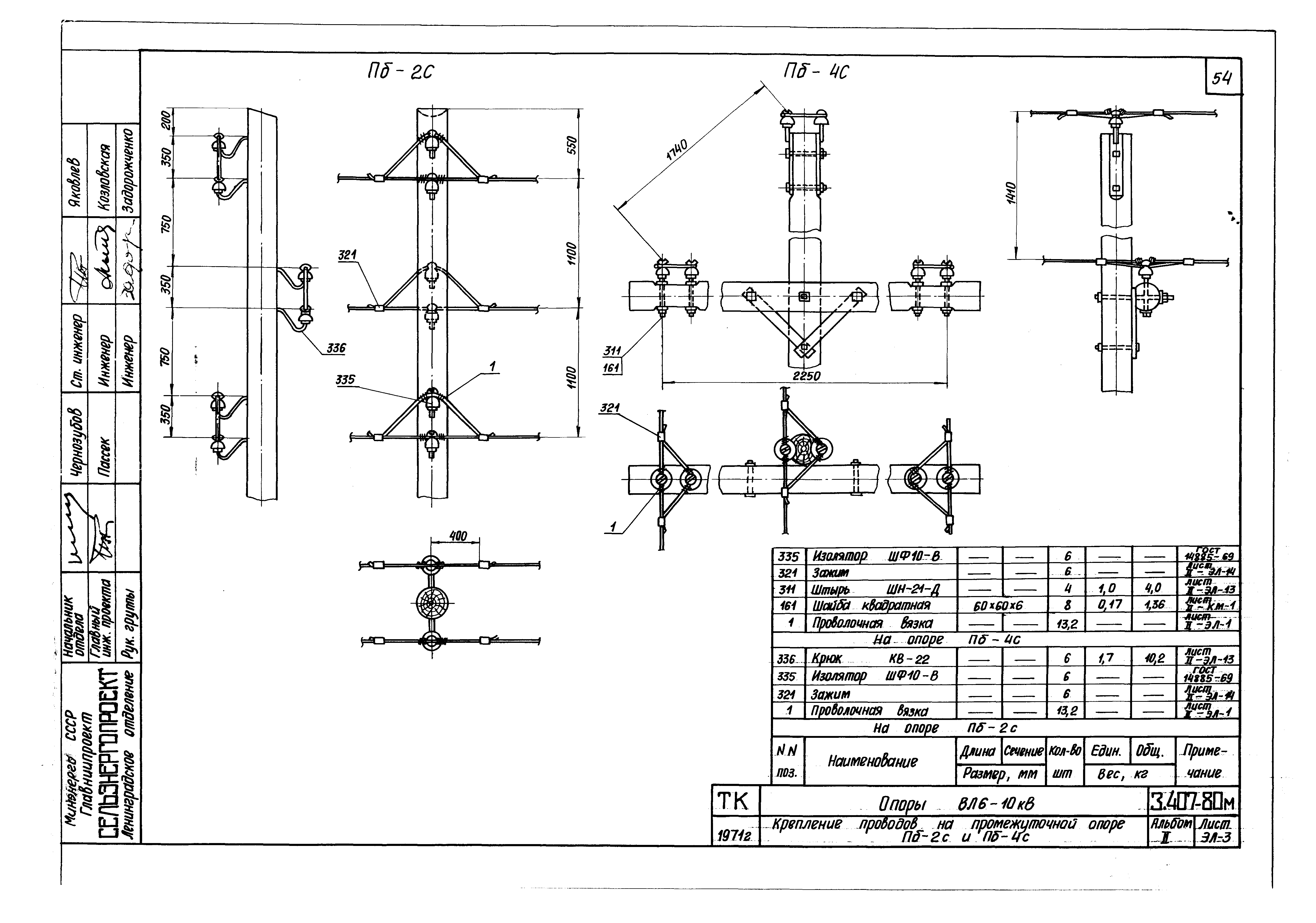
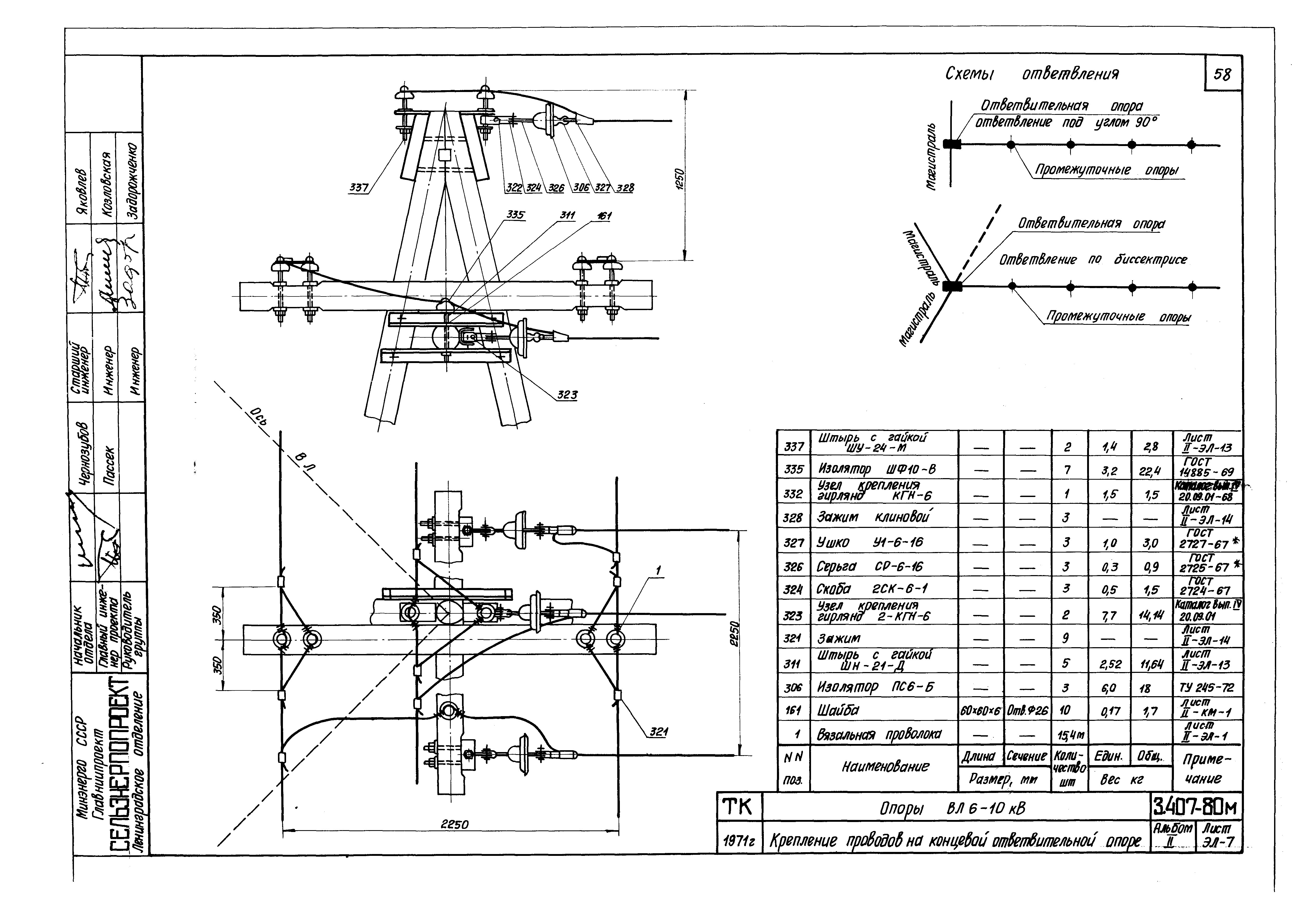
Скачать Серия 3.407-80м Альбом II. Монтажные схемы опор ВЛ 6 - 10 кВ. Узлы и деталиДата актуализации: 01.01.2021
|
| Обозначение: | Серия 3.407-80м |
| Обозначение англ: | Series 3.407-80м |
| Статус: | не определен законодательством |
| Название рус.: | Альбом II. Монтажные схемы опор ВЛ 6 - 10 кВ. Узлы и детали |
| Дата добавления в базу: | 01.09.2013 |
| Дата актуализации: | 01.01.2021 |
| Дата введения: | 01.11.1972 |
| Дата окончания срока действия: | 30.06.2003 |
| Разработан: | Сельэнергопроект Минэнерго СССР |
| Утверждён: | 21.09.1972 Минэнерго СССР (USSR Minenergo 8-6/32) |



































































































