Скачать Серия 1.426-1 Выпуск 3. Балки путей подвесного транспорта пролетом 6 м. Чертежи КМ

Дата актуализации: 01.01.2021

Серия 1.426-1

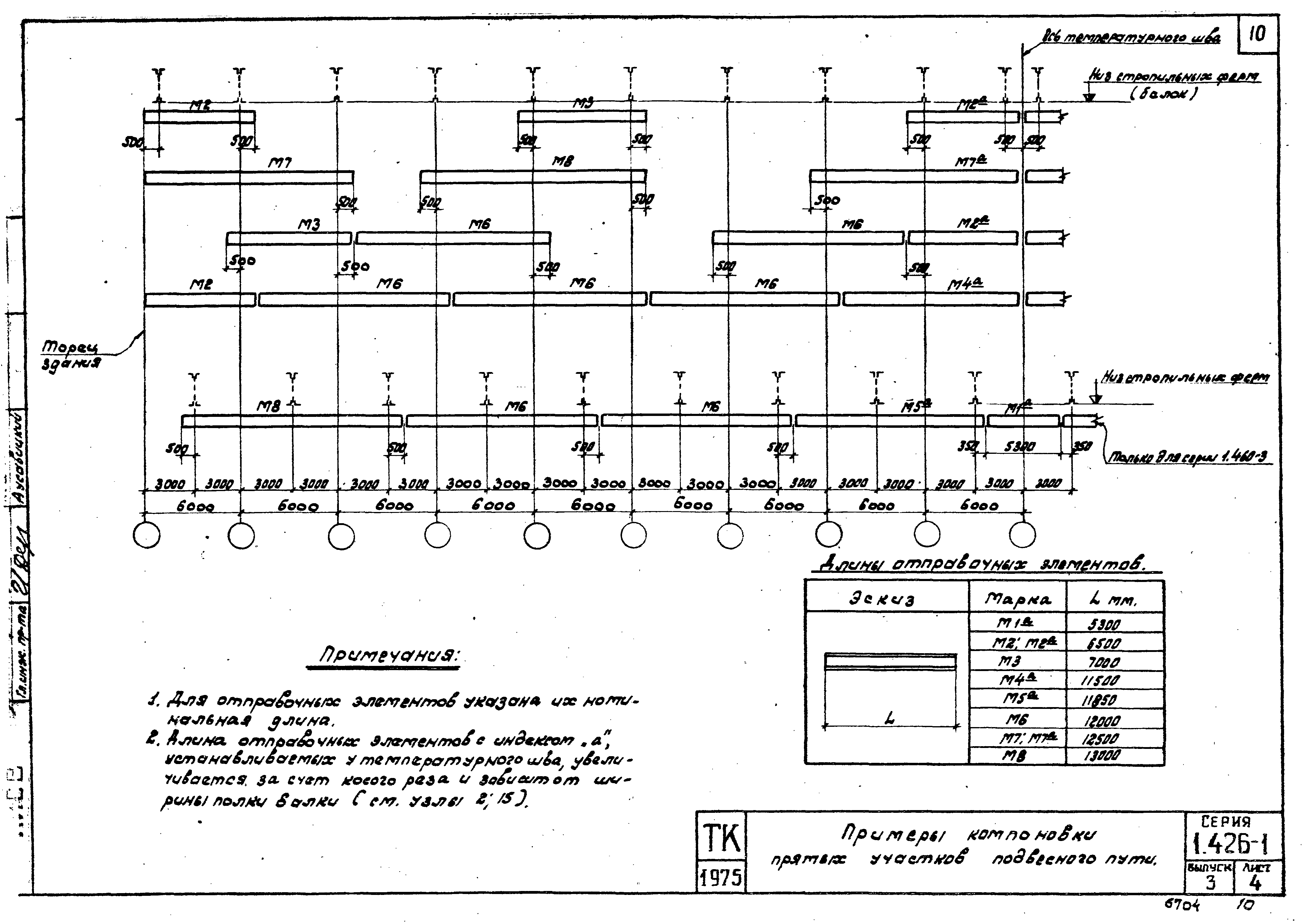
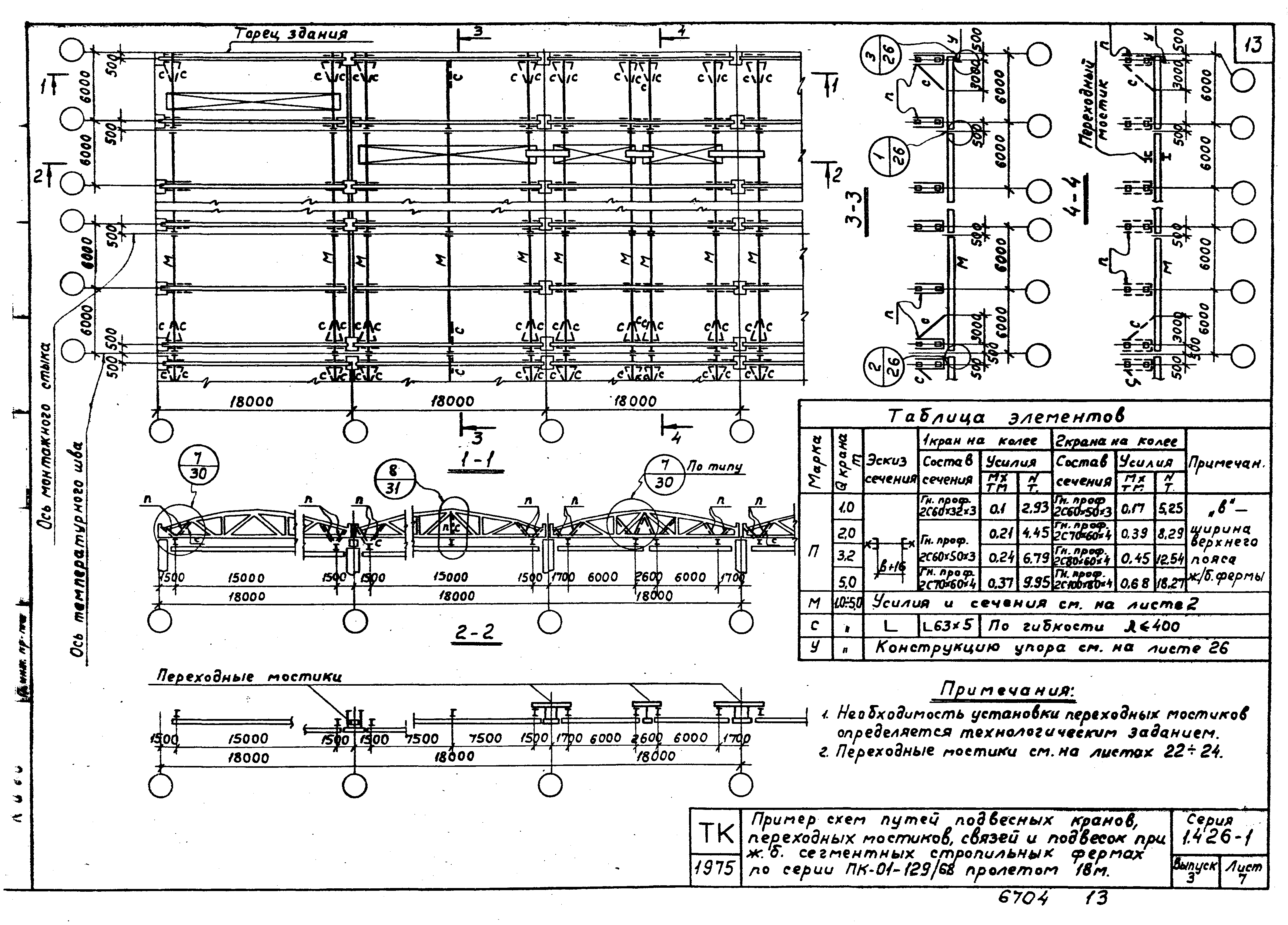
Выпуск 3. Балки путей подвесного транспорта пролетом 6 м. Чертежи КМ

Обозначение: Серия 1.426-1
Обозначение англ: Series 1.426-1
Статус:не действует
Название рус.:Выпуск 3. Балки путей подвесного транспорта пролетом 6 м. Чертежи КМ
Дата добавления в базу:01.09.2013
Дата актуализации:01.01.2021
Дата введения:01.01.1976
Дата окончания срока действия:01.04.1984
Разработан: Промстройпроект
Укрпроектстальконструкция
Утверждён:25.09.1975 Госстрой СССР (Государственный комитет Совета Министров СССР по делам строительства) (USSR Gosstroy 157)
Издан: ЦИТП Госстроя СССР (CITP, Gosstroy (USSR) 1981 г. )
Чем заменён:
Серия 1.426-1Серия 1.426-1Серия 1.426-1Серия 1.426-1Серия 1.426-1Серия 1.426-1Серия 1.426-1Серия 1.426-1Серия 1.426-1Серия 1.426-1Серия 1.426-1Серия 1.426-1Серия 1.426-1Серия 1.426-1Серия 1.426-1Серия 1.426-1Серия 1.426-1Серия 1.426-1Серия 1.426-1Серия 1.426-1Серия 1.426-1Серия 1.426-1Серия 1.426-1Серия 1.426-1Серия 1.426-1Серия 1.426-1Серия 1.426-1Серия 1.426-1Серия 1.426-1Серия 1.426-1Серия 1.426-1Серия 1.426-1Серия 1.426-1Серия 1.426-1Серия 1.426-1Серия 1.426-1Серия 1.426-1Серия 1.426-1Серия 1.426-1Серия 1.426-1Серия 1.426-1Серия 1.426-1Серия 1.426-1Серия 1.426-1Серия 1.426-1