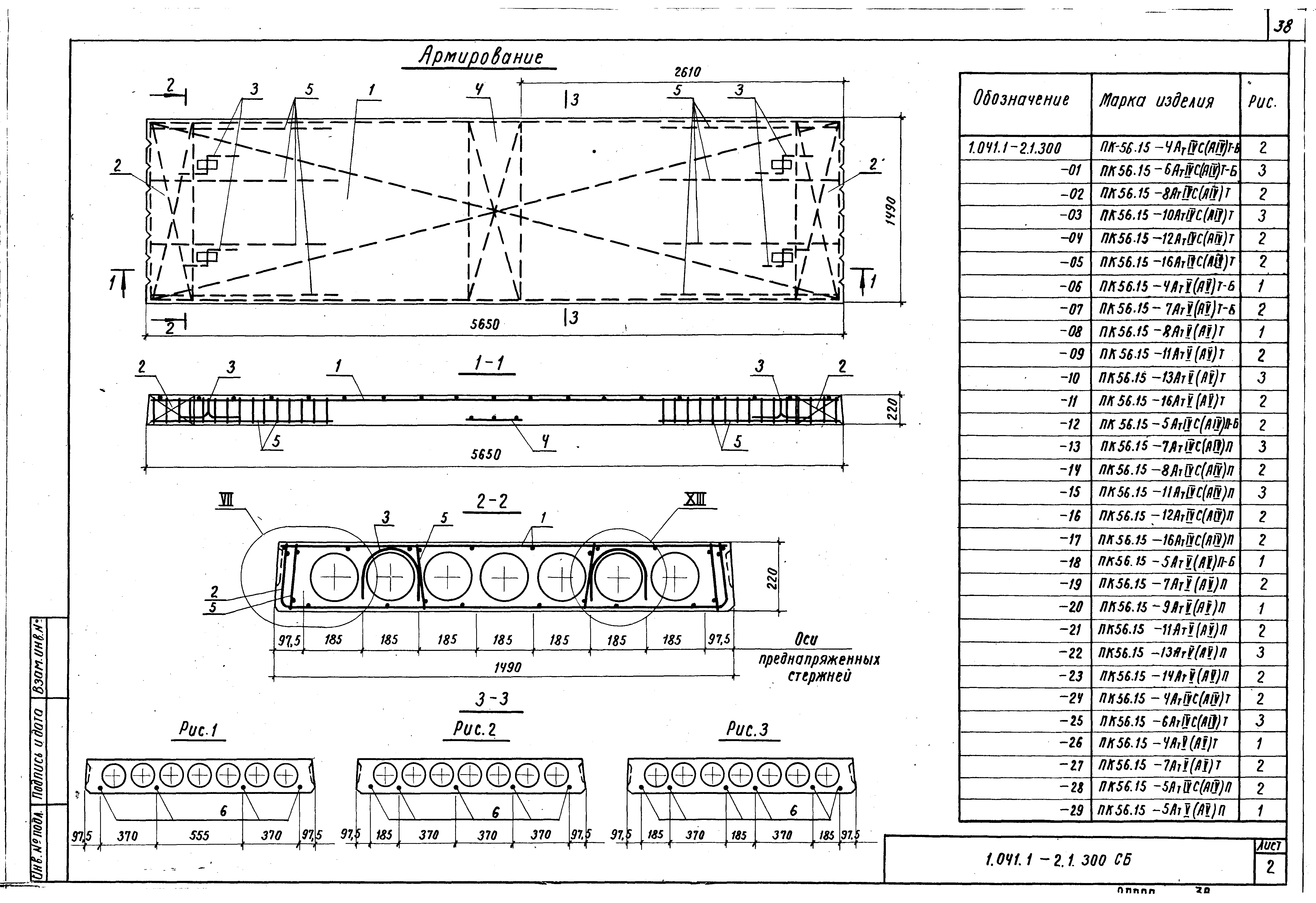
Скачать Серия 1.041.1-2 Выпуск 1. Плиты длиной 5650 мм с предварительно напрягаемой арматурой из стали классов Ат IVС и Ат V, из тяжелого и легкого бетонов. Рабочие чертежиДата актуализации: 01.01.2021
|
| Обозначение: | Серия 1.041.1-2 |
| Обозначение англ: | Series 1.041.1-2 |
| Статус: | заменен |
| Название рус.: | Выпуск 1. Плиты длиной 5650 мм с предварительно напрягаемой арматурой из стали классов Ат IVС и Ат V, из тяжелого и легкого бетонов. Рабочие чертежи |
| Дата добавления в базу: | 01.09.2013 |
| Дата актуализации: | 01.01.2021 |
| Дата введения: | 15.11.1984 |
| Дата окончания срока действия: | 01.11.1989 |
| Разработан: | ЦНИИпромзданий НИИЖБ ЦНИИЭП ТБЗ и ТК |
| Утверждён: | 05.09.1984 Госстрой СССР (Государственный комитет Совета Министров СССР по делам строительства) (USSR Gosstroy 158) |
| Издан: | ЦИТП Госстроя СССР (CITP, Gosstroy (USSR) 1984 г. ) |
| Чем заменён: |





































































































