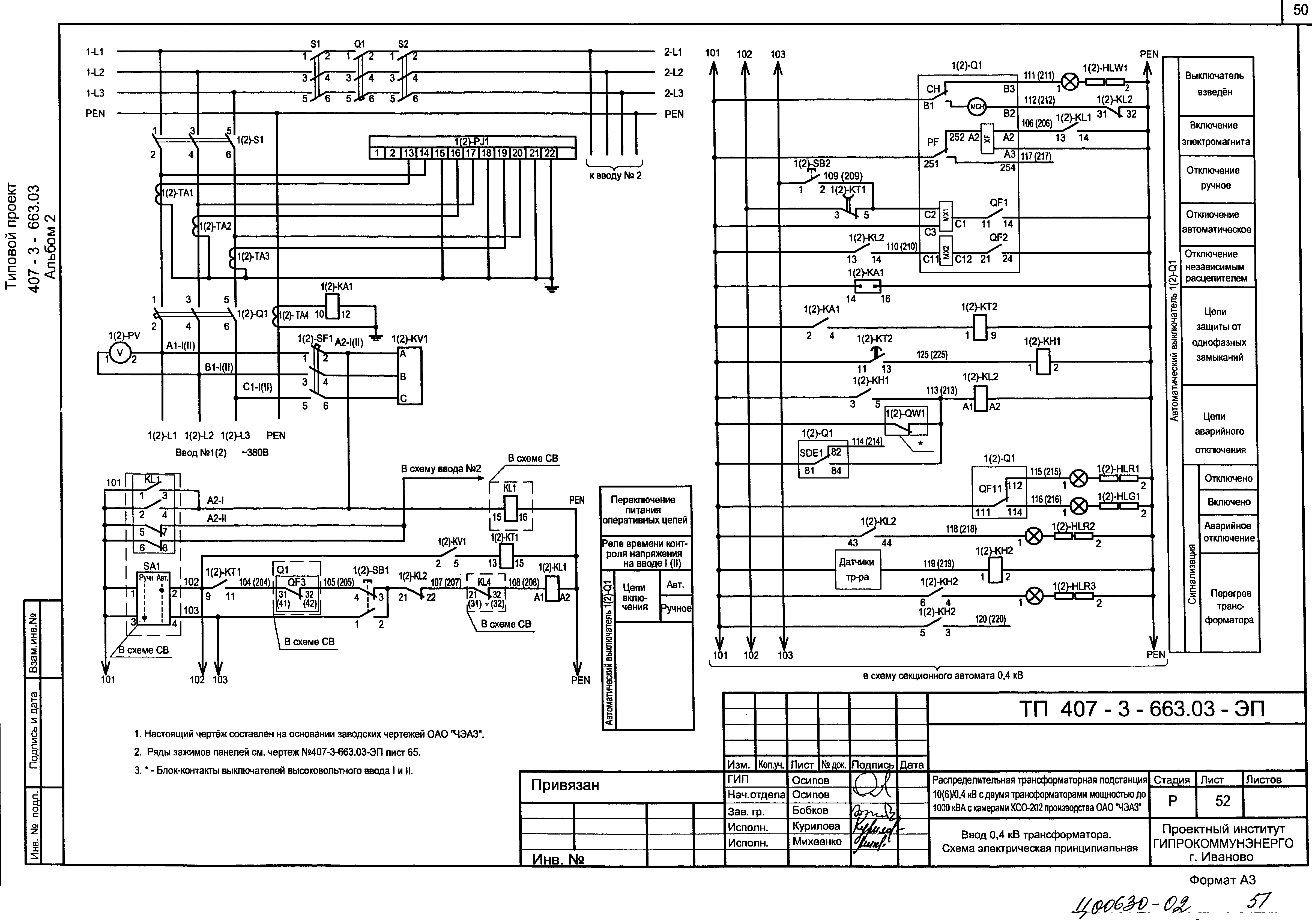
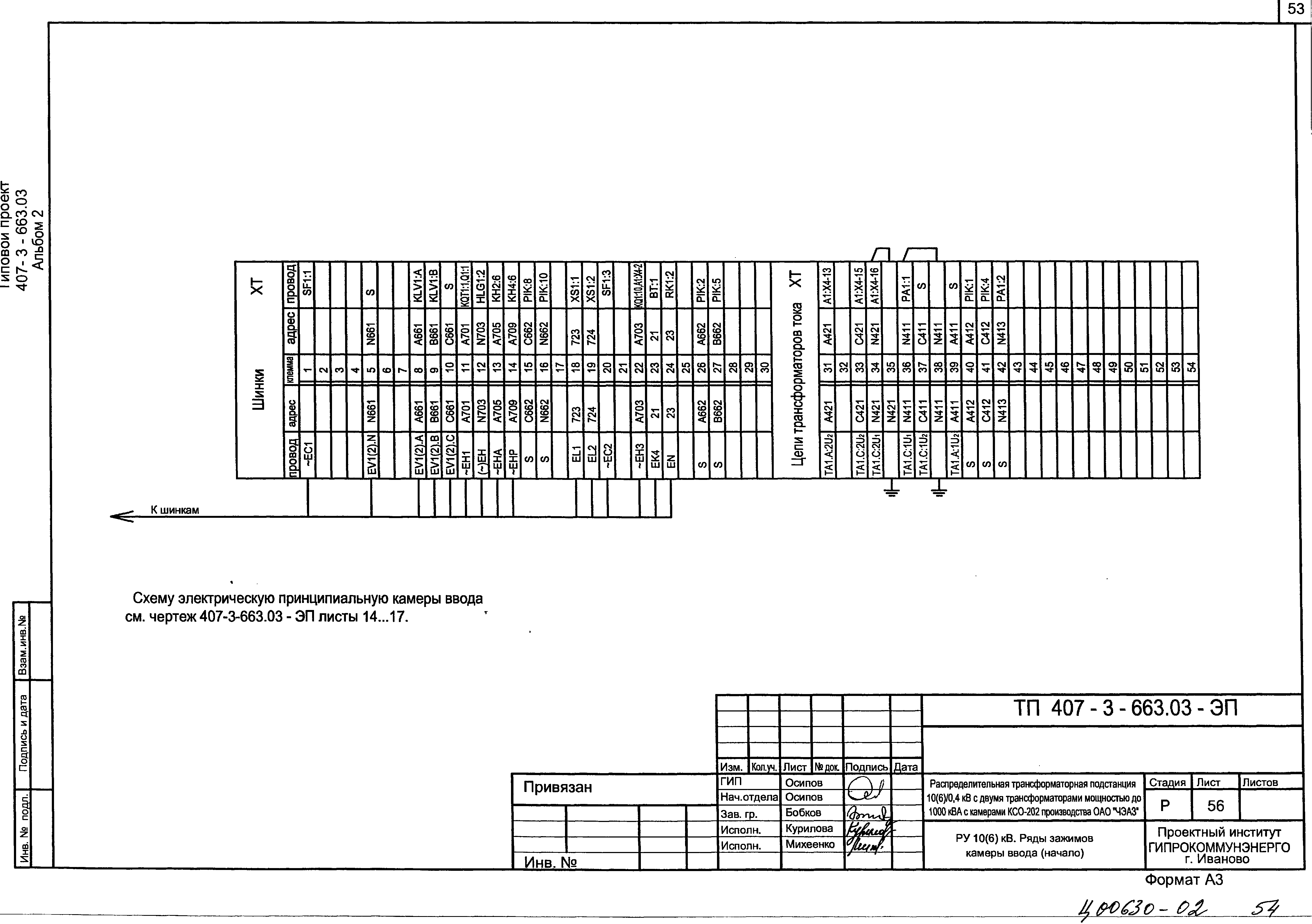
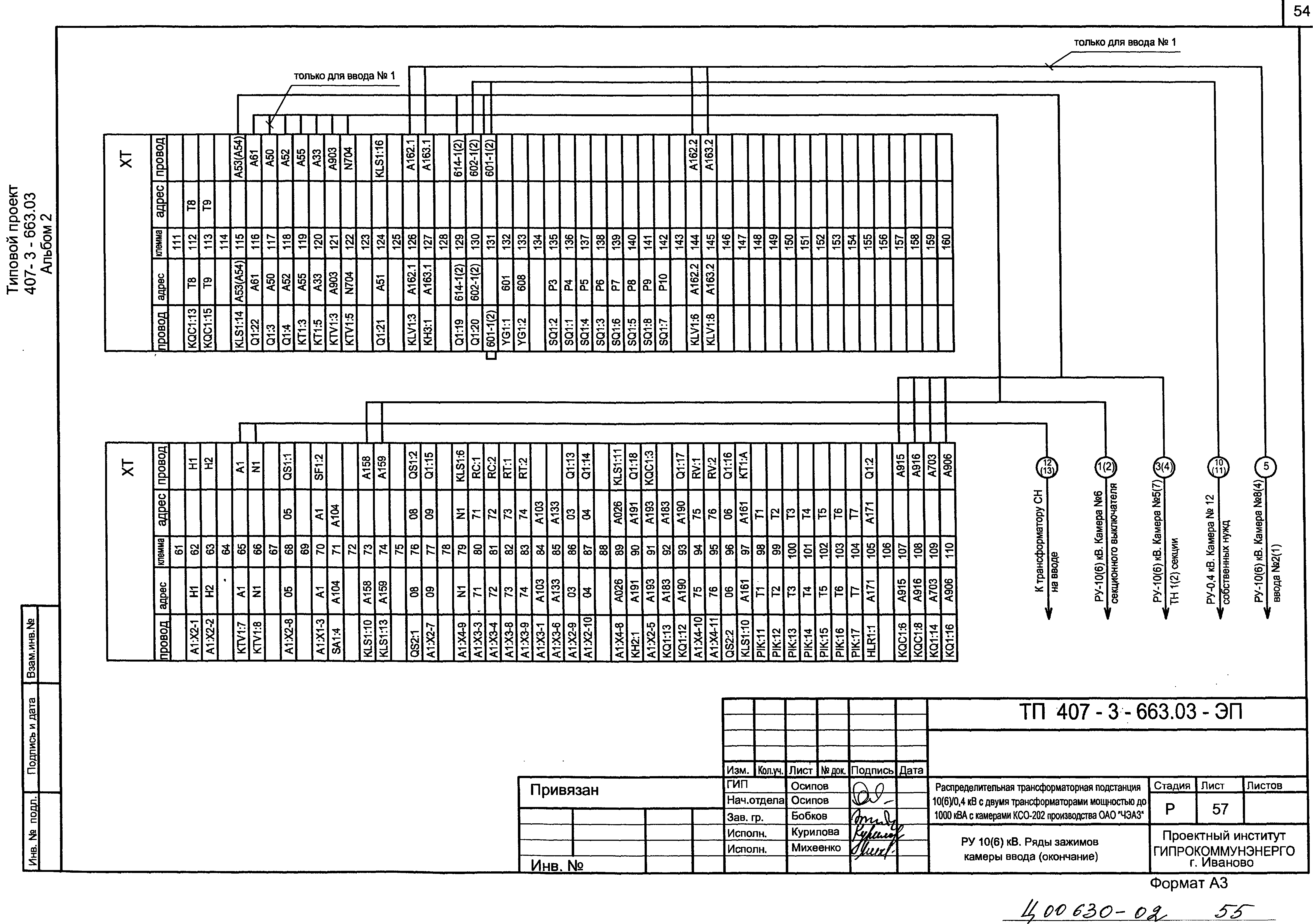
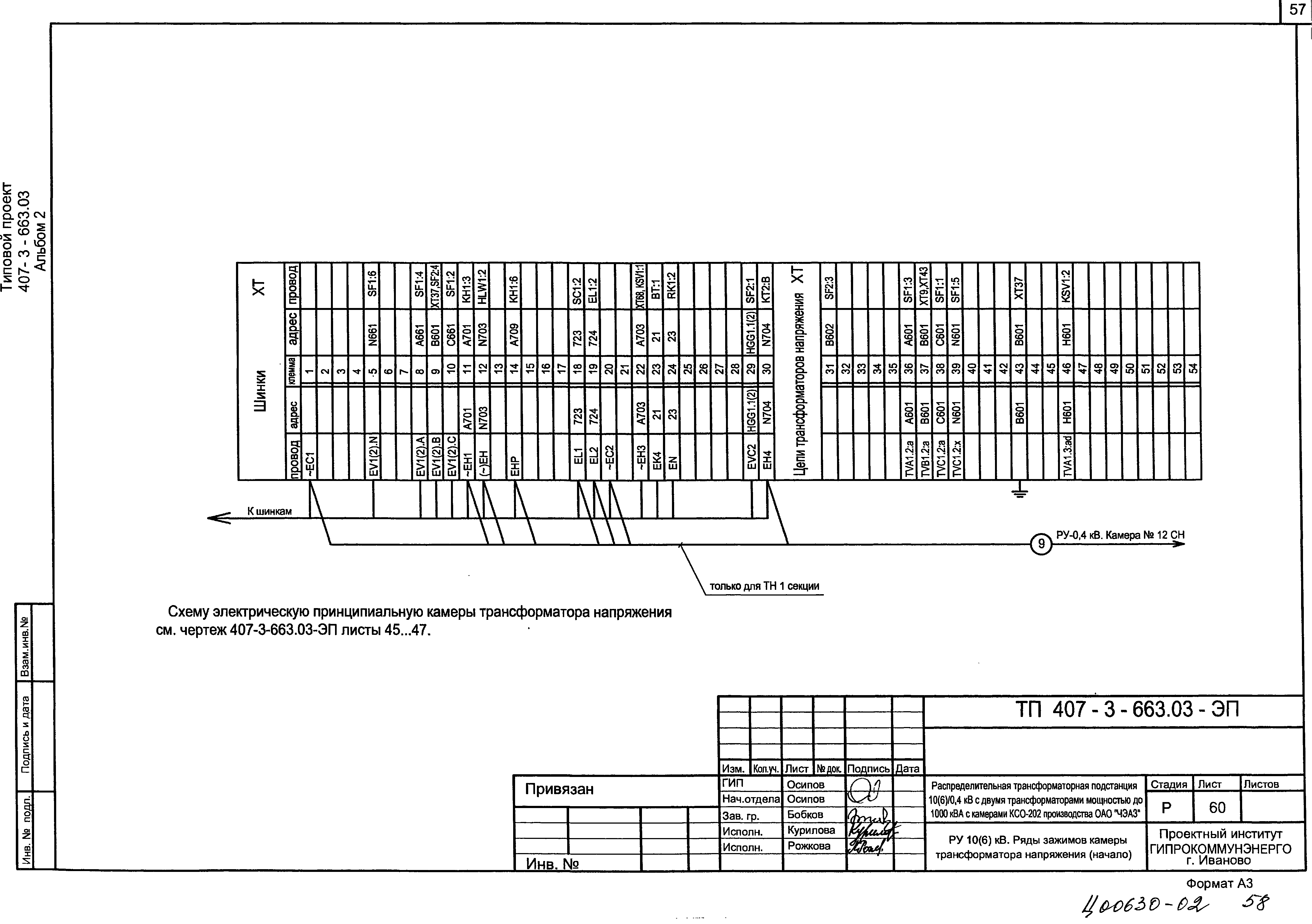
Скачать Типовой проект 407-3-663.06 Альбом 2. Электротехническая часть с оборудованием на переменном оперативном токе и РЗиА на релейно-контактных схемахДата актуализации: 01.01.2021
|
| Обозначение: | Типовой проект 407-3-663.06 |
| Обозначение англ: | 407-3-663.06 |
| Статус: | не определен законодательством |
| Название рус.: | Альбом 2. Электротехническая часть с оборудованием на переменном оперативном токе и РЗиА на релейно-контактных схемах |
| Дата добавления в базу: | 01.09.2013 |
| Дата актуализации: | 01.01.2021 |
| Дата введения: | 23.09.2004 |
| Разработан: | ОГУП ПИ Гипрокоммунэнерго |
| Утверждён: | 23.09.2004 ОАО ЧЭАЗ (360) |































































