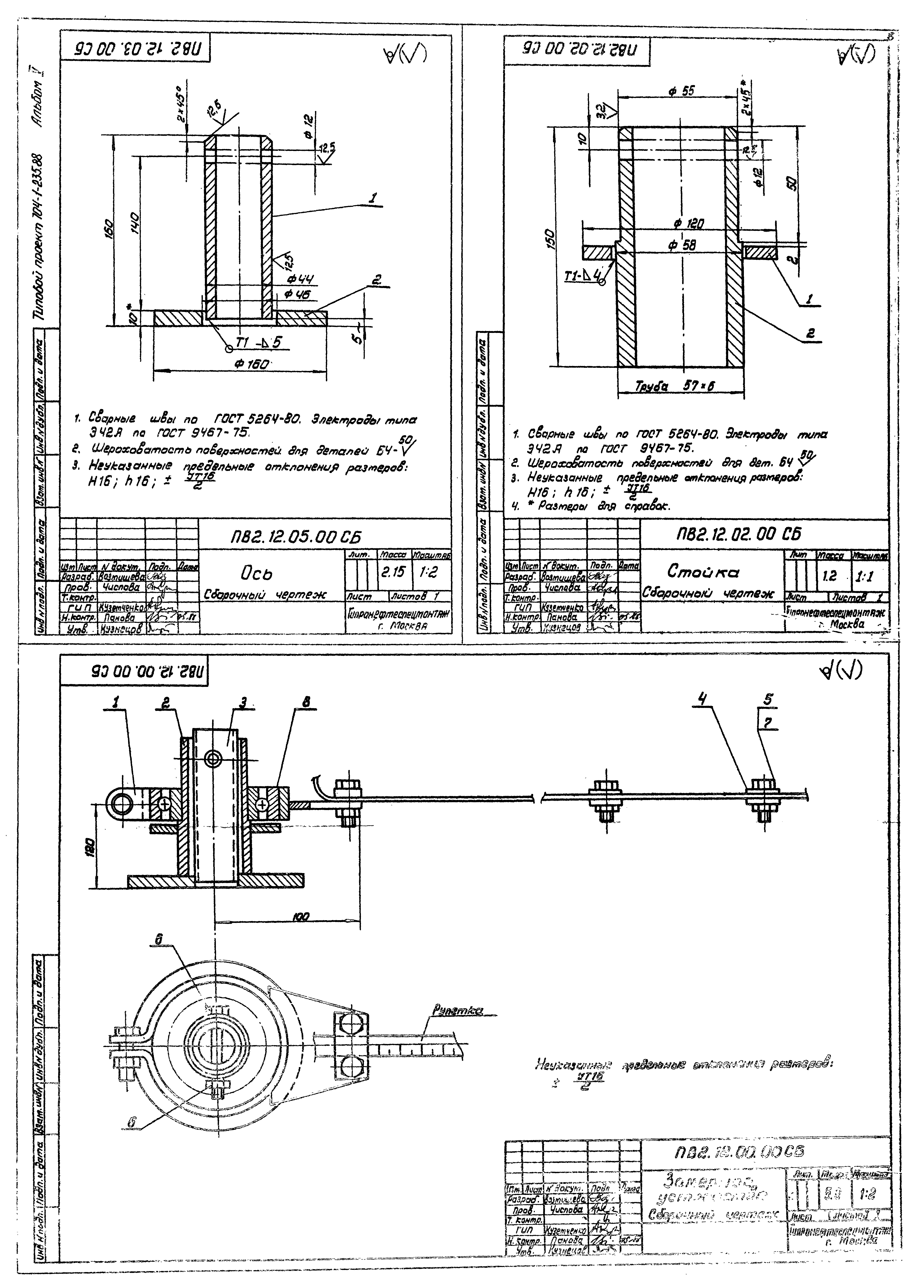
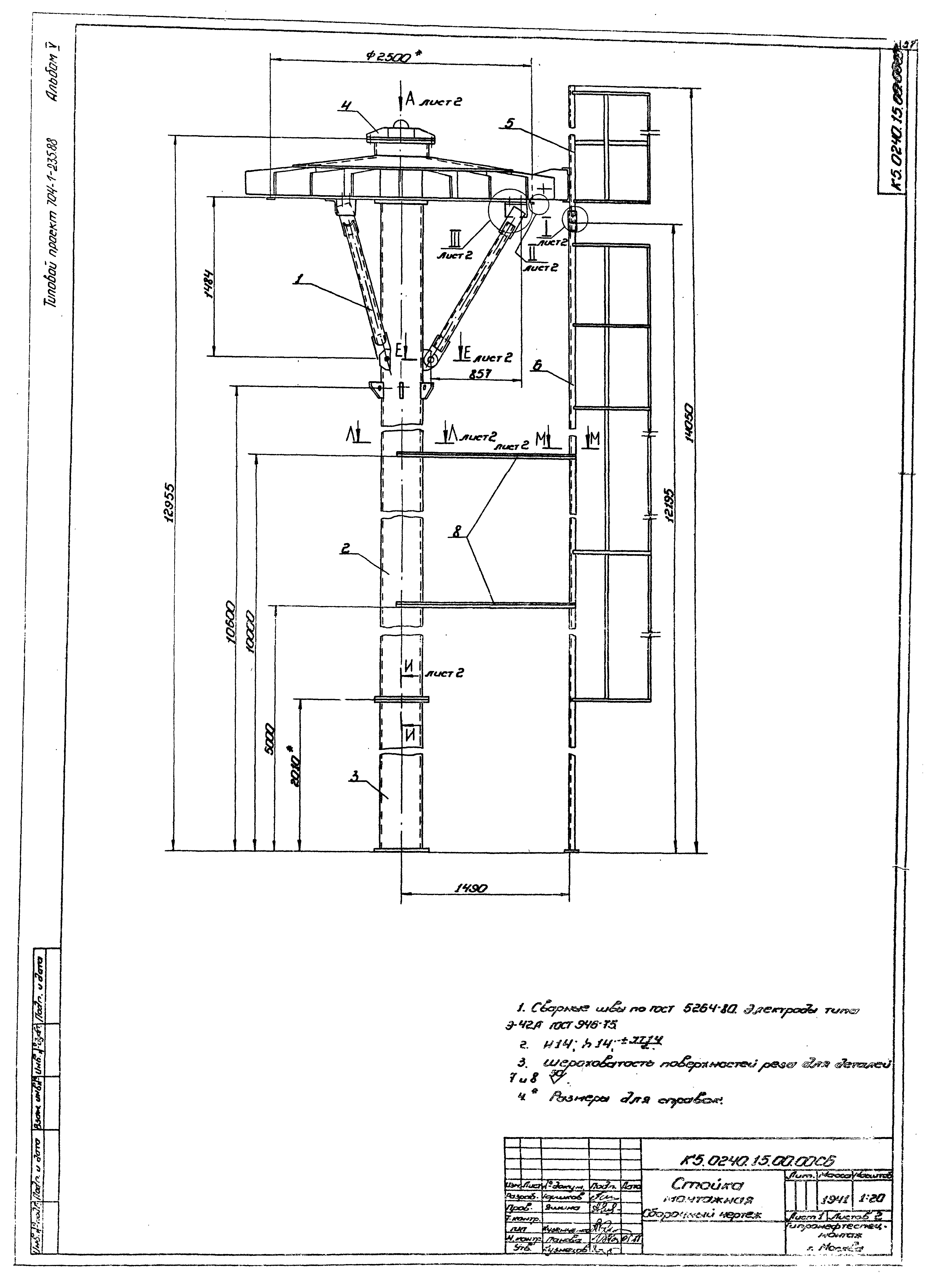
Скачать Типовой проект 704-1-240.88 Альбом V. Монтажные приспособления (из ТП 704-1-235.88)Дата актуализации: 01.01.2021 Типовой проект 704-1-240.88
Альбом V. Монтажные приспособления (из ТП 704-1-235.88)| Обозначение: | Типовой проект 704-1-240.88 | | Обозначение англ: | 704-1-240.88 | | Статус: | не действует | | Название рус.: | Альбом V. Монтажные приспособления (из ТП 704-1-235.88) | | Дата добавления в базу: | 01.09.2013 | | Дата актуализации: | 01.01.2021 | | Разработан: | Гипронефтеспецмонтаж Минмонтажспецстроя СССР (Giproneftespetsmontazh, Minmontazhspetsstroy (USSR) )
| | Утверждён: | 06.10.1988 Миннефтепром (Minnefteprom 180э)
|
                                                                 
|