Скачать Типовые материалы для проектирования 407-03-441.87 Альбом VI. Архитектурно-строительные решенияДата актуализации: 01.01.2021
|
| Обозначение: | Типовые материалы для проектирования 407-03-441.87 |
| Обозначение англ: | 407-03-441.87 |
| Статус: | справочные материалы, мп, тпр |
| Название рус.: | Альбом VI. Архитектурно-строительные решения |
| Дата добавления в базу: | 01.09.2013 |
| Дата актуализации: | 01.01.2021 |
| Дата введения: | 16.03.1987 |
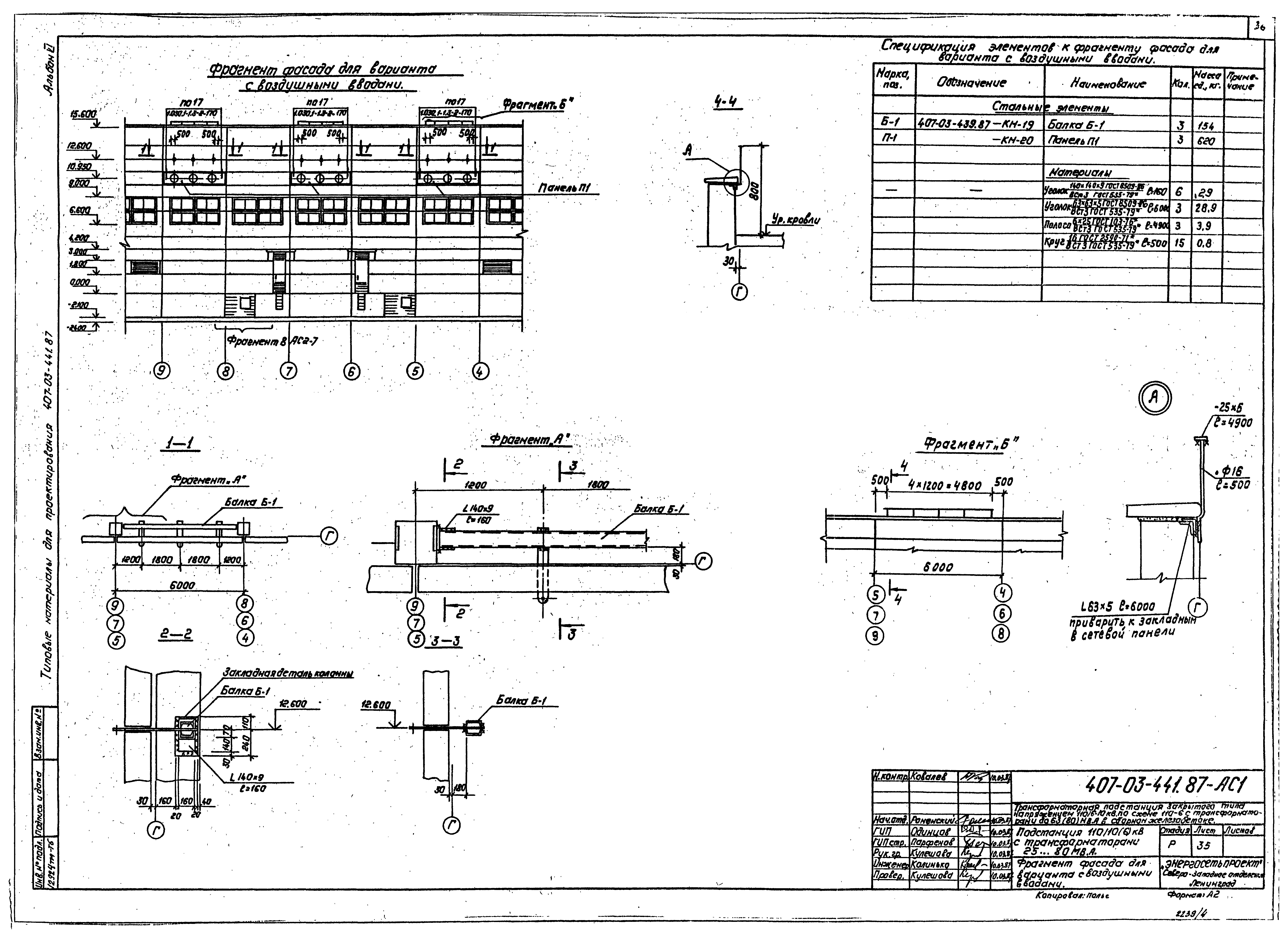
| Оглавление: | 1. Общие данные 2. План на отм. 0,000 в осях 1…8 (вариант с кабельными вводами) 3. То же, в осях 8…12 4. План на отм. 4,800 в осях 1…8 (вариант с кабельными вводами) 5. То же, в осях 8…12 6. План кабельного помещения и камеры переключения задвижек (вариант с кабельными вводами) 7. То же. Спецификация. Сечения 8. Ведомости проемов ворот, дверей и перемычек. Спецификации перемычек и элементов заполнения проемов. (вариант с кабельными вводами) 9. Разрезы 1-1, 2-2 10. Фасады (вариант с кабельными вводами) 11. То же. План полов 12. План кровли и раскладка парапетных плит. План грозозащитной сетки 13. Каркас здания. (вариант с кабельными вводами) Схемы расположения колонн и ригелей на отм. 0,000; 4,800; 9,600 14. То же. Схема расположения балок покрытия. Спецификация 15. (Вариант с кабельными вводами). Схемы расположения плит перекрытия на отм. 0,000 и 4,800 16. (Вариант с воздушными вводами). Схемы расположения плит перекрытия на отм. 0,000 и 4,800 17. Схемы расположения плит покрытия на отм. 9,600 и 14,700 18. (Вариант с кабельными вводами). Схемы расположения стеновых панелей по осям А, Г, 12,1 19. То же. Спецификация элементов к схеме расположения стеновых панелей 20. Схемы расположения стеновых панелей по оси Б 21. Схемы расположения фундаментов. Разрез 1-1. (Вариант с кабельными вводами) 22. То же. Разрезы 2-2…7-7 23. То же. Разрезы 8-8…16-16 24. (Вариант с кабельными вводами). Схемы расположения сборрных перегородок 25. То же. Схема расположения опор под оборудование в ЗРУ 110 кВ 26. (Вариант с воздушными вводами). Схема расположения опор под оборудование в ЗРУ 110 кВ 27. Схема расположения закладных элементов в перекрытии на отм. 0,000 28. Схема расположения площадок на отм. 9,250 29. (Вариант с кабельными вводами). Схема расположения закладных элементов в перекрытии ЗРУ 110 кВ 30 (Вариант с воздушными вводами). Схема расположения закладных элементов в перекрытии ЗРУ 110 кВ 31. Схема расположения закладных элементов в покрытии ЗРУ 110 кВ 32. Схема расположения площадок у оси Г 33. Фрагмент фасада для варианта с воздушными вводами 34. Схема расположения опор под оборудование в помещении кабельных муфт |
| Разработан: | Северо-западное отделение института Энергосетьпроект |
| Утверждён: | 16.03.1987 Минэнерго СССР (USSR Minenergo 18) |





































