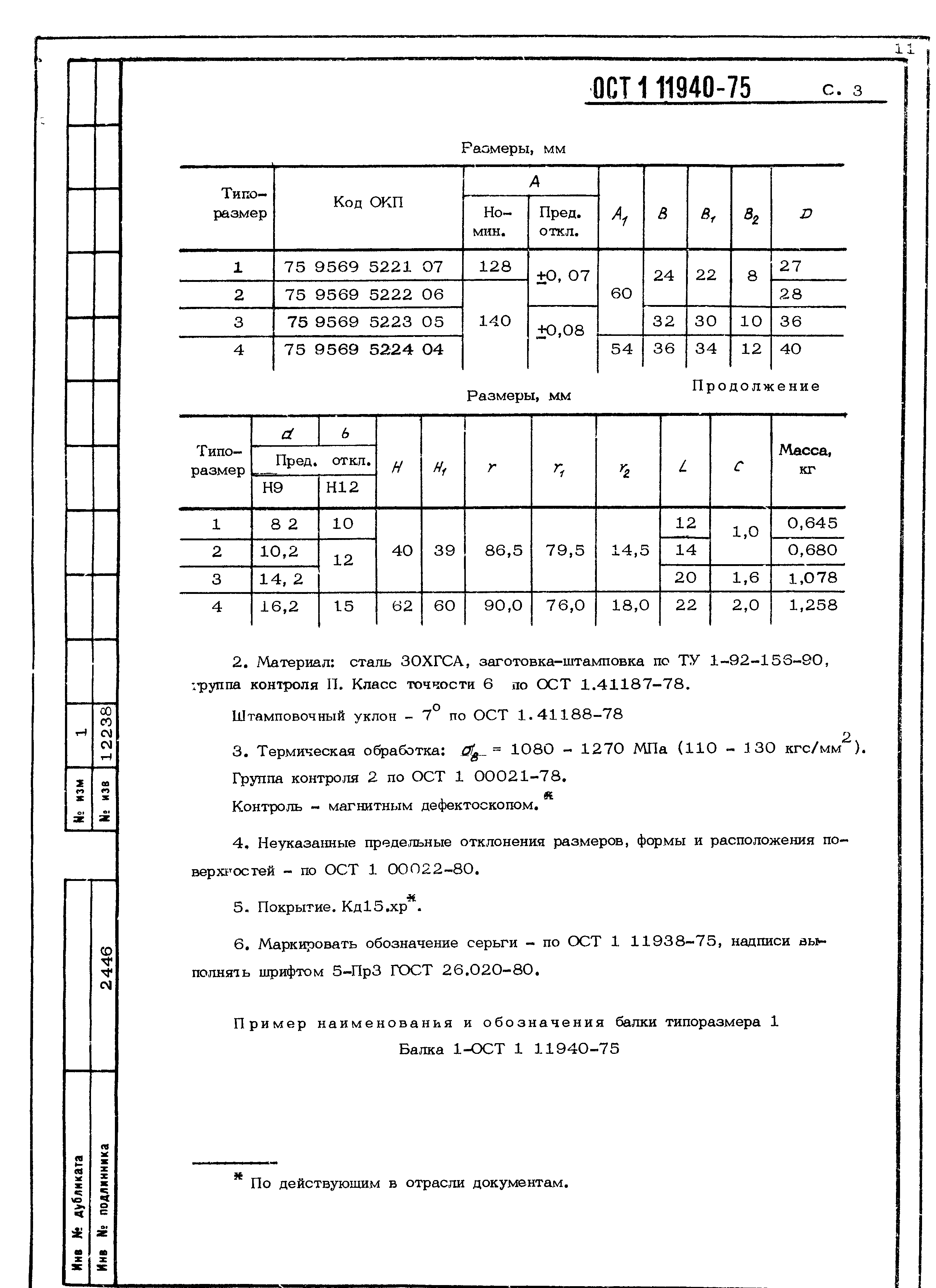
Скачать ОСТ 1 11940-75 Балки. Конструкция и размерыДата актуализации: 01.01.2021
|
| Обозначение: | ОСТ 1 11940-75 |
| Обозначение англ: | 11940-75 |
| Статус: | действует |
| Название рус.: | Балки. Конструкция и размеры |
| Дата добавления в базу: | 01.09.2013 |
| Дата актуализации: | 01.01.2021 |
| Дата введения: | 01.01.1976 |
| Утверждён: | 13.02.1975 Министерство (Ministry 087-16) |
| Заменяет собой: |
|
| Нормативные ссылки: |
|



