Скачать Типовой проект 901-5-47.90 Альбом 5. Конструкции железобетонные сборные, арматурные и закладные изделияДата актуализации: 01.01.2021
|
| Обозначение: | Типовой проект 901-5-47.90 |
| Обозначение англ: | 901-5-47.90 |
| Статус: | не определен законодательством |
| Название рус.: | Альбом 5. Конструкции железобетонные сборные, арматурные и закладные изделия |
| Дата добавления в базу: | 01.09.2013 |
| Дата актуализации: | 01.01.2021 |
| Дата введения: | 25.07.1990 |
| Дата окончания срока действия: | 30.06.2003 |
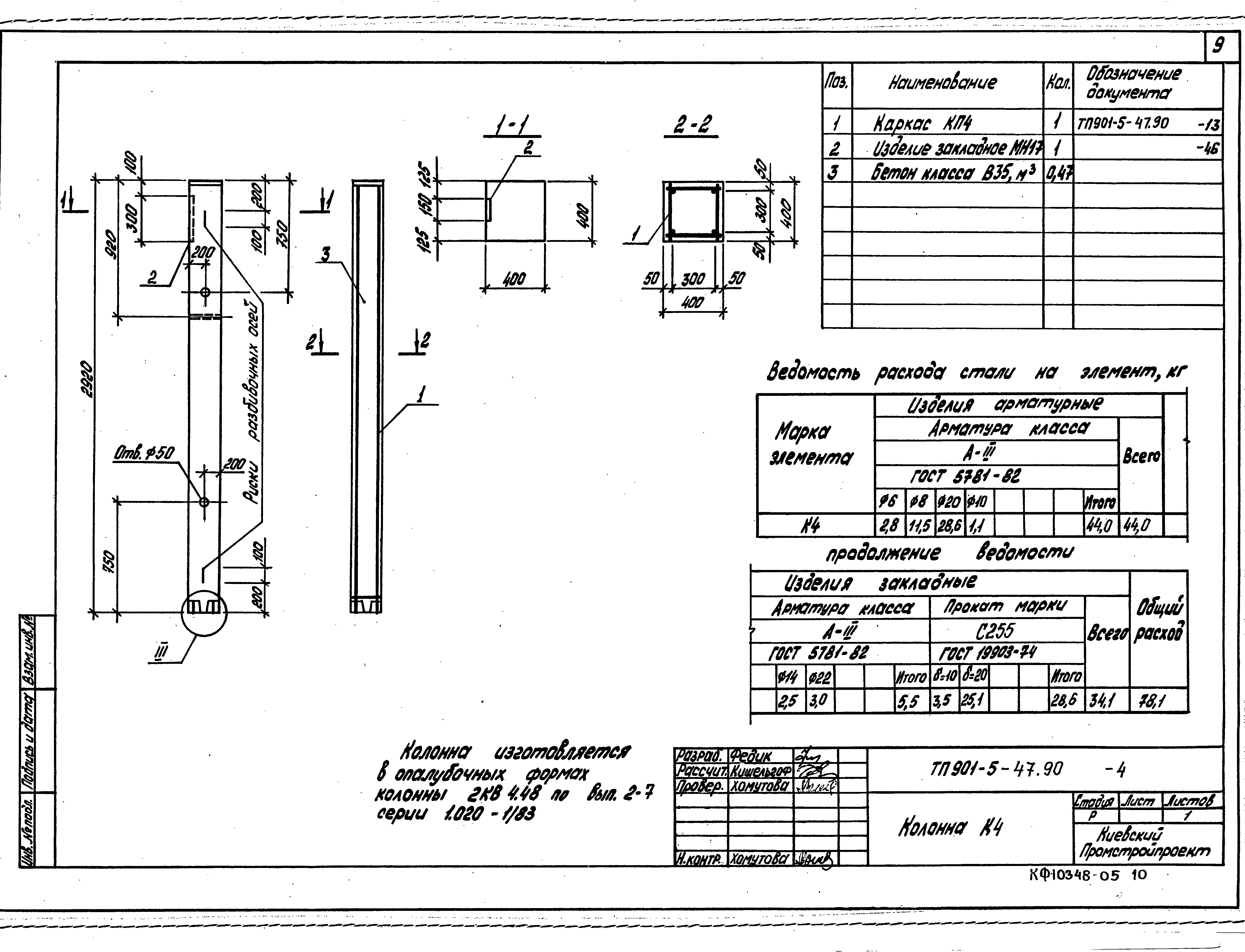
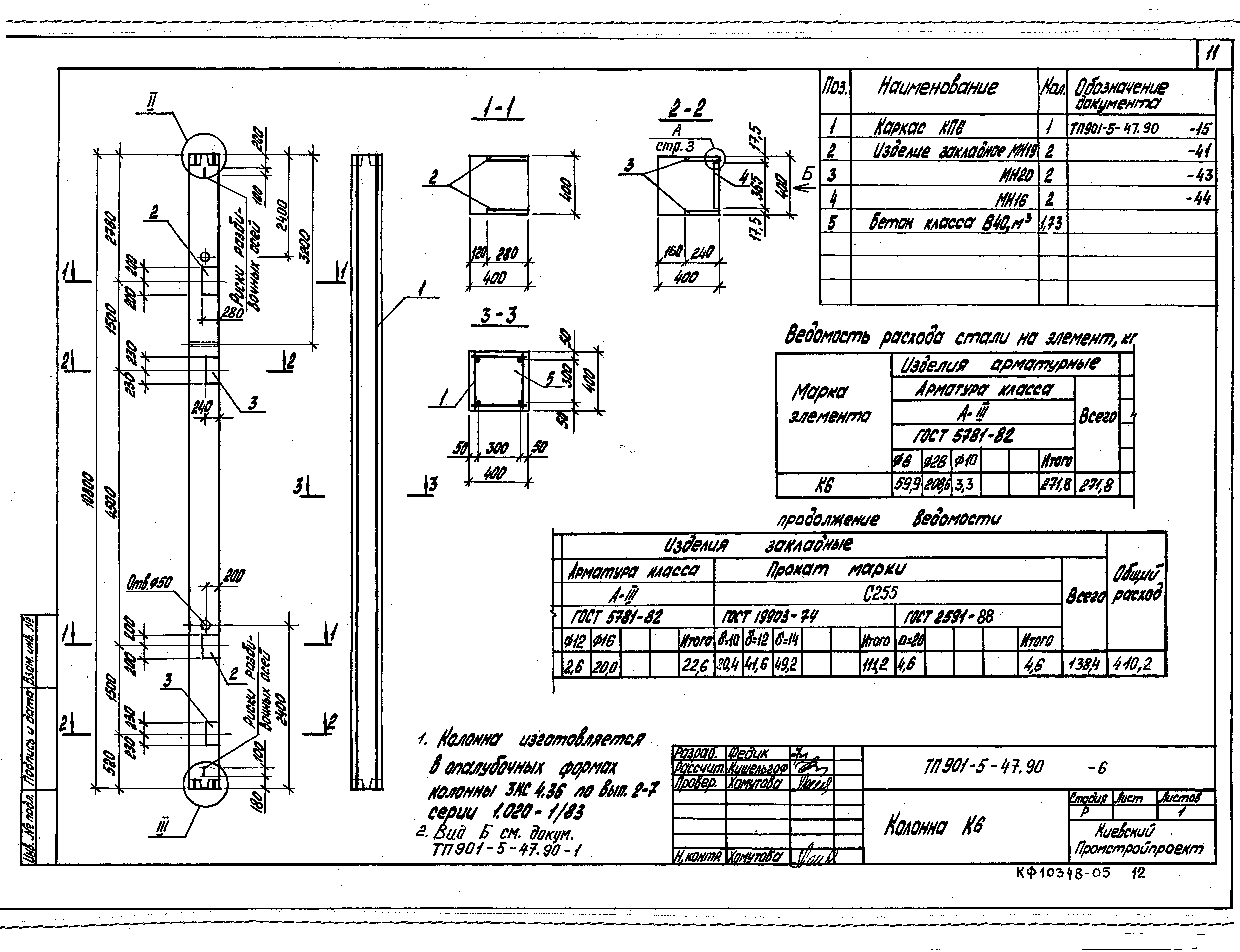
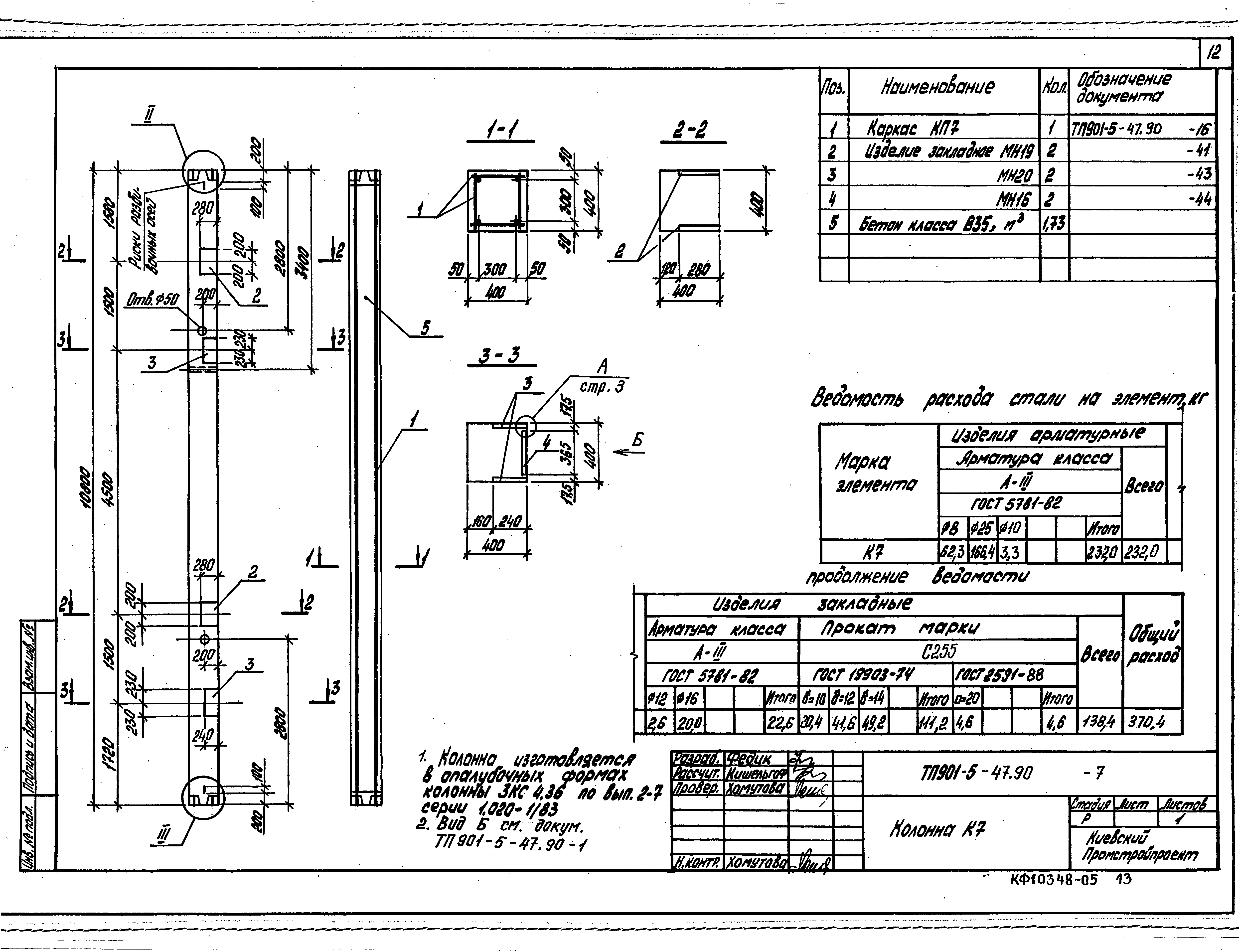
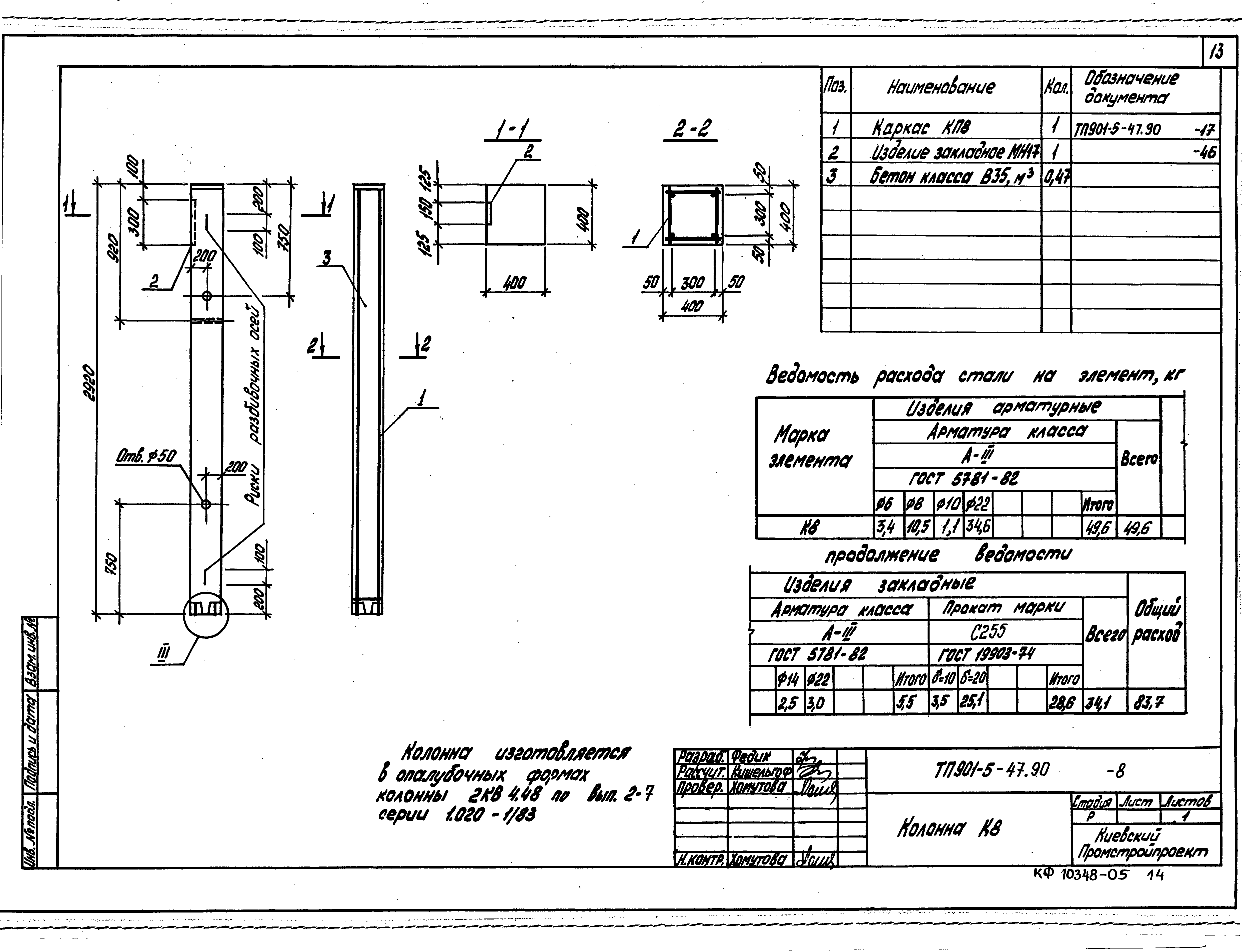
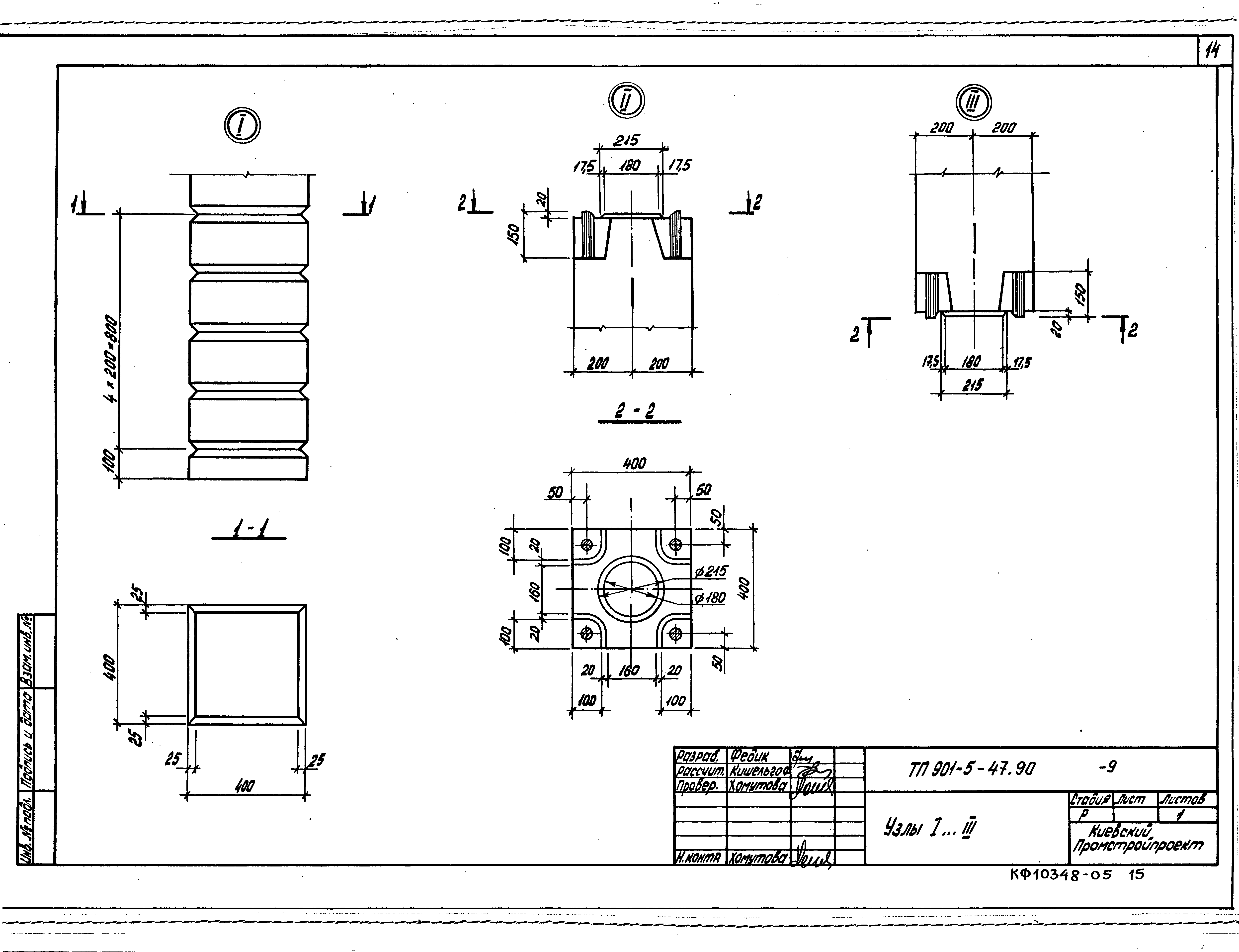
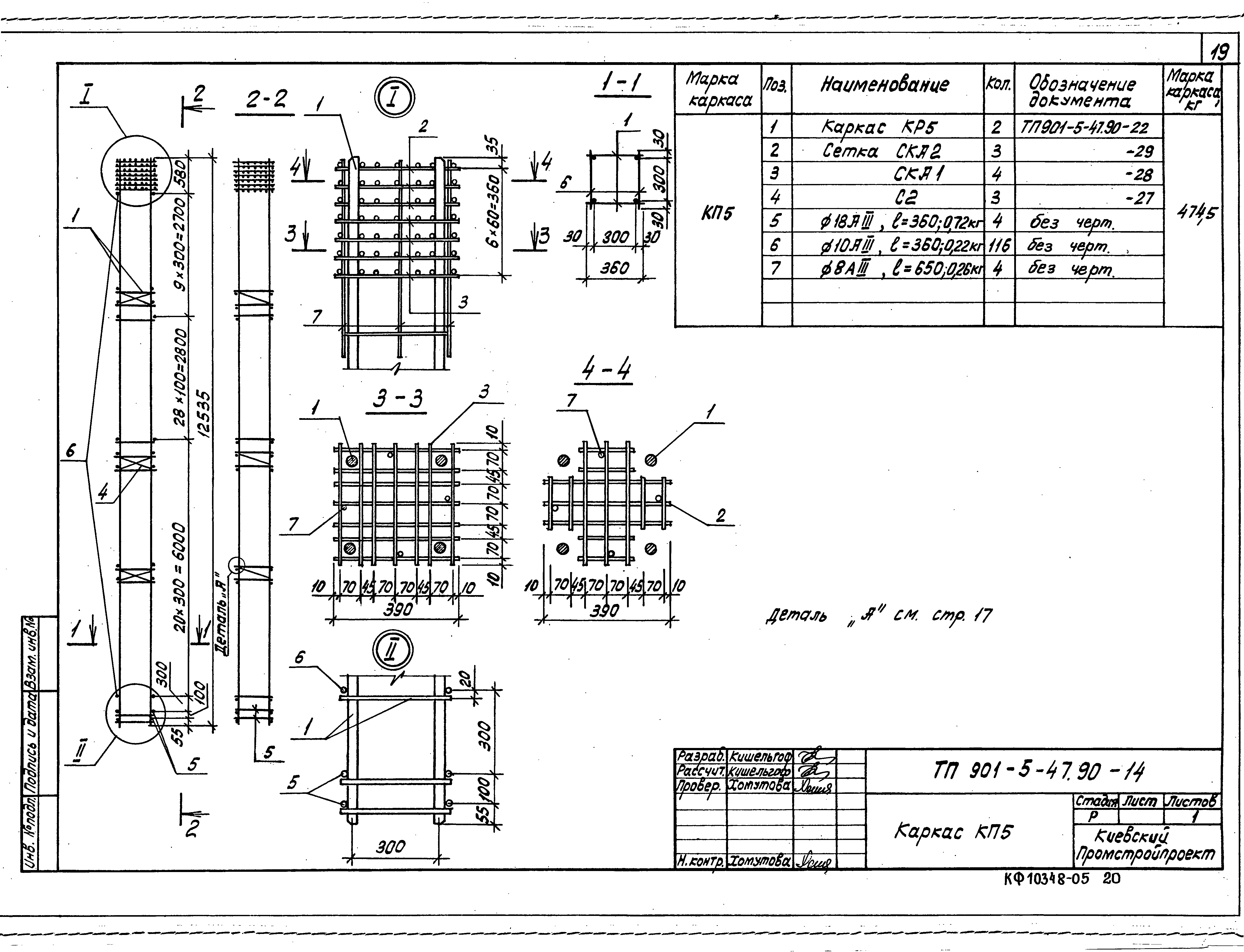
| Оглавление: | ТП 901-5-47.90 Пояснительная записка ТП 901-5-47.90-1 Колонна К1 ТП 901-5-47.90-2 Колонна К2 ТП 901-5-47.90-3 Колонна К3 ТП 901-5-47.90-4 Колонна К4 ТП 901-5-47.90-5 Колонна К5 ТП 901-5-47.90-6 Колонна К6 ТП 901-5-47.90-7 Колонна К7 ТП 901-5-47.90-8 Колонна К8 ТП 901-5-47.90-9 Узлы 1…3 ТП 901-5-47.90-10 Каркас КП1 ТП 901-5-47.90-11 Каркас КП2 ТП 901-5-47.90-12 Каркас КП3 ТП 901-5-47.90-13 Каркас КП4 ТП 901-5-47.90-14 Каркас КП5 ТП 901-5-47.90-15 Каркас КП6 ТП 901-5-47.90-16 Каркас КП7 ТП 901-5-47.90-17 Каркас КП8 ТП 901-5-47.90-18 Каркас КР1 ТП 901-5-47.90-19 Каркас КР2 ТП 901-5-47.90-20 Каркас КР3 ТП 901-5-47.90-21 Каркас КР4 ТП 901-5-47.90-22 Каркас КР5 ТП 901-5-47.90-23 Каркас КР6 ТП 901-5-47.90-24 Каркас КР7 ТП 901-5-47.90-25 Каркас КР8 ТП 901-5-47.90-26 Сетка С1 ТП 901-5-47.90-27 Сетка С2 ТП 901-5-47.90-28 Сетка косв. арм. СКА 1; СКА 3 ТП 901-5-47.90-29 Сетка косв. арм. СКА 2 ТП 901-5-47.90-30 Изделие закладное МН1 ТП 901-5-47.90-31 Изделие закладное МН2; МН3 ТП 901-5-47.90-32 Изделие закладное МН4 ТП 901-5-47.90-33 Изделие закладное МН5; МН6 ТП 901-5-47.90-34 Изделие закладное МН7 ТП 901-5-47.90-35 Изделие закладное МН8 ТП 901-5-47.90-36 Изделие закладное МН9 ТП 901-5-47.90-37 Изделие закладное МН10 ТП 901-5-47.90-38 Изделие закладное МН11 ТП 901-5-47.90-40 Изделие закладное МН12 ТП 901-5-47.90-41 Изделие закладное МН13 ТП 901-5-47.90-42 Изделие закладное МН19 ТП 901-5-47.90-43 Изделие закладное МН15 ТП 901-5-47.90-44 Изделие закладное МН16 ТП 901-5-47.90-45 Изделие закладное МН14 ТП 901-5-47.90-46 Изделие закладное МН17 ТП 901-5-47.90-47 Изделие закладное МН18 ТП 901-5-47.90-48 Изделие соединительное МС1 ТП 901-5-47.90-49 Изделие соединительное МС2 ТП 901-5-47.90-50 Изделие соединительное МС3 ТП 901-5-47.90-51 Изделие соединительное МС4 ТП 901-5-47.90-52 Изделие соединительное МС5 |
| Разработан: | Киевский Промстройпроект |
| Утверждён: | 25.07.1990 Госстрой СССР (Государственный комитет Совета Министров СССР по делам строительства) (USSR Gosstroy 10) |








































