Скачать Серия 1.138.1-17 Выпуск 2. Часть 2. Панели толщиной 400 мм. Рабочие чертежиДата актуализации: 01.01.2021
|
| Обозначение: | Серия 1.138.1-17 |
| Обозначение англ: | Series 1.138.1-17 |
| Статус: | действует |
| Название рус.: | Выпуск 2. Часть 2. Панели толщиной 400 мм. Рабочие чертежи |
| Дата добавления в базу: | 01.09.2013 |
| Дата актуализации: | 01.01.2021 |
| Дата введения: | 15.05.1986 |
| Область применения: | Панели парапета предназначены для теплых чердаков в 5 - 9 этажных жилых зданий с шагом внутренних несущих стен 3,0 - 3,6 м (с "малым шагом") и с шагом 3,0 - 6,0 м (с "большим и смешанным шагом"), строящихся во II и III климатических районах и в подрайоне IВ. Панели парапета могут использоваться как при рулонных, так и безрулонных покрытиях |
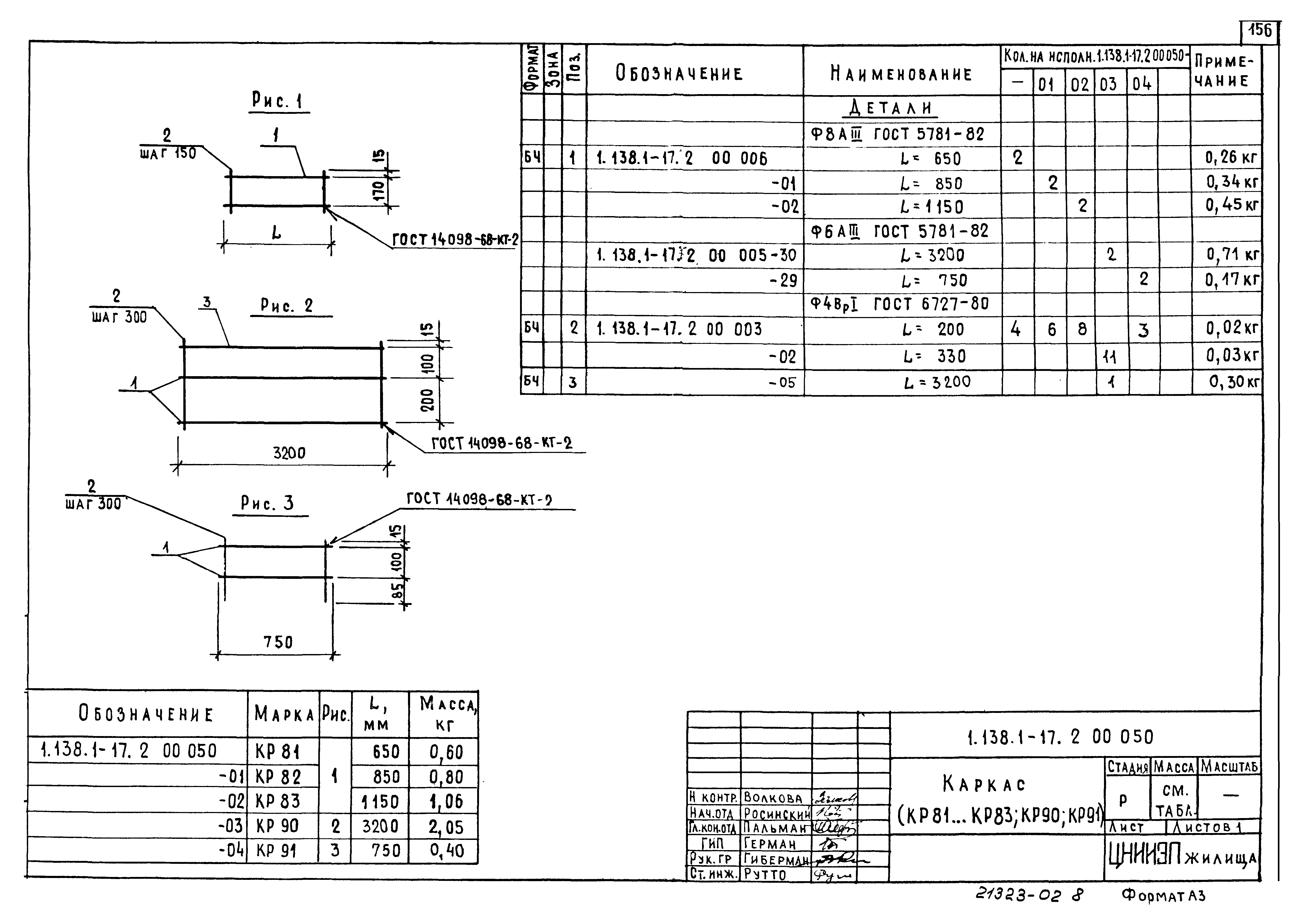
| Оглавление: | 1.138.1-17.1 00 010 Каркас (КР1… КР9) 1.138.1-17.1 00 020 Каркас (КР10, КР11, КР21… КР25) 1.138.1-17.1 00 030 Каркас (КР31… КР47) 1.138.1-17.1 00 030 СБ Каркас (КР31… КР47). Сборочный чертеж 1.138.1-17.1 00 040 Каркас (КР51… КР70) 1.138.1-17.1 00 040 СБ Каркас (КР51… КР70). Сборочный чертеж 1.138.1-17.1 00 050 Каркас (КР81… КР83, КР90, КР91) 1.138.1-17.1 00 060 Каркас (КР101… КР144) 1.138.1-17.1 00 060 Каркас (КР101… КР144). Сборочный чертеж 1.138.1-17.1 00 070 Изделие закладное МС3 1.138.1-17.1 00 080 Изделие закладное МП1 1.138.1-17.1 00 001 Изделие закладное АП1 1.138.1-17.1 00 002 Петля строповочная (ПС1… ПС5) 1.138.1-17.1 00 000 РС Ведомость расхода стали 1.138.1-17.1 00 000 РМ Ведомость расхода материалов |
| Разработан: | ЦНИИЭП жилища |
| Утверждён: | 30.04.1986 Госгражданстрой (Gosgrazhdanstroy 153) |
| Принят: | Гипростроммаш |
| Издан: | ЦИТП Госстроя СССР (CITP, Gosstroy (USSR) 1986 г. ) |
| Нормативные ссылки: |
|
































