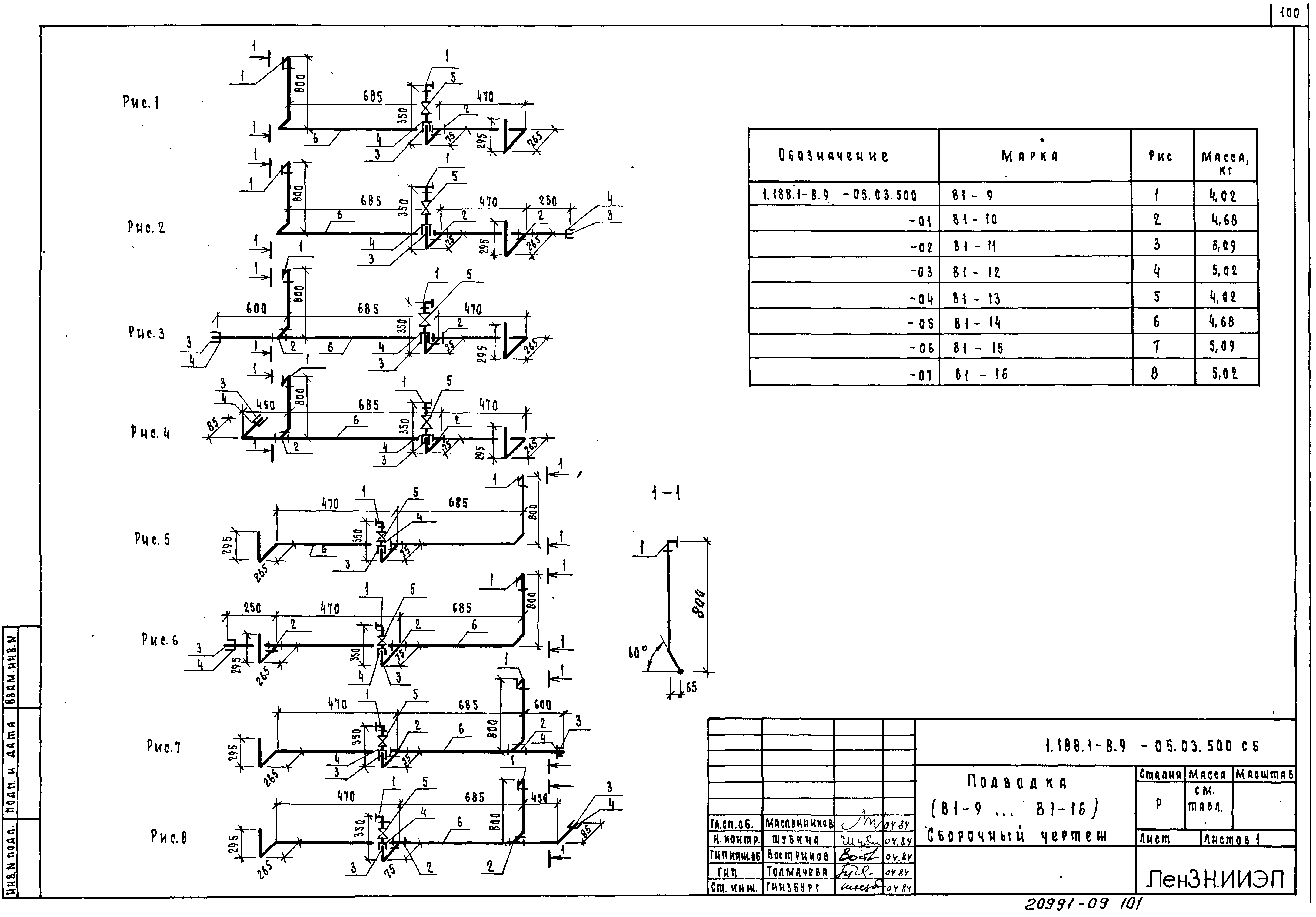
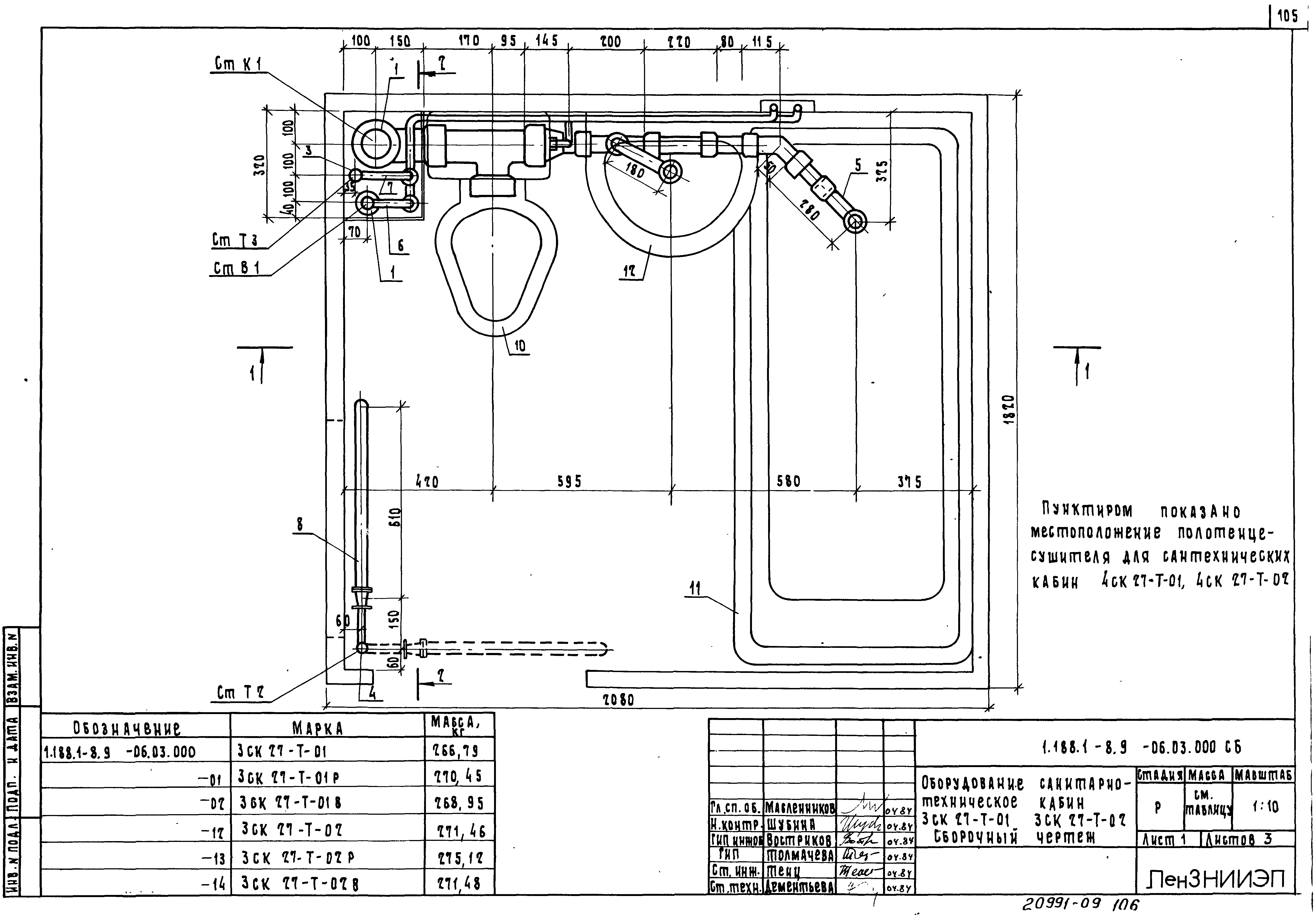
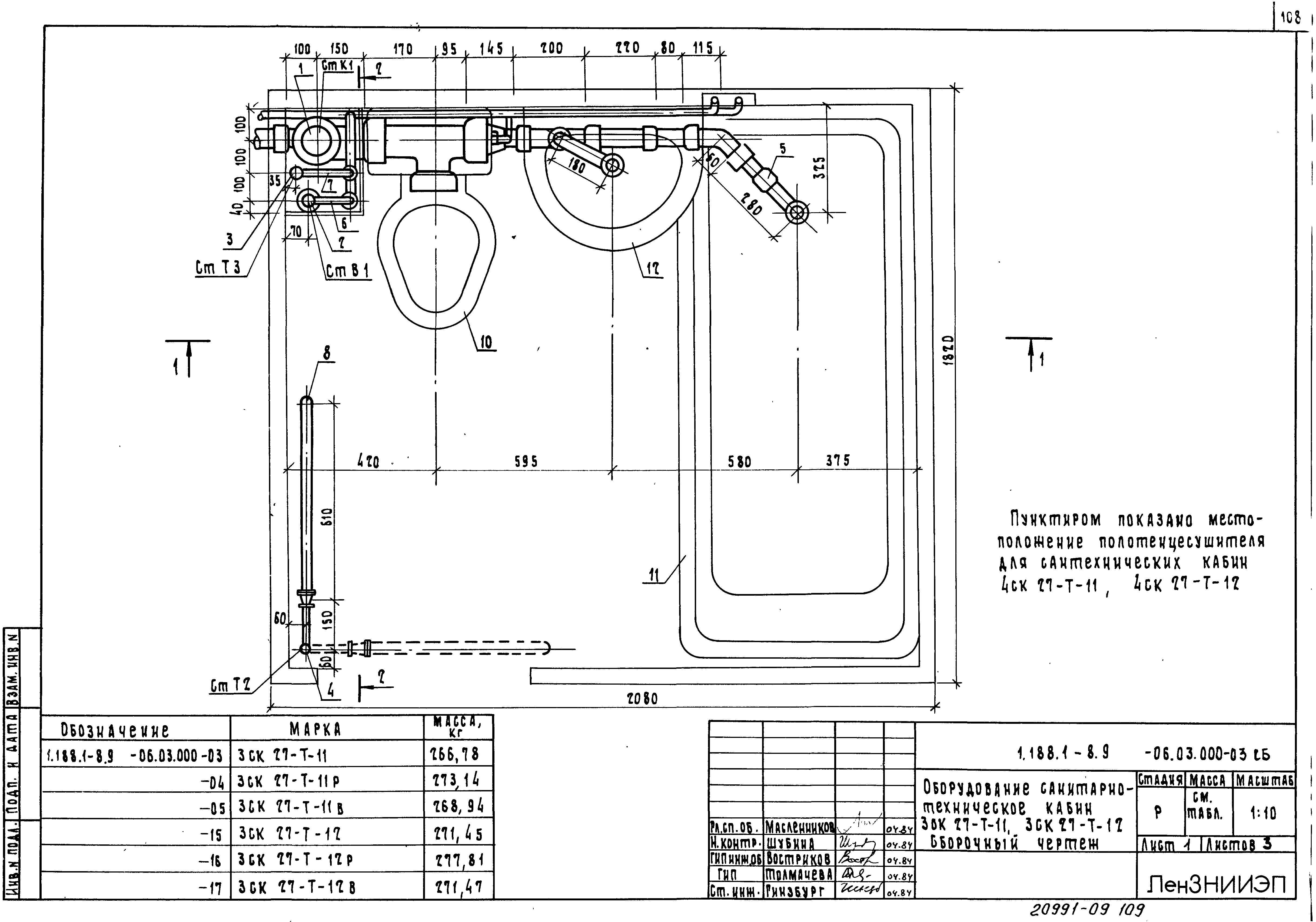
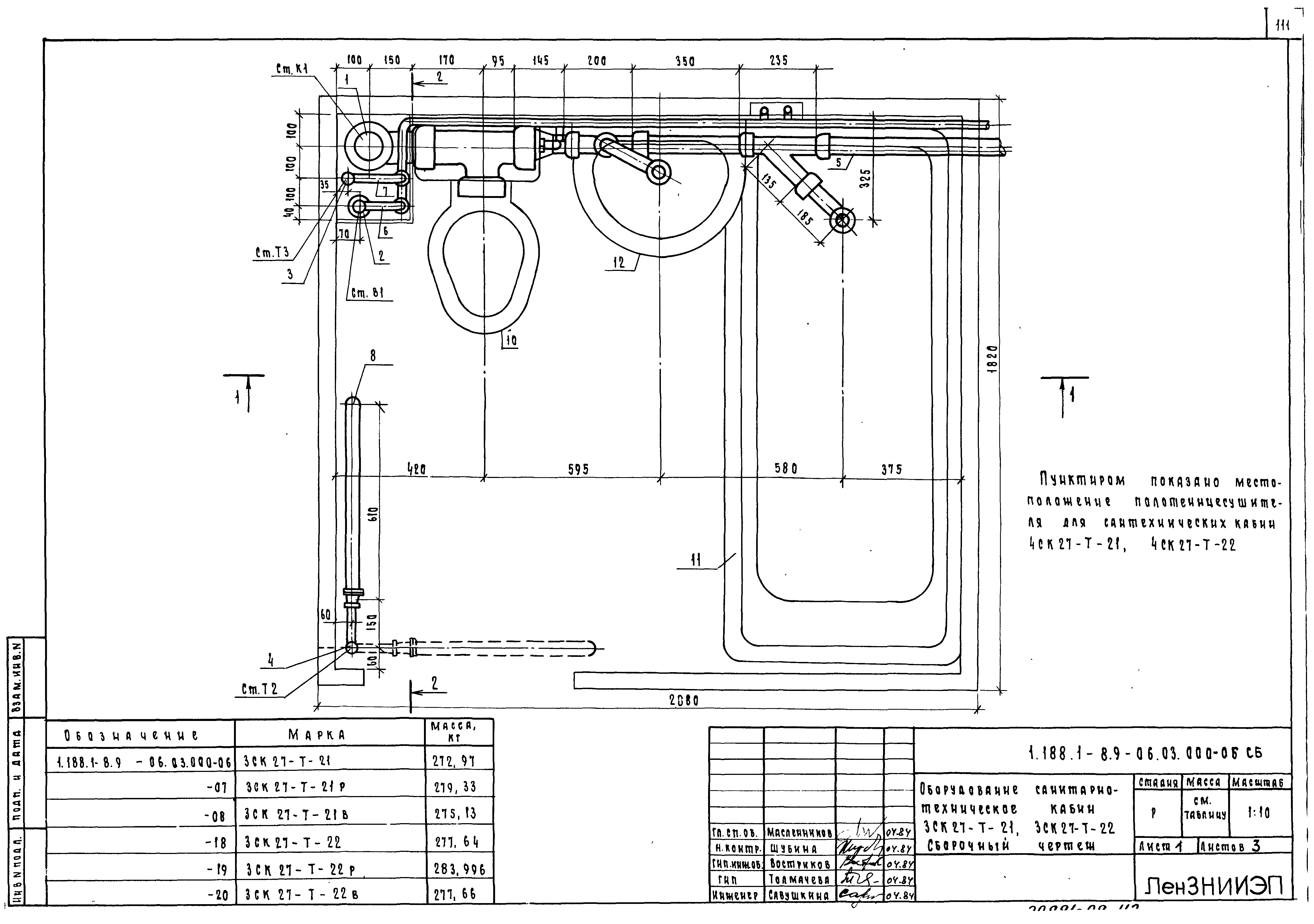
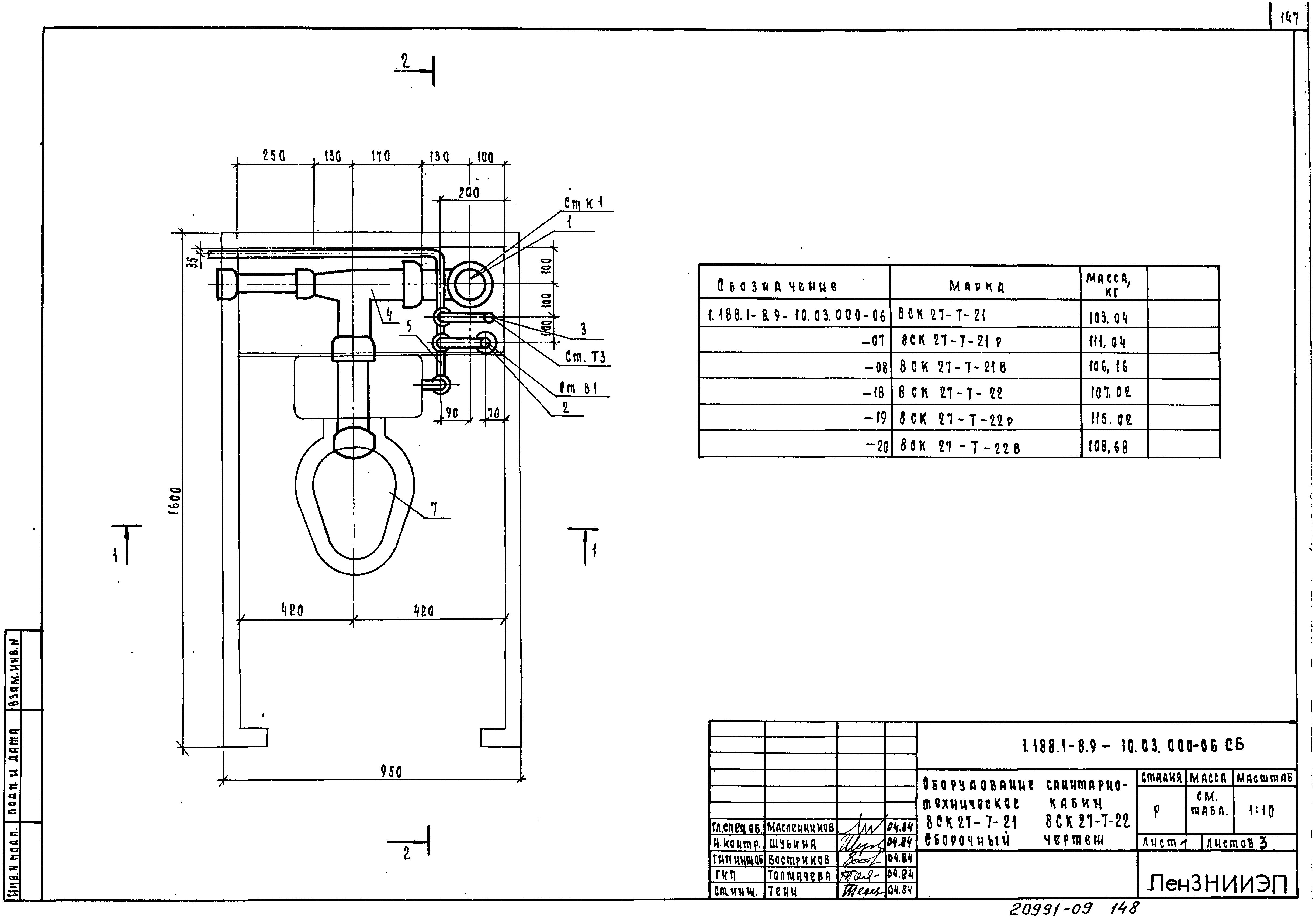
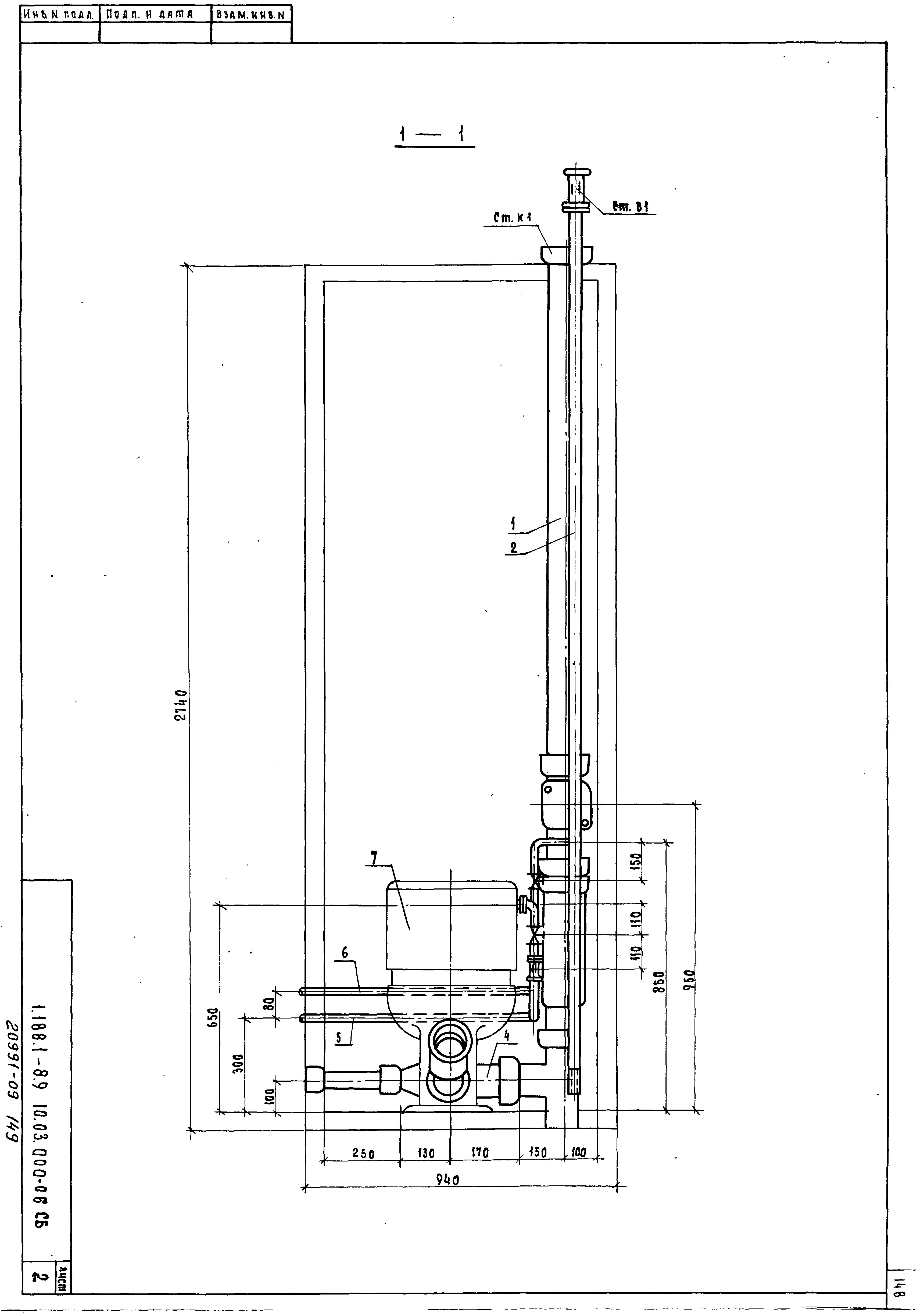
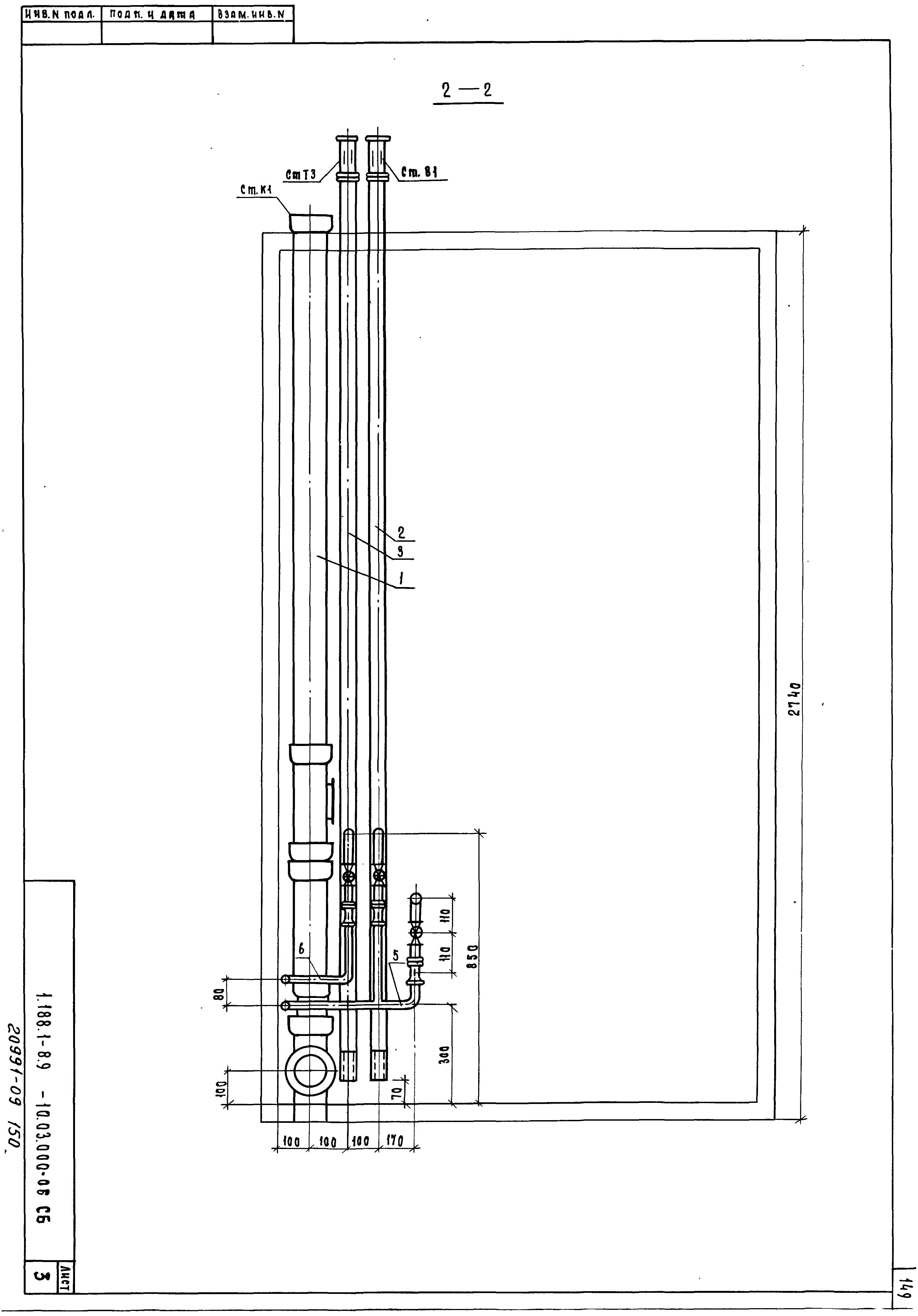
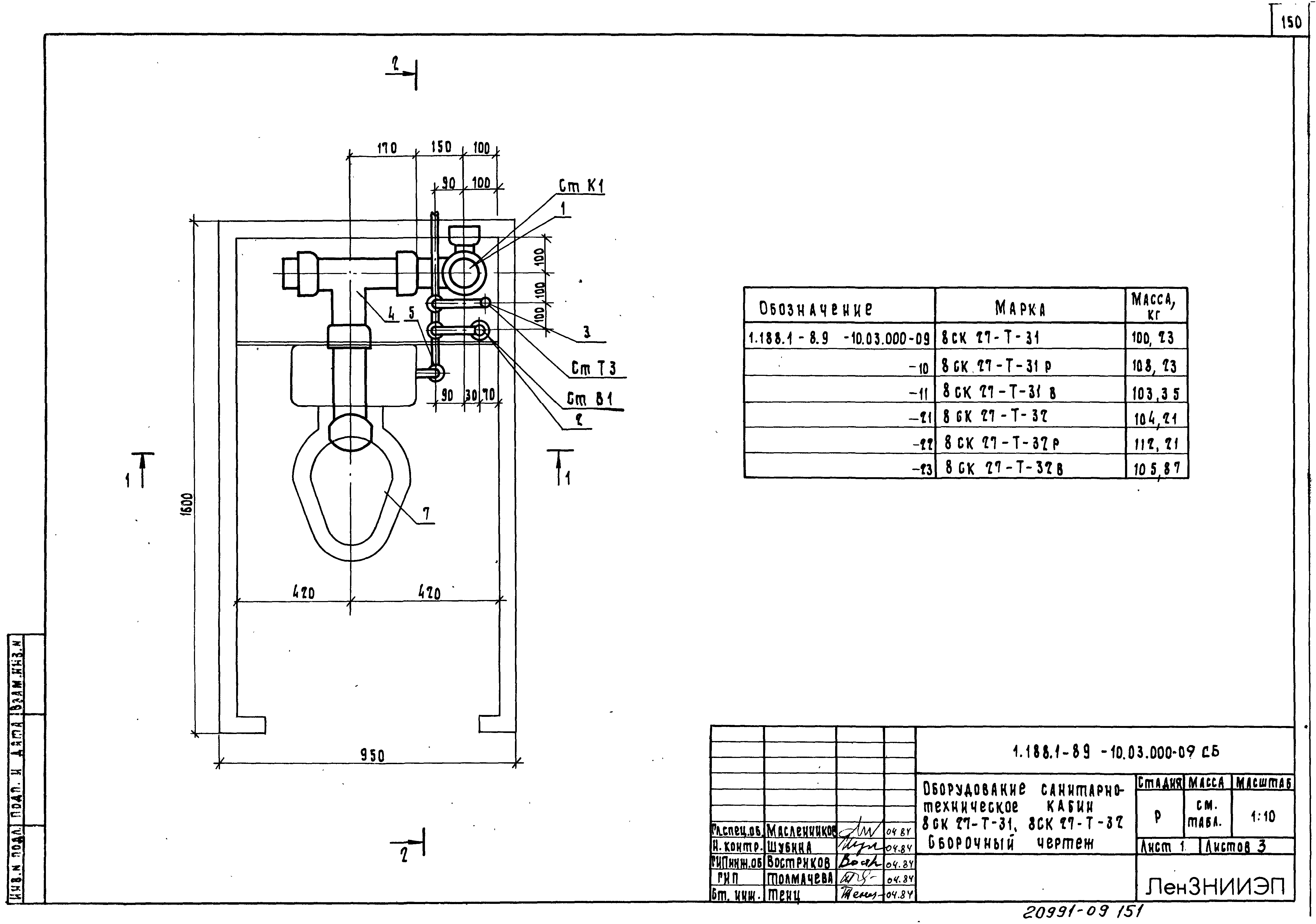
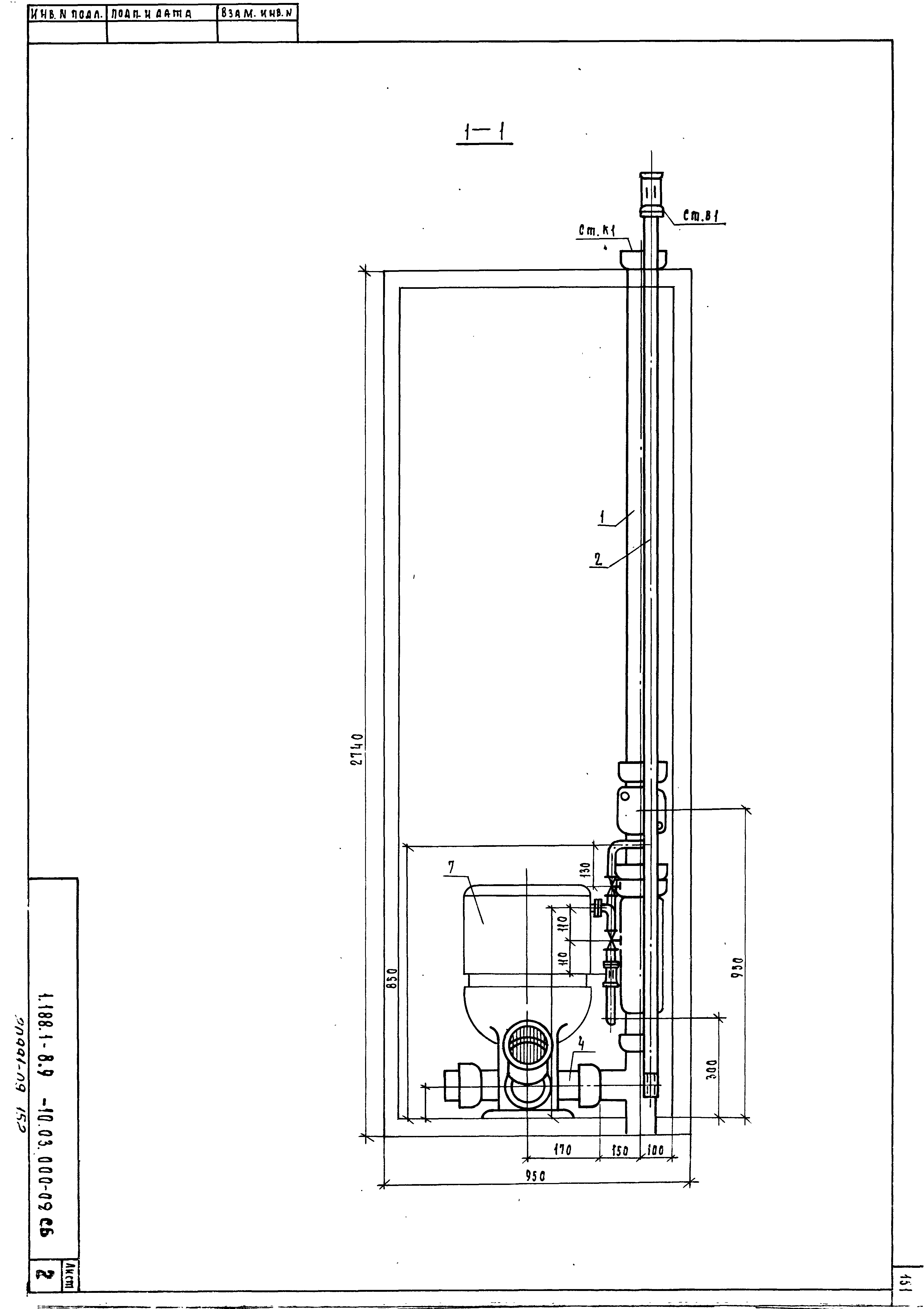
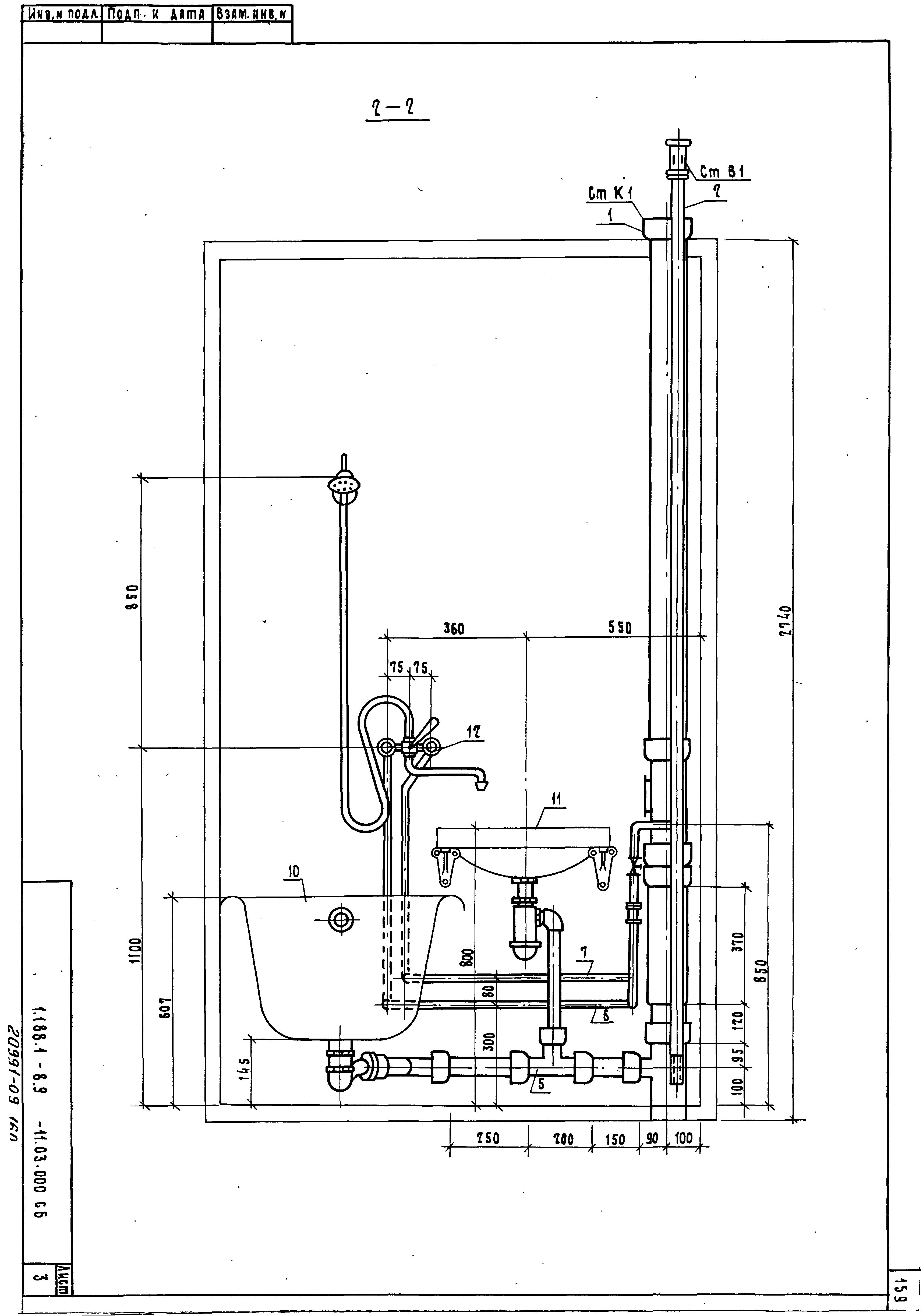
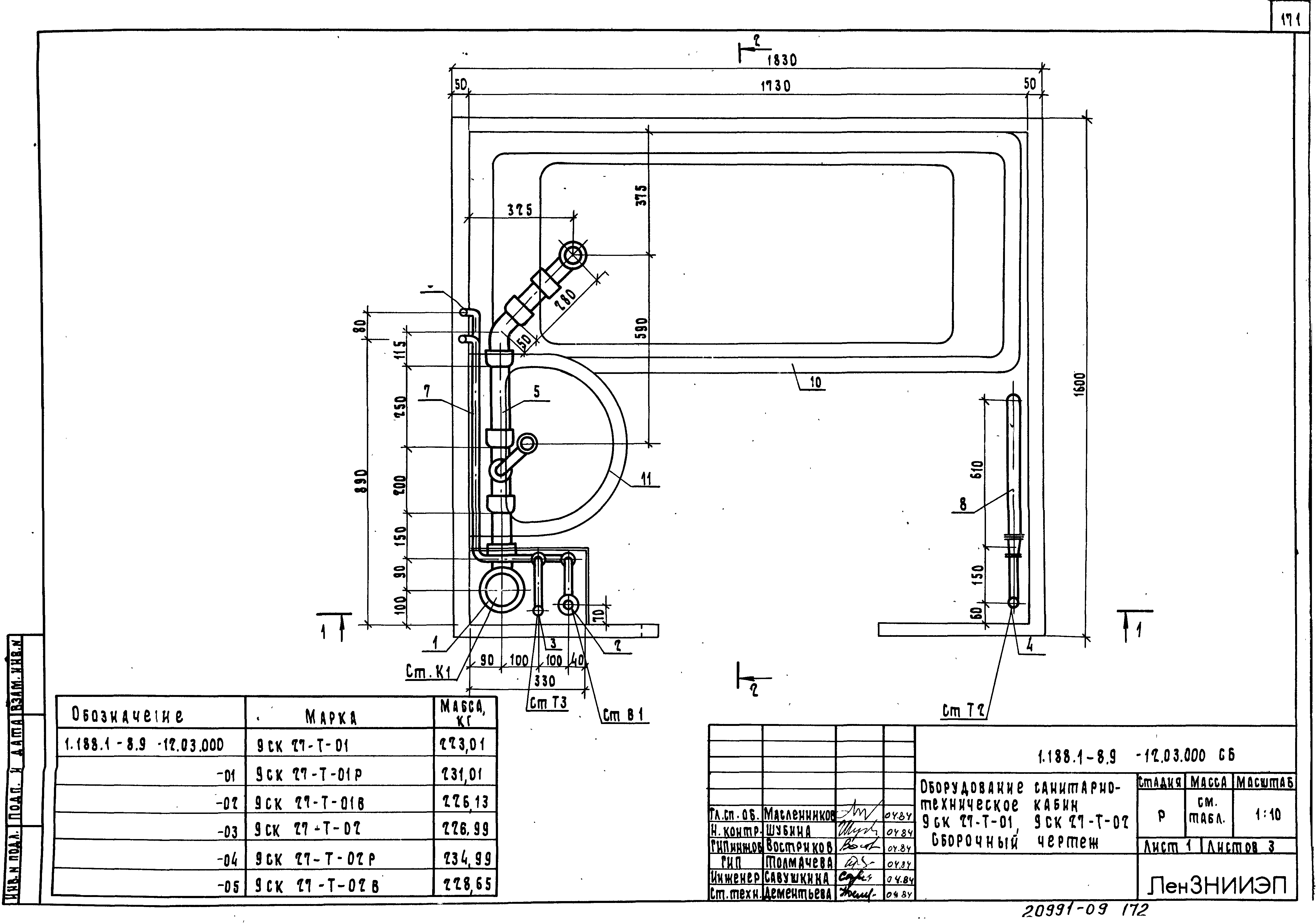
Скачать Серия 1.188.1-8 Выпуск 9. Часть 2. Санитарно-технические чертежи оборудования кабин из тяжелого цементного бетона типа 1СК, 2СК, 2СК…1, 3СК, 4СК, 8СК, 9СК. Рабочие чертежиДата актуализации: 01.01.2021 Серия 1.188.1-8
Выпуск 9. Часть 2. Санитарно-технические чертежи оборудования кабин из тяжелого цементного бетона типа 1СК, 2СК, 2СК…1, 3СК, 4СК, 8СК, 9СК. Рабочие чертежи| Обозначение: | Серия 1.188.1-8 | | Обозначение англ: | Series 1.188.1-8 | | Статус: | действует | | Название рус.: | Выпуск 9. Часть 2. Санитарно-технические чертежи оборудования кабин из тяжелого цементного бетона типа 1СК, 2СК, 2СК…1, 3СК, 4СК, 8СК, 9СК. Рабочие чертежи | | Дата добавления в базу: | 01.09.2013 | | Дата актуализации: | 01.01.2021 | | Дата введения: | 30.05.1985 | | Разработан: | ЛенЗНИИЭП Госгражданстроя
| | Утверждён: | 08.05.1985 Госгражданстрой (Gosgrazhdanstroy 138)
| | Издан: | ЦИТП Госстроя СССР (CITP, Gosstroy (USSR) 1986 г. )
|
                                                                                           
|