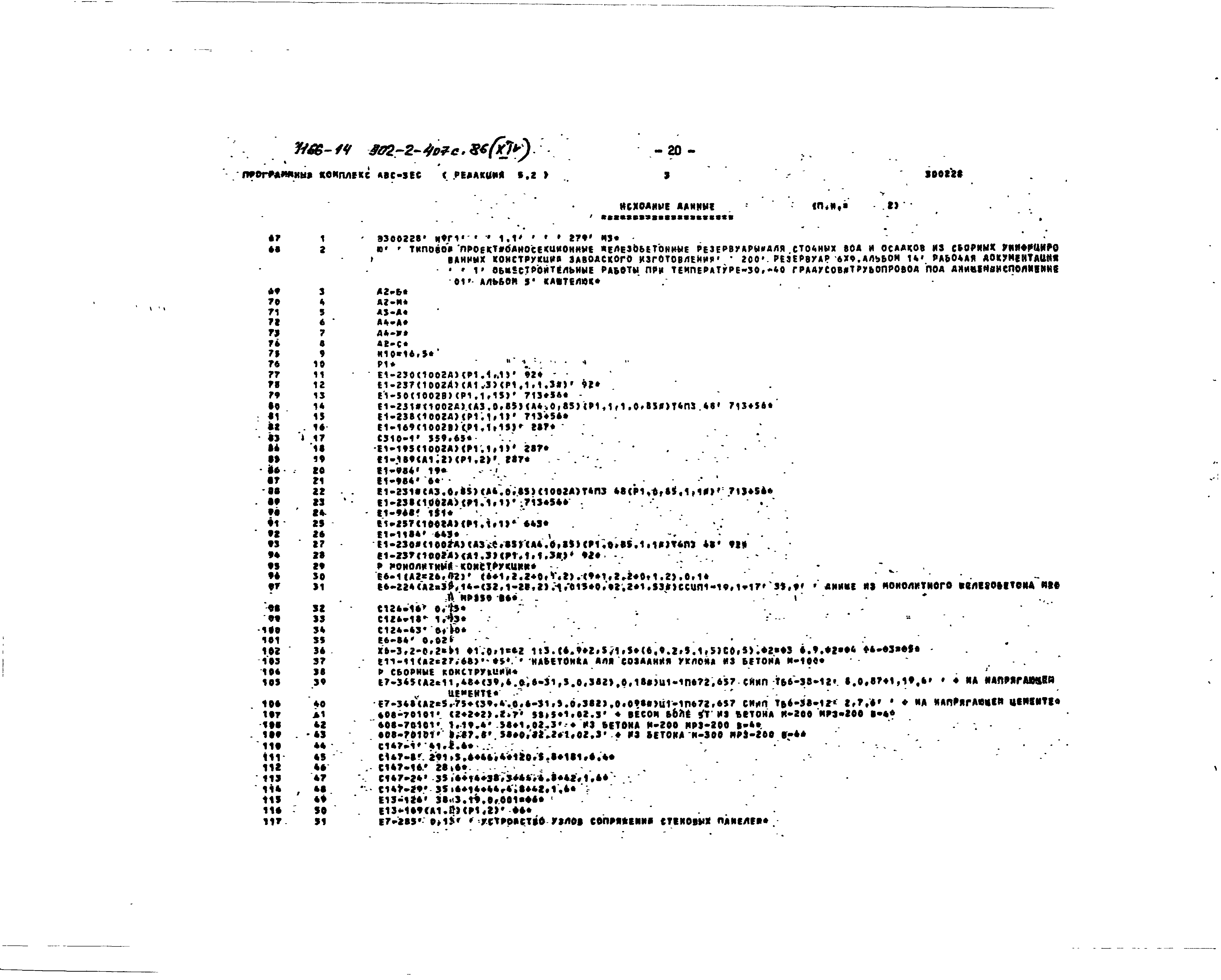
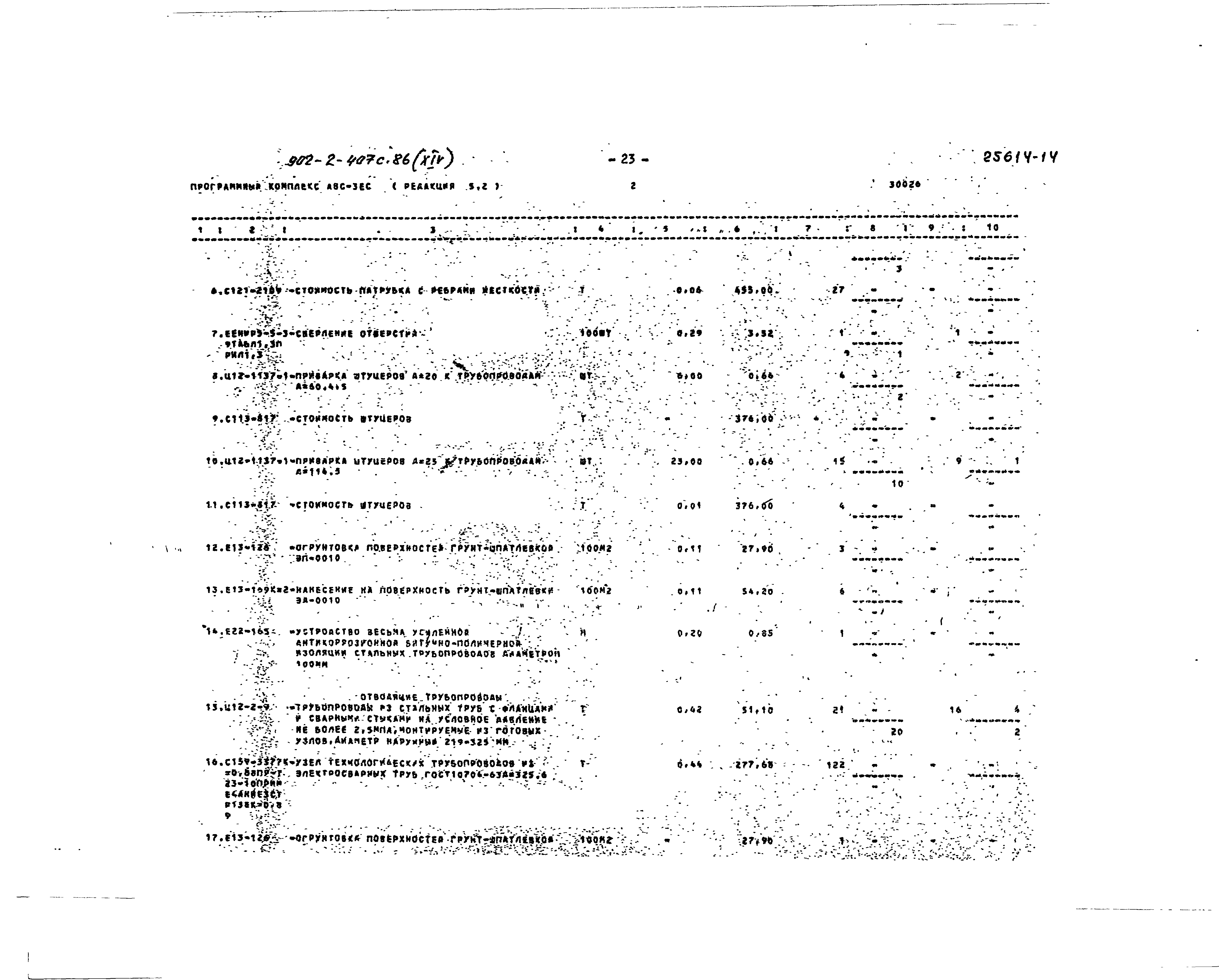
Скачать Типовой проект 902-2-407с.86 Альбом 14. Резервуары размером 6х9 м. Сметы. Ведомости потребности в материалахДата актуализации: 01.01.2021
|
| Обозначение: | Типовой проект 902-2-407с.86 |
| Обозначение англ: | 902-2-407с.86 |
| Статус: | не определен законодательством |
| Название рус.: | Альбом 14. Резервуары размером 6х9 м. Сметы. Ведомости потребности в материалах |
| Дата добавления в базу: | 01.09.2013 |
| Дата актуализации: | 01.01.2021 |
| Дата введения: | 06.03.1985 |
| Дата окончания срока действия: | 30.06.2003 |
| Оглавление: | Пояснительная записка Сводкас смет Объектная смета на резервуар 6 х 9. Трубопровод под днищем. Исполнение 01 Смета на общестроительные работы. Трубопровод под днищем Смета на технологические трубопроводы расположенные под днищем Смета на оборудование КИП Объектная смета на резервуар 6 х 9. Трубопровод над днищем. Исполнение 01 Смета на дополнительные общестроительные работы. Трубопровод над днищем Смета на технологические трубопроводы расположенные над днищем Объектная смета на резервуар 6 х 9. Трубопровод под днищем. Исполнение 02 Смета на дополнительные общестроительные работы. Трубопровод под днищем Объектная смета на резервуар 6 х 9. Трубопровод над днищем. Исполнение 02 Смета на дополнительные общестроительные работы. Трубопровод над днищем Объектная смета на резервуар 6 х 9. Трубопровод под днищем. Исполнение 03 Смета на дополнительные общестроительные работы. Трубопровод под днищем Объектная смета на резервуар 6 х 9. Трубопровод над днищем. Исполнение 03 Смета на дополнительные общестроительные работы. Трубопровод над днищем Ведомости объемов строительных и монтажных работ Ведомости материалов Ведомости потребности в производственных ресурсах |
| Разработан: | Казводоканалпроект Госстроя СССР |
| Утверждён: | 22.11.1984 СоюзводоканалНИИпроект (SoyuzvodokanalNIIproject 70) |












































































































