Скачать Серия 3.503-14 Выпуск 2. Пролетные строения с диафрагмами из цельноперевозимых балок, длиной 12, 15 и 18 м с вариантом длиной 11,36; 14,06 и 16,76 м, армированных каркасной арматурой класса А-IIДата актуализации: 01.01.2021
|
| Обозначение: | Серия 3.503-14 |
| Обозначение англ: | Series 3.503-14 |
| Статус: | не действует |
| Название рус.: | Выпуск 2. Пролетные строения с диафрагмами из цельноперевозимых балок, длиной 12, 15 и 18 м с вариантом длиной 11,36; 14,06 и 16,76 м, армированных каркасной арматурой класса А-II |
| Дата добавления в базу: | 01.09.2013 |
| Дата актуализации: | 01.01.2021 |
| Дата введения: | 01.01.1972 |
| Дата окончания срока действия: | 01.09.1987 |
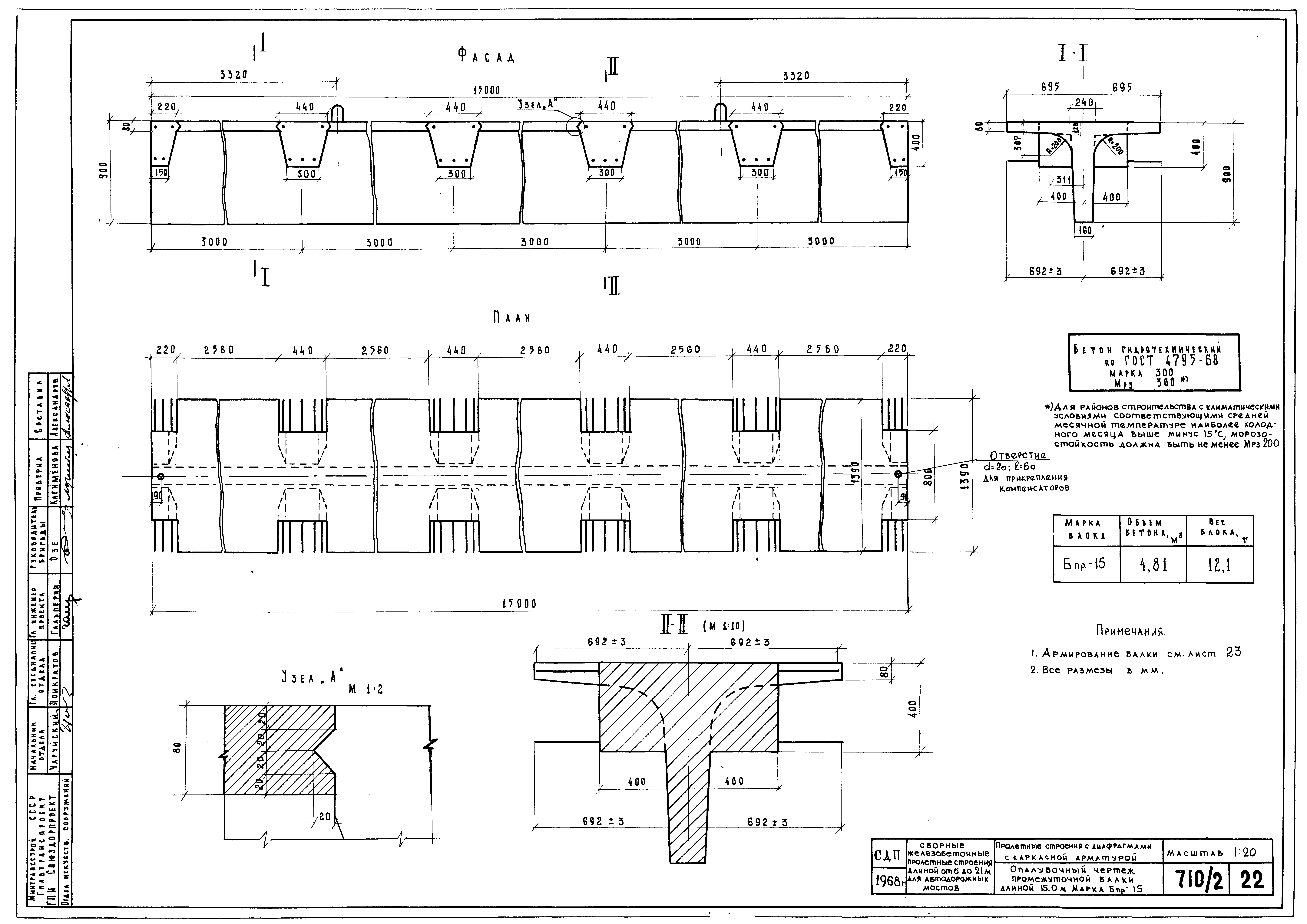
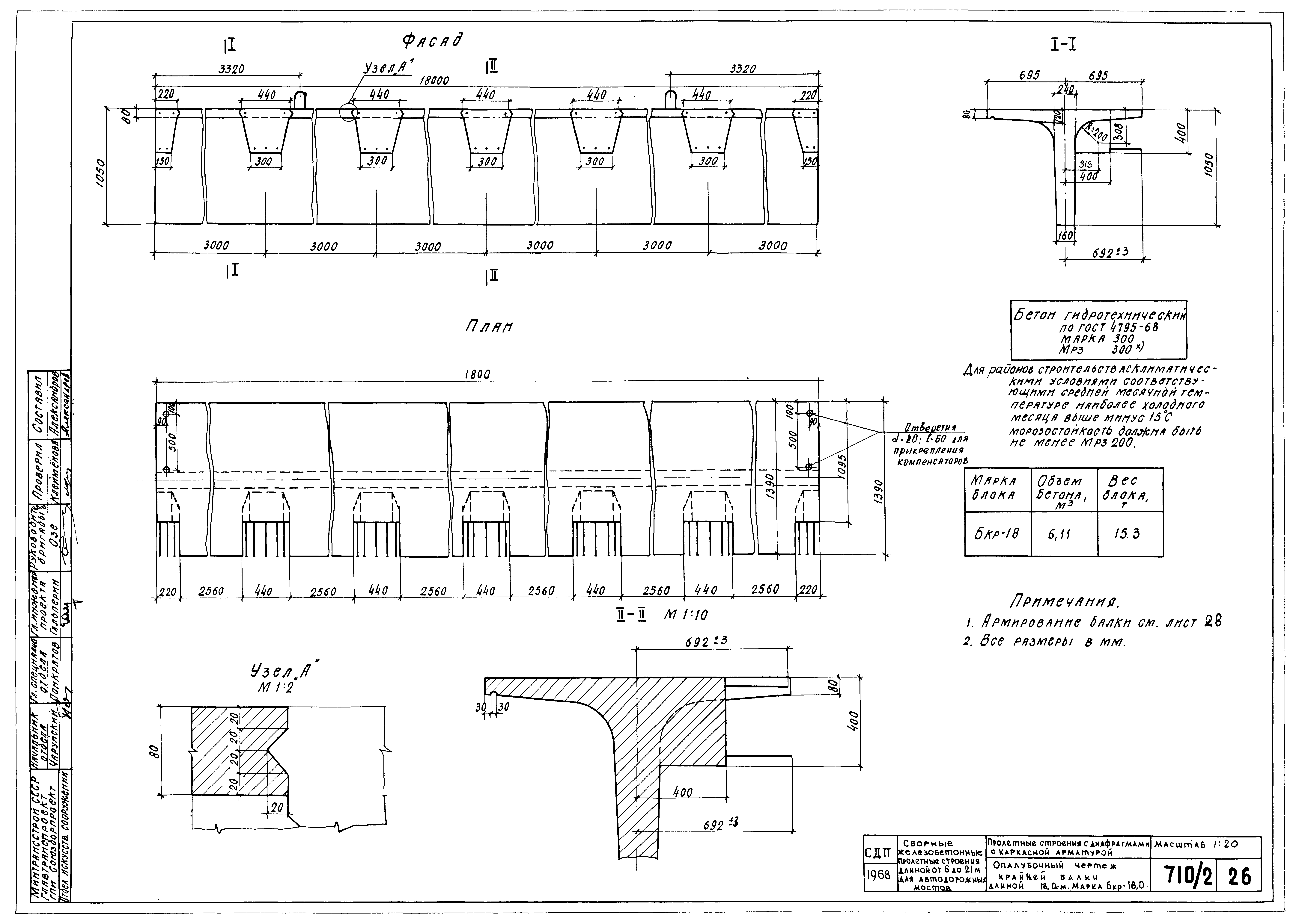
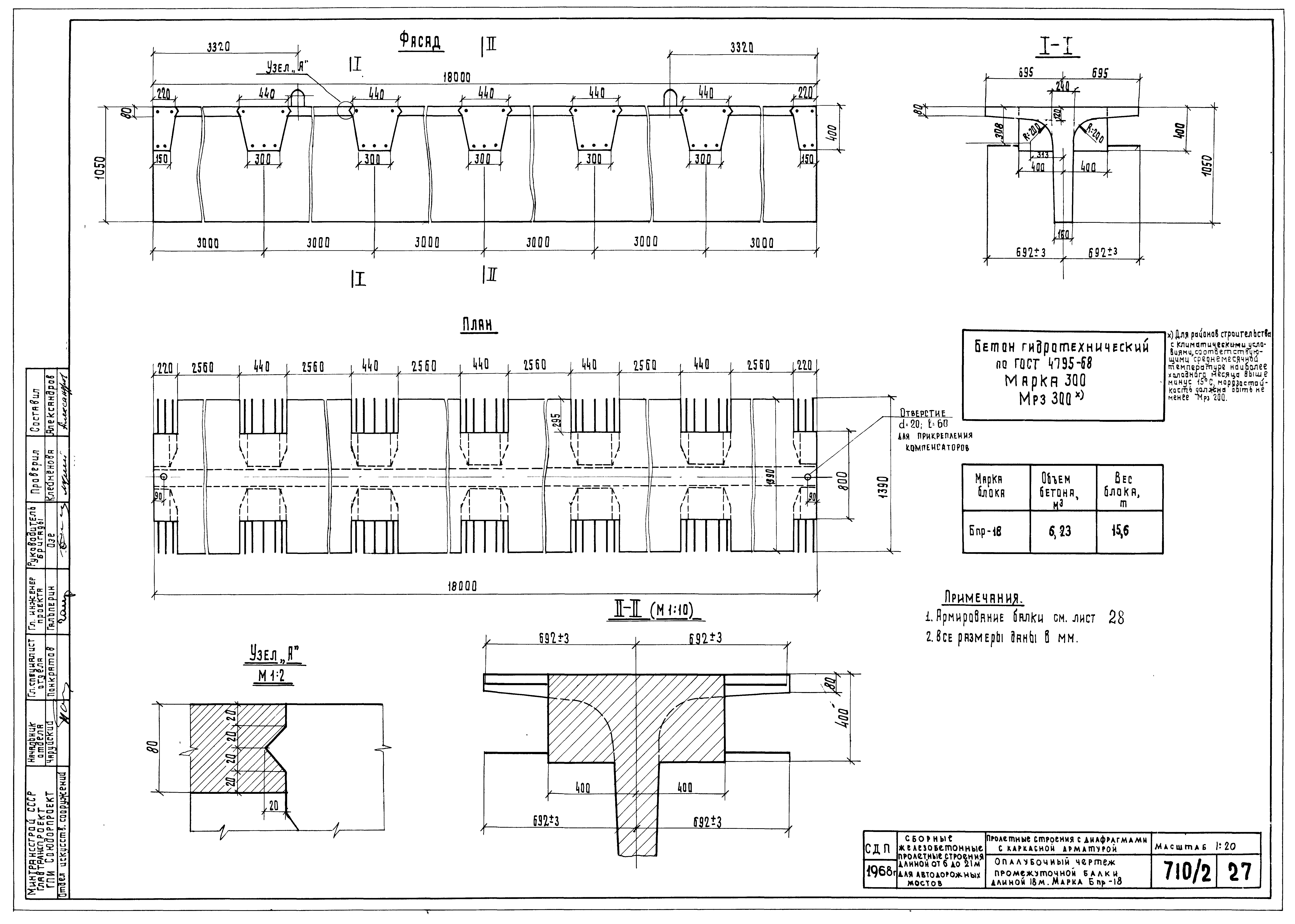
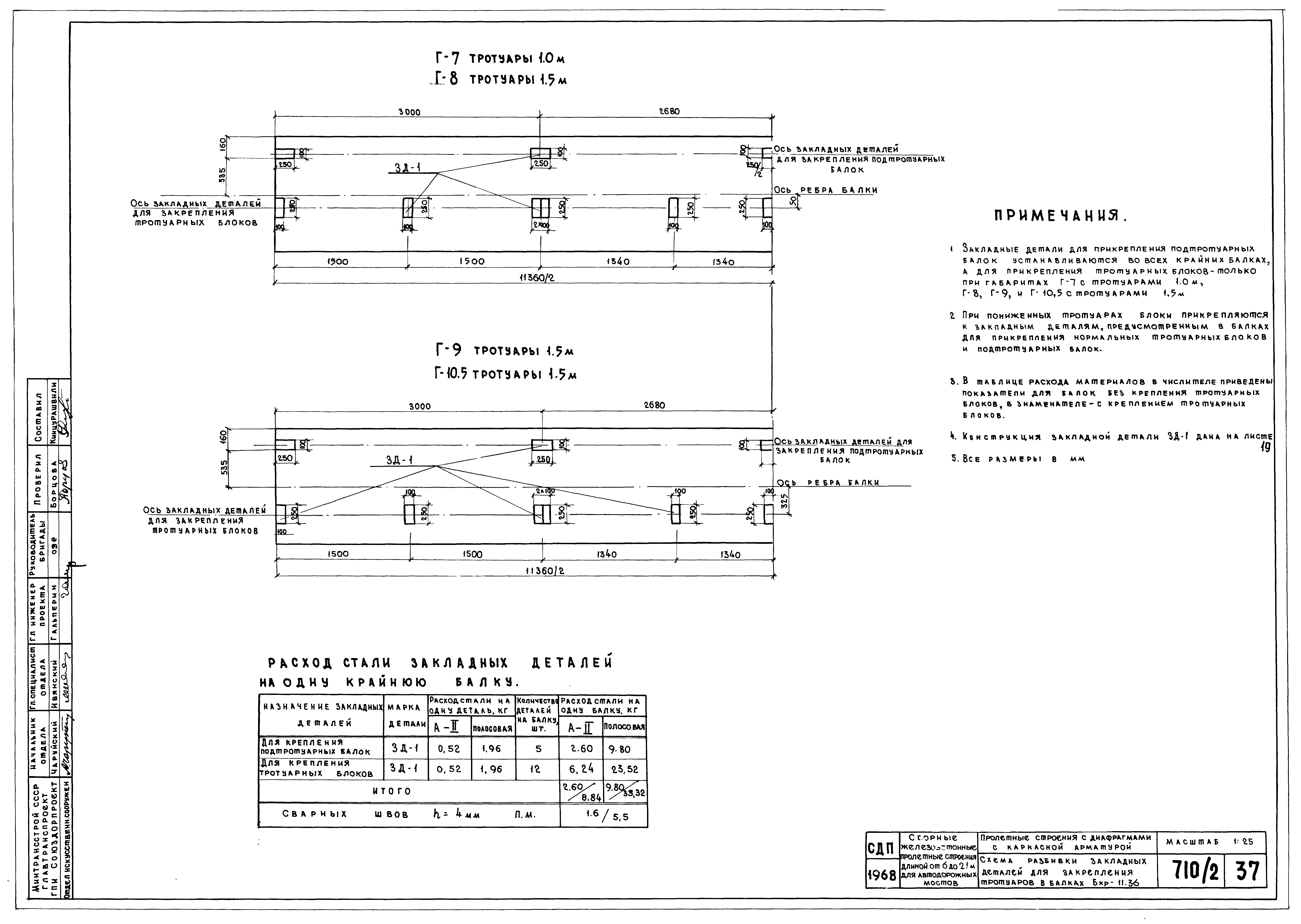
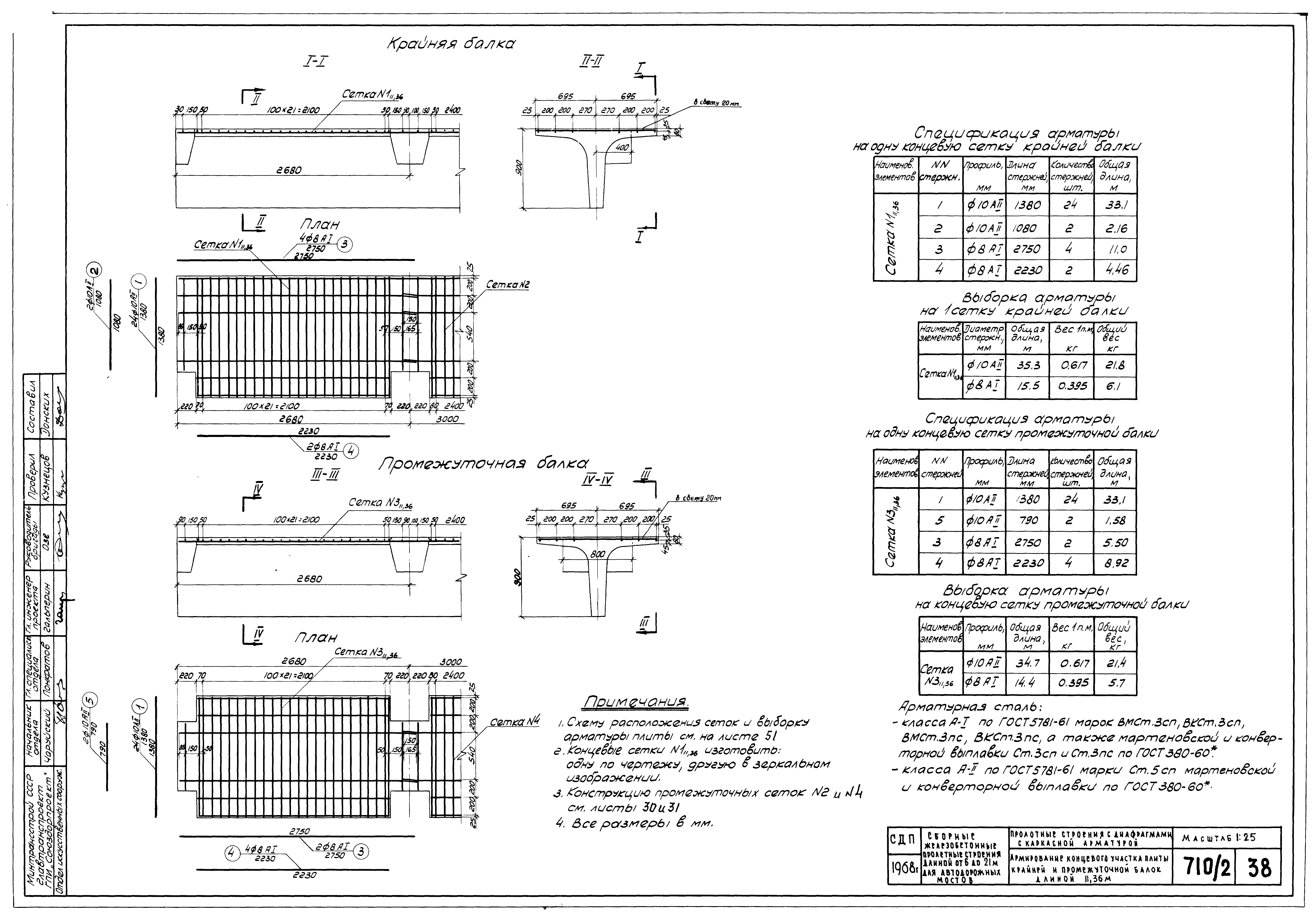
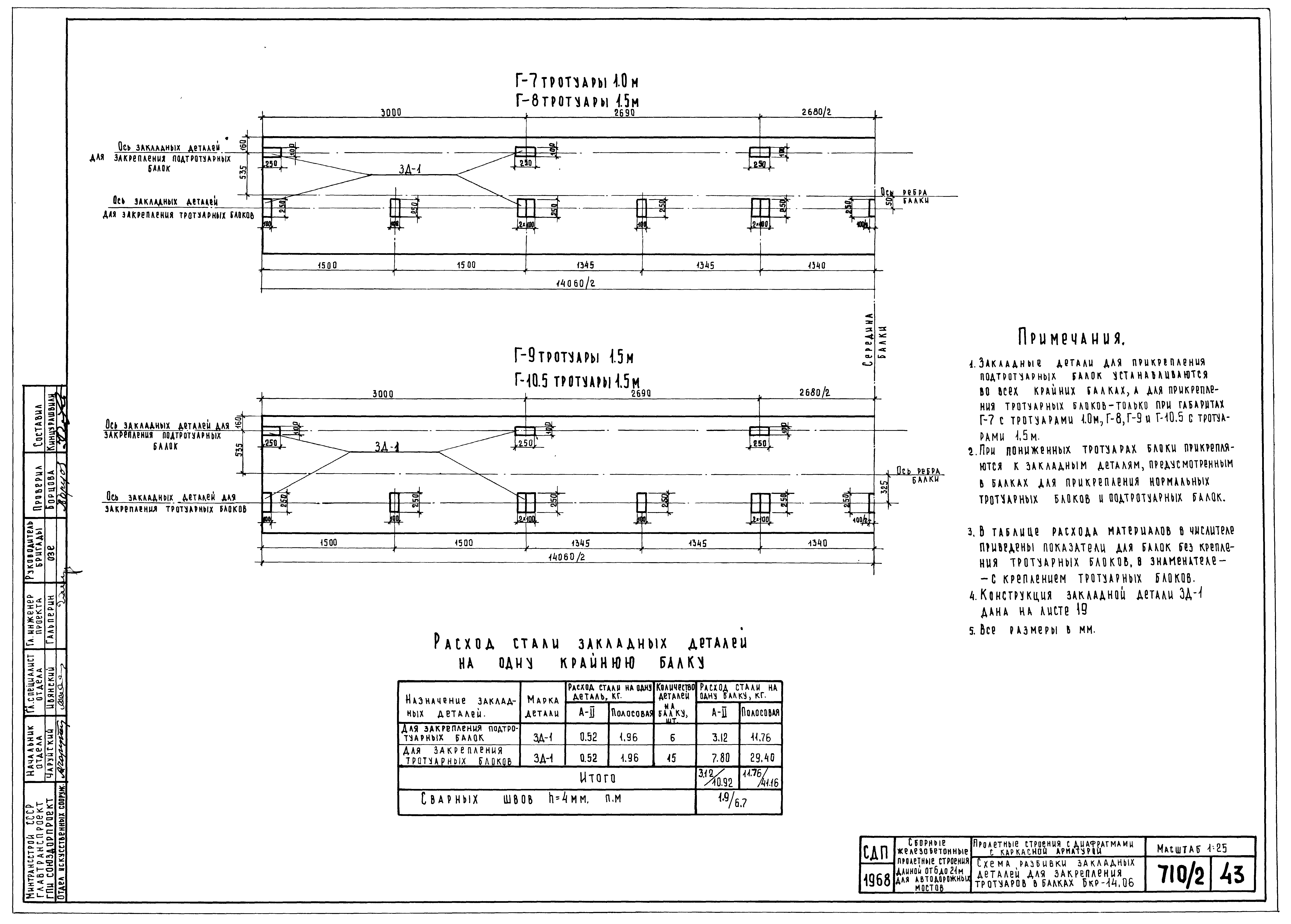
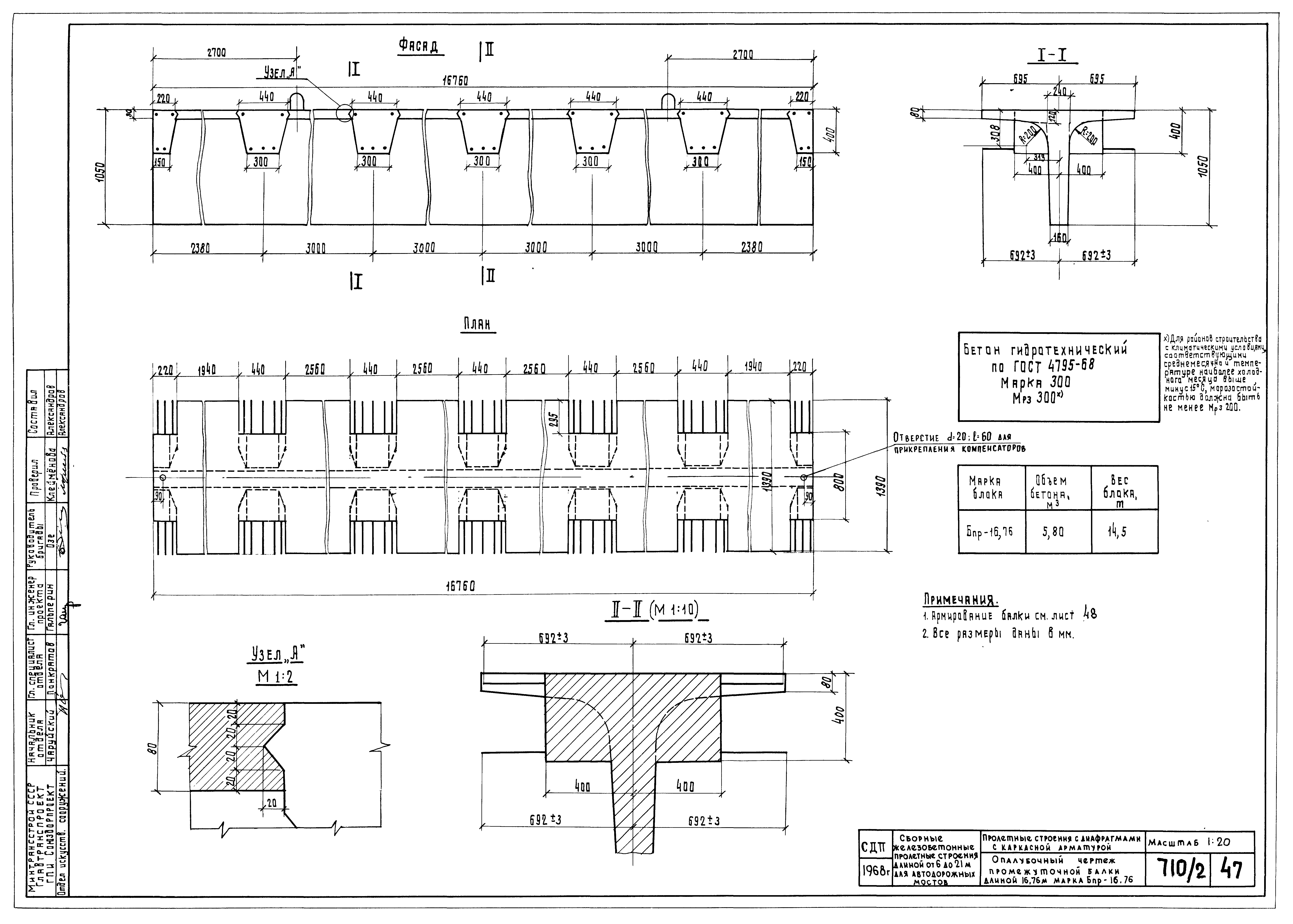
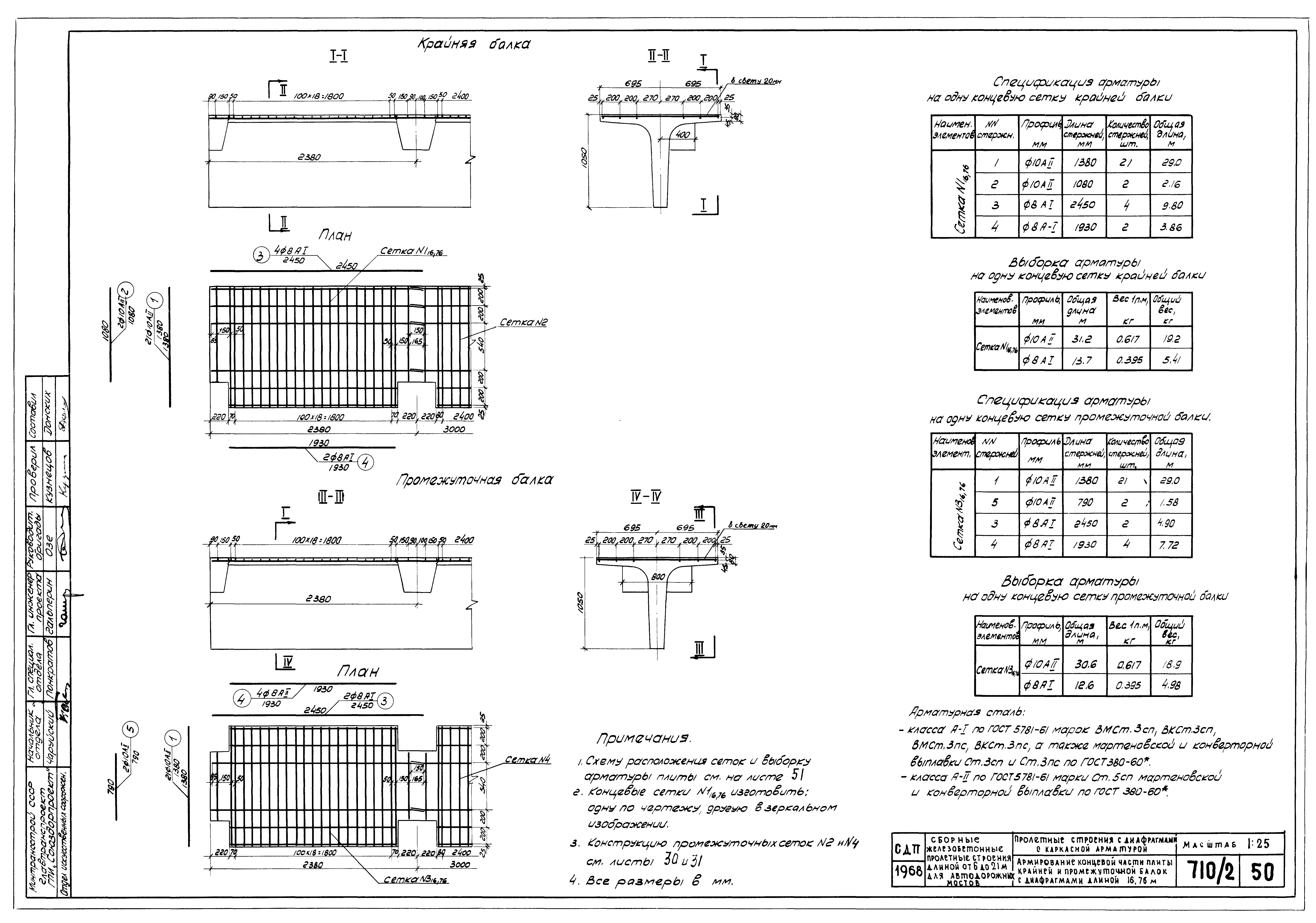
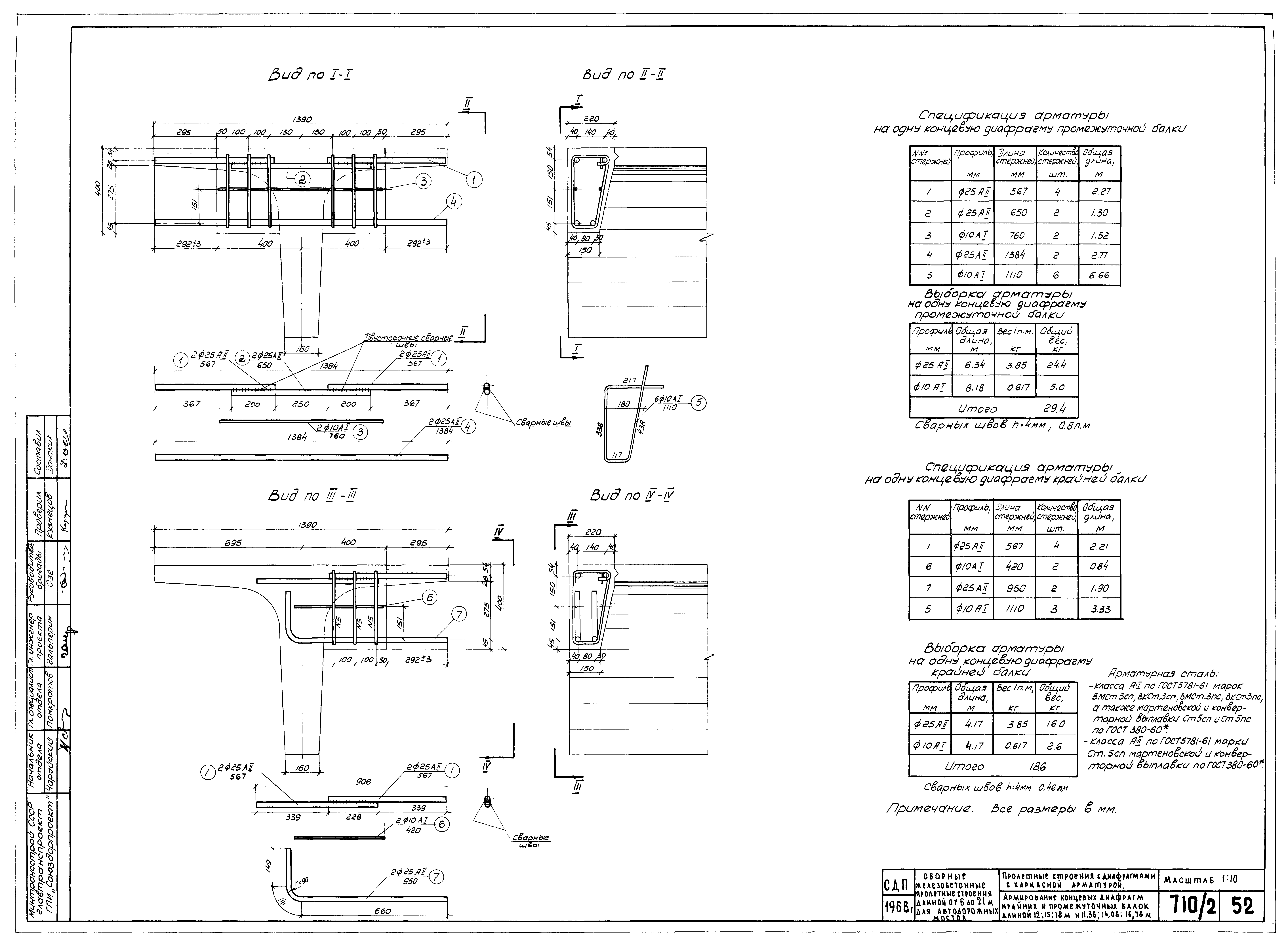
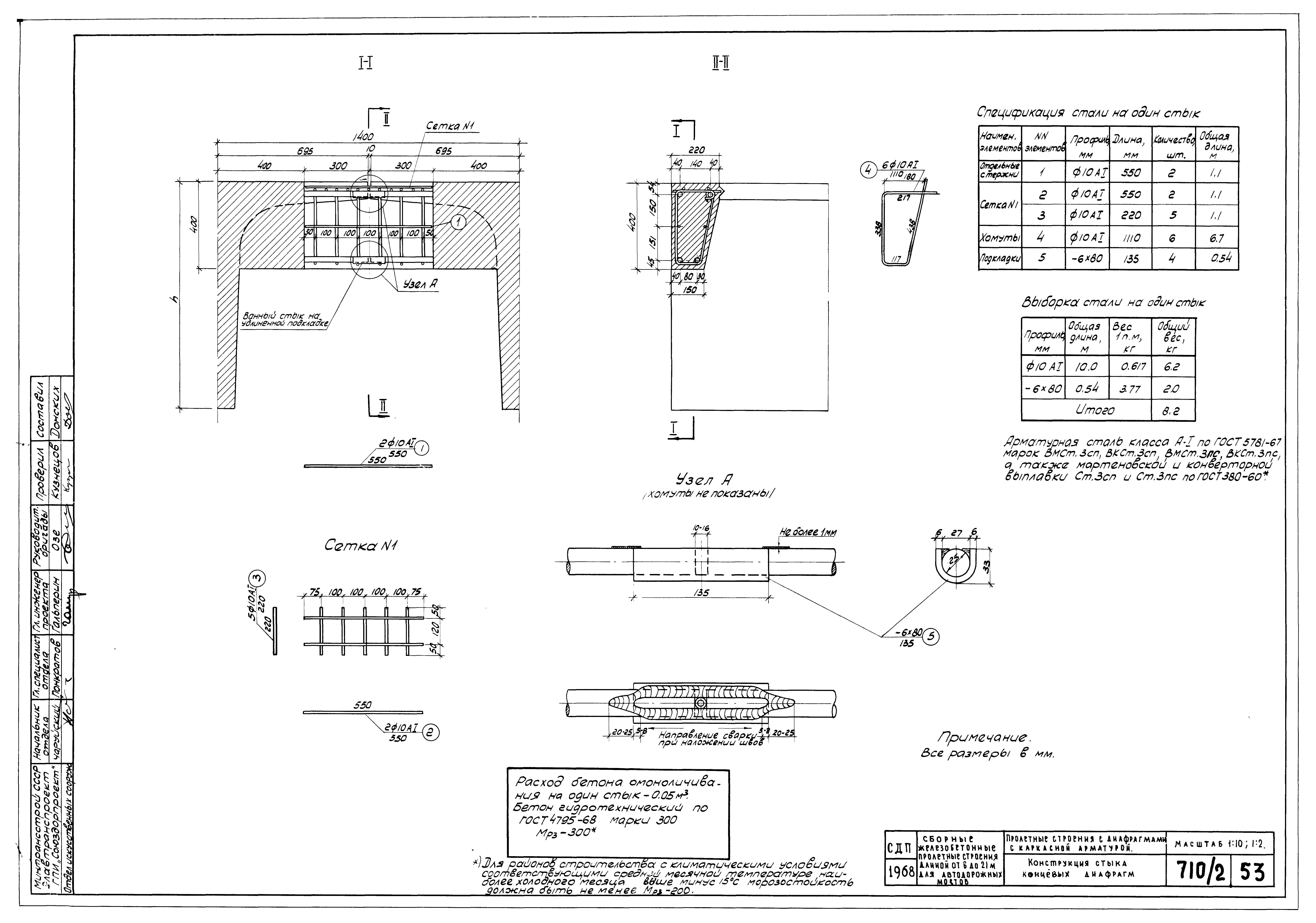
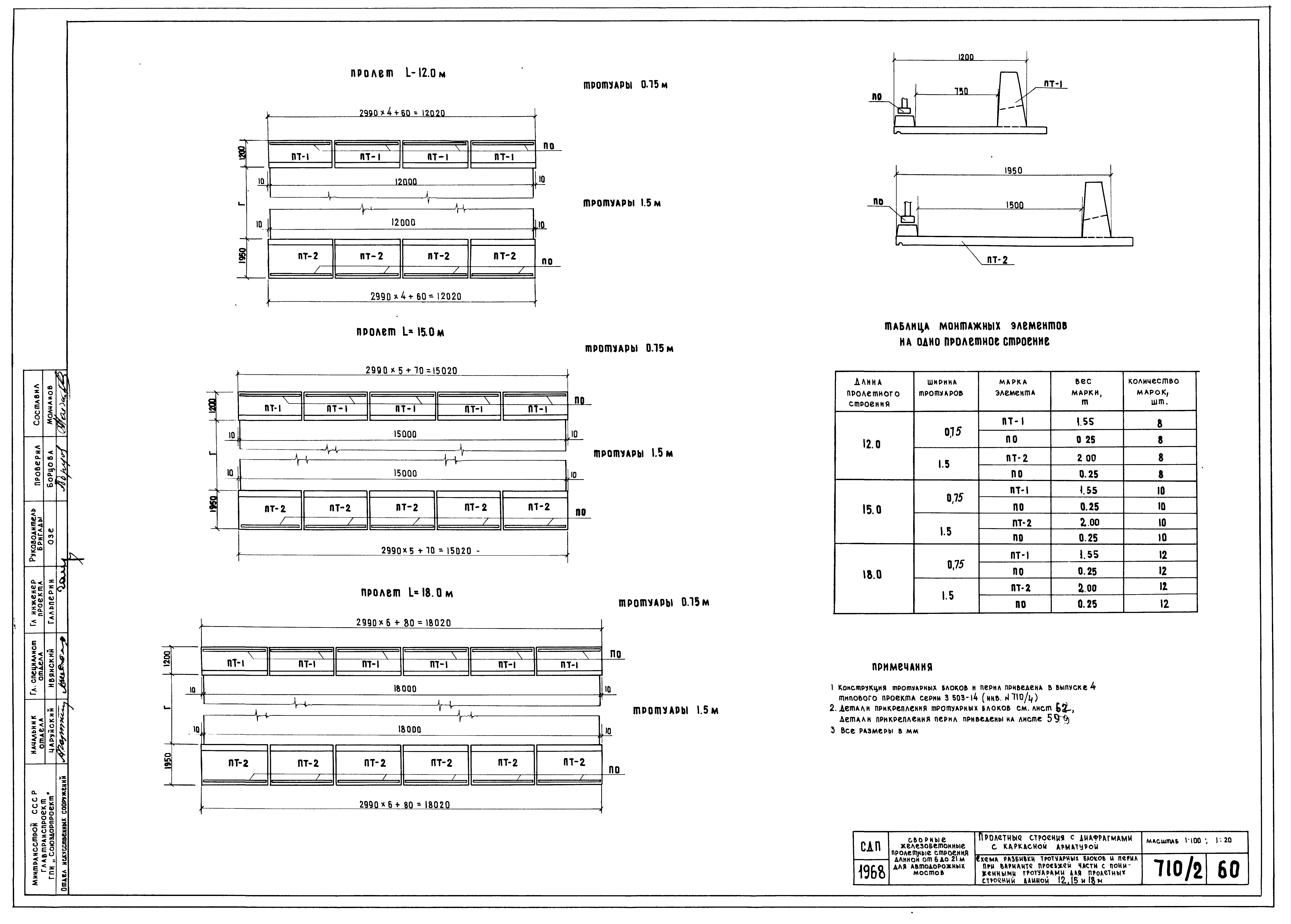
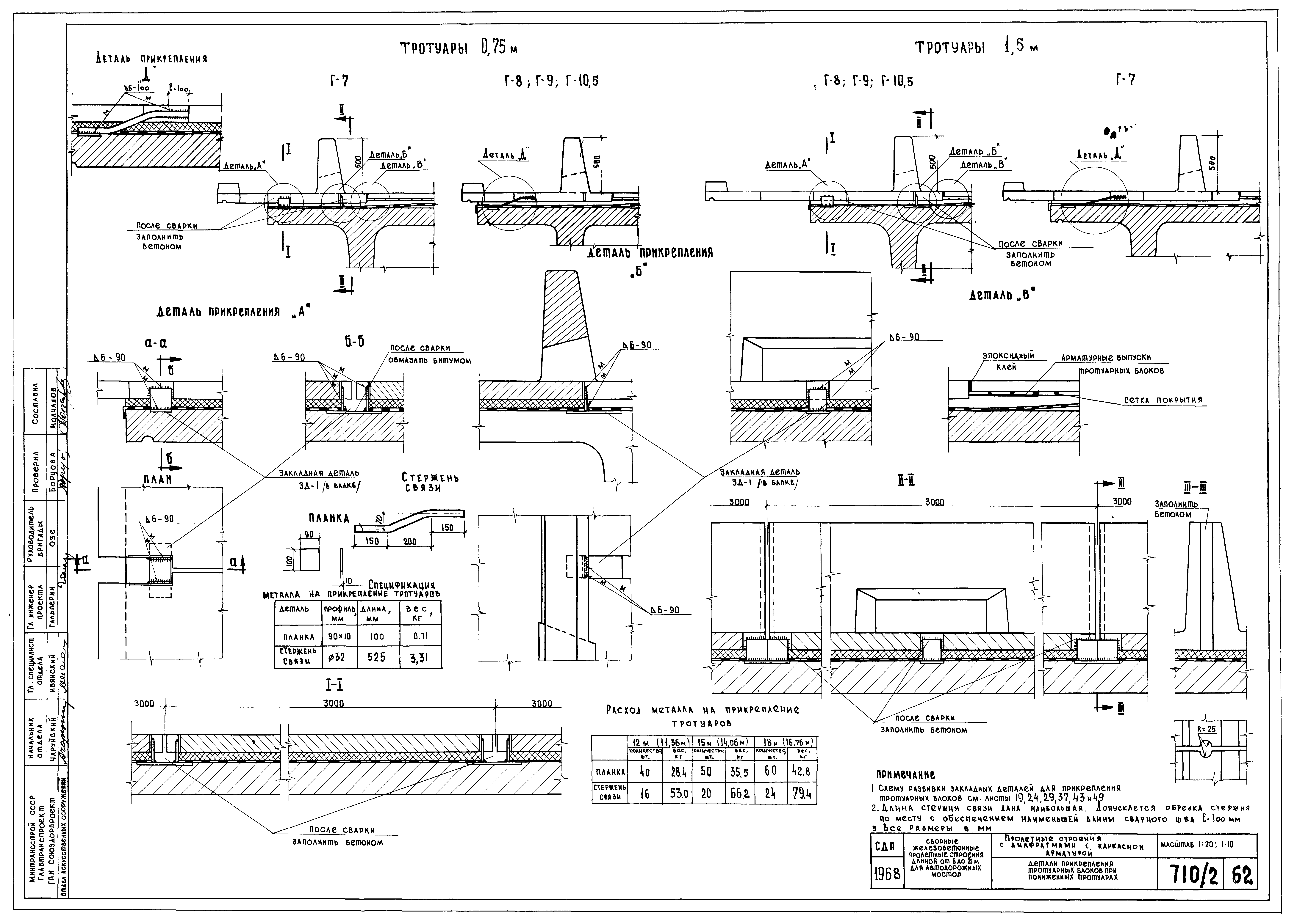
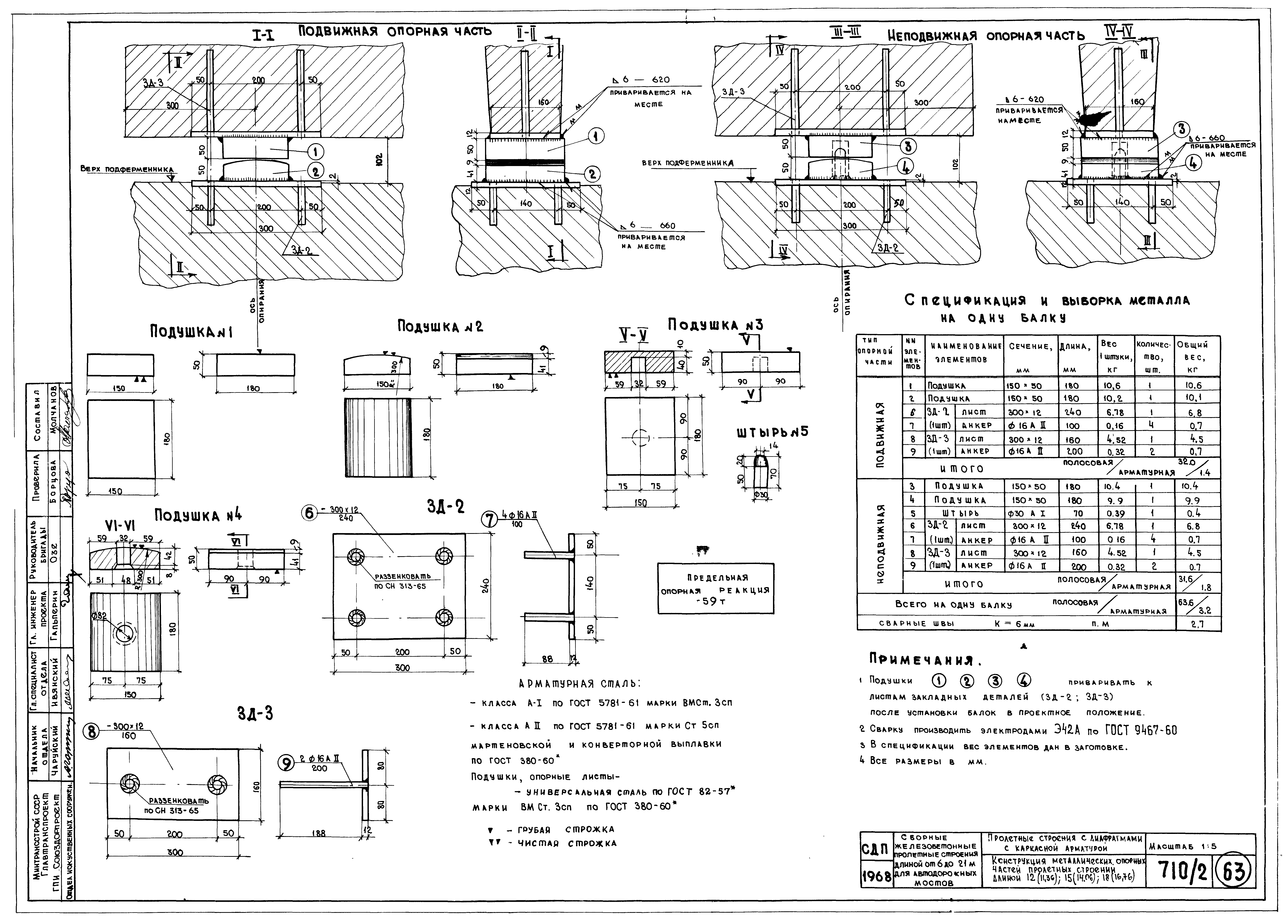
| Оглавление: | Пояснения Расчетный лист Сводные таблицы расхода материалов Компоновка габаритов для пролетов 12, 15, 18 м и 11.36, 14.06, 16.76 м Вариант с пониженными тротуарами. Компоновка габаритов для пролетов 12, 15, 18 м и 11.36, 14.06, 16.76 м Общий вид пролетного строения 12 м. Фасад и таблицы показателей Опалубочный чертеж крайней балки длиной 12 м. Марка Бкр-12 Опалубочный чертеж промежуточной балки длиной 12 м. Марка Бпр-12 Армирование ребра крайней и промежуточной балок длиной 12 м, Бкр-12 и Бпр-12 Схема разбивки закладных деталей для прикрепления тротуаров в балках Бкр-12 Общий вид пролетного строения 15 м. Фасад и таблицы показателей Опалубочный чертеж крайней балки длиной 15 м. Марка Бкр-15 Опалубочный чертеж промежуточной балки длиной 15 м. Марка Бпр-15 Армирование ребра крайней и промежуточной балок длиной 15 м, Бкр-15 и Бпр-15 Схема разбивки закладных деталей для прикрепления тротуаров в балках Бкр-15 Общий вид пролетного строения 18 м. Фасад и таблицы показателей Опалубочный чертеж крайней балки длиной 18 м. Марка Бкр-18 Опалубочный чертеж промежуточной балки длиной 18 м. Марка Бпр-18 Армирование ребра крайней и промежуточной балок длиной 18 м, Бкр-18 и Бпр-18 Схема разбивки закладных деталей для прикрепления тротуаров в балках Бкр-18 Армирование плиты крайних балок длиной 12, 15 и 18 м Армирование плиты промежуточных балок длиной 12, 15 и 18 м Схема расположения арматурных сеток и выборка арматуры плит балок длиной 12, 15 и 18 м Общий вид пролетного строения 11.36 м. Фасад и таблицы показателей Опалубочный чертеж крайней балки длиной 11.36 м. Марка Бкр-11.36 Опалубочный чертеж промежуточной балки длиной 11.36 м. Марка Бкр-11.36 Армирование ребра крайней и промежуточной балок длиной 11.36 м, Бкр-11.36 и Бпр-11.36 Схема разбивки закладных деталей для прикрепления тротуаров в балках Бкр-11.36 Армирование концевого участка плиты крайней и промежуточной балок длиной 11.36 м Общий вид пролетного строения 14.06 м. Фасад и таблицы показателей Опалубочный чертеж крайней балки длиной 14.06 м. Марка Бкр-14.06 Опалубочный чертеж промежуточной балки длиной 14.06 м. Марка Бпр-14.06 Армирование ребра крайней и промежуточной балок длиной 14.06 м, Бкр-14.06 и Бпр-14.06 Схема разбивки закладных деталей для прикрепления тротуаров в балках Бкр-14.06 Армирование концевого участка плиты крайней и промежуточной балок длиной 14.06 м Общий вид пролетного строения 16.76 м. Фасад и таблицы показателей Опалубочный чертеж крайней балки длиной 16.76 м. Марка Бкр-16.76 Опалубочный чертеж промежуточной балки длиной 16.76 м. Марка Бпр-16.76 Армирование ребра крайней и промежуточной балок длиной 16.76 м, Бкр-16.76 и Бпр-16.76 Cхема разбивки закладных деталей для прикрепления тротуаров в балках Бкр-16.76 Армирование концевого участка плиты крайней и промежуточной балок длиной 16.76 м Схема расположения арматурных сеток и выборка арматуры плит балок длиной 11.36, 14.06 и 16.76 м Армирование концевых диафрагм крайних и промежуточных балок длиной 12, 15, 18 м и 11.36, 14.06, 16.76 м Конструкция стыков концевых диафрагм Армирование промежуточных диафрагм крайних и промежуточных балок длиной 12, 15, 18 м и 11.36, 14.06, 16.76 м Конструкция стыков промежуточных диафрагм Детали приварки стержней в арматурных каркасах Схема разбивки тротуарных блоков, подтротуарных балок и перил для пролетных строений длиной 12, 15, 18 м Схема разбивки тротуарных блоков, подтротуарных балок и перил для пролетных строений длиной 11.36, 14.06, 16.76 м Детали крепления тротуарных блоков, подтротуарных балок и перил Схема разбивки тротуарных блоков, подтротуарных балок и перил при варианте проезжей части с пониженными тротуарами для пролетных строений длиной 12, 15, 18 м Схема разбивки тротуарных блоков, подтротуарных балок и перил при варианте проезжей части с пониженными тротуарами для пролетных строений длиной 11.36, 14.06, 16.76 м Детали прикрепления тротуарных блоков при пониженных тротуарах Конструкция металлических опорных частей для пролетных строений длиной 12, 15, 18 м и 11.36, 14.06, 16.76 м |
| Разработан: | Союздорпроект Минтрансстроя |
| Утверждён: | 19.06.1969 Министерство автомобильного транспорта и шоссейных дорог РСФСР (84) |






























































